Modeling of an Autonomous Electric Propulsion Barge for Future Inland Waterway Transport
Abstract
:1. Introduction
1.1. Sea Transport Automation Legal Framework
1.2. Inland Waterway Shipping Automation
1.3. Autonomous Ship Navigation
2. Unmanned Inland Electric Barge Concept
2.1. Proposed Structure of the Sensor System and Motion Control of an Autonomous Barge
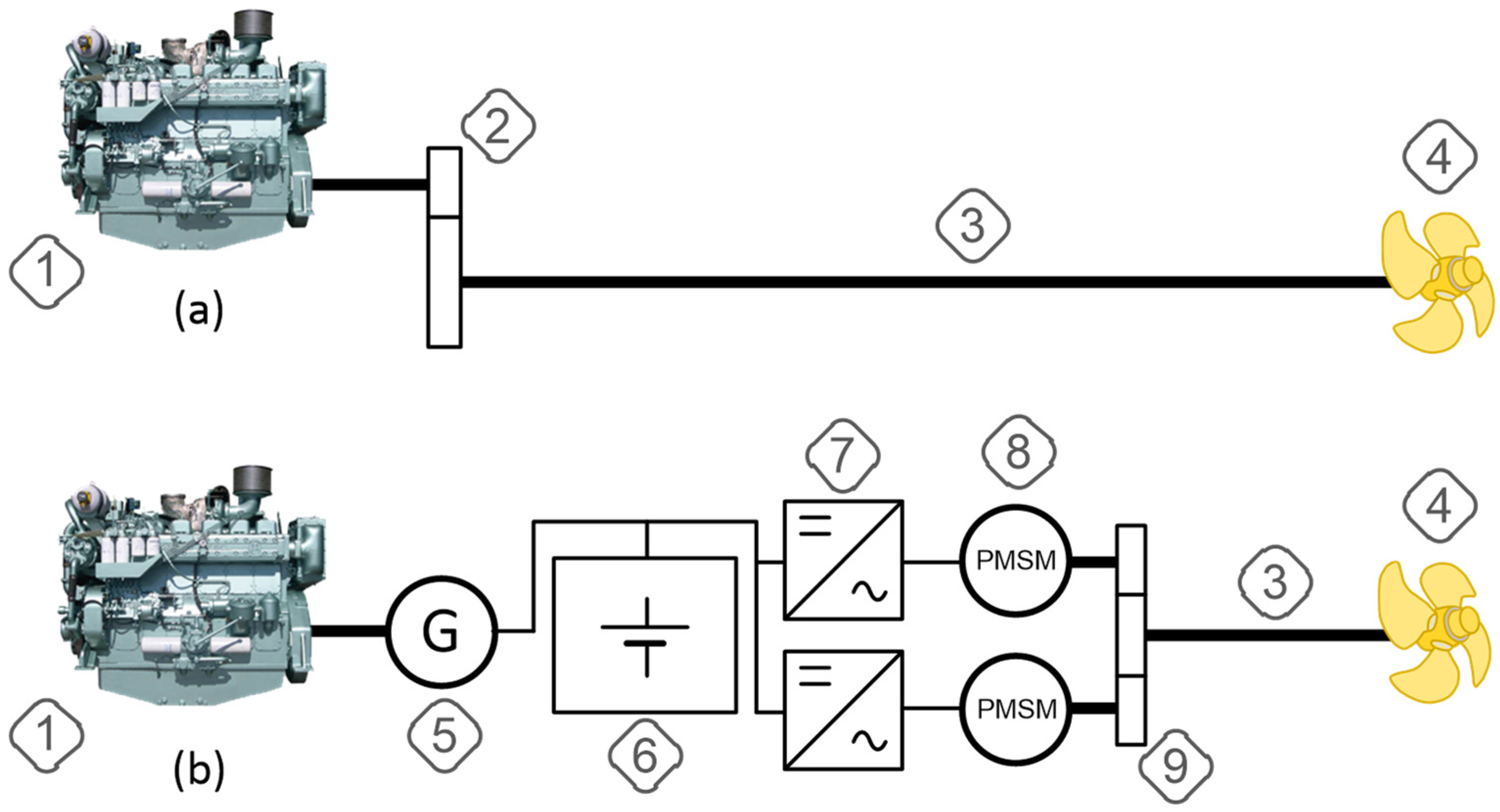
2.2. Proposed Structure of the Electric Drive System
3. Results
3.1. Networked Ship Traffic Simulation Research
3.2. Barge Energy Consumption Research
4. Discussion
5. Conclusions
Author Contributions
Funding
Data Availability Statement
Conflicts of Interest
References
- International Forwarding Association. Shortage of Seafarers Onboard Merchant Vessels by 2026. Available online: https://ifa-forwarding.net/blog/sea-freight-in-europe/shortage-of-seafarers-onboard-merchant-vessels-by-2026/ (accessed on 1 November 2023).
- IMO. Outcome of the Regulatory Scoping Exercise for the Use of Maritime Autonomous Surface Ships (MASS) MSC.1/Circ.1638. Available online: https://wwwcdn.imo.org/localresources/en/MediaCentre/HotTopics/PublishingImages/Pages/Autonomous-shipping/MSC.1-Circ.1638%20-%20Outcome%20Of%20The%20Regulatory%20Scoping%20ExerciseFor%20The%20Use%20Of%20Maritime%20Autonomous%20Surface%20Ships…%20(Secretariat).pdf (accessed on 4 November 2023).
- Weintrit, A. Time to Revise the IMO’s Guidance on Good Practice for the Use of Electronic Chart Display and Information System (ECDIS). TransNav 2022, 16, 523–531. [Google Scholar] [CrossRef]
- IMO. E-navigation. Available online: https://www.imo.org/en/OurWork/Safety/Pages/eNavigation.aspx (accessed on 4 November 2023).
- United Nations Economic Commission for Europe. Map of the European Inland Waterway Network. Available online: https://unece.org/DAM/trans/main/sc3/AGN_map_2018.pdf (accessed on 9 November 2023).
- European Comission. Sustainable and Smart Mobility Strategy; European Comission: Brussels, Belgium, 2021; Available online: https://transport.ec.europa.eu/transport-themes/mobility-strategy_en (accessed on 9 November 2023).
- Final Report Summary-MOVE IT! (Modernisation of Vessels for Inland Waterway Freight Transport). Available online: https://cordis.europa.eu/project/id/285405/reporting (accessed on 9 November 2023).
- Weintrit, A. Revision of the IMO’s Performance Standards for ECDIS. Three Versions of Performance Standards in Use. TransNav 2022, 16, 675–683. [Google Scholar] [CrossRef]
- International Maritime Organization. IMO and the Safety of Navigation. Available online: https://wwwcdn.imo.org/localresources/en/OurWork/Safety/Documents/SAFETYOFNAVIGATION21998final.pdf (accessed on 9 November 2023).
- Tsou, M.-C.; Kao, S.-L.; Su, C.-M. Decision Support from Genetic Algorithms for Ship Collision Avoidance Route Planning and Alerts. J. Navig. 2010, 63, 167–182. [Google Scholar] [CrossRef]
- Zhang, R.; Furusho, M. Constructing a Decision-Support System for Safe Ship-Navigation Using a Bayesian Network. In Digital Human Modeling: Applications in Health, Safety, Ergonomics and Risk Management; Duffy, V.G., Ed.; Springer International Publishing: Cham, Switzerland, 2016; pp. 616–628. ISBN 978-3-319-40246-8. [Google Scholar]
- Li, Z.; Yao, C.; Zhu, X.; Gao, G.; Hu, S. A decision support model for ship navigation in Arctic waters based on dynamic risk assessment. Ocean. Eng. 2022, 244, 110427. [Google Scholar] [CrossRef]
- Furuno. Marine Equipment For Merchant Marine. Available online: https://www.furuno.com/en/merchant/ (accessed on 17 November 2023).
- Jeong, M.; Li, A.Q. Efficient LiDAR-based In-water Obstacle Detection and Segmentation by Autonomous Surface Vehicles in Aquatic Environments. In Proceedings of the 2021 IEEE/RSJ International Conference on Intelligent Robots and Systems (IROS), Prague, Czech Republic, 27 September–1 October 2021; IEEE: Piscataway, NJ, USA, 2021; pp. 5387–5394, ISBN 978-1-6654-1714-3. [Google Scholar]
- Zalewski, P.; Bergmann, M.; Wawruch, R.; Weintrit, A. Challenges Related to Standardization of GNSS/RNSS Shipborne Equipment by International Maritime Organization (IMO). TransNav 2023, 17, 863–869. [Google Scholar] [CrossRef]
- Han, J.; Kim, J.; Son, N.-S. Persistent automatic tracking of multiple surface vessels by fusing radar and lidar. In Proceedings of the OCEANS 2017-Aberdeen, Aberdeen, UK, 19–22 June 2017; IEEE: Piscataway, NJ, USA, 2017; pp. 1–5, ISBN 978-1-5090-5278-3. [Google Scholar]
- Qu, J.; Liu, R.W.; Guo, Y.; Lu, Y.; Su, J.; Li, P. Improving maritime traffic surveillance in inland waterways using the robust fusion of AIS and visual data. Ocean Eng. 2023, 275, 114198. [Google Scholar] [CrossRef]
- Clunie, T.; DeFilippo, M.; Sacarny, M.; Robinette, P. Development of a Perception System for an Autonomous Surface Vehicle using Monocular Camera, LIDAR, and Marine RADAR. In Proceedings of the 2021 IEEE International Conference on Robotics and Automation (ICRA), Xi’an, China, 30 May–5 June 2021; IEEE: Piscataway, NJ, USA, 2021; pp. 14112–14119, ISBN 978-1-7281-9077-8. [Google Scholar]
- Singh, Y.; Sharma, S.; Sutton, R.; Hatton, D.; Khan, A. A constrained A* approach towards optimal path planning for an unmanned surface vehicle in a maritime environment containing dynamic obstacles and ocean currents. Ocean Eng. 2018, 169, 187–201. [Google Scholar] [CrossRef]
- Zhen, R.; Gu, Q.; Shi, Z.; Suo, Y. An Improved A-Star Ship Path-Planning Algorithm Considering Current, Water Depth, and Traffic Separation Rules. JMSE 2023, 11, 1439. [Google Scholar] [CrossRef]
- Chen, L.; Negenborn, R.R.; Lodewijks, G. Path Planning for Autonomous Inland Vessels Using A*BG. In Computational Logistics; Paias, A., Ruthmair, M., Voß, S., Eds.; Springer International Publishing: Cham, Switzerland, 2016; pp. 65–79. ISBN 978-3-319-44895-4. [Google Scholar]
- Song, R.; Liu, Y.; Bucknall, R. Smoothed A* algorithm for practical unmanned surface vehicle path planning. Appl. Ocean. Res. 2019, 83, 9–20. [Google Scholar] [CrossRef]
- Ning, J.; Chen, H.; Li, T.; Li, W.; Li, C. COLREGs-Compliant Unmanned Surface Vehicles Collision Avoidance Based on Multi-Objective Genetic Algorithm. IEEE Access 2020, 8, 190367–190377. [Google Scholar] [CrossRef]
- Zhang, W.; Xu, Y.; Xie, J. Path Planning of USV Based on Improved Hybrid Genetic Algorithm. In Proceedings of the 2019 European Navigation Conference (ENC), Warsaw, Poland, 9–12 April 2019; IEEE: Piscataway, NJ, USA, 2019; pp. 1–7, ISBN 978-1-5386-9473-2. [Google Scholar]
- Gan, L.; Yan, Z.; Zhang, L.; Liu, K.; Zheng, Y.; Zhou, C.; Shu, Y. Ship path planning based on safety potential field in inland rivers. Ocean Eng. 2022, 260, 111928. [Google Scholar] [CrossRef]
- Lisowski, J. A Synthesis of Algorithms Determining a Safe Trajectory in a Group of Autonomous Vehicles Using a Sequential Game and Neural Network. Electronics 2023, 12, 1236. [Google Scholar] [CrossRef]
- Mohamed-Seghir, M.; Kula, K.; Kouzou, A. Artificial Intelligence-Based Methods for Decision Support to Avoid Collisions at Sea. Electronics 2021, 10, 2360. [Google Scholar] [CrossRef]
- Rybczak, M.; Gierusz, W. Maritime Autonomous Surface Ships in Use with LMI and Overriding Trajectory Controller. Appl. Sci. 2022, 12, 9927. [Google Scholar] [CrossRef]
- Cao, S.; Fan, P.; Yan, T.; Xie, C.; Deng, J.; Xu, F.; Shu, Y. Inland Waterway Ship Path Planning Based on Improved RRT Algorithm. JMSE 2022, 10, 1460. [Google Scholar] [CrossRef]
- Miller, A.; Rak, A. A Measurement System for the Environmental Load Assessment of a Scale Ship Model-Part II. Sensors 2023, 23, 3415. [Google Scholar] [CrossRef] [PubMed]
- Abramowicz-Gerigk, T.; Burciu, Z.; Jaworski, T.; Nowicki, J. The Large-Scale Physical Model Tests of the Passing Ship Effect on a Ship Moored at the Solid-Type Berth. Sensors 2022, 22, 868. [Google Scholar] [CrossRef] [PubMed]
- Polish Ship Register. Register of Inland Waterways Vessels 2023. Available online: https://www.prs.pl/uploads/rejestr_srl.pdf (accessed on 8 November 2023).
- Thunder Sky Winston Battery. Product Brochure. Available online: https://en.winston-battery.com/?zlxz/ (accessed on 8 November 2023).
- European Court of Auditors. Inland Waterway Transport in Europe: No Significant Improvements in Modal Share and Navigability Conditions Since 2001. Available online: https://www.eca.europa.eu/Lists/ECADocuments/SR15_01/SR15_01_EN.pdf (accessed on 6 November 2023).
- Muc, A.; Bielecka, A.; Iwaszkiewicz, J. The Use of Wireless Networks and Mobile Applications in the Control of Electric Machines. Appl. Sci. 2023, 13, 532. [Google Scholar] [CrossRef]
- Mysiak, P.; Sleszynski, W.; Cichowski, A. Experimental test results of the 150kVA 18-pulse diode rectifier with series active power filter. In Proceedings of the 2016 10th International Conference on Compatibility, Power Electronics and Power Engineering (CPE-POWERENG), Bydgoszcz, Poland, 29 June–1 July 2016; IEEE: Piscataway, NJ, USA, 2016; pp. 380–383, ISBN 978-1-4673-7293-0. [Google Scholar]
- Kasprowicz, A. Induction generator with three-level inverters and LCL filter connected to the power grid. Bull. Pol. Acad. Sci. Tech. Sci. 2023, 67, 593. [Google Scholar] [CrossRef]
- The Modelica Association—Modelica Association. Available online: https://modelica.org/ (accessed on 6 November 2023).















| Parameter | Value |
|---|---|
| Length | 84 m |
| Width | 9 m |
| Draft | 2.5 m |
| Cargo capacity | 1300 T/60 TEU |
| Waterway class (Europe) | IV |
| Generator | WarUD25 V12 1 × 810 kW |
| Battery capacity (nominal) | 537.6 kWh |
| Battery capacity (available) | 430.1 kWh |
| Battery type | Winston LFP200AHA, 200 Ah |
| Battery configuration | 168s5p |
| Battery mass | 6.64 t |
| Propulsion motor | PMSM, 2 × 420 kW |
| Parameter | Conventional Diesel | Hybrid Electric | Difference |
|---|---|---|---|
| Engine working hours | 8.06 h | 2.27 h | −71.81% |
| Engine average load | 32.59% | 80.31% | – |
| Energy consumed for propulsion | 1280.47 kWh | 1280.47 kWh | – |
| Fuel consumption | 305.48 kg | 256.49 kg | −16.04% |
| CO2 emitted | 939.80 kg | 789.09 kg | −16.04% |
| Parameter | Conventional Diesel | Autonomous Hybrid Electric |
|---|---|---|
| Cargo capacity | 1300 t | 1300 t |
| Required crew | 2 or 3 | 0 |
| Distance travelled | 122.4 km | 122.4 km |
| Tonne-kilometers | 159,120 | 159,120 |
| CO2 emission per tkm | 5.91 g CO2/tkm | 4.96 g CO2/tkm |
| Tkm per 1 kg fuel | 520.89 tkm | 620.38 tkm |
| Corrected CO2 emission per tkm * | 6.10 g CO2/tkm | 4.96 g CO2/tkm |
| Corrected Tkm per 1 kg fuel * | 504.73 tkm | 620.38 tkm |
Disclaimer/Publisher’s Note: The statements, opinions and data contained in all publications are solely those of the individual author(s) and contributor(s) and not of MDPI and/or the editor(s). MDPI and/or the editor(s) disclaim responsibility for any injury to people or property resulting from any ideas, methods, instructions or products referred to in the content. |
© 2023 by the authors. Licensee MDPI, Basel, Switzerland. This article is an open access article distributed under the terms and conditions of the Creative Commons Attribution (CC BY) license (https://creativecommons.org/licenses/by/4.0/).
Share and Cite
Łebkowski, A.; Koznowski, W. Modeling of an Autonomous Electric Propulsion Barge for Future Inland Waterway Transport. Energies 2023, 16, 8053. https://doi.org/10.3390/en16248053
Łebkowski A, Koznowski W. Modeling of an Autonomous Electric Propulsion Barge for Future Inland Waterway Transport. Energies. 2023; 16(24):8053. https://doi.org/10.3390/en16248053
Chicago/Turabian StyleŁebkowski, Andrzej, and Wojciech Koznowski. 2023. "Modeling of an Autonomous Electric Propulsion Barge for Future Inland Waterway Transport" Energies 16, no. 24: 8053. https://doi.org/10.3390/en16248053
APA StyleŁebkowski, A., & Koznowski, W. (2023). Modeling of an Autonomous Electric Propulsion Barge for Future Inland Waterway Transport. Energies, 16(24), 8053. https://doi.org/10.3390/en16248053

