Next Article in Journal
Research on Piston Dynamics and Engine Performances of a Free-Piston Engine Linear Generator Coupling with Various Rebound Devices
Next Article in Special Issue
Effect of Magnetic Shunts on Shell-Type Transformers Characteristics
Previous Article in Journal
A Refined Model for Carbon Footprint Estimation in Electric Railway Transport
Previous Article in Special Issue
Selection of the Winding Type of Solid-State Transformers in Terms of Transmitting the Greatest Possible Power in the Frequency Range from 500 Hz to 6000 Hz
 
 
Font Type:
Arial Georgia Verdana
Font Size:
Aa Aa Aa
Line Spacing:
Column Width:
Background:
Review

SPICE-Aided Models of Magnetic Elements—A Critical Review

Department of Marine Electronics, Faculty of Electrical Engineering, Gdynia Maritime University, Morska 81-87, 81-225 Gdynia, Poland
*
Author to whom correspondence should be addressed.
Energies 2023, 16(18), 6568; https://doi.org/10.3390/en16186568
Submission received: 2 August 2023 / Revised: 3 September 2023 / Accepted: 8 September 2023 / Published: 12 September 2023

Abstract

This article analyzes the problem of modeling the properties of such magnetic elements as inductors, coupled inductors, and transformers using the SPICE software (version 17.2). Both the classical models of magnetic elements, built in this software, and the models implemented in the form of subcircuits are described. In particular, attention was paid to the possibility of taking into account the non-linearity of the characteristics of the considered elements and mutual couplings between electrical, magnetic, and thermal quantities. Using the results of thermographic measurements, the need to take into account the differences in temperature values between the individual windings and the core of inductors and transformers was justified. Selected models of the considered elements given in the literature are briefly characterized. The network structures of the electrothermal models of the considered elements elaborated at Gdynia Maritime University are presented. The results of calculations and measurements illustrating the correctness of the described models and their prac-tical usefulness for the elements of different structures are presented and discussed.

1. Introduction

Magnetic elements such as inductors, coupled inductors, and transformers are commonly used in different electronic and power electronic systems [1,2]. These elements perform different functions in the mentioned systems, which include, among others, electricity storage, voltage equalization and filtering, ensuring galvanic separation between circuits, etc. [3]. They are typically made of a ferromagnetic core and one or more windings wound on this core in the form of a winding wire, tape, or track on a printed circuit board [3,4].
Designers of electronic systems, before deciding on their structure, carry out proper computer analyses to design a device characterized by the most favorable values of operating parameters [5]. Thanks to computer simulations, it is possible to minimize or eliminate undesirable phenomena that may affect the correct operation of the designed systems already at the design stage [5].
When analyzing and designing such systems, computer programs supporting the work of engineers are commonly used [6]. One of the most popular programs of this type is SPICE [7,8], which has been used for several decades. It requires appropriate models of elements present in the analyzed systems. The manufacturer of this program implemented equations describing the most important electronic components, and in the attached libraries, the parameter values of such models for selected types of components, including magnetic elements such as inductors and transformers, are given. Of course, the credibility of the obtained calculation results depends on the accuracy of the models used, resulting from the consideration of the phenomena occurring in the considered elements.
According to the literature, the properties of magnetic elements significantly affect the characteristics of electronic systems [9,10]. In many papers concerning computer analysis of electronic or power electronic systems [11,12], the influence of the non-linearity of the characteristics of magnetic elements, the phenomenon of self-heating in these elements, and mutual couplings between their components are usually omitted. For example, inductors in the SPICE program are typically modeled using a linear coil model whose inductance is constant or a non-linear core model coupled with a linear winding model [13].
Despite the simple construction of magnetic elements, during their operation, electrical, magnetic, and thermal phenomena occur in them, causing deviations of these characteristics from the characteristics of ideal linear elements. These phenomena are characterized, e.g., in [14,15,16], by the non-linearity of the magnetization curve, the occurrence of power losses in the core and in the windings, thermal phenomena, i.e., self-heating in the core and in the windings, and mutual thermal couplings between them.
In the literature, there are also models of electronic elements, including magnetic elements, that are not dedicated to SPICE but are presented in an analytical form or are dedicated to another program, e.g., MATLAB [17,18,19] or others [20,21,22].
The paper [20] proposes a polynomial third-order model of an inductor used in electrical energy conversion systems. The modeling method proposed by the authors enables the estimation of the current up to saturation, understood as the point where the differential inductance decreases to half of its maximum value. The model also takes into account the influence of temperature on the inductor current. On this basis, the influence of the core temperature on the conduction time of the switch was determined. It was noticed from the research results that saturation requires an appropriate value of the temperature-dependent conduction time. The calculation results obtained using the non-linear model of the inductor in the DC–DC converter were experimentally verified for the boost converter.
In turn, the paper [21] proposes a method of modeling an inductor dedicated to operating in power electronic converters. The inductor model makes it possible to determine the reluctance of the equivalent circuit of this element. This model takes into account losses in the inductor core made of different ferromagnetic materials, with particular emphasis on a hysteresis loop and losses occurring in the core and the winding of the considered element. In addition, the influence of the frequency on the losses in the inductor was taken into account. Yet, this model does not take into account the influence of the magnetic flux density amplitude on the losses in the inductor core or the thermal phenomena occurring in this element.
On the other hand, the paper [22] describes behavioral modeling of the inductor used in switch-mode power supplies. The proposed modeling method takes into account the direct current flowing through the inductor and the switching frequency as input data for the model. This model takes into account current ripples, power losses, and temperature. It is based on simple analytical formulas formulated on the basis of measurements using a multi-object evolutionary algorithm. The resulting behavioral models define a “limited working area” of the inductor, which describes the boundary area in the three-dimensional domain of the switching frequency.
However, due to the wide range of material, this study focuses only on models dedicated to SPICE.
As mentioned earlier in the literature, many papers describe models of magnetic elements, but only a few are devoted to the review of such models. For example, the paper [23] is devoted to the modeling and design of transformers and coupled inductors only. The paper contains a short theoretical introduction concerning the physical phenomena occurring in the considered magnetic elements and the principles of formulating models of magnetic circuits. Magnetic and electrical models of transformers and coupled inductors proposed in the cited paper take into account phenomena such as core magnetization and stray flux. However, the considerations do not include the influence of many factors on the properties of the magnetic element, such as temperature, magnetic flux density amplitude, its shape, or the type of material from which the core was made.
On the other hand, in the papers [24,25], the review and comparison of non-linear behavioral models of the inductor dedicated to operating in power conversion systems are described. The paper [24] compares the models of the inductor by summarizing their main features, i.e., indicating the type of mathematical function used to formulate the model, the number of coefficients, and the nature of the resulting optimization problem. Typically, the models proposed in the cited paper show the method of defining the dependence of inductance on the current, i.e., using different functions and calculating its coefficients with different optimization methods. Because the described models relate to the description of flux density, they cannot be used to observe and determine the other characteristics of the inductor, for example, those related to its core and the influence of different phenomena on the core properties. It is not indicated whether the functions used to describe the dependence of inductance on different factors have the same character for the inductor, whose core is made of other materials.
In turn, the paper [25] compares two popular analytical models described in the literature. The first of these models is based on a polynomial, and the other uses the arctangent function to formulate a non-linear dependence of inductance on different factors. The efficiency of the models was compared, taking into account the method of determining the model parameters and evaluating the current profile using the characteristic equation of the inductor. Both models were implemented in switching power supply systems. The results presented in the paper take into account the time of calculations and the accuracy of modeling. The comparison of these models showed that both models ensured a good agreement between the results of calculations and measurements of the inductor operating in the power conversion system. It was noted that the duration of calculations using the polynomial model was 15% shorter than the time obtained using the model with the arctangent function.
The mentioned short reviews relate only to the behavioral models, which use different functions to describe the inductance of the inductor. In the literature, there is a lack of a review of magnetic element models in one paper (inductor, coupled inductor, transformer) that take into account their electric, magnetic, and thermal properties and can be applied to analyze the properties of magnetic elements containing different core materials.
The aim of the paper is a critical analysis of the models of magnetic elements available in the literature. Such models were reviewed, and models of three magnetic elements were considered, i.e., an inductor, a coupled inductor, and a transformer. This study deals with compact models dedicated to the SPICE program. When analyzing them, the models were divided into three groups. The first are the models built in SPICE. The second group includes non-linear isothermal models, i.e., those that ignore the phenomenon of self-heating and thermal couplings occurring between the components of the considered elements. In turn, the third group consists of non-linear electrothermal models of magnetic elements, taking into account thermal phenomena occurring in the considered elements. The descriptions of the presented models include both selected models available in the literature as well as the results of the authors’ research on modeling the properties of magnetic elements, taking into account thermal phenomena occurring in them. The properties of the presented models were compared, and the ranges of their applicability were indicated. The results of the analyses of networks with magnetic elements were also shown and discussed.
Section 2 describes the models built in SPICE. Section 3 describes the factors causing the non-linearity of the characteristics of magnetic elements. Section 4 and Section 5 describe non-linear isothermal and electrothermal models of the considered elements, respectively. In turn, exemplary results of the measurements and calculations obtained using the above-mentioned models are presented in Section 6.

2. SPICE Built-in Models

The user of SPICE can use the linear and non-linear models of the inductor and the transformer built into this program. These models are described, e.g., in [26].
The inductor can be represented by an ideal inductor, whose inductance is constant (linear model), or by an inductor, whose inductance L is described by the sum of square functions of current and temperature. The inductor models built in SPICE do not take energy losses in this element or the thermal phenomenon into account.
SPICE also includes a non-linear model of the ferromagnetic core, describing the dependence of magnetic flux density B on the magnetic force H. This description includes the hysteresis of the magnetization curve B(H) using the Jiles–Atherton model [27]. Using the mentioned core model, it is possible to model an inductor or a transformer, taking into account the non-linearity of the core magnetization curve. Unfortunately, the core model does not take into account the effect of temperature, which significantly affects the magnetization characteristics and magnetic permeability of the core [28].
In turn, the transformer can be modeled using coupled inductors. This coupling can be linear (then the described element behaves like an ideal transformer) or non-linear—using the ferromagnetic core model (then the non-linearity of the magnetization curve is taken into account). In the case of using linear coupling, the transformer voltage ratio is described by the classic formula of the form [4]:
ϑ U = k · L 1 L 2
where L1 is the inductance of the primary winding of the transformer, L2 is the inductance of the secondary winding of the transformer, and k is the magnetic coupling factor.
Winding losses are often taken into account when analyzing systems with a transformer. Figure 1 shows a network representation of a linear lossy transformer model. This model consists of the coupled inductors L1 and L2 and resistors describing losses in windings R1 and R2 and losses in the core RC. The resistance values of these resistors and the inductance of the inductors depend on the material of the core used and the parameters of the windings.
In turn, in the case of non-linear coupling, the magnetic permeability of the core μ is determined from the inclination of the magnetization curve B(H) for inductors and the value of the induced electromotive force in the transformer windings based on the waveform of flux density B in the core and the number of turns z of the winding. In turn, the inductance L of the inductor depends on the number of turns z, the cross-sectional area of the core SFe, the relative magnetic permeability of the core μFe, the length of the magnetic path in the core lFe, and the length of the air gap lp in the core according to the relationship of the form [4].
L = μ 0 · z 2 · S F e · μ F e l F e + l p · μ F e
where μ0 denotes the magnetic permeability of free air.
This modeling method does not allow for winding or core losses, transformer inertia, or the influence of temperature on its properties. As mentioned above, the models of magnetic elements built in the SPICE program do not take into account many important phenomena occurring in these elements. Therefore, in the literature of the last dozen or so years, you can find information on macromodels of inductors and transformers for SPICE.

3. Factors Causing Non-Ideal Characteristics of Magnetic Elements

The properties of magnetic elements depend on a number of factors, such as temperature, frequency, the shape of the excitation signal, and the type of material used to build the core. The simple construction of these elements, containing only a ferromagnetic core and windings, often results in a very simplified description of their properties.
However, in reality, due to the properties of the core and the winding, the non-linear characteristics of these elements and the influence of thermal phenomena on their course are observed [14,16]. For example, there is a non-linear dependence of inductance L on current i and a non-linear dependence of the temperature of the core and windings on the power dissipated [29].
As mentioned earlier, the properties of the core of a magnetic element strongly depend on the type of material from which it was made [30,31,32]. It describes them, among others, in the magnetization curve B(H) that takes the form of a hysteresis loop. The shape of the hysteresis loop depends on many factors (temperature, frequency, magnetic field strength), and it also affects power losses in the core of the magnetic element.
An important parameter defining the material’s ability to concentrate the magnetic force in it is the magnetic permeability μ, which is determined for various states of the core magnetization [4,28]. Magnetic permeability corresponds to the slope of the B(H) curve and affects, among others, the inductor inductance according to Formula (2). As can be seen, e.g., from [33], this permeability is a non-linear function of the magnetic force H. The relationship μ(H) has a maximum in the range of H values much lower than in the saturation range.
According to the catalog data of ferromagnetic core manufacturers, depending on the type of material, a strong influence of frequency and temperature on the magnetization curve B(H) and magnetic permeability is observed. Therefore, the catalog data also often presents the dependence of magnetic permeability µ on temperature T, frequency f, the magnetic force H, and the length of the air gap in the core lp [28,34]. The use of an air gap in the core enables the linearization of the core characteristics, but at the same time it reduces magnetic permeability and thus the inductor inductance [28,35]. As it results from [16,29,31], the effect of temperature on the magnetization curve of the core is significant and noticeable for cores made of ferrite and nanocrystalline materials, while this effect is practically not observed for cores made of iron powder [29].
Figure 2 presents magnetization curves of a ferrite core made of EPCOS N27 material obtained at three different temperatures.
It can be seen that an increase in temperature causes changes in the course of the considered B(H) characteristics, and a decrease in the value of saturation flux density with an increase in temperature is particularly noticeable. An increase in this temperature to 225 °C causes a decrease in the value of saturation flux density to only 40% of the value of this parameter at the temperature of 25 °C.
In [15], it was shown that the magnetic permeability of ferromagnetic cores is a decreasing function of frequency, while the range of frequency, for which a decrease in the value of μ is small depends on the core material and ranges from a single kilohertz to even 1.5 MHz. In [29], it was shown that permeability depends on temperature, and after exceeding the Curie temperature, its value decreases rapidly. The cited paper also shows that at room temperature, the value of relative magnetic permeability, depending on the core material, ranges from 10 to 30,000.
During the operation of the magnetic element, power losses occur. These losses occur both in the core and in the windings. As a result of these losses, the efficiency of energy transfer between the windings of the transformer is below 100%. Core losses are related to, e.g., remagnetization of the core, and they depend on the amplitude of flux density, frequency, and temperature [15].
As mentioned before, the properties of magnetic elements are also significantly affected by temperature. As it follows from [15,31,36], depending on the ferromagnetic core used for the construction of the magnetic element, an increase in temperature reduces saturation flux density and also affects the values of power losses in the cores made of, e.g., ferrite materials.
Energy losses occurring in the components of inductors and transformers are converted into heat. The heat generated in the core and in the windings causes an increase in their temperature above the ambient temperature due to the phenomenon of self-heating and mutual thermal couplings between the core and the winding [28].
Thermal parameters are used to characterize the ability of an electronic element to dissipate the heat generated within it. In [37,38], it was proposed that transient thermal impedance Zth(t) be used for this purpose; the course of thermal impedance is approximated by the formula of the form [12]:
Z t h ( t ) = R t h · 1 i = 1 N a i · exp t τ t h i
where Rth is the thermal resistance of the element, equal to Zth(t) at the steady state, τthi is the i-th thermal time constant (i = 1, 2, …, N), ai is the weighting factors, whose sum is 1, and N is the number of thermal time constants. In general, the temperature of each winding and core of the magnetic element may be different. For example, at the steady state, the inductor core temperature TC can be described by a simplified formula of the form [9]:
T C = T a + R t h · p C + R t h m · p W
where Ta is the ambient temperature, Rth is the thermal resistance of the core, Rthm is the mutual thermal resistance between the core and the winding, pC is the power dissipated in the core, and pW is the power dissipated in the winding.
The model of an electronic element that takes into account the influence of the temperature of this element on its properties and the dependence of this temperature on the power dissipated in it is called the electrothermal model [39,40,41]. The graphic interpretation of this model is based on non-isothermal characteristics obtained as a result of electrothermal analysis [39,41,42,43]. The electrothermal model of an electronic component consists of three parts [29,39]:
(a)
an electrical model describing the current–voltage–temperature characteristics of the considered element,
(b)
thermal model describing the dependence of the temperature of the element on the power dissipated,
(c)
power dependence of the quantities present in the electrical model.

4. Non-Linear Isothermal Models

This section describes models of inductors and transformers that take into account the non-linearity of physical phenomena occurring in these elements but ignore thermal phenomena. Such models are called isothermal models because, based on the characteristics obtained with their help, all the points correspond to one temperature of their components.
The paper [44] discusses a non-linear inductor model for SPICE, taking into account the hysteresis of the magnetization curve described by the Jiles–Atherton model [45], eddy currents in the core, and power losses in the core caused by the hysteresis phenomenon, as well as the presence of an air gap in the magnetic core. The calculation results presented in the cited paper showed the correctness of the shape of the obtained waveforms of voltages and clamping currents of the inductor, as well as the magnetization curves for inductors with a sheet metal core made of silicon steel at frequencies ranging from 50 Hz to 1 kHz.
In [45], two versions of the inductor macromodels for SPICE were proposed. The first of them describes a lossless inductor with a core with a non-linear magnetization curve devoid of hysteresis. This model makes it possible to obtain a non-linear relationship L(i) and to determine the value of the magnetic force, as well as the magnetic flux density. In turn, the other model is more complicated. It additionally takes into account the influence of the length of the air gap in the magnetic core on the characteristics L(i) and losses in the core caused by eddy currents. The results of calculations of the characteristics of the inductor with a sheet metal core made of silicon steel at frequencies of 50 and 250 Hz presented in the paper [46] have a qualitatively correct shape.
The paper [47] describes an inductor model containing only four passive elements: A capacitor representing inter-turn capacitance connected in parallel with a resistor representing core losses, and a series connection of a coil with inductance described by the quadratic function of the current with a resistor modeling winding losses. The model described here allows for a good agreement between the calculated and measured L(i) characteristics in the range of currents up to about 100 mA. Moreover, the frequency characteristics Z(f) of the inductor, describing the dependence of its impedance on frequency, show a good agreement between the results of calculations and measurements with the DC component of the current equal to zero.
In the paper [48], a non-linear inductor model was proposed using a multi-nominal description of the time course of the magnetic flux. In order to simplify the calculation procedure, a system of second-degree equations was used instead of a high-degree polynomial. The model presented in the cited paper takes into account the phenomenon of saturation in the core and energy losses in it. The results of the calculations of voltage and current waveforms at the transformer terminals presented in the cited paper, obtained using a non-linear inductor model in the form of magnetizing inductance, showed qualitatively correct shapes.
In [49], an inductor model was presented, taking into account the non-linearity of the characteristics of the ferromagnetic core and eddy currents in the core. This model uses the analogy of magnetic and electric quantities. In particular, the core magnetization characteristics were modeled by describing the core reluctance using a spline function (piecewise linear). The model does not include the hysteresis of the magnetization curve, but the winding resistance is included. The model was tested with voltage excitation of a low-frequency harmonic signal, obtaining the qualitatively correct time waveforms of the inductor current at the zero value of its DC component.
In [50], a non-linear macromodel of an inductor in the form of a gyrator loaded with non-linear capacitance was proposed. In this model, the hysteresis of the ferromagnetic core was omitted, and the primary magnetization curve was described using the piecewise linear function using the ETABLE-controlled voltage source available in SPICE. The considered model is suitable for use in the frequency small-signal analysis, while in the transient analysis, it shows significant discrepancies with the measurement results [50].
The paper [51] describes SPICE models of spiral inductors used in integrated circuits. The paper [52] presents the method of modeling the hysteresis loop of ferromagnetic cores, and it shows some results of calculations and measurements. The classic description of the B(H) curve is presented in [53]. In turn, the analytical description of the dependence of the inductor inductance on the DC current is presented in [47]. This description uses a polynomial.
The problem of modeling the properties of magnetic materials is also described in many other papers. For example, the approach to modeling the hysteresis loop of soft ferromagnetic materials is presented in the papers [54,55,56], whereas the method of modeling power losses in the mentioned materials is described in the papers [57,58].
Modeling inductors with non-linear saturable cores is the aim of the paper [46]. In turn, in the paper [59], the manner of modeling eddy currents and power losses in the core of the inductor, the transformer, or the electric machine operating with strong distortions is considered. In the paper [60], the manner of modeling magnetic cores in SPICE with the use of a subcircuit is described.
The papers [10,61] present the models of inductors that are dedicated to operating in electrical conversion systems. The model proposed in [61] is based on matching the dependence of inductance on the DC current of the inductor. To achieve good matching between the results of measurements and computations, a polynomial function was used. The common defect of the mentioned models is that they omit thermal phenomena occurring in the considered devices.
The paper [60] concerns modeling the properties of ferromagnetic cores in SPICE. It proposes a core model in the form of a subcircuit, which is a cascade combination of a static non-linear model of the magnetization curve and a linear low-pass filter of the second order. The core model formulated in this way was used as a component of the non-linear model of the inductor and the transformer. The results of the calculations of time waveforms of voltages and currents of the transformer and of the core hysteresis loop showed a good agreement with the measurement results in the frequency range up to several tens of kHz.
The paper [62] describes the method of modeling the hysteresis of the magnetization curve using SPICE, with the diode models built into this program and a set of controlled sources. This model has a complex structure, but it also allows modeling the inductor characteristics in terms of the core saturation.
In order to analyze the properties of the ferromagnetic material used to build the core of the inductor or transformer, models of the magnetization curve are used. Such models are the subject of many papers [63,64]. One type of literature model uses the laws of quantum mechanics. These are the most complex models, which require complete information on the material used. Additionally, they are described by complex mathematical formulas, which are difficult to implement in software [65]. Another type are physical models using non-linear formulas describing the relationships between such physical quantities as magnetic force and magnetic flux density [65].
There are many papers devoted to modeling the magnetization curve. The starting point for modeling the magnetization curve are models proposed by Rayleigh, Frolich, Hodgdon, Jiles–Atherton, or Preisach. These models take into account more physical phenomena or are dedicated to new ferromagnetic materials [39,65,66,67,68]. The paper [65] describes and compares six models. For example, model 1 presented in the cited paper only describes the primary magnetization curve. This is one of the simplest models discussed in the literature. Its advantage is that it uses the smallest number of parameters. The non-linear B(H) characteristics are described using an n-th root approximation.
Another model presented in the cited paper describes only the primary magnetization curve. The mentioned model uses the sum of a linear function and an arctangent cyclometric function to describe the magnetic flux density. The linear function describes the linear component of the magnetization curve, and the cyclometric function takes into account the non-linear nature of the ferromagnetic material and the saturation phenomenon.
The third model described in [65] represents one of the oldest magnetization curve models. The mentioned model is called the Rayleigh model. This model can be used to map the partial magnetization curve in the range of low magnetic force values. This model uses reversible and irreversible components related to the microstructure of the magnetic material.
Model 4, also described in the paper [65], is one of the first empirical models presented by Frolich [39]. The magnetic flux density in the Frolich model is determined using dependence [39]:
B = H δ · H C α + β · H δ · H C
where α, β—model parameters, δ is equal to 1 when dH/dt > 0 and—to −1 when dH/dt < 0.
In turn, the modified Frolich model, called in the cited paper Model 5, is more widely described in the paper [69]. The modification of this model takes into account the influence of frequency and temperature on the calculated hysteresis loop. However, attention should be paid to the fact that the influence of these factors was not taken into account together; each selected factor required the formulation of other dependences to determine magnetic flux density. It is worth noting that model 5 allows determining magnetic flux density using only two factors, such as frequency and temperature of the core.
On the other hand, Model 6, also presented in [68], was described more widely in the paper [36]. The mentioned model takes into account the influence of temperature on the shape of the B(H) curve. The magnetic flux density is determined from the formula [32]:
B = μ 0 · H + M · y
where µ0 is the magnetic permeability of free air, M is magnetization, and y describes the influence of the Curie temperature on magnetic permeability. The magnetization M is expressed by the formula [32]:
M = M a M · C 1 · sgn d H / d t C 1 · H C · 1 + α H C · T C T 0 · d H d t C C · 1 + C · d M a d t + M
where sgn(z) denotes the sign of z, C—the deformation parameter of the domain walls, and αHC—the temperature coefficient of the coercive magnetic force. C1 is a capacitor that describes capacitances occurring in the magnetic model of the core.
Many papers indicate that an important parameter determining the usefulness of the considered magnetic elements are power losses occurring in the components of the magnetic elements, such as in the winding and in the core. The power losses in the core depend on the type of material used to build it [4,28,70,71].
Power losses in ferromagnetic materials can be divided into three groups: Eddy current, hysteresis, and residual losses. Besides the type of magnetic material used to construct the core of the magnetic element, changes in frequency and the peak value of the waveform B(t) [4] also influence power losses in the core.
Hysteresis losses are typical for powdered materials used in devices operating in the frequency range of 10 kHz to 1 MHz. Eddy current losses dominate in the cores made of metallic materials (amorphous materials, steel sheet) used in low-frequency (f < 10 kHz) devices [4]. Typically, information about losses in ferromagnetic materials is given as values normalized to the unit of weight or volume.
In the literature, many papers are devoted to the calculation of power losses in magnetic elements and especially in their cores, for example [4,42,72]. The significant influence of the flux density amplitude, frequency, and temperature on power losses in the core is shown in the catalog data. The problem of formulating the universal formula describing power losses in different ferromagnetic materials is considered in many papers, e.g., [42,72,73].
In the literature, different models to determine power losses in ferromagnetic materials are proposed. For example, [28] considered power losses in the toroidal core of a transformer. It was noticed that the power losses occurring in the considered element are the sum of hysteresis and eddy current losses. The eddy current losses can be given by the equation [28]:
P w = π 6 · σ F · d 2 · B m 2 · f 2
where σF is the conductivity of the material, Bm—amplitude of the sinusoidal waveform of B(t) at frequency f, d—thickness of a sheet.
In the cited paper, it is also noticed that the expression (8) is valid only for a sine wave of magnetic flux density. This means that it is necessary to use the correction coefficient for the rectangular waveform. In turn, to describe hysteresis losses, the modified Steinmetz equation was proposed. The Steinmetz formula has the form [28]:
P v = k · f α · ( B m ) β
where k, α, β are material parameters.
On the other hand, the procedure for formulating a general model of power losses in the laminated sheets is presented in [74]. The mentioned model, based on a small amount of data, was proposed for frequencies up to 2 kHz. This model is a modified version of Bertotti’s model. It takes into account hysteresis losses, residual losses, and eddy current losses dependent on frequency and the amplitude of magnetic flux density. The modification required consideration of the aforementioned factors and their application by the coefficients modifying Bertotti’s model of the form [74]:
w F e = B m 2 · f · k h f , B m + f · k e f , B m
where kh and ke are the material coefficients dependent on f and Bm. The dependences kh(Bm) and ke(f), ke(Bm) were shown in the paper [37], but the authors of the cited paper did not present any description of the dependences kh(f,Bm) and ke(f,Bm).
In the paper [61], the description of power losses in ferromagnetic materials was given by the formula:
P v = P v 0 · f α B m β · ( 2 · π ) α · 1 + D · T C T m 2 · 0.6336 0.1892 · ln α
where D is the temperature coefficient of losses in the ferromagnetic material, Tm—temperature, at which material losses have the lowest value, and Pv0—the material parameter.
The important problem of modeling power losses in ferromagnetic materials using Equation (11) is omitting the influence of temperature and frequency on the material parameters (Pv0, α, β). In order to include the influence of temperature, frequency, and amplitude of magnetic flux density on the properties of ferromagnetic materials, the empirical equation describing power losses in the ferromagnetic material was formulated in the paper [15]. It is expressed by the formula [15]:
P v 0 = a · exp f + f 0 d · 1 + d 1 T C T 0 + a 1 · b · T C T M + c · exp f f 2 f 1
where a, b, c, d, f0, f1, and f2 are the parameters of the ferromagnetic material.
For ferrite materials, the parameter β occurring in Equation (11) depends on temperature and is expressed by the formula [15]:
β = max 2 · 1 exp ( T C 273 K ) / α T + 1 . 5 ; 1 . 5  
αT is the model parameter. The function max(x1,x2) has a higher value for arguments x1 and x2. From Equation (13), it is visible that the parameter β has a value in the range from 1.5 to 3.5.

5. Non-Linear Electrothermal Models

In [75], an electrothermal transformer model for SPICE was proposed. This model uses the method of modeling the magnetization curve proposed by Jiles and Atherton, additionally taking into account the influence of temperature on the course of the hysteresis loop. In this model, eddy currents and energy losses in the core and in the winding were also taken into account. Self-heating was considered using a compact thermal model in the form of the Cauer network, with mutual thermal couplings between the core and the windings omitted. The results of the analyses of a transformer with a ferrite core operating at a frequency of 80 Hz presented in the cited paper showed the correctness of modeling the core magnetization curve in a wide temperature range and small discrepancies between the calculated and measured voltage waveforms on the secondary winding of the transformer.
The authors’ previous papers [29,30,37] presented electrothermal models of a transformer [30,37] and an inductor [29]. These models take into account self-heating in the core and in the windings as well as mutual thermal couplings between the core and the windings. The model described in the paper [29] does not take into account the hysteresis of the ferromagnetic core, while the models presented in the papers [30,37] contain a description of the hysteresis loop B(H) in accordance with the modified Jiles–Atherton model [26,45] taking into account the influence of the core temperature of this loop.
The electrothermal model of the inductor proposed in the paper [76] takes into account the self-heating phenomenon in the core only. It ignores self-heating in the windings and mutual thermal couplings between the windings. The skin effect is also omitted in the mentioned model.
In turn, the papers [10,61] describe a model of an inductor that takes into account thermal phenomena occurring in its components and between each pair of them. In the considered model, the parasitic winding capacitance and the skin effect are taken into account.
An important part of electrothermal models are thermal models. In many papers [9,31,77,78,79,80], thermal models of the transformer are described, but they have serious disadvantages. On the one hand, the models dedicated to the finite element method (FEM) make it possible to obtain the time–space distribution of temperature in the transformer, but on the other hand, such models assume the uniform distribution of the dissipated power density in the modeled element. Compact thermal models of the transformer are also presented in the literature [9,31,77], but typically these models use only one temperature of the whole transformer, neglecting the differences between the temperatures of each winding and of the core. Additionally, in the known models [9,79,80], the influence of the dissipated power on the efficiency of the heat removal is also neglected.
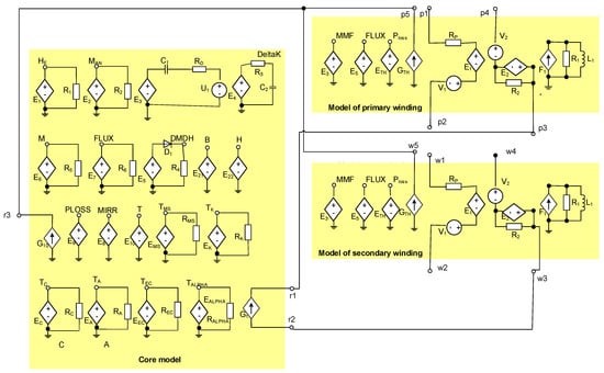
In the paper [75], an electrothermal model of the ferromagnetic core and the windings of magnetic elements was proposed. Figure 3 shows the circuit representation of the transformer model for SPICE, which is a combination of electro-thermal models of the ferromagnetic core and the windings presented in [75].
In this model, there are controlled voltage and current sources and passive elements. The first circuit, consisting of a series-connected controlled voltage source E1 and a resistor R1, is used to determine the effective magnetic force He. The circuit consisting of the controlled voltage source E2 and resistance R2 is used to determine the value of the irreversible magnetization Man.
Another circuit consisting of the controlled voltage source E3, capacitor C1, resistor RD, and voltage source V1 is used to determine the time derivative of the magnetic field strength dH/dt. The circuit consisting of the controlled voltage source E4, resistor R2, and capacitor C2 connected in series is responsible for delaying the signal of the analyzed system, slowing down the signal edges, or limiting the value of the dH/dt derivative. Four successive circuits consisting of the controlled voltage source E6 and resistor R5, a circuit with elements E7 and R6, and the controlled voltage source E5 connected in series with diode D1 and resistor R4, as well as the controlled current source G1, are used to determine the total magnetization M. The controlled voltage sources E21 and E22 are used to determine the B(H) core magnetization curve. The controlled current source G1 is connected between the output terminals of the core model marked with numbers r1 and r2.
Another block consisting of voltage sources E8, E9, and E10 and the current source G10 is used to determine the power generated in the core and to determine the temperature transformer, corresponding to the voltage in node r3. An external RC network representing the transient thermal impedance of the transformer is connected to this node. Circuits consisting of series-connected controlled voltage sources E and resistors R are used to determine the values of the core model parameters MS, K, C, A, ECRATE, and ALPHA, taking into account the influence of temperature.
All the winding models have the same structure. They include circuits representing the electromotive force of induction and winding resistance, as well as circuits modeling the magnetomotive force generated by the current of each winding, as well as controlled sources enabling the determination of the winding loss power. In the considered model, the windings and the core of the transformer have the same temperature.
In the following subsections, the authors’ electrothermal models of the inductor (Section 5.1), coupled inductors (Section 5.2), and transformers (Section 5.3) are presented. In each of these models, the non-linear thermal model is used. It is described in Section 5.4.

5.1. Electrothermal Model of an Inductor

The presented in this subsection electrothermal model of an inductor is a physical model widely described in the paper [29]. The network representation of the mentioned model corresponds to the parallel connection of capacitor CW and the branch containing a non-linear inductor and a non-linear resistor connected in series.
In the presented model, the hysteresis of the magnetization curve is omitted due to its weak influence on the magnetic permeability of the core. On the other hand, the air gap in the magnetic core and the coupling coefficient with a value below 1 are taken into account. The discussed model has the form of a subcircuit dedicated to SPICE, as shown in Figure 4.
The considered model contains three blocks: Main circuit, auxiliary block, and thermal model. The skin effect, the triangular shape of the inductor current waveform, self-heating, and mutual thermal couplings between the core and the winding are included in this model. The influence of power losses in the core on the inductor series resistance and the dependence of the inductance of the inductor on frequency are also taken into account.
The main circuit contains five elements connected in series: Voltage source V1, linear inductor L, controlled voltage source ELS, resistor RSO, and controlled voltage source ERS. The voltage source V1 has a zero value, and it is used to measure the inductor current. Inductor L is indispensable to calculate the time derivative of the inductor current used in the description of the voltage source ELS. This source describes a voltage drop due to the non-linear inductance of the inductor. The output voltage of this source is given by the equation [29]:
E L S = ω S · V L L · 1 + f / f g · z 2 · S F e · B s a t · A l F e · H + A 2 + A · B s a t · l p / μ 0
where z denotes the number of turns, VL is the voltage drop on inductor L, SFe means the effective cross-sectional area of the core, Bsat is the saturation magnetic flux density, H—magnetic force, lFe—magnetic path, A—field parameter, lp—air gap, f—frequency of the inductor current, fg—frequency, at which the core magnetic permeability decreases twice.
There are three factors in Equation (14). The first one is the coefficient of coupling ωs, the second is equal to the time derivative of the inductor current, and the third describes the inductance Ls of the inductor. Capacitor Cw represents the parasitic winding capacitance, and resistor RSO—DC series resistance—of the inductor at the ambient temperature Ta. The voltage source ERS describes an additional voltage drop on the inductor series resistance caused by the skin effect and an increase in the winding temperature.
The auxiliary block contains voltage sources that represent the values of the magnetic quantities and selected parameters depending on temperature. To the first group of the mentioned quantities belong magnetic force H, magnetic flux density B, and dB, which is the time derivative of B. The second group contains the field parameter A, the maximum and average values of H and the inductor current, Bsat denoting the saturation value of B, and the coefficient αTC describing the influence of the Curie temperature TC on the value of B. To define the dependence of the flux density on the magnetic force, the following equation is selected [28,81]:
B = B s a t · H H + A
The value of H is given as follows [28,29]:
H = z · I B · l p μ 0 l F e + l p
The field parameter A occurring in Equation (15) depends on the core temperature. This dependence is described using the exponential function. Moreover, the Bsat parameter strongly depends on the core temperature [32,37,82]. To describe this dependence, a linear function is used.
The average and peak values of the current and B are calculated in the auxiliary block using two networks containing two-terminal circuits R1C1, R2C2 and R11C11, R21C21 diodes D1, D11, and the controlled voltage sources E1 and E11 representing the inductor current and the core magnetic flux density [29].
To calculate the temperatures of the core TC and the winding TW, the thermal model is used. The detailed form of this model is given in Section 5.4. Usually, the thermal model in all the electrothermal models of electronic elements has the same form. In the considered model, the controlled current sources represent the power dissipated in the core PC and the power dissipated in the winding PW. Losses in the winding are described by the following equation:
P W = ρ · I 2 · 1 + α ρ · T U T 0 + l d / d d · μ 0 · ρ · f · ( 1 + α ρ · ( T U T 0 ) ) · 2 · n = 1 4 n · f · a n · cos 2 · π · f · t + b n · sin 2 · π · f · t · ( I m x I a v ) 2
where Imx is the maximum value of the inductor current.
In turn, the power dissipated in the core is given by the formula [61]:
P C = V e · B m β α · 1 + α P · T R T m 2 · P V 0 T 0 T d B d t α d t
where Ve denotes the equivalent core volume, PV0—power losses per unit of volume at the nominal frequency and flux density, αP—the temperature coefficient of power losses in the core, Tm—the temperature, at which PC is the lowest, and T—the period of B, α and β are the model parameters.
The use of the model presented in this subsection requires the estimation of the values of the model parameters. The model parameters were calculated using the dedicated algorithm presented in [29].

5.2. Electrothermal Model of Coupled Inductors

In the paper [83], the authors proposed such a model for coupled inductors. The cited paper describes current applications and modeling methods for coupled inductors. It is stated that the T-type transformer model is commonly used when formulating a model of the coupled inductor.
In [84], it is shown that the T-type transformer model is asymmetric in contrast to the symmetrical structure of the actual transformer. This means that it is insufficient to be used in computer analyses of such power converters as a multi-phase DC–DC buck converter. This is due to the fact that in this model, the magnetizing inductance is only in one of the windings. The literature analysis shows that there is a lack of electrothermal models of coupled inductors that are dedicated to being used in power conversion systems.
This section describes an electrothermal model of the coupled inductors. It is dedicated to the analysis of power conversion systems and describes a coupled inductor consisting of any number of windings. The developed model takes into account such phenomena as the skin effect, self-heating in each component of the modeled element, and mutual thermal couplings between each pair of these components. In order to make it easier to understand the description of the model, considerations are presented for the coupled inductor with three windings. The described model has the form of a subcircuit for SPICE. Its network form is presented in Figure 5.
This model contains three blocks: main circuits, auxiliary circuit, and thermal model.
The main circuits model the properties of particular windings connected between terminals Ai and Bi (i = 1 … n). Each winding is modeled using six series-connected elements: A voltage source VLSi of the output voltage equal to zero, a linear inductor Li, three controlled voltage sources ELSi, EMi, ERSi, and a resistor RSi. Capacitor Ci represents the parasitic winding capacitance.
The inductance of the i-th inductor winding is described using the controlled voltage source ELSi. Its output voltage is given by the formula [83]:
E L S i = a i · z i 2 · S F e · B s a t · A l F e · H + A 2 + A · B s a t · l p / μ 0 · V L i L i
where zi denotes the number of turns, ai—the scaling factor, and VLi—voltage on inductor Li.
The mutual inductance between the i-th winding and the other windings is modeled using the controlled voltage source EMi. Its output voltage is given by the formula [83]:
E M i = j = 1 j 1 n k j · V E L S j
where kj represents the magnetic coupling coefficient, VELSi—voltage at the source ELSj, whereas the number of the inductor windings is equal to n.
A voltage drop on the inductor series resistance is described by the controlled voltage source ESri. This description takes into account the skin effect and changes in the winding temperature. The output voltage of this source is given by the formula [83]:
E S R i = V R S i · α ρ · T W i + T a T 0 + l d d d · μ 0 · ρ · 1 + α ρ · T W i + T a T 0 · i L i
where VRSi represents the voltage on resistor RSi, dd denotes the diameter of the used winding wire, ld—the length of this wire, ρ—copper resistivity, αp—the temperature coefficient of ρ, TWi, Ta, and T0 are winding, ambient, and reference temperatures, respectively, µ0—magnetic permeability of free air, and iLi current of the i-th inductor winding.
Resistor RSi represents the DC series resistance of a single winding at temperature T0.
The auxiliary circuit block contains the controlled voltage sources EB and EH. These sources make it possible to determine the values of B and H in the core. The output voltage of the source EB is given by Equation (15), whereas the source EH is described by the dependence [14,85]:
H = i = 1 n z i · i i l F e + l p
where ii denotes the i-th winding current.
The hysteresis loops of the considered inductor core are very narrow. Therefore, in the presented model, the core losses are omitted. The thermal model of the coupled inductors makes it possible to compute the temperature of each winding (TW1, TW2, TW3) and the temperature of the core (TC). This model takes into account self-heating in each winding and mutual thermal couplings between each winding and the core as well as between each pair of windings.

5.3. Electrothermal Model of a Transformer

Figure 6 shows the circuit representation of the electrothermal model of a transformer for SPICE.
In this model, three blocks can be distinguished. Two blocks describe the properties of the core and the windings, whereas the third block is the thermal model. The model of the core is based on the equations proposed by Jiles and Atherton. In this model, the magnetic force H is computed in the network containing the controlled voltage source EH, capacitor C1, and resistor R1. The voltage at the output terminal B represents the magnetic flux density, whereas the voltage at the Ploss terminal represents power losses in the core.
The winding model contains two networks representing the primary winding—with terminals 1a and 1b—and the secondary winding—with terminals 2a and 2b. Resistor RS1 represents the series resistance of the primary winding at temperature T0. The controlled voltage source, ERS1, models changes in this resistance when the temperature of the winding changes. The voltage induced in the primary winding is computed using the controlled voltage source EV. The controlled current source GL1 models the magnetizing current, and the controlled current source GR represents the power dissipated in the core. Voltage VRMS1 is calculated by the controlled voltage source ERMS1. The voltage sources VL1 and Vl11 of the zero value are used to monitor the value of their currents. Capacitor C11 represents the inter-turn capacitance of the primary winding.
On the other hand, the secondary winding model contains only the elements modeling the winding voltage (EV2) and the series resistance of this winding (RS2 and ERS2). Capacitor C12 represents the parasitic capacitance of the secondary winding. A detailed description of all the controlled sources occurring in this model is given in [30].
The thermal model makes it possible to calculate the core temperature TC and the temperature of windings TW1 and TW2, taking into account all the thermal phenomena occurring in the modeled transformer.

5.4. Non-Linear Thermal Model of Magnetic Elements

As can be seen in the paper [38], a compact thermal model can be used to describe the thermal properties of magnetic elements due to the practically uniform temperature distributions on each winding and on the core. Simultaneously, the temperatures of the core and each winding can differ significantly from one another [86]. Therefore, a compact thermal model of magnetic elements can be used. In each component of the magnetic element, the self-heating phenomenon occurs. Additionally, mutual thermal couplings are observed between each pair of such components.
The efficiency of the removal of the heat dissipated in electronic devices depends on such factors as [86,87,88,89,90,91], the construction of the cooling system, the values of the dissipated power, and the ambient temperature. A non-linear compact thermal model of the pulse transformer is proposed in the paper [38]. It is based on the model described in the paper [41] for the IGBT. The described model takes into account all the thermal phenomena occurring in all the transformer components and between each pair of them, as well as the dependence of the heat removal efficiency on the dissipated power.
The presented model enables calculating the waveforms of the core and each winding temperature, taking into account both of the mentioned thermal phenomena. The network form of the considered model has a different form for each of the considered elements. As an example, in Figure 7, the thermal model of a pulse transformer is shown.
This model consists of nine subcircuits. Three of them (on the left-hand side) are used to calculate the waveforms of temperature for each transformer component—for the primary winding TW1, for the secondary winding TW2 and for the core TC. The values of these temperatures correspond to the voltage in the nodes TW1, TW2 and TC. The powers dissipated in the core and the windings are represented by independent current sources IC, IW1 and IW2. The networks containing capacitors and the controlled current sources represent the self-transient thermal impedances of each of the transformer components. The controlled current sources are used to describe the dependence of thermal resistances Rth on the dissipated power.
In order to take into account the influence of mutual thermal couplings between the components of each of the considered temperatures, the controlled voltage sources E1, E2 and E3 are used. For example, the value of a voltage drop on the source E1 is the sum of the voltages in nodes TW11 and TWC1. The ambient temperature is represented by the voltage sources V1, V2 and V3.
Six other subcircuits are used to model mutual thermal couplings in the transformer. The current sources describe the power dissipated in the transformer components. The networks containing capacitors and controlled current sources connected to these current sources represent the proper mutual transient thermal impedances.
The dependence of Rth on the dissipated power p is given by the empirical formula [38]:
R t h = R t h 0 · 1 + a · exp p b
where Rth0 is the minimum value of Rth, whereas a and b are the model parameters.
The thermal model shown in Figure 7 can, after a simple modification, be used to model the thermal properties of the inductor and the coupled inductors. In the case of the inductor, instead of nine subcircuits, only four are used, visible in the upper left corner of Figure 7. In turn, for the coupled inductors containing three windings, in the thermal model, there will be 16 subcircuits describing self-heating in each winding and in the core and mutual thermal couplings between each pair of the windings and between the core and each winding.
The values of the model parameters are estimated using the measured waveforms of self and mutual transient thermal impedances occurring in the transformer thermal model. The proper manner of measuring is presented in the paper [37]. All the transient thermal impedances should be measured at different values of the power dissipated in the components of the transformer. In the next step, the method described in the papers [32] should be used for each measured waveform of transient thermal impedance. As a result of this step, the values of the parameters occurring in Equation (3) are obtained. Finally, the values of parameters a and b existing in Equation (23) are estimated using the idea of local estimation [32] for each thermal resistance existing in the transformer thermal model.

6. Results of Measurements and Computations

In this section, as an example, exemplary characteristics of the magnetic elements obtained using the previously discussed models are presented. In all the figures presented in this section, points denote the results of measurements, and solid lines are the results of calculations made using the non-linear compact electrothermal models.
Due to the non-linearity of the magnetization curve and the related dependence of magnetic permeability on the current, there is a non-linear characteristic L(i) of the inductor. Examples of the measured and calculated L(i) characteristics of inductors containing cores made of different materials are shown in Figure 8. The inductor containing the RTP powder core made of T106-26 material, the RTF ferrite core made of F867 material, and the RTN nanocrystalline core made of M070 material were considered. The investigations were carried out at a frequency of 100 kHz for an ambient temperature equal to Ta = 25 °C.
The obtained dependencies are monotonically decreasing functions, and the results of measurements and calculations are well matched. This proves the correctness and universality of the presented model.
For an inductor with a powder core of the same geometric dimensions, a constant value of inductance in the range of the DC current from 0 to 1.2 A is observed, which is the result of the presence of a longer air gap in this core than in the remaining considered cores. In addition, a decrease in the inductance of the inductor with the ferrite core (even two hundred times) is much greater than in the case of the inductor with the powder core (about 30%), but much smaller than in the case of the inductor with the nanocrystalline core. The value of inductance of the inductor with the nanocrystalline core rapidly decreases at very low values of the DC current, from L = 1700 μH (IDC = 0 A) to approx. 22 μH (IDC = 0.3 A). The different course of the dependence L(i) of the investigated inductor results from the non-linear magnetization curve of the used ferromagnetic cores.
Figure 9 shows the dependences of the impedance modulus of an inductor with the ferrite core (RTF F867) and the powder core (RTP T106-26) on frequency at the fixed values of the DC current of the inductor. The results of calculations obtained using the model mentioned in the paper [15] are marked with a solid line, and the results of measurements are marked with points. As can be seen, a good agreement is obtained between the measurements and the analysis results. By taking into account the winding capacitance in the electrothermal model of the inductor, resonance was obtained on the modeled characteristic, which corresponds to the obtained measurement results. The value of the resonant frequency for the inductor with the ferrite core increases with an increase in the DC current, while for the inductor with the powder core, it oscillates in the range from 1.3 MHz to about 2.3 MHz. It is also worth noting that the cited model is a universal model, which is proved by the good agreement between the results of measurements and calculations when considering the inductor containing various ferromagnetic materials.
Figure 10 presents the measured and computed waveforms of temperature for each transformer component: The primary winding TW1, the secondary winding TW2 and the core TC. The tested transformer contains the ferrite core RTF. In the investigations, both windings are simultaneously excited with a single rectangular pulse of different values of the pulse duration time. The values of the power amplitude are as follows: PW1 = 0.88 W, PW2 = 1.05 W (Figure 10a), and PW1 = 2.4 W, PW2 = 2.7 W (Figure 10b).
As it is visible, for the non-linear thermal model, the results of computations fit well with the results of measurements in both sets of power amplitude values. On the other hand, the computations performed using the linear thermal model give results that overestimate the measurement results by even 20%.
In turn, Figure 11 presents the peak-to-peak value of the input voltage of the transformer containing the RTP core as a function of frequency. The considered dependence was obtained at load resistance R0 = 1 kΩ, and the peak-to-peak value of the excitation signal is 25 V. The considered function possesses a maximum voltage equal to 25 V at a frequency of 9 MHz.
In turn, Figure 12 presents the dependence of energy efficiency on load resistance R0 for the transformer operating at a frequency f = 100 kHz. From the obtained results, it can be seen that the proposed model shows the best agreement between the results of calculations and measurements for load resistance R0 higher than 40 Ω.
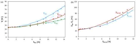
Figure 13 presents the results of calculations and measurements of the influence of the DC current on the temperatures of the components of the coupled inductor. The investigations were carried out for the coupled inductor containing the nanocrystalline core, on which three windings, eight turns each, were wound.
It is visible, that all the curves shown in Figure 13 present monotonically increasing functions. The temperature of the power supplying the winding increases due to a self-heating phenomenon, but the temperature of the other components of the tested device increases due to mutual thermal couplings in this winding (Figure 13a). The values of the windings temperatures TW2 and TW3 at IDC = 14 A exceed the ambient temperature even by 25 °C, whereas the core temperature TC at the same value of IDC is even by 33 °C higher than the ambient temperature. Figure 13b shows that the differences between the temperatures of the windings and of the core are clear if IDC > 6 A. They can exceed even 10 °C, which means that the self-thermal resistance of each winding is higher than the transfer thermal resistance between the winging and the core.
The non-linear characteristics of inductors and transformers presented above cause changes in the course of the characteristics of switch-mode power conversion systems. Such characteristics were included in our previous papers. As examples, the relationships presented in Figure 14 and Figure 15 are selected. They illustrate the effect of taking into account the non-linearity of the L(i) dependence for the inductor (Figure 14) and the coupled inductors (Figure 15) on the characteristics of the boost and flyback converters, respectively. In both figures, the solid lines denote the calculation results using the non-linear inductor model described in Section 5, the dashed lines—using the linear model (constant inductance value), and the points are the measurement results.
Figure 14 shows the characteristics of the boost converter operating at a frequency f = 50 kHz, the duty cycle d = 0.5 and an input voltage Vin = 12 V. The tests were carried out for the inductors with the RTF ferrite core (blue) and the RTP powder core (red).
As can be seen in Figure 14, the selection of the core material affects the shifts in the operating range of the tested converters between the CCM and DCM modes. For a converter containing an inductor with a ferrite core, CCM can be achieved with a load resistance as high as 1 kΩ, while for a converter containing an inductor with a powder core, the load resistance must be less than 80 Ω. When using the linear model, the output voltage of the converter in DCM mode is overestimated, and the linear model ensures a better agreement between the measurement and calculation results.
Figure 15 presents a flyback converter operating at an input voltage of Vin = 12 V, a control signal frequency f = 200 kHz, and coupled inductors with a nanocrystalline core. The dashed lines indicate the results obtained with the linear model, and the solid lines indicate the results obtained with the non-linear model described in the previous section.
In this case, for the higher of the considered load resistance values, there are practically no differences in the course of the Vout(d) dependence for both the considered models of the coupled inductors. In turn, clear differences between the Vout(d) dependence for both models are visible at low load resistance values. They are more than doubled at d = 0.8 and are caused by taking into account losses in the core and windings of the considered element in the non-linear model.

7. Final Remarks

The paper presents a review of literature models of such magnetic elements as inductors, coupled inductors, and transformers dedicated to SPICE. The described models are characterized by a different level of complexity and a set of physical phenomena taken into account. Particular attention was focused on electrothermal models of the considered elements. The advantages and disadvantages of the described models are given.
Table 1 collects the most important properties of the considered models of magnetic elements dedicated to SPICE.
The forms of electrothermal models of the considered elements formulated by the authors are presented. A special feature of these models is that they take into account the non-linearity of electrical, magnetic, and thermal phenomena occurring in the modeled elements. In addition to determining the time courses of voltages and currents, these models also make it possible to determine the time courses of the temperature of each of the windings and the ferromagnetic core for each of the considered elements. The big advantage of the proposed model is its open structure, which makes it possible to add another winding to the described model.
The results of the experimental verification of the presented models prove their correctness and universality. They ensured a good agreement between the results of calculations and measurements for magnetic elements containing cores made of different ferromagnetic materials and different sizes of the cores. These results also show that the non-linearity of the characteristics of the considered devices can be effectively modeled using the proposed non-linear compact electrothermal models. The papers by the authors, in which it was proved that the described models can be successfully used for elements with the classical windings made of the winding wire, as well as for planar transformers with the windings in the form of PCBs, were also cited.
In our opinion, the new structures of magnetic elements will be elaborated and, in consequence, new models of these elements will have to be elaborated. In order to obtain better and better accuracy from these models, the number of phenomena taken into account in the model will increase. Two directions can be observed in the development of these models: (a) Compact models dedicated to the analyses of electronic networks and (b) detailed models dedicated to the analyses of the properties of magnetic elements only. We also hope that the description of power losses in the core that will be formulated will also characterize them more accurately over a wide range of frequencies. Due to the fast development of electrical vehicles, models of an air-core transformer with high accuracy will also be elaborated.
The presented research results may be useful for designers of electronic systems containing magnetic elements. The proposed models will enable more accurate analyses of the designed systems. These models can also be useful while educating students, as they enable the illustration of the phenomena occurring in these elements during their operation in selected electronic systems.

Author Contributions

Conceptualization: K.G. and K.D.; methodology: K.G. and K.D.; investigation: K.G. and K.D.; writing—original draft preparation: K.G. and K.D.; writing—review and editing: K.G. and K.D.; visualization: K.G.; supervision: K.G. All authors have read and agreed to the published version of the manuscript.

Funding

This research received no external funding.

Data Availability Statement

Data available for request.

Conflicts of Interest

The authors declare no conflict of interest.

References

  1. Rashid, M.H. Power Electronic Handbook; Academic Press: Cambridge, MA, USA; Elsevier: Amsterdam, The Netherlands, 2007. [Google Scholar]
  2. Billings, K.; Morey, T. Switch-Mode Power Supply Handbook; McGraw-Hill: New York, NY, USA, 2011. [Google Scholar]
  3. Ericson, R.; Maksimovic, D. Fundamentals of Power Electronics; Kluwer Academic Publisher: Norwell, MA, USA, 2001. [Google Scholar]
  4. Barlik, R.; Nowak, M. Energoelektronika Elementy Podzespoły Układy; Politechnika Warszawska: Warsaw, Poland, 2014. [Google Scholar]
  5. Rashid, M.H. SPICE for Power Electronics and Electric Power; CRC Press: Boca Raton, FL, USA, 2017. [Google Scholar]
  6. Maksimovic, D.; Stankovic, A.M.; Thottuvelil, V.J.; Verghese, G.C. Modeling and simulation of power electronic converters. Proc. IEEE 2001, 89, 898–912. [Google Scholar] [CrossRef]
  7. Tuinenga, P.W. SPICE a Guide to Circuit Simulation and Analysis Using PSpice; Prentice-Hall, Inc.: Hoboken, NJ, USA, 1995. [Google Scholar]
  8. Zhao, W.; Wei, P. PSpice system simulation application in electronic circuit design. In Proceedings of the 32nd Chinese Control Conference, Xi’an, China, 26–28 July 2013; pp. 8634–8636. [Google Scholar]
  9. Detka, K.; Górecki, K.; Zarębski, J. Modeling single inductor DC–DC converters with thermal phenomena in the inductor taken into account. IEEE Trans. Power Electron. 2016, 32, 7025–7033. [Google Scholar] [CrossRef]
  10. Detka, K.; Górecki, K.; Grzejszczak, P.; Barlik, R. Modeling and Measurements of Properties of Coupled Inductors. Energies 2021, 14, 4088. [Google Scholar] [CrossRef]
  11. Vorperian, V. Fast Analytical Techniques for Electrical and Electronic Circuits; Cambridge University Press: Cambridge, MA, USA, 2002. [Google Scholar]
  12. Górecki, P.; Górecki, K. Methods of Fast Analysis of DC–DC Converters—A Review. Electronics 2021, 10, 2920. [Google Scholar] [CrossRef]
  13. Fitzpatrick, D. Analog Design and Simulation Using OrCAD Capture and PSpice; Newnes: Oxford, UK, 2017. [Google Scholar]
  14. Tumański, S. Handbook of Magnetic Measurements; Taylor and Francis Group: Boca Raton, FL, USA, 2011. [Google Scholar]
  15. Detka, K.; Górecki, K. Modelling the power losses in the ferromagnetic materials. Mater. Sci.-Pol. 2017, 35, 398–404. [Google Scholar] [CrossRef]
  16. Kazimierczuk, M. High-Frequency Magnetic Components; Wiley: Hoboken, NJ, USA, 2014. [Google Scholar]
  17. Le-Huy, H.; Sybille, G. MATLAB/Simulink and PSPice as modelling tools for power systems and power electronics. In Proceedings of the 2000 Power Engineering Society Summer Meeting, Seattle, WA, USA, 16–20 July 2000; Volume 2, pp. 766–767. [Google Scholar]
  18. Yang, W.Y.; Kim, J.; Park, K.W.; Baek, D.; Lim, S.; Joung, J.; Park, S.; Lee, H.L.; Choi, W.J.; Im, T. Electronic Circuits with MATLAB, PSpice, and Smith Chart; John Wiley & Sons: Hoboken, NJ, USA, 2020. [Google Scholar]
  19. Yi, R.; Chen, S.; Zhang, J.; Zhao, H.; Yu, Y.; Zhu, H. Research on Reverse optimized Control of Dual Active Bridge Based on PSpice-MATLAB/Simulink. In Proceedings of the 2022 IEEE 5th International Conference on Electronics Technology (ICET), Chengdu, China, 13–16 May 2022; pp. 243–248. [Google Scholar]
  20. Scirè, D.; Lullo, G.; Vitale, G. Assessment of the Current for a Non-Linear Power Inductor Including Temperature in DC-DC Converters. Electronics 2023, 12, 579. [Google Scholar] [CrossRef]
  21. Saeed, S.; Georgious, R.; Garcia, J. Modeling of Magnetic Elements Including Losses—Application to Variable Inductor. Energies 2020, 13, 1865. [Google Scholar] [CrossRef]
  22. Stoyka, K.; Femia, N.; Di Capua, G. Power inductors behavioral modeling revisited. IEEE Trans. Circuits Syst. I Regul. Pap. 2020, 67, 5636–5649. [Google Scholar] [CrossRef]
  23. Witulski, A.F. Introduction to modeling of transformers and coupled inductors. IEEE Trans. Power Electron. 1995, 10, 349–357. [Google Scholar] [CrossRef]
  24. Oliveri, A.; Lodi, M.; Storace, M. Nonlinear models of power inductors: A survey. Int. J. Circuit Theory Appl. 2022, 50, 2–34. [Google Scholar] [CrossRef]
  25. Scirè, D.; Lullo, G.; Vitale, G. Non-Linear Inductor Models Comparison for Switched-Mode Power Supplies Applications. Electronics 2022, 11, 2472. [Google Scholar] [CrossRef]
  26. Wilamowski, B.M.; Jaeger, R.C. Computerized Circuit Analysis Using SPICE Programs; McGraw-Hill: New York, NY, USA, 1997. [Google Scholar]
  27. Jiles, D.C.; Atherton, D.L. Theory of ferromagnetic hysteresis. J. Appl. Phys. 1984, 55, 2115–2120. [Google Scholar] [CrossRef]
  28. van den Bossche, A.; Valchev, V.C. Inductors and Transformers for Power Electronics; CRC Press, Taylor & Francis Group: Boca Raton, FL, USA, 2005. [Google Scholar]
  29. Górecki, K.; Detka, K. The parameters estimations of the electrothermal model of inductors. J. Microelectron. Electron. Compon. Mater. 2015, 45, 29–38. [Google Scholar]
  30. Górecki, K.; Godlewska, M. Modelling characteristics of the impulse transformer in a wide frequency range. Int. J. Circuit Theory Appl. 2020, 48, 750–761. [Google Scholar] [CrossRef]
  31. Detka, K.; Górecki, K. Influence of the size and the material of the magnetic core on thermal properties of the inductor. Microelectron. Reliab. 2022, 129, 114458. [Google Scholar] [CrossRef]
  32. Górecki, K.; Rogalska, M.; Zarębski, J. Parameter estimation of the electrothermal model of the ferromagnetic core. Microelectron. Reliab. 2014, 54, 978–984. [Google Scholar] [CrossRef]
  33. Sumarac, D.; Medjo, B.; Trisovic, N. Hysteretic behaviour modeling of elastplastic materials. Theoret. Appl. Mech. 2008, 35, 287–304. [Google Scholar] [CrossRef]
  34. McLyman, C.W.T. Transformer and Inductor Design Handbook; CRC Press: Boca Raton, FL, USA, 2017. [Google Scholar]
  35. Lv, G.; Zhi, R.; Cui, L.; Zhang, Z.; Liu, Y. Analysis on the Air-Gap Magnetic Flux Density and Propulsion of the TFLSM Considering Cogging Effect. IEEE Trans. Magn. 2022, 59, 1–7. [Google Scholar] [CrossRef]
  36. Chwastek, K. Modelling of dynamic hysteresis loops using the Jiles-Atherton approach. Math. Comput. Model. Dyn. Syst. 2009, 15, 95–105. [Google Scholar] [CrossRef]
  37. Górecki, K.; Zarębski, J. Electrothermal analysis of the self-excited push-pull dc-dc converter. Microelectron. Reliab. 2009, 49, 424–430. [Google Scholar] [CrossRef]
  38. Górecki, K.; Detka, K.; Górski, K. Compact thermal model of pulse transformer taking into account nonlinearity of heat transfer. Energies 2020, 13, 2766. [Google Scholar] [CrossRef]
  39. Fröhlich, H. Electrons in lattice fields. Adv. Phys. 1954, 3, 325–361. [Google Scholar] [CrossRef]
  40. Szewczyk, R. Modelling of the magnetic and magnetostrictive properties of high permeability Mn-Zn ferrites. Pramana-J. Phys. India Acad. Sci. 2006, 67, 1165–1171. [Google Scholar] [CrossRef]
  41. Górecki, K.; Górecki, P. Non-linear compact thermal model of the IGBT dedicated to SPICE. IEEE Trans. Power Electron. 2020, 35, 13420–13428. [Google Scholar] [CrossRef]
  42. Parchimiuk, M. Badania przekształtnika DC/DC z izolacją transformatorową przeznaczonego do zasilania potrzeb własnych pojazdów trakcyjnych. Inform. Autom. Pomiary Gospod. Ochr. Sr. 2014, 4, 113–116. [Google Scholar] [CrossRef]
  43. Goodenough, J.B. Summary of losses in magnetic materials. IEEE Trans. Magn. 2002, 38, 3398–3408. [Google Scholar] [CrossRef]
  44. Mandache, L.; Topan, D.; Sirbu, I.G. Accurate time-domain simulation of nonlinear inductors including hysteresis and eddy-current effects. In Proceedings of the World Congress on Engineering WCE 2011, London, UK, 6–8 July 2011; Volume 2, pp. 1327–1332. [Google Scholar]
  45. Jiles, D.C.; Thoelke, J.B.; Devine, M.K. Numerical determination of hysteresis parameters for the modeling of magnetic properties using the theory of ferromagnetic hysteresis. IEEE Trans. Magn. 1992, 28, 27–35. [Google Scholar] [CrossRef]
  46. Mandache, L.; Topan, D.; Iordache, M.; Dumitriu, L.; Sirbu, I.G. On the time-domain analysis of analog circuits containing nonlinear inductors. In Proceedings of the 20th European Conference on Circuit Theory and Design ECCTD 2011, Linkoping, Sweden, 29–31 August 2011; pp. 98–101. [Google Scholar]
  47. O’Hara, M. Modeling Non-Ideal Inductors in SPICE; Newport Components: Milton Keynes, UK, 1993. [Google Scholar]
  48. Stefopoulos, G.K.; Cokkinides, G.J.; Meliopoulos, A. Quadratized model of nonlinear saturablecore inductor for time-domain simulation. In Proceedings of the 2009 IEEE Power & Energy Society General Meeting, Calgary, AB, Canada, 26–30 July 2009; pp. 1–8. [Google Scholar]
  49. Mandache, L.; Al-Haddad, K. An accurate design tool for filter inductors. In Proceedings of the 33rd Annual Conference of the IEEE Industrial Electronics Society IECON, Taipei, Taiwan, 5–8 November 2007; pp. 1414–1419. [Google Scholar]
  50. Rozanov, E.; Ben-Yaakov, S. A SPICE behavioral model for current-controlled magnetic inductors. In Proceedings of the 23rd IEEE Convention of Electrical and Electronics Engineers in Israel, Tel-Aviv, Israel, 6–7 September 2004; pp. 338–341. [Google Scholar]
  51. Hristov, M.H.; Gadjewa, E.D.; Pukneva, D.I. Computer Modelling and Geometry Optimilization of Spiral Inductors for RF Application Using SPICE. In Proceedings of the 10th International Conference Mixed Design of Integrated Circuits and Systems MIXDES 2003, Łódz, Poland, 25–27 June 2003; pp. 413–418. [Google Scholar]
  52. Fuzi, J.; Helerea, E.; Ivanyi, A. Experimental construction of Preisach models for ferromagnetics cores. In Proceedings of the International Conference ZM Communications GmbH (PCIM 1998), Power Conversion, Nurnberg, Germany, May 1998; pp. 661–666. [Google Scholar]
  53. Jiles, D.C.; Atherton, D.L. Theory of ferromagnetic hysteresis. J. Magn. Magn. Mater. 1986, 61, 48–60. [Google Scholar] [CrossRef]
  54. Faiz, J.; Saffari, S. A new technique for modeling hysteresis in soft magnetic materials. Electromagnetics 2010, 30, 376–401. [Google Scholar] [CrossRef]
  55. Mészáros, I. Magnetization curve modelling of soft magnetic alloys. J. Phys. Conf. Ser. 2011, 268, 012020. [Google Scholar] [CrossRef]
  56. Zidari, B.; Miljavec, D. A new ferromagnetic hysteresis model for soft magnetic composite materials. J. Magn. Magn. Mater. 2011, 323, 67–71. [Google Scholar] [CrossRef]
  57. Willard, M.A.; Francavilla, T.; Harris, V.G. Core-loss analysis of an (Fe, Co, Ni)-based nanocrystalline soft magnetic alloy. J. Appl. Phys. 2005, 97, 10F502. [Google Scholar] [CrossRef]
  58. Cardelli, E.; Giannetti, R.; Tellini, B. Numerical characterization of dynamic hysteresis loops and losses in soft magnetic materials. IEEE Trans. Magn. 2005, 41, 1540–1543. [Google Scholar]
  59. Mandache, L.; Topan, D. Managing Eddy Current. Losses and Ferromagnetic Material Nonlinearities in Distorting Regimes. In Proceedings of the IEEE International Electric Machines and Drives Conference IEMDC 2009, Miami, FL, USA, 3–6 May 2009; pp. 1449–1454. [Google Scholar]
  60. Ngo, K.D.T. Subcircuit modeling of magnetic cores with hysteresis in PSpice. IEEE Trans. Aerosp. Electron. Syst. 2002, 38, 1425–1434. [Google Scholar] [CrossRef]
  61. Górecki, K.; Zarębski, J.; Detka, K. Application of the electrothermal average inductor model for analyses of boost converters, In Proceedings of the 22nd International Conference Mixed Design Integrated Circuits Systems Mixdes, Toruń, Poland, 25–27 June 2015. pp. 417–421.
  62. Brachtendorf, H.G.; Eck, C.; Laur, R. Macromodeling of hysteresis phenomena with SPICE. IEEE Trans. Circuits Syst. II Analog. Digit. Signal Process. 1997, 44, 378–388. [Google Scholar] [CrossRef]
  63. Mazgaj, W. Properties of magnetic hysteresis models. Arch. Electr. Eng. 2006, 55, 147–161. [Google Scholar]
  64. Ossart, F.; Meunier, G. Comparison between various hysteresis models and experimental data. IEEE Trans. Magn. 1990, 26, 2837–2839. [Google Scholar] [CrossRef]
  65. Detka, K.; Górecki, K. Validation of selected models of the magnetization curve of ferrite cores. In Proceedings of the 2022 IEEE 16th International Conference on Compatibility, Power Electronics, and Power Engineering (CPE-POWERENG), Birmingham, UK, 29 June–1 July 2022; pp. 1–6. [Google Scholar] [CrossRef]
  66. Rayleigh, L. On the behavior of iron and steel under the operation of feeble magnetic forces, XXV. Notes on electricity and magnetism.—III. Philos. Mag. J. Sci. 1887, 23, 225–245. [Google Scholar] [CrossRef]
  67. Hodgdon, M.L. Mathematical theory and calculations of magnetic hysteresis curves. IEEE Trans. Magn. 1998, 24, 3120–3122. [Google Scholar] [CrossRef]
  68. Iványi, A. Hysteresis Models in Electromagnetic Computation; Akadémiai Kiadó: Budapest, Hungary, 1997. [Google Scholar]
  69. Wilson, P. Modeling and Simulation of Magnetic Components in Electric Circuits. Ph.D. Thesis, Department of Electronics and Computer Science, University of Southampton, Southampton, UK, 2001. [Google Scholar]
  70. Bozorth, R. Ferromagnetism; D. Van Nostrand Company: Princeton, NJ, USA, 1951. [Google Scholar]
  71. Cullity, B.D.; Graham, C.D. Introduction to Magnetism Material; John Wiley and Sons: Hoboken, NJ, USA, 2011. [Google Scholar]
  72. Bertotti, G.; Fiorillo, F.; Soardo, G. The Prediction of Power Losses in Soft Magnetic Materials. J. Phys. Colloq. 1988, 49, C8-1915–C8-1919. [Google Scholar] [CrossRef]
  73. Wciślik, M.; Suchenia, K. Modeling of core losses of switched reluctance motor. Przegląd Elektrotechniczny 2016, 92, 152–155. [Google Scholar] [CrossRef][Green Version]
  74. Popescu, M.; Miller, T.; McGlip, M.; Ionel, D.; Dellinger, S.; Heidemann, R. On the Physical Basis of Power Losses in Laminated Steel and Minimum-Effort Modeling in an Industrial Design Environment. In Proceedings of the Conference Record of the 2007 IEEE Industry Applications Conference Forty-Second IAS Annual Meeting, New Orleans, LA, USA, 23–27 September 2007; p. 60. [Google Scholar]
  75. Wilson, P.R.; Ross, J.N.; Brown, A.D. Simulation of magnetic component models in electric circuits including dynamic thermal effects. IEEE Trans. Power Electron. 2002, 17, 55–65. [Google Scholar] [CrossRef]
  76. Lullo, G.; Sciere, D.; Vitale, G. Non-linear inductor modelling for a DC/DC Buck converter. In Proceedings of the International Conference on Renewable Energies and Power Quality (ICREPQ’17), Malaga, Spain, 4–6 April 2017. [Google Scholar] [CrossRef]
  77. Magambo, J.S.N.T.; Bakri, R.; Margueron, X.; Le Moigne, P.; Mahe, A.; Guguen, S.; Bensalah, T. Planar Magnetic Components in More Electric Aircraft: Review of Technology and Key Parameters for DC–DC Power Electronic Converter. IEEE Trans. Transp. Electrif. 2017, 3, 831–842. [Google Scholar] [CrossRef]
  78. Valchev, V.C.; Van den Bossche, A. Inductors and Transformers for Power Electronics; Informa UK Limited: London, UK, 2018. [Google Scholar]
  79. Górecki, K.; Rogalska, M. The compact thermal model of the pulse transformer. Microelectron. J. 2014, 45, 1795–1799. [Google Scholar] [CrossRef]
  80. Penabad-Duran, P.; López-Fernández, X.; Turowski, J. 3D non-linear magneto-thermal behavior on transformer covers. Electr. Power Syst. Res. 2015, 121, 333–340. [Google Scholar] [CrossRef]
  81. Buschow, K.H.J. Handbook of Magnetic Materials; Elsevier: Amsterdam, The Netherlands; Berlin, Germany, 2015. [Google Scholar]
  82. Wilson, P.R.; Ross, J.N. Definition and application of magnetic material metrics in modeling and optimization. IEEE Trans. Magn. 2001, 37, 3774–3780. [Google Scholar] [CrossRef]
  83. Detka, K.; Górecki, K. Electrothermal Model of Coupled Inductors with Nanocrystalline Cores. Energies 2021, 15, 224. [Google Scholar] [CrossRef]
  84. Zhu, G.; Wand, K. Modeling and Design Consideration of Coupled Inductor Converters. In Proceedings of the 2010 Twenty-Fifth Annual IEEE Applied Power Electronics Conference and Exposition (APEC), Palm Springs, CA, USA, 21–25 February 2010. [Google Scholar] [CrossRef]
  85. Bahman, A.; Ma, K.; Blaabjerg, F. A lumped thermal model including thermal coupling and thermal boundary conditions for high power IGBT modules. IEEE Trans. Power Electron. 2018, 33, 2518–2530. [Google Scholar] [CrossRef]
  86. Swift, G.; Molinski, T.S.; Bray, R. A fundamental approach to transformer thermal modeling. Part I: Theory and equivalent circuit. IEEE Trans. Power Deliv. 2001, 16, 171–175. [Google Scholar] [CrossRef]
  87. Gamil, A.; Al-Abadi, A.; Schatzl, F.; Schlucker, E. Theoretical and Empirical-Based Thermal Modelling of Power Transformers. In Proceedings of the 2018 IEEE International Conference on High Voltage Engineering and Application (ICHVE), Athens, Greece, 10–13 September 2018; IEEE: Piscataway, NJ, USA, 2018; pp. 1–4. [Google Scholar]
  88. Souza, L.; Lemos, A.; Caminhas, W.; Boaventura, W. Thermal modeling of power transformers using evolving fuzzy systems. Eng. Appl. Artif. Intell. 2012, 25, 980–988. [Google Scholar] [CrossRef]
  89. Tang, W.H.; Wu, Q.H.; Richardson, Z.J. A simplified transformer thermal model based on thermal–electric analogy. IEEE Trans. Power Deliv. 2004, 19, 1112–1119. [Google Scholar] [CrossRef]
  90. Tang, W.; Wu, Q.H.; Richardson, Z. Equivalent heat circuit based power transformer thermal model. IEE Proc.-Electr. Power Appl. 2002, 149, 87. [Google Scholar] [CrossRef]
  91. Lopez, G.S.; Exposito, A.D.; Muñoz-Antón, J.; Ramirez, J.A.O.; Lopez, R.P.; Delgado, A.; Oliver, J.A.; Prieto, R. Fast and Accurate Thermal Modeling of Magnetic Components by FEA-Based Homogenization. IEEE Trans. Power Electron. 2020, 35, 1830–1844. [Google Scholar] [CrossRef]
Figure 1. Network representation of a lossy model of the linear transformer.
Figure 1. Network representation of a lossy model of the linear transformer.
Energies 16 06568 g001
Figure 2. Magnetization curves of the ferrite core made of N27 material at selected values of temperature.
Figure 2. Magnetization curves of the ferrite core made of N27 material at selected values of temperature.
Energies 16 06568 g002
Figure 3. Network form of the electrothermal model of a transformer from the paper [75].
Figure 3. Network form of the electrothermal model of a transformer from the paper [75].
Energies 16 06568 g003
Figure 4. Network form of the electrothermal inductor model with the terminals A and B.
Figure 4. Network form of the electrothermal inductor model with the terminals A and B.
Energies 16 06568 g004
Figure 5. Network form of an electrothermal model of coupled inductors.
Figure 5. Network form of an electrothermal model of coupled inductors.
Energies 16 06568 g005
Figure 6. Network form of the electrothermal model of a transformer.
Figure 6. Network form of the electrothermal model of a transformer.
Energies 16 06568 g006
Figure 7. Network form of a non-linear compact thermal model of the pulse transformer.
Figure 7. Network form of a non-linear compact thermal model of the pulse transformer.
Energies 16 06568 g007
Figure 8. Measured and computed values of inductance of the inductors containing the core made of different ferromagnetic material in the function of the DC current.
Figure 8. Measured and computed values of inductance of the inductors containing the core made of different ferromagnetic material in the function of the DC current.
Energies 16 06568 g008
Figure 9. Measured dependences of the modulus of impedance of the inductor with the RTP T106-26 (a) and RTF F867 (b) cores on frequency.
Figure 9. Measured dependences of the modulus of impedance of the inductor with the RTP T106-26 (a) and RTF F867 (b) cores on frequency.
Energies 16 06568 g009
Figure 10. Measured and computed waveforms of the temperature of the windings and the core of the transformer containing the RTF core while dissipating the power of different values of amplitudes.
Figure 10. Measured and computed waveforms of the temperature of the windings and the core of the transformer containing the RTF core while dissipating the power of different values of amplitudes.
Energies 16 06568 g010
Figure 11. Measured and calculated dependences of the transformer input voltage on frequency.
Figure 11. Measured and calculated dependences of the transformer input voltage on frequency.
Energies 16 06568 g011
Figure 12. Measured and computed dependences of the transformer energy efficiency on load resistance.
Figure 12. Measured and computed dependences of the transformer energy efficiency on load resistance.
Energies 16 06568 g012
Figure 13. Courses of the inductor components temperature on the DC current at power dissipation in one winding only (a), in three windings connected in series (b).
Figure 13. Courses of the inductor components temperature on the DC current at power dissipation in one winding only (a), in three windings connected in series (b).
Energies 16 06568 g013
Figure 14. Calculated (lines) and measured (rhombus) dependences of the output voltage of the boost converter with different cores on load resistance.
Figure 14. Calculated (lines) and measured (rhombus) dependences of the output voltage of the boost converter with different cores on load resistance.
Energies 16 06568 g014
Figure 15. Dependences of the output voltage of a flyback converter on the duty cycle of the control signal for selected values of load resistance.
Figure 15. Dependences of the output voltage of a flyback converter on the duty cycle of the control signal for selected values of load resistance.
Energies 16 06568 g015
Table 1. The most important properties of the considered models of magnetic elements for SPICE.
Table 1. The most important properties of the considered models of magnetic elements for SPICE.
SourceNon-Linearity of L(i) CharacteristicHysteresis LoopPower LossesSelf-HeatingMutual Thermal CouplingsNumber of Modeled Temperatures
[10,47,50,51]YesNoYesNoNo0
[23,25]YesYesNoNoNo0
[17,26,28,44]YesYesYesNoNo0
[75]YesYesYesYesNo1
[9,15,29,61]YesNoYesYesYes2
[32,34]YesYesYesYesYes2
[30]YesYesYesYesYes3
[83]YesNoYesYesYes4
Disclaimer/Publisher’s Note: The statements, opinions and data contained in all publications are solely those of the individual author(s) and contributor(s) and not of MDPI and/or the editor(s). MDPI and/or the editor(s) disclaim responsibility for any injury to people or property resulting from any ideas, methods, instructions or products referred to in the content.

Share and Cite

MDPI and ACS Style

Górecki, K.; Detka, K. SPICE-Aided Models of Magnetic Elements—A Critical Review. Energies 2023, 16, 6568. https://doi.org/10.3390/en16186568

AMA Style

Górecki K, Detka K. SPICE-Aided Models of Magnetic Elements—A Critical Review. Energies. 2023; 16(18):6568. https://doi.org/10.3390/en16186568

Chicago/Turabian Style

Górecki, Krzysztof, and Kalina Detka. 2023. "SPICE-Aided Models of Magnetic Elements—A Critical Review" Energies 16, no. 18: 6568. https://doi.org/10.3390/en16186568

APA Style

Górecki, K., & Detka, K. (2023). SPICE-Aided Models of Magnetic Elements—A Critical Review. Energies, 16(18), 6568. https://doi.org/10.3390/en16186568

Note that from the first issue of 2016, this journal uses article numbers instead of page numbers. See further details here.

Article Metrics

Back to TopTop