Impact of a Redox Flow Battery on the Frequency Stability of a Five-Area System Integrated with Renewable Sources
Abstract
1. Introduction
- Storage capacity, both in power and energy, is very high.
- Unlike other storage devices, power and energy are independent entities in the RFB system. Here, energy capacity depends on the electrolyte reservoir and power capacity depends on the stack size.
- The heat produced by redox reactions is dissipated by the electrolytes, which is a major advantage over solid-state storages.
- The manufacturing process is modular, which is quite different from solid-state batteries like those manufactured in the form of cell.
- The life cycle is long and efficiency is high.
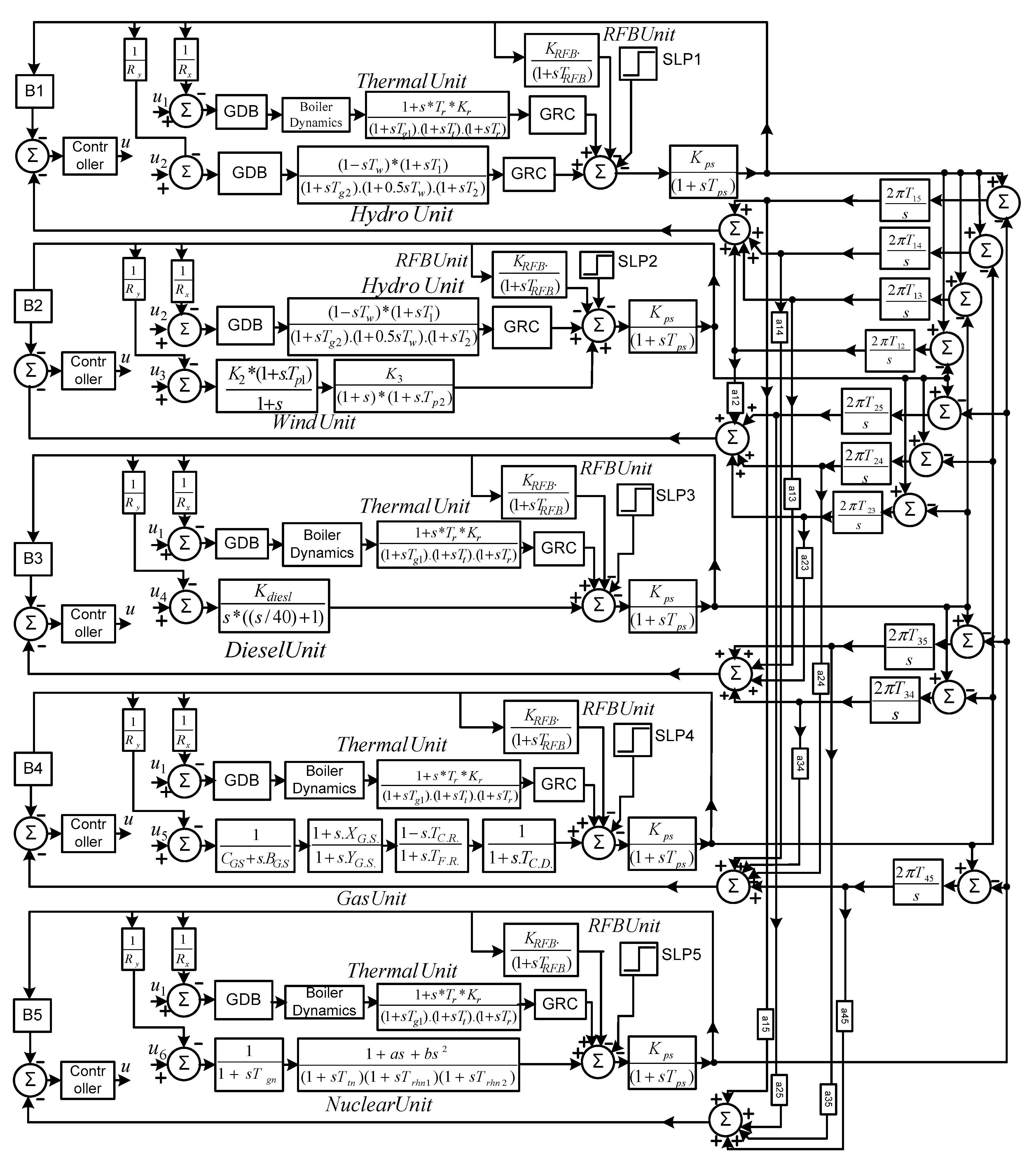
- A five-area test model having two sources in each area is modelled incorporating GRC, GDB and boiler dynamics to make the interconnected power system more practical.
- A two-stage non-integer controller, FOPIDN-FOPDN, is designed by means of conglomerating a derivative filter which neutralizes the distorted signals generated by the system. Additionally, the performance of this controller is compared with PID and FOPID controllers.
- A nascent optimization algorithm selfish herd optimisation (SHO) is applied to tune the gain parameters of the aforementioned controllers. With this, the potential of the SHO algorithm and its performance have been compared with PSO through some benchmark functions.
- The performance of the test model under RFB has been evaluated and compared with another BESS system.
- The robustness of the designed controller is analysed via imposing different load conditions with/without an RFB, and finally, a sensitivity analysis has been presented through varying some crucial system parameters.
- The feasibility of the proposed controller is examined through simulating through a real-time simulator (OPAL-RT-4510).
2. Linearized Model of the Investigated System
2.1. Redox Flow Battery (RFB)
2.2. Generation Rate Constraint (GRC)
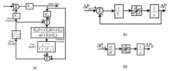
2.3. Boiler Dynamics
2.4. Governor Dead Band (GDB)
3. Control Strategies Adopted for the Study
3.1. PID Controller

3.2. Fractional Order Controller
3.3. Cascade Controller
4. Mathematical Problem Formulation
5. Selfish Herd Optimizer
5.1. Initialization Phase
5.2. Structurization Phase
5.3. Movement Phase of Herd
5.4. Movement Phase of Predator
5.5. Predation Phase
5.6. Restoration Phase
6. Proficiency of SHO over PSO through Benchmark Function Analysis
7. Results and Discussions
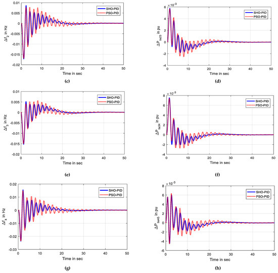
7.1. Comparative Study of Transient Response Produced by SHO-PID and PSO-PID Controllers
7.2. Comparative Study of Transient Responses Produced by SHO Based Controllers without RFB
7.3. Extension Work
7.4. Transient Response of the Test Model against Sporadic Load Variation under RFB
7.5. Robustness of the Proposed FOPIDN-FOPDN Controller under RFB
7.6. Validation of the Transient Response through OPALRT (OP4510) Platform
8. Conclusions
Author Contributions
Funding
Data Availability Statement
Conflicts of Interest
Appendix A

References
- Kundur, P.; Paserba, J.; Ajjarapu, V.; Andersson, G.; Bose, A.; Canizares, C.; Hatziargyriou, N.; Hill, D.; Stankovic, A.; Taylor, C.; et al. Definition and Classification of Power System Stability IEEE/CIGRE Joint Task Force on Stability Terms and Definitions. IEEE Trans. Power Syst. 2004, 19, 1387–1401. [Google Scholar]
- Elgerd, O.I.; Happ, H.H. Electric Energy Systems Theory: An Introduction. IEEE Trans. Syst. Man Cybern. 1982, 2, 296–297. [Google Scholar] [CrossRef]
- Tripathy, S.; Balasubramanian, R.; Nair, P. Effect of superconducting magnetic energy storage on automatic generation control considering governor deadband and boiler dynamics. IEEE Trans. Power Syst. 1992, 7, 1266–1273. [Google Scholar] [CrossRef]
- Nayak, A.; Maharana, M.K.; Panda, G. Frequency regulation of a RES integrated power system with AC/DC parallel link employing a fuzzy tuned fractional order controller. Int. J. Emerg. Electr. Power Syst. 2022, 24, 129–142. [Google Scholar] [CrossRef]
- Nanda, J.; Mishra, S.; Saikia, L.C. Maiden Application of Bacterial Foraging-Based Optimization Technique in Multiarea Automatic Generation Control. IEEE Trans. Power Syst. 2009, 24, 602–609. [Google Scholar] [CrossRef]
- Gozde, H.; Taplamacioglu, M.C. Automatic generation control application with craziness based particle swarm optimization in a thermal power system. Int. J. Electr. Power Energy Syst. 2011, 33, 8–16. [Google Scholar] [CrossRef]
- Morsali, J.; Zare, K.; Tarafdar Hagh, M. MGSO optimised TID-based GCSC damping controller in coordination with AGC for diverse-GENCOs multi-DISCOs power system with considering GDB and GRC non-linearity effects. IET Gener. Transm. Distrib. 2017, 11, 193–208. [Google Scholar] [CrossRef]
- Saikia, L.C.; Nanda, J.; Mishra, S. Performance comparison of several classical controllers in AGC for multi-area interconnected thermal system. Int. J. Electr. Power Energy Syst. 2011, 33, 394–401. [Google Scholar] [CrossRef]
- Jagatheesan, K.; Anand, B.; Dey, K.N.; Ashour, A.S.; Satapathy, S.C. Performance evaluation of objective functions in automatic generation control of thermal power system using ant colony optimization technique-designed proportional–integral–derivative controller. Electr. Eng. 2018, 100, 895–911. [Google Scholar] [CrossRef]
- Bhatt, P.; Roy, R.; Ghoshal, S. GA/particle swarm intelligence based optimization of two specific varieties of controller devices applied to two-area multi-units automatic generation control. Int. J. Electr. Power Energy Syst. 2010, 32, 299–310. [Google Scholar] [CrossRef]
- Pandey, S.K.; Mohanty, S.R.; Kishor, N. A literature survey on load–frequency control for conventional and distribution generation power systems. Renew. Sustain. Energy Rev. 2013, 25, 318–334. [Google Scholar] [CrossRef]
- Elgerd, O.I.; Fosha, C.E. Optimum Megawatt-Frequency Control of Multiarea Electric Energy Systems. IEEE Trans. Power Appar. Syst. 1970, 4, 556–563. [Google Scholar] [CrossRef]
- Nayak, J.R.; Shaw, B.; Sahu, B.K.; Naidu, K.A. Application of optimized adaptive crow search algorithm based two degree of freedom optimal fuzzy PID controller for AGC system. Eng. Sci. Technol. Int. J. 2022, 32, 101061. [Google Scholar] [CrossRef]
- Guha, D.; Roy, P.; Banerjee, S. Load frequency control of interconnected power system using grey wolf optimization. Swarm Evol. Comput. 2016, 27, 97–115. [Google Scholar] [CrossRef]
- Gouran-Orimi, S.; Ghasemi-Marzbali, A. Load Frequency Control of multi-area multi-source system with nonlinear structures using modified Grasshopper Optimization Algorithm. Appl. Soft Comput. 2023, 137, 110135. [Google Scholar] [CrossRef]
- Sahu, R.K.; Panda, S.; Rout, U.K.; Sahoo, D.K. Teaching learning based optimization algorithm for automatic generation control of power system using 2-DOF PID controller. Int. J. Electr. Power Energy Syst. 2016, 77, 287–301. [Google Scholar] [CrossRef]
- Alomoush, M.I. Load frequency control and automatic generation control using fractional-order controllers. Electr. Eng. 2010, 91, 357–368. [Google Scholar] [CrossRef]
- Morsali, J.; Zare, K.; Hagh, M.T. Applying fractional order PID to design TCSC-based damping controller in coordination with automatic generation control of interconnected multi-source power system. Eng. Sci. Technol. Int. J. 2017, 20, 1–17. [Google Scholar] [CrossRef]
- Zamani, A.; Barakati, S.M.; Yousofi-Darmian, S. Design of a fractional order PID controller using GBMO algorithm for load–frequency control with governor saturation consideration. ISA Trans. 2016, 64, 56–66. [Google Scholar] [CrossRef]
- Annamraju, A.; Bhukya, L.; Nandiraju, S. Robust frequency control in a standalone microgrid: An adaptive fuzzy based fractional order cascade PD-PI approach. Adv. Control Appl. Eng. Ind. Syst. 2021, 3, e72. [Google Scholar] [CrossRef]
- Jena, N.K.; Sahoo, S.; Sahu, B.K.; Mohanty, K.B. Design of Fractional Order Cascaded Controller for AGC of a Deregulated Power System. J. Control Autom. Electr. Syst. 2022, 33, 1389–1417. [Google Scholar] [CrossRef]
- Sivalingam, R.; Chinnamuthu, S.; Dash, S.S. A hybrid stochastic fractal search and local unimodal sampling based multistage PDF plus (1 + PI) controller for automatic generation control of power systems. J. Frankl. Inst. 2017, 354, 4762–4783. [Google Scholar] [CrossRef]
- Saha, A.; Saikia, L.C. Performance analysis of combination of ultra-capacitor and superconducting magnetic energy storage in a thermal-gas AGC system with utilization of whale optimization algorithm optimized cascade controller. J. Renew. Sustain. Energy 2018, 10, 014103. [Google Scholar] [CrossRef]
- Arya, Y. AGC of PV-thermal and hydro-thermal power systems using CES and a new multi-stage FPIDF-(1 + PI) controller. Renew. Energy 2019, 134, 796–806. [Google Scholar] [CrossRef]
- Prakash, A.; Murali, S.; Shankar, R.; Bhushan, R. HVDC tie-link modeling for restructured AGC using a novel fractional order cascade controller. Electr. Power Syst. Res. 2019, 170, 244–258. [Google Scholar] [CrossRef]
- Pahadasingh, S.; Chaine, S.; Priyadarshini, S.; Jena, C. LUS-TLBO Optimized Load Frequency Control for EV-Thermal-Hydro System Using Cascaded 3DOFPID-FOPID-FOPD-TID Controller. J. Electr. Syst. 2023, 19, 43–52. [Google Scholar]
- Mao, J.; Liu, R.; Wu, A.; Wu, S.; He, J. An Improved Whale Optimization Algorithm Based PIDF–(1 + PI) Cascade Automatic Generation Control for Multi-area Multi-source Power System with Capacitive Energy Storage. IEEE Access 2023. [Google Scholar]
- Joseph, A.; Sobczak, J.; Żyła, G.; Mathew, S. Ionic Liquid and Ionanofluid-Based Redox Flow Batteries—A Mini Review. Energies 2022, 15, 4545. [Google Scholar] [CrossRef]
- Arya, Y. AGC performance enrichment of multi-source hydrothermal gas power systems using new optimized FOFPID controller and redox flow batteries. Energy 2017, 127, 704–715. [Google Scholar] [CrossRef]
- Selvaraju, R.K.; Somaskandan, G. Impact of energy storage units on load frequency control of deregulated power systems. Energy 2016, 97, 214–228. [Google Scholar] [CrossRef]
- Choudhary, R.; Rai, J.N.; Arya, Y. Cascade FOPI-FOPTID controller with energy storage devices for AGC performance advancement of electric power systems. Sustain. Energy Technol. Assess. 2022, 53, 102671. [Google Scholar] [CrossRef]
- Shafei, M.A.R.; Ibrahim, D.K.; Bahaa, M. Application of PSO tuned fuzzy logic controller for LFC of two-area power system with redox flow battery and PV solar park. Ain Shams Eng. J. 2022, 13, 101710. [Google Scholar] [CrossRef]
- Joshi, M.; Sharma, G.; Çelik, E. Load Frequency Control of Hydro-Hydro Power System using Fuzzy-PSO-PID with Application of UC and RFB. Electr. Power Compon. Syst. 2023, 51, 1156–1170. [Google Scholar] [CrossRef]
- Kumar, V.; Sharma, V.; Naresh, R. Model predictive controller-based voltage and frequency regulation in renewable energy integrated power system coordinated with virtual inertia and redox flow battery. Iran. J. Sci. Technol. Trans. Electr. Eng. 2023, 47, 159–176. [Google Scholar] [CrossRef]
- Sharma, M.; Dhundhara, S.; Sran, R.S. Impact of hybrid electrical energy storage system on realistic deregulated power system having large-scale renewable generation. Sustain. Energy Technol. Assess. 2023, 56, 103025. [Google Scholar] [CrossRef]
- Wolpert, D.H.; Macready, W.G. No free lunch theorems for optimization. IEEE Trans. Evol. Comput. 1997, 1, 67–82. [Google Scholar] [CrossRef]
- Abubakr, H.; Guerrero, J.M.; Vasquez, J.C.; Mohamed, T.H.; Mahmoud, K.; Darwish, M.M.F.; Dahab, Y.A. Adaptive LFC Incorporating Modified Virtual Rotor to Regulate Frequency and Tie-Line Power Flow in Multi-Area Microgrids. IEEE Access 2022, 10, 33248–33268. [Google Scholar] [CrossRef]
- Sarma, U.; Saikia, L.C.; Sana, A.; Dash, P. Load frequency control of a multi-area, multi-source system using firefly algorithm optimized F2DOFIDD controller. In Proceedings of the 2016 IEEE Region 10 Conference (TENCON), Singapore, 22–25 November 2016; pp. 1475–1479. [Google Scholar]
- Sahu, B.K.; Pati, S.; Mohanty, P.K.; Panda, S. Teaching–learning based optimization algorithm based fuzzy-PID controller for automatic generation control of multi-area power system. Appl. Soft Comput. 2015, 27, 240–249. [Google Scholar] [CrossRef]
- Pradhan, C.; Bhende, C.N. Online load frequency control in wind integrated power systems using modified Jaya optimization. Eng. Appl. Artif. Intell. 2019, 77, 212–228. [Google Scholar] [CrossRef]
- Fausto, F.; Cuevas, E.; Valdivia, A.; González, A. A global optimization algorithm inspired in the behavior of selfish herds. Biosystems 2017, 160, 39–55. [Google Scholar] [CrossRef]
- Bhise, G.G.; Kothart, M.L.; Nanda, J. Optimum selection of hydrogovernor parameters for automatic generation control of a hydrothermal system. In Proceedings of the 1993 2nd International Conference on Advances in Power System Control, Operation and Management, APSCOM-93, Hong Kong, China, 7–10 December 1993; pp. 910–915. [Google Scholar]
- Abdel-Magid, Y.; Abido, M. AGC tuning of interconnected reheat thermal systems with particle swarm optimization. 10th IEEE International Conference on Electronics, Circuits and Systems, 2003. ICECS 2003, Sharjah, United Arab Emirates, 14–17 December 2003; IEEE: Piscataway, NJ, USA, 2003; Volume 1, pp. 376–379. [Google Scholar]
- Gozde, H.; Taplamacioglu, M.C.; Kocaarslan, I. Comparative performance analysis of Artificial Bee Colony algorithm in automatic generation control for interconnected reheat thermal power system. Int. J. Electr. Power Energy Syst. 2012, 42, 167–178. [Google Scholar] [CrossRef]
- Shabani, H.; Vahidi, B.; Ebrahimpour, M. A robust PID controller based on imperialist competitive algorithm for load-frequency control of power systems. ISA Trans. 2013, 52, 88–95. [Google Scholar] [CrossRef] [PubMed]
- Mohanty, B.; Prakash Kumar, H. Comparative performance analysis of fruit fly optimisation algorithm for multi-area multi-source automatic generation control under deregulated environment. IET Gener. Transm. Distrib. 2015, 9, 1845–1855. [Google Scholar] [CrossRef]
- Podlubny, I. Fractional-order systems and PI/sup/spl lambda//D/sup/spl mu//-controllers. IEEE Trans. Autom. Control 1999, 44, 208–214. [Google Scholar] [CrossRef]
- Oustaloup, A.; Levron, F.; Mathieu, B.; Nanot, F.M. Frequency-band complex noninteger differentiator: Characterization and synthesis. IEEE Trans. Circuits Syst. Fundam. Theory Appl. 2000, 47, 25–39. [Google Scholar] [CrossRef]
- Sahoo, S.; Jena, N.K.; Ray, P.K.; Sahu, B.K. Selfish Herd Optimisation tuned fractional order cascaded controllers for AGC Analysis. Soft Comput. 2022, 26, 2835–2853. [Google Scholar] [CrossRef]
- Rahmoun, A.; Biechl, H.; Rosin, A. Evaluation of Equivalent Circuit Diagrams and Transfer Functions for Modeling of Lithium-Ion Batteries. Electr. Control Commun. Eng. 2013, 2, 34–39. [Google Scholar] [CrossRef]
- Liaw, B.Y.; Nagasubramanian, G.; Jungst, R.G.; Doughty, D.H. Modeling of lithium ion cells? A simple equivalent-circuit model approach. Solid State Ion. 2004, 175, 835–839. [Google Scholar]
- Zhong, J.; He, L.; Li, C.; Cao, Y.; Wang, J.; Fang, B.; Zeng, L.; Xiao, G. Coordinated control for large-scale EV charging facilities and energy storage devices participating in frequency regulation. Appl. Energy 2014, 123, 253–262. [Google Scholar] [CrossRef]

















| Name | Expression | Dimensions (d) | Search Space |
|---|---|---|---|
| Hartmann | 3 | [0, 1] | |
| Styblinski-Tang | 2 | [5, 5] | |
| Rotated hyper-ellipsoid | 2 | [−65.536, 65.536] | |
| Schaffer | 2 | [−100, 100] | |
| Mccormick | 2 | ||
| Sum-Squares | 2 | [−10, 10] |
| Functions | Optimum Value | Algorithm | Minimum Value | Maximum Value | Mean Value | Standard Deviation | Computation Time |
|---|---|---|---|---|---|---|---|
| F1 | −3.862779 | SHO | −3.862779 | −3.8627795 | −3.862779 | 0.0907 | |
| PSO | −3.862779 | −3.8627795 | −3.862779 | 0.0545 | |||
| F2 | −78.332334 | SHO | −78.332334 | −78.332332 | −78.33233 | 0.06173 | |
| PSO | −78.332334 | −78.332331 | −78.33233 | 0.0429 | |||
| F3 | 0 | SHO | 0 | 0.2116 | |||
| PSO | 0 | 0.1199 | |||||
| F4 | 0.292578 | SHO | 0.292578 | 0.292584 | 0.292579 | 0.1816 | |
| PSO | 0.292578 | 0.292582 | 0.292579 | 0.1015 | |||
| F5 | −1.913334 | SHO | −1.913334 | −1.913334 | −1.913334 | 0.0644 | |
| PSO | −1.913334 | −1.913334 | −1.913334 | 0.0535 | |||
| F6 | 0 | SHO | 0 | 0.0753 | |||
| PSO | 0 | 0.0534 |
| Controllers | Gains | Controller: −1 | Controller: −2 | Controller: −3 | Controller: −4 | Controller: −5 | Controller: −6 |
|---|---|---|---|---|---|---|---|
| PSO-PID | 2.0100 | 3.7015 | 0.8841 | 2.3153 | 2.7354 | 4.7410 | |
| 2.8584 | 4.8286 | 1.2967 | 1.213 | 4.2418 | 1.9342 | ||
| 0.917 | 3.022 | 1.415 | 2.4912 | 4.657 | 3.1582 | ||
| SHO-PID | 2.4489 | 3.7006 | 0.8842 | 2.4153 | 2.7354 | 4.7510 | |
| 2.5846 | 4.8287 | 1.2968 | 1.2138 | 4.2419 | 1.9340 | ||
| 0.8170 | 3.0221 | 1.4125 | 2.4912 | 4.6571 | 3.1580 | ||
| SHO-FOPID | 1.7768 | 5.0000 | 3.2296 | 4.5374 | 3.3003 | 2.2579 | |
| 2.4797 | 4.4733 | 4.0218 | 5.0000 | 0.8270 | 4.0797 | ||
| 0.1000 | 5.0000 | 5.0000 | 2.6260 | 5.0000 | 5.0000 | ||
| 0.9800 | 0.9800 | 0.5513 | 0.9800 | 0.9800 | 0.9800 | ||
| 0.9800 | 0.9800 | 0.9800 | 0.9800 | 0.9800 | 0.9710 | ||
| SHO-FOPIDN-FOPDN | 0.5604 | 0.6463 | 0.8173 | 1.9264 | 1.7600 | 0.9897 | |
| 2.1412 | 0.1889 | 0.0500 | 0.0500 | 0.7387 | 0.3839 | ||
| 0.0500 | 0.2034 | 2.2000 | 1.1085 | 0.8312 | 0.9342 | ||
| 1.4549 | 2.2000 | 0.6831 | 1.9451 | 0.5284 | 2.2000 | ||
| 0.0500 | 0.0500 | 2.0427 | 0.5276 | 1.4521 | 1.1862 | ||
| 96.9082 | 150.0000 | 119.8054 | 70.6688 | 63.8810 | 74.4698 | ||
| 101.3675 | 79.0033 | 85.6112 | 48.8753 | 110.7650 | 0.1000 | ||
| 0.6641 | 0.8500 | 0.7887 | 0.7203 | 0.4213 | 0.1000 | ||
| 0.1000 | 0.8500 | 0.5503 | 0.4230 | 0.7916 | 0.8500 | ||
| 0.1558 | 0.1000 | 0.2528 | 0.5132 | 0.7662 | 0.1586 |
| Controllers | Indices | ∆f1 | ∆f2 | ∆f3 | ∆f4 | ∆f5 | ∆ptie12 | ∆ptie23 | ∆ptie34 | ∆ptie45 | ∆ptie51 | ITAE |
|---|---|---|---|---|---|---|---|---|---|---|---|---|
| PSO-PID | −26.126 | −16.971 | −14.968 | −23.547 | −18.4469 | −22.409 | −2.5375 | −2.7180 | −4.5306 | −2.9223 | 3.8215 | |
| 12.3120 | 7.8034 | 5.5810 | 14.9843 | 9.8836 | 8.4502 | 5.6681 | 7.3895 | 6.2866 | 5.4693 | |||
| in sec | 20.1623 | 17.7537 | 16.0183 | 20.6279 | 17.9168 | 42.838 | 26.5491 | 26.8182 | 30.0018 | 30.1412 | ||
| SHO-PID | −26.134 | −17.180 | −15.245 | −23.659 | −18.6990 | −22.645 | −1.8188 | −2.0814 | −4.5360 | −2.9556 | 3.4664 | |
| 12.8190 | 8.6258 | 5.1715 | 15.5307 | 10.5826 | 5.7723 | 5.7534 | 7.5222 | 6.0164 | 5.5312 | |||
| in sec | 14.1857 | 14.7125 | 14.6414 | 14.7041 | 14.7585 | 31.931 | 18.6806 | 18.8061 | 20.3183 | 20.6083 | ||
| SHO-FOPID | −21.647 | −13.459 | −13.013 | −18.105 | −14.9512 | −18.929 | −0.9913 | −0.9913 | −0.7558 | −0.9500 | 2.7372 | |
| 2.3614 | 2.2189 | 2.2185 | 2.1347 | 2.2183 | 3.2429 | 3.2429 | 5.2966 | 4.5344 | 4.7235 | |||
| in sec | 11.5900 | 12.0200 | 12.0300 | 11.5300 | 11.9800 | 31.938 | 17.5385 | 17.5385 | 22.3385 | 18.3385 | ||
| SHO-FOPIDN-FOPDN | −20.938 | −13.416 | −13.005 | −17.598 | −15.8579 | −18.468 | −0.0880 | −0.1380 | −1.3762 | 0 | 0.7136 | |
| 0.6026 | 0.2743 | 0.2773 | 0.2524 | 0.2716 | 0.0343 | 5.2944 | 6.2322 | 4.4680 | 4.3739 | |||
| in s | 2.1935 | 2.7417 | 2.7417 | 2.1935 | 2.4787 | 11.042 | 6.9823 | 6.6650 | 11.7548 | 8.7749 |
| Parameter Variation in % | ∆f1 | ∆f2 | ∆f3 | ∆f4 | ∆f5 | |||||||||||
|---|---|---|---|---|---|---|---|---|---|---|---|---|---|---|---|---|
| Ush × 10−3 (Hz) | Osh × 10−3 (Hz) | Ts (s) | Ush × 10−3 (Hz) | Osh × 10−3 (Hz) | Ts (s) | Ush × 10−3 (Hz) | Osh × 10−3 (Hz) | Ts (s) | Ush × 10−3 (Hz) | Osh × 10−3 (Hz) | Ts (s) | Ush × 10−3 (Hz) | Osh × 10−3 (Hz) | Ts (s) | ||
| −20 | −20.8286 | 0.7267 | 2.6384 | −15.249 | 0.2985 | 3.1983 | −14.7044 | 0.3024 | 3.1983 | −19.4950 | 0.4253 | 3.0380 | −17.6143 | 0.2970 | 3.1182 | |
| −10 | −20.8726 | 0.7984 | 2.5341 | −14.248 | 0.2875 | 2.9472 | −13.7965 | 0.2911 | 2.9472 | −18.4848 | 0.2666 | 2.5980 | −16.6816 | 0.2847 | 2.8446 | |
| +10 | −20.9991 | 0.3231 | 1.5176 | −12.688 | 0.2580 | 2.5589 | −12.3125 | 0.2609 | 2.5589 | −16.8051 | 0.4785 | 2.1007 | −15.1245 | 0.2530 | 2.2357 | |
| +20 | −21.0618 | 1.6159 | 1.4269 | −12.067 | 0.2413 | 2.3863 | −11.6996 | 0.2439 | 2.4776 | −16.1019 | 1.4864 | 2.0827 | −14.4684 | 0.3658 | 2.1586 | |
| −20 | −21.0851 | 0.8645 | 1.6508 | −13.329 | 0.2370 | 2.5511 | −12.9019 | 0.2410 | 2.5511 | −17.6109 | 0.2263 | 2.1123 | −15.7778 | 0.2405 | 2.2519 | |
| −10 | −21.0034 | 0.7096 | 1.7651 | −13.377 | 0.2559 | 2.6491 | −12.9591 | 0.2590 | 2.6491 | −17.6041 | 0.2394 | 2.1889 | −15.8224 | 0.2577 | 2.3302 | |
| +10 | −20.8857 | 0.4975 | 2.3583 | −13.447 | 0.2861 | 2.7609 | −13.0403 | 0.2879 | 2.8601 | −17.5930 | 0.2653 | 2.2947 | −15.8862 | 0.2848 | 2.5819 | |
| +20 | −20.8418 | 0.4103 | 2.4673 | −13.474 | 0.3003 | 2.8339 | −13.0736 | 0.3024 | 2.9396 | −17.5892 | 0.2751 | 2.3336 | −15.9105 | 0.2957 | 2.6412 | |
| −20 | −23.8967 | 3.5333 | 2.4711 | −13.975 | 0.6453 | 2.5556 | −13.5270 | 0.5202 | 2.5556 | −18.7717 | 3.7212 | 4.5676 | −16.7940 | 1.8802 | 2.3318 | |
| −10 | −22.2790 | 0.3481 | 1.6126 | −13.667 | 0.2730 | 2.5864 | −13.2497 | 0.2756 | 2.6826 | −18.1363 | 1.2517 | 2.1867 | −16.2851 | 0.2741 | 2.3466 | |
| +10 | −19.8070 | 0.5482 | 2.3590 | −13.187 | 0.2749 | 2.8493 | −12.7760 | 0.2775 | 2.9484 | −17.1076 | 0.2551 | 2.6511 | −15.4528 | 0.2726 | 2.8493 | |
| +20 | −18.8337 | 0.3236 | 2.4080 | −12.988 | 0.2757 | 2.9282 | −12.5650 | 0.2780 | 2.9282 | −16.7056 | 0.2576 | 2.7369 | −15.1052 | 0.2737 | 2.8326 | |
| −20 | −18.8372 | 0.6852 | 2.6743 | −12.740 | 0.2742 | 2.9037 | −12.3515 | 0.2768 | 3.0020 | −16.6333 | 0.2520 | 2.3684 | −15.0252 | 0.2710 | 2.5978 | |
| −10 | −19.9218 | 0.6323 | 2.4114 | −13.107 | 0.2762 | 2.8040 | −12.7042 | 0.2789 | 2.8997 | −17.1481 | 0.2555 | 2.2629 | −15.4692 | 0.2739 | 2.5598 | |
| +10 | −21.8991 | 0.5875 | 2.0478 | −13.682 | 0.2712 | 2.6491 | −13.2644 | 0.2744 | 2.6491 | −18.0001 | 0.2484 | 2.1836 | −16.2025 | 0.2685 | 2.4018 | |
| +20 | −22.8108 | 0.5798 | 1.8858 | −13.912 | 0.2662 | 2.6287 | −13.4954 | 0.2694 | 2.6287 | −18.3579 | 0.2437 | 2.0832 | −16.5006 | 0.2643 | 2.3803 | |
| −20 | −23.1771 | 0.5269 | 1.8448 | −13.960 | 0.2606 | 2.5832 | −13.5291 | 0.2638 | 2.5832 | −18.4272 | 0.2386 | 2.1034 | −16.5669 | 0.2593 | 2.3341 | |
| −10 | −21.9693 | 0.5658 | 2.0440 | −13.678 | 0.2698 | 2.6544 | −13.2610 | 0.2730 | 2.6544 | −17.9949 | 0.2475 | 2.1810 | −16.1985 | 0.2675 | 2.4020 | |
| +10 | −20.0328 | 0.6484 | 2.4185 | −13.164 | 0.2732 | 2.7943 | −12.7558 | 0.2755 | 2.8926 | −17.2330 | 0.2539 | 2.2861 | −15.5422 | 0.2727 | 2.5509 | |
| +20 | −19.2569 | 0.7009 | 2.5931 | −12.924 | 0.2744 | 2.9193 | −12.5279 | 0.2769 | 2.9193 | −16.8946 | 0.2531 | 2.3641 | −15.2380 | 0.2722 | 2.5931 | |
| −20 | −20.9419 | 0.5990 | 2.1910 | −13.415 | 0.2735 | 2.7381 | −13.0038 | 0.2760 | 2.7381 | −17.5993 | 0.2540 | 2.1910 | −15.8593 | 0.2729 | 2.4764 | |
| −10 | −20.9398 | 0.5980 | 2.1993 | −13.416 | 0.2747 | 2.7502 | −13.0066 | 0.2775 | 2.7502 | −17.5973 | 0.2540 | 2.1993 | −15.8559 | 0.2730 | 2.4844 | |
| +10 | −20.9368 | 0.5979 | 2.1898 | −13.415 | 0.2741 | 2.7366 | −13.0031 | 0.2772 | 2.7366 | −17.5968 | 0.2514 | 2.1898 | −15.8580 | 0.2706 | 2.4753 | |
| +20 | −20.9349 | 0.6040 | 2.2535 | −13.413 | 0.2752 | 2.7258 | −12.9999 | 0.2780 | 2.8118 | −17.5943 | 0.2544 | 2.1820 | −15.8570 | 0.2734 | 2.4680 | |
| −20 | −20.9310 | 0.6104 | 2.2491 | −13.410 | 0.2876 | 2.7220 | −12.9981 | 0.2905 | 2.8153 | −17.5903 | 0.2666 | 2.2491 | −15.8540 | 0.2857 | 2.4638 | |
| −10 | −20.9353 | 0.5994 | 2.1892 | −13.002 | 0.2831 | 2.7357 | −12.9971 | 0.2903 | 2.8227 | −17.5954 | 0.2573 | 2.1892 | −15.8568 | 0.2765 | 2.4747 | |
| +10 | −20.9407 | 0.5979 | 2.1986 | −13.416 | 0.2693 | 2.7493 | −13.0072 | 0.2721 | 2.7493 | −17.5984 | 0.2487 | 2.1986 | −15.8571 | 0.2677 | 2.4838 | |
| +20 | −20.9433 | 0.5916 | 2.1896 | −13.416 | 0.2639 | 2.7361 | −13.0041 | 0.2670 | 2.7361 | −17.6005 | 0.2418 | 2.1896 | −15.8610 | 0.2609 | 2.4750 | |
| −20 | −20.944 | 0.6110 | 2.1935 | −13.421 | 0.2748 | 2.7419 | −13.0096 | 0.2775 | 2.7419 | −17.6037 | 0.2548 | 2.1935 | −15.8632 | 0.2738 | 2.4788 | |
| −10 | −20.9410 | 0.6069 | 2.1935 | −13.418 | 0.2747 | 2.7418 | −13.0073 | 0.2773 | 2.7418 | −17.6007 | 0.2546 | 2.1935 | −15.8604 | 0.2736 | 2.4788 | |
| +10 | −20.9363 | 0.5981 | 2.1935 | −13.414 | 0.2742 | 2.7417 | −13.0031 | 0.2769 | 2.7417 | −17.5957 | 0.2542 | 2.1935 | −15.8557 | 0.2731 | 2.4787 | |
| +20 | −20.9344 | 0.5937 | 2.1934 | −13.412 | 0.2739 | 2.7416 | −13.0014 | 0.2766 | 2.7416 | −17.5936 | 0.2539 | 2.1934 | −15.8537 | 0.2729 | 2.4787 | |
| Standard deviation | 0.0535 | 0.0278 | 0.3198 | 0.0264 | 0.0033 | 0.149 | 0.0249 | 0.0022 | 0.1565 | 0.0326 | 0.0328 | 0.4552 | 0.0290 | 0.0142 | 0.1952 | |
| Parameter Variation in % | ∆Ptie12 | ∆Ptie23 | ∆Ptie34 | ∆Ptie45 | ∆Ptie51 | |||||||||||
|---|---|---|---|---|---|---|---|---|---|---|---|---|---|---|---|---|
| Ush × 10−3 (Hz) | Osh × 10−3 (Hz) | Ts (s) | Ush × 10−3 (Hz) | Osh × 10−3 (Hz) | Ts (s) | Ush × 10−3 (Hz) | Osh × 10−3 (Hz) | Ts (s) | Ush × 10−3 (Hz) | Osh × 10−3 (Hz) | Ts (s) | Ush × 10−3 (Hz) | Osh × 10−3 (Hz) | Ts (s) | ||
| −20 | −17.5469 | 0.1832 | 6.2441 | −0.0736 | 4.8783 | 2.6384 | −0.1281 | 5.8105 | 2.7023 | −1.1957 | 4.6184 | 1.2604 | −0.0268 | 4.3445 | 1.4360 | |
| −10 | −18.0120 | 0.1819 | 6.1302 | −0.0816 | 5.0926 | 2.4702 | −0.1342 | 6.0304 | 2.5341 | −1.2702 | 4.5356 | 1.2524 | −0.0276 | 4.3539 | 1.4748 | |
| +10 | −18.9028 | 0.1799 | 5.9143 | −0.0921 | 5.4877 | 2.3032 | −0.1407 | 6.4189 | 2.3884 | −1.4917 | 4.4144 | 1.2357 | −0.0288 | 4.4009 | 1.5176 | |
| +20 | −19.3202 | 0.1790 | 5.7094 | −0.0956 | 5.6664 | 2.2345 | −0.1412 | 6.5931 | 2.3104 | −1.6271 | 4.3786 | 1.2694 | −0.0293 | 4.4421 | 1.4899 | |
| −20 | −18.6795 | 0.1828 | 5.9466 | −0.0699 | 5.3754 | 2.3217 | −0.1224 | 6.3609 | 2.3915 | −1.4586 | 4.4702 | 1.2650 | −0.0266 | 4.4000 | 1.4928 | |
| −10 | −18.5622 | 0.1819 | 6.0339 | −0.0769 | 5.3304 | 2.3302 | −0.1304 | 6.2895 | 2.4008 | −1.4127 | 4.4690 | 1.2624 | −0.0275 | 4.3889 | 1.4919 | |
| +10 | −18.3928 | 0.1802 | 5.9398 | −0.0979 | 5.2657 | 2.4220 | −0.1429 | 6.1855 | 2.5019 | −1.3452 | 4.4673 | 1.2577 | −0.0289 | 4.3618 | 1.4681 | |
| +20 | −18.3296 | 0.1796 | 6.0059 | −0.1057 | 5.2414 | 2.4005 | −0.1481 | 6.1459 | 2.4673 | −1.3135 | 4.4667 | 1.2581 | −0.0294 | 4.3518 | 1.4718 | |
| −20 | −19.3239 | 0.1803 | 5.9878 | −0.0835 | 5.5859 | 2.3318 | −0.1357 | 6.4976 | 2.4014 | −2.1239 | 4.4762 | 3.5621 | −0.0216 | 4.4883 | 1.6353 | |
| −10 | −18.8740 | 0.1807 | 5.8280 | −0.0856 | 5.4343 | 2.3466 | −0.1374 | 6.3596 | 2.4265 | −1.7135 | 4.4700 | 1.3436 | −0.0282 | 4.4242 | 1.5488 | |
| +10 | −18.1054 | 0.1812 | 6.0464 | −0.0896 | 5.1721 | 2.4227 | −0.1380 | 6.1163 | 2.4865 | −1.0959 | 4.4782 | 1.1791 | −0.0283 | 4.3325 | 1.4255 | |
| +20 | −17.7906 | 0.1813 | 5.8744 | −0.0906 | 5.0601 | 2.5175 | −0.1385 | 6.0090 | 2.5723 | −0.8688 | 4.4890 | 1.1398 | −0.0283 | 4.3034 | 1.3574 | |
| −20 | −18.1370 | 0.1810 | 5.9467 | −0.0934 | 5.0654 | 2.5214 | −0.1387 | 5.9379 | 2.6743 | −1.7496 | 4.5919 | 1.3883 | −0.0283 | 4.3887 | 1.6139 | |
| −10 | −18.3084 | 0.1808 | 5.9607 | −0.0910 | 5.1900 | 2.4856 | −0.1395 | 6.0969 | 2.5598 | −1.5483 | 4.5264 | 1.3296 | −0.0283 | 4.3798 | 1.5619 | |
| +10 | −18.6000 | 0.1808 | 5.9397 | −0.0852 | 5.3881 | 2.3193 | −0.1358 | 6.3483 | 2.4018 | −1.215 | 4.4163 | 1.1915 | −0.0282 | 4.3657 | 1.4431 | |
| +20 | −18.7181 | 0.1808 | 5.7847 | −0.0821 | 5.4675 | 2.2147 | −0.1319 | 6.4467 | 2.2975 | −1.0781 | 4.3729 | 1.1269 | −0.0282 | 4.3632 | 1.3797 | |
| −20 | −18.7159 | 0.1808 | 5.7230 | −0.0806 | 5.4810 | 2.1681 | −0.1302 | 6.4636 | 2.2511 | −0.9898 | 4.3432 | 1.1174 | −0.0282 | 4.3522 | 1.3682 | |
| −10 | −18.5873 | 0.1808 | 5.9085 | −0.0845 | 5.3867 | 2.3179 | −0.1347 | 6.3456 | 2.4020 | −1.1867 | 4.4072 | 1.1848 | −0.0282 | 4.3612 | 1.4359 | |
| +10 | −18.3547 | 0.1810 | 6.0270 | −0.0916 | 5.2090 | 2.4185 | −0.1391 | 6.1238 | 2.5509 | −1.5442 | 4.5264 | 1.3175 | −0.0283 | 4.3816 | 1.5238 | |
| +20 | −18.2446 | 0.1810 | 5.9759 | −0.0936 | 5.1285 | 2.5168 | −0.1394 | 6.0175 | 2.5931 | −1.7109 | 4.5777 | 1.3486 | −0.0283 | 4.3919 | 1.592 | |
| −20 | −18.4708 | 0.1813 | 5.8303 | −0.0883 | 5.2937 | 2.4050 | −0.1360 | 6.2323 | 2.4764 | −1.3784 | 4.4681 | 1.2575 | −0.0284 | 4.3743 | 1.4870 | |
| −10 | −18.4671 | 0.1812 | 5.8762 | −0.0880 | 5.2955 | 2.3418 | −0.1375 | 6.2308 | 2.4844 | −1.3751 | 4.4695 | 1.2659 | −0.0283 | 4.3743 | 1.4971 | |
| +10 | −18.4692 | 0.1807 | 5.8974 | −0.0875 | 5.2943 | 2.4039 | −0.1386 | 6.2328 | 2.4753 | −1.3764 | 4.4666 | 1.2556 | −0.0282 | 4.3733 | 1.4848 | |
| +20 | −18.4688 | 0.1807 | 5.8766 | −0.0881 | 5.2954 | 2.3965 | −0.1378 | 6.2330 | 2.4680 | −1.3767 | 4.4660 | 1.2510 | −0.0282 | 4.3727 | 1.4772 | |
| −20 | −18.4656 | 0.1750 | 5.8893 | −0.0934 | 5.2952 | 2.3922 | −0.1442 | 6.2322 | 2.4638 | −1.3745 | 4.4657 | 1.2491 | −0.0269 | 4.3718 | 1.4740 | |
| −10 | −18.4680 | 0.1779 | 5.8950 | −0.0900 | 5.2942 | 2.4033 | −0.1416 | 6.2325 | 2.4747 | −1.375 | 4.4661 | 1.2551 | −0.0276 | 4.3730 | 1.4840 | |
| +10 | −18.4684 | 0.1837 | 5.8743 | −0.0858 | 5.2957 | 2.3412 | −0.1347 | 6.2313 | 2.4838 | −1.3760 | 4.4696 | 1.2653 | −0.0289 | 4.3745 | 1.4963 | |
| +20 | −18.4729 | 0.1861 | 5.8927 | −0.0832 | 5.2945 | 2.4037 | −0.1331 | 6.2331 | 2.4750 | −1.3798 | 4.4679 | 1.2557 | −0.0294 | 4.3745 | 1.4848 | |
| −20 | −18.4751 | 0.1800 | 5.8542 | −0.0884 | 5.2962 | 2.4075 | −0.1371 | 6.2344 | 2.4788 | −1.3782 | 4.4692 | 1.2601 | −0.0280 | 4.3752 | 1.4900 | |
| −10 | −18.4718 | 0.1805 | 5.8535 | −0.0884 | 5.2953 | 2.4074 | −0.1370 | 6.2332 | 2.4788 | −1.3771 | 4.4686 | 1.2601 | −0.0282 | 4.3745 | 1.4901 | |
| +10 | −18.4663 | 0.1815 | 5.8513 | −0.0883 | 5.2937 | 2.4074 | −0.1368 | 6.2312 | 2.4787 | −1.3755 | 4.4676 | 1.2601 | −0.0284 | 4.3734 | 1.4901 | |
| +20 | −18.4640 | 0.1820 | 5.8502 | −0.0882 | 5.2930 | 2.4074 | −0.1366 | 6.2303 | 2.4787 | −1.375 | 4.4672 | 1.2601 | −0.0285 | 4.3729 | 1.4901 | |
| Standard deviation | 0.0176 | 8.9 × 10−5 | 0.1071 | 3.42 × 10−4 | 0.0078 | 0.0937 | 2.42 × 10−4 | 0.0083 | 0.0948 | 0.0118 | 0.0029 | 0.4126 | 6.66 × 10−5 | 0.0016 | 0.061 | |
Disclaimer/Publisher’s Note: The statements, opinions and data contained in all publications are solely those of the individual author(s) and contributor(s) and not of MDPI and/or the editor(s). MDPI and/or the editor(s) disclaim responsibility for any injury to people or property resulting from any ideas, methods, instructions or products referred to in the content. |
© 2023 by the authors. Licensee MDPI, Basel, Switzerland. This article is an open access article distributed under the terms and conditions of the Creative Commons Attribution (CC BY) license (https://creativecommons.org/licenses/by/4.0/).
Share and Cite
Jena, N.K.; Sahoo, S.; Sahu, B.K.; Naik, A.K.; Bajaj, M.; Misak, S.; Blazek, V.; Prokop, L. Impact of a Redox Flow Battery on the Frequency Stability of a Five-Area System Integrated with Renewable Sources. Energies 2023, 16, 5540. https://doi.org/10.3390/en16145540
Jena NK, Sahoo S, Sahu BK, Naik AK, Bajaj M, Misak S, Blazek V, Prokop L. Impact of a Redox Flow Battery on the Frequency Stability of a Five-Area System Integrated with Renewable Sources. Energies. 2023; 16(14):5540. https://doi.org/10.3390/en16145540
Chicago/Turabian StyleJena, Narendra Kumar, Subhadra Sahoo, Binod Kumar Sahu, Amiya Kumar Naik, Mohit Bajaj, Stanislav Misak, Vojtech Blazek, and Lukas Prokop. 2023. "Impact of a Redox Flow Battery on the Frequency Stability of a Five-Area System Integrated with Renewable Sources" Energies 16, no. 14: 5540. https://doi.org/10.3390/en16145540
APA StyleJena, N. K., Sahoo, S., Sahu, B. K., Naik, A. K., Bajaj, M., Misak, S., Blazek, V., & Prokop, L. (2023). Impact of a Redox Flow Battery on the Frequency Stability of a Five-Area System Integrated with Renewable Sources. Energies, 16(14), 5540. https://doi.org/10.3390/en16145540

