Microgrid Energy Management for Smart City Planning on Saint Martin’s Island in Bangladesh †
Abstract
1. Introduction
2. Literature Review
- ▪
- An IoT-driven smart city model is proposed on Saint Martin’s Island for improving the quality of life, economic competitiveness, and environmental sustainability.
- ▪
- The optimal configuration of a microgrid is selected to meet the growing load demand, focusing on the Sustainable Development Goal 7.
- ▪
- The transient performance of selected microgrid designs is compared and analyzed for various operating modes using PSCAD/EMTDC software.
3. Studied Microgrid Architecture
4. Microgrid HOMER Modeling
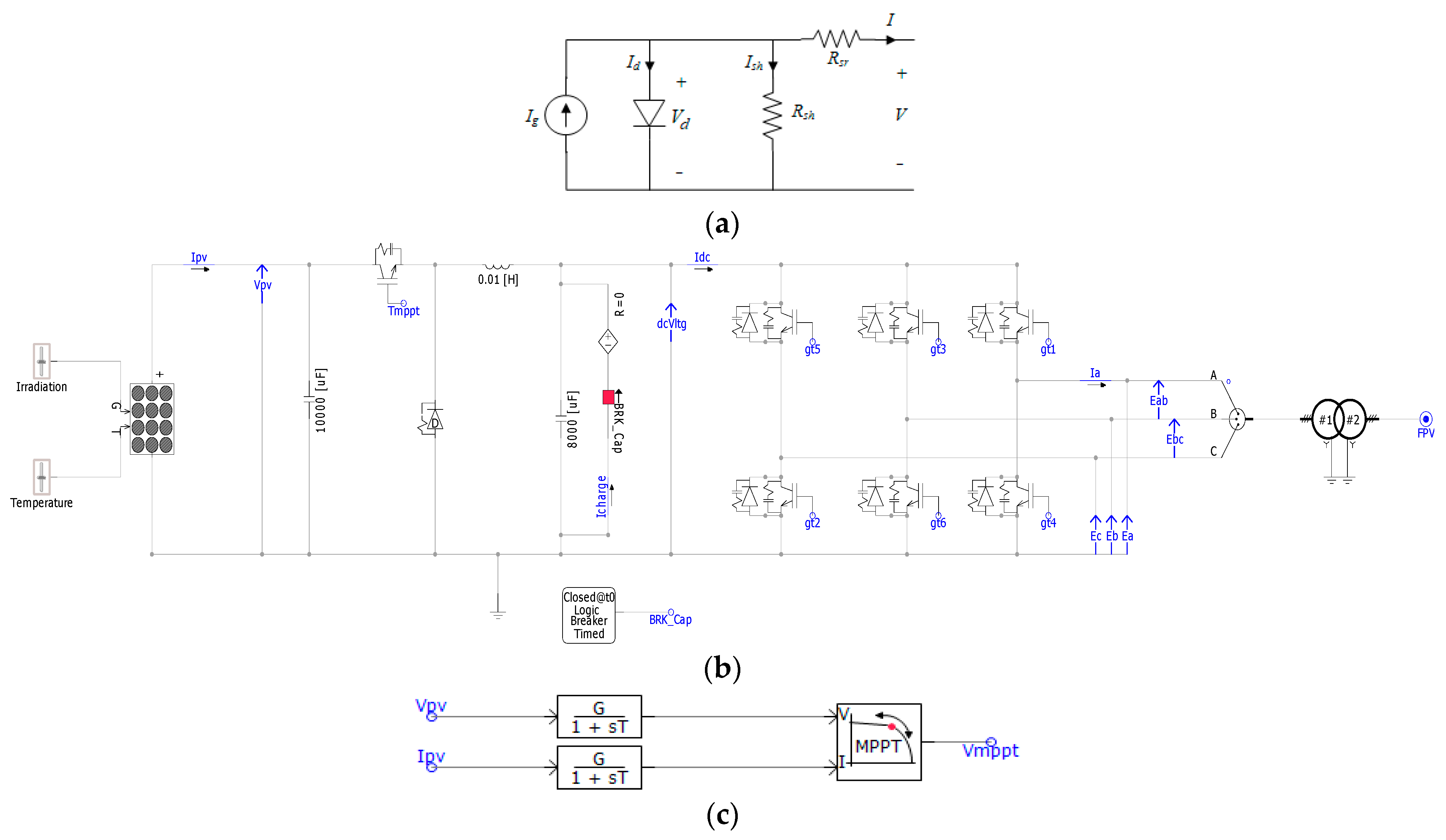
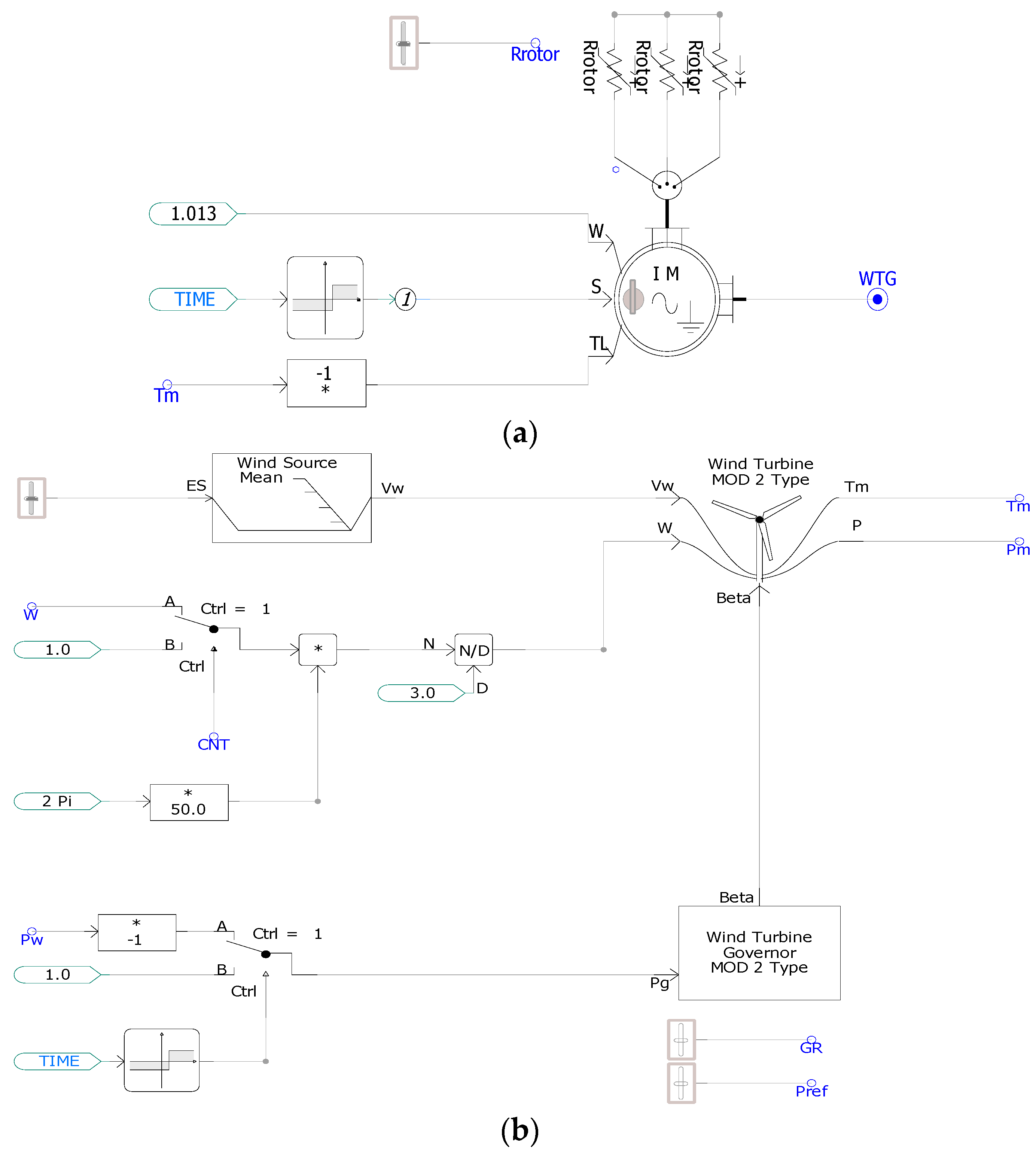
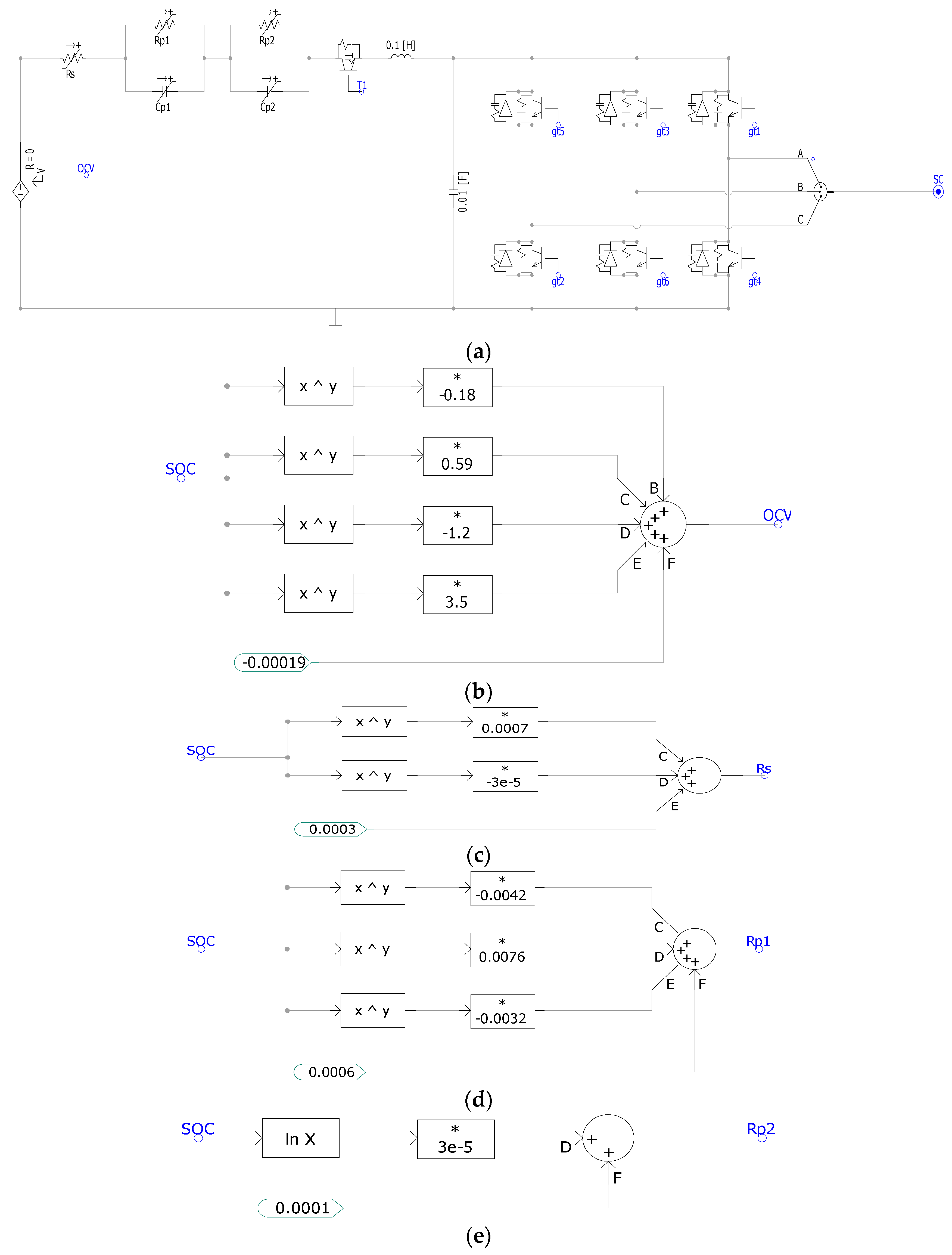
5. Microgrid PSCAD/EMTDC Modeling
6. Microgrid Load Estimation under Smart City Condition
7. Methodology
8. Results and Discussion
8.1. Smart City Model for Saint Martin
8.1.1. Criteria for Smart City Model in Saint Martin’s Island
8.1.2. IoT Oriented-Smart City
8.2. Microgrid Configuration Selection Based on SDG 7
- Case I: GPV/FPV/WTG/EWP/BDG/BDC/FLB: A 250 kWp ground PV system, 879 kWp floating PV system, 1500 kW eco wave power system, 100 kVA biodiesel generator, 964 kW bidirectional converter, and 8741 kWh capacity of first-life battery are used in this scenario. The wind turbine possesses the biggest capacity of all generators at 1890 kW. It also necessitates a large battery size. The energy cost is 0.2049 USD per kilowatt hour, and that is the second lowest. Each year, there are 562,618 kWh of capacity shortages and 4,766,681 kWh of excess electricity.
- Case II: GPV/FPV/WTG/EWP/BDG/BDC/SLB: The only real difference between this case and Case I is that it uses a second-hand battery with a marginally higher capacity of 8745 kWh. However, the energy cost is 0.2020 USD/kWh, which is the lowest of all the configurations studied. Because of the recycled battery, the operating and maintenance costs are higher than in Case I, reflecting a sustainable criterion. Battery power can last 5.52 h without any power generation, and 98.9% of the electricity is generated from renewable sources.
- Case III: GPV/FPV/WTG/EWP/BDG/BDC/SC: The optimal configuration in this case includes a 250 kWp ground PV, 155 kWp floating PV, 780 kW wind turbine, 3000 kW eco wave power, 100 kW biodiesel generator, 430 kW bi-directional converter, and 13.6 kWh supercapacitor. The storage capacity is lowered due to the use of supercapacitors, therefore eco wave power with a large capacity is preferred. Energy cost, capacity shortage and CO2 emissions are increased to 0.2347 USD/kWh, 566,340 kWh/yr and 1178 kg/yr, respectively, which again is relatively high compared to Case I and Case II. Additionally, it provides power for very little duration (approximately 0.00968 h) when no generators are producing any power.
- Case IV: GPV/FPV/WTG/EWP/BDC/FLB: In this setup, a first-life battery is combined with solely renewable energy sources. The converter size was also raised for increasing the capacity of the floating PV. Power generation from the bio-diesel generator is not permitted. As a result, 100% of the energy comes from renewable sources with zero emissions. It ranks fourth among six configurations in terms of electricity costs. The installed wind capacity reaches a fairly high-level of 2080 kW, whereas 5.32 h are required for battery autonomy.
- Case V: GPV/FPV/WTG/EWP/BDC/SLB: In this instance, a large-size, second-hand battery with an 8970-kWh capacity is used. The storage autonomy rises to 5.66 h as a result. The annual capacity shortage fraction falls to 562,338 kWh. With no emissions, it can deliver electricity for the third-lowest price of 0.2069 USD per kWh.
- Case VI: GPV/FPV/WTG/EWP/BDC/SC: In this circumstance, a 15.5 kWh supercapacitor with 3000 kW eco wave power is utilized. In addition, the size of the bidirectional converter and floating PV has been lowered. The electricity cost is 0.2483 USD/kWh, which is the highest of any options. In addition, there is a significant amount of extra electricity and a high capital cost. It cannot be implemented as a cost-effective microgrid due to its high energy costs. The battery’s autonomy is very limited in terms of hours. The supercapacitor is actually largely used for quick energy exchange during power outages.
| Case | Microgrid Configurations | Component Size | ||||||||
|---|---|---|---|---|---|---|---|---|---|---|
| GPV (kWp) | FPV (kWp) | WTG (kW) | EWP (kW) | BDG (kVA) | BDC (kW) | FLB (kWh) | SLB (kWh) | SC (kWh) | ||
| Case I | GPV/FPV/WTG/EWP/BDG/BDC/FLB | 250 | 879 | 1890 | 1500 | 100 | 964 | 8741 | — | — |
| Case II | GPV/FPV/WTG/EWP/BDG/BDC/SLB | 250 | 879 | 1890 | 1500 | 100 | 964 | — | 8745 | — |
| Case III | GPV/FPV/WTG/EWP/BDG/BDC/SC | 250 | 155 | 780 | 3000 | 100 | 430 | — | — | 13.6 |
| Case IV | GPV/FPV/WTG/EWP/BDC/FLB | 250 | 1116 | 2080 | 1500 | — | 1127 | 8437 | — | — |
| Case V | GPV/FPV/WTG/EWP/BDC/SLB | 250 | 1316 | 1780 | 1500 | — | 1083 | — | 8970 | — |
| Case VI | GPV/FPV/WTG/EWP/BDC/SC | 250 | 320 | 1580 | 3000 | — | 440 | — | — | 15.5 |
| SDG 7 Criteria | MG | Target | Case I | Case II | Case III | Case IV | Case V | Case VI |
|---|---|---|---|---|---|---|---|---|
| Affordable | COE (USD/kWh) | Low | 0.2049 | 0.2020 | 0.2347 | 0.2100 | 0.2069 | 0.2483 |
| NPC (USD) | Low | 27,272,070 | 26,879,270 | 31,223,570 | 27,941,700 | 27,540,480 | 33,037,880 | |
| Initial investment (USD) | Low | 19,399,935 | 19,098,535 | 19,875,728 | 20,457,686 | 20,041,207 | 22,290,388 | |
| O & M cost | Low | 5,917,730 | 5,976,528 | 691,214 | 6,040,612 | 6,154,677 | 10,762,192 | |
| Reliable | Continuous power supply (h) | High | 5.51 | 5.52 | 0.00968 | 5.32 | 5.66 | 0.0110 |
| Excess electricity (kWh/y) | High | 4,766,681 | 4,766,473 | 4,914,551 | 5,847,954 | 4,929,410 | 8,347,673 | |
| Capacity shortage (kWh/y) | Low | 562,618 | 562,474 | 566,340 | 564,564 | 562,338 | 565,070 | |
| Sustainable | CO2 emissions (kg/yr) | Low | 760 | 759 | 1178 | 0 | 0 | 0 |
| Renewable fraction (%) | High | 98.9 | 98.9 | 98.3 | 100 | 100 | 100 | |
| MGs | Yes | Yes | Yes | Yes | Yes | Yes | Yes | |
| Battery recycles | Yes | No | Yes | No | No | Yes | No | |
| Modern | Hybrid resources | High | High | High | High | Medium | Medium | Medium |
| Community MGs | √ | √ | √ | √ | √ | √ | √ |
8.3. Microgrid PSCAD/EMTDC Simulation
8.3.1. Microgrid Simulation with First-Life Battery
- Scenario 1: Three Phase to Ground Fault in the Eco Wave Power at t =25 s.
- Scenario 2: Outage of Wind Turbine Generator at t = 25 s.
8.3.2. Microgrid Simulation with Second-Life Battery
- Scenario 1: Short Circuit in the Eco Wave Power at t = 20 s.
- Scenario 2: Sudden Drop of Load from 3000 kW to 2800 kW at t = 20 s.
8.3.3. Microgrid Simulation with Supercapacitor
- Scenario 1: Three-Phase-to-Ground Fault in Eco Wave Power at t = 10 s.
- Scenario 2: Outages of Eco Wave Power (without SC and Solar) at t = 10 s.
- Scenario 3: Outage of Eco Wave Power (with SC and Solar) at t = 10 s.
- Scenario 4: Single-Line-to-Ground (L-G) Fault in Wind Turbine at t = 25 s.
- Scenario 5: Outages of Wind Turbine Generator at t = 25 s.
9. Conclusions
- The seven essential criteria for being a smart city include smart energy, smart economy, smart tourism, smart environment, smart community, smart governance, and smart mobility. An island region needs to improve and rebuild its physical and communication infrastructure, including the Internet of things.
- Three renewable energy sources—solar, wind, and wave—can supply the electricity needed for the island to operate as a smart city. The bio-diesel generator can only be used as a backup power source when the storage system releases all of its energy.
- The best configuration to meet the requirements of Sustainable Development Goal 7 is a microgrid that consists of GPV, FPV, WTG, EWP, BDG, and SLB. The price of electricity is USD0.202 per kWh, which is reasonable, and electricity emits less carbon dioxide. Recycling second-hand batteries will lead to less pollution and ultimately less waste.
- The supercapacitor-incorporated microgrid causes high energy costs, which is a burden for the islanders. However, it requires less storage space.
- The performance of a supercapacitor is superior compared to first- and second-life batteries for stabilizing the microgrid. It responds quickly to mitigate microgrid disturbances. However, the frequency and voltage deviation characteristics of second-life batteries are still within acceptable limits and can satisfy the requirements of SDG 7 for reliable storage.
Author Contributions
Funding
Data Availability Statement
Conflicts of Interest
Abbreviations
| GPV | Ground Photovoltaic |
| FPV | Floating Photovoltaic |
| WTG | Wind Turbine Generator |
| BDG | Bio-Diesel Generator |
| EWP | Eco Wave Power |
| BDC | Bidirectional Converter |
| FLB | First-life Battery |
| SLB | Second-life Battery |
| SC | Supercapacitor |
| SDG 7 | Sustainable Development Goal 7 |
| PSCAD | Power Systems Computer Aided Design |
| EMTDC | Electromagnetic Transient including Direct Current |
| IoT | Internet of Things |
Appendix A
| SI | Month | Solar Data | Wind Speed (m/s) | Sea States at Depth 13.3 m and Distance from Island 5 km | ||
|---|---|---|---|---|---|---|
| Average Isolation (kWh/m2/Day) | Clearness Index | Wave Height (m) | Wave Period (s) | |||
| 1. | January | 5.04 | 0.611 | 3.83 | 0.590 | 2.796 |
| 2. | February | 5.56 | 0.616 | 3.97 | 0.766 | 3.343 |
| 3. | March | 6.16 | 0.605 | 4.17 | 0.933 | 3.769 |
| 4. | April | 6.41 | 0.552 | 4.29 | 1.429 | 4.448 |
| 5. | May | 5.48 | 0.528 | 4.55 | 1.584 | 4.967 |
| 6. | June | 5.47 | 0.390 | 7.33 | 1.801 | 5.398 |
| 7. | July | 3.54 | 0.362 | 7.43 | 1.861 | 5.293 |
| 8. | August | 3.60 | 0.403 | 6.60 | 1.694 | 5.276 |
| 9. | September | 4.27 | 0.417 | 4.74 | 1.535 | 5.225 |
| 10. | October | 4.73 | 0.574 | 3.82 | 1.307 | 4.771 |
| 11. | November | 4.57 | 0.596 | 3.79 | 1.211 | 4.225 |
| 12. | December | 4.74 | 0.648 | 3.63 | 0.907 | 3.318 |
| Average | 4.84 | 0.525 | 4.85 | 1.302 | 4.402 | |
| Wave Period, Te (s) | ||||||||
|---|---|---|---|---|---|---|---|---|
| 1 | 2 | 3 | 4 | 5 | 6 | 7 | ||
| Wave height Hs (m) | 0.5 | 0 | 0 | 0 | 5 | 10 | 20 | 15 |
| 1 | 0 | 0 | 0 | 12 | 20 | 30 | 25 | |
| 1.5 | 0 | 0 | 15 | 30 | 40 | 50 | 40 | |
| 2 | 0 | 0 | 20 | 50 | 55 | 70 | 50 | |
| 2.5 | 0 | 0 | 30 | 65 | 70 | 80 | 70 | |
| 3 | 0 | 0 | 60 | 70 | 90 | 100 | 90 | |
| 3.5 | 0 | 10 | 70 | 90 | 100 | 100 | 100 | |
| 4 | 0 | 15 | 80 | 100 | 100 | 100 | 100 | |
| SI | Component Name | Capital Cost | Replacement Cost | Operation and Maintenance Cost | Lifetime | ||||
|---|---|---|---|---|---|---|---|---|---|
| Value | Unit | Value | Unit | Value | Unit | Value | Unit | ||
| 1. | Ground photovoltaic | 2000 | $/kW | 1340 | $/kW | 26 | $/kW/year | 25 | years |
| 2. | Floating photovoltaic | 2500 | $/kW | 1675 | $/kW | 32.5 | $/kW/year | 25 | years |
| 3. | Wind turbine generator | 2500 | $/kW | 1750 | $/kW | 75 | $/kW/year | 20 | years |
| 4. | Eco wave power | 5480 | $/kW | 4384 | $/kW | 274 | $/kW/year | 20 | years |
| 5. | Bio-diesel generator | 370 | $/kW | 296 | $/kW | 0.05 | $/hours | 1500 | hours |
| 6. | Bidirectional converter | 800 | $/kW | 750 | $/kW | 5 | $/kW | 15 | years |
| 7. | First-life battery | 3800 | $/Qty | 3040 | $/Qty | 5 | $/kW/year | 10 | years |
| 8. | Second-life battery | 3100 | $/Qty | 2480 | S/Qty | 10 | $/kW/year | 10 | years |
| 9. | Supercapacitor | 60 | $/Qty | 45 | $/Qty | 0 | $/Qty/year | 30 | years |
References
- Mazumder, P.; Jamil, M.H.; Das, C.K.; Matin, M.A. Hybrid energy optimization: An ultimate solution to the power crisis of St. Martin Island, Bangladesh. In Proceedings of the 9th International Forum on Strategic Technology, Cox’s Bazar, Bangladesh, 21–23 October 2014; pp. 363–368. [Google Scholar] [CrossRef]
- Mousumi, S.U.; Asaduzzaman, M.; Abu Zardar, M.; Ziaul, I.K. Techno-Economic Evaluation of Hybrid Supply System for Sustainable Powering the Saint Martin Island in Bangladesh. J. Energy Technol. 2021, 1, 9–23. [Google Scholar] [CrossRef]
- Amin, M.R.; Roy, R.B.; Hasan, M.M. Modeling and Optimization of Decentralized Microgrid System for St. Martin’s Island in Bangladesh. Int. J. Energy Inf. Commun. 2014, 5, 1–12. [Google Scholar] [CrossRef]
- Masrur, H.; Howlader, H.O.R.; Lotfy, M.E.; Khan, K.R.; Guerrero, J.M.; Senjyu, T. Analysis of techno-economic-environmental suitability of an isolated microgrid system located in a remote island of Bangladesh. Sustainability 2020, 12, 2880. [Google Scholar] [CrossRef]
- Siddiqui, M.S.I.; Ahasan, A.; Islam, N.; Kundu, P.; Munshi, M.N.; Chowdhury, E.H. Peste des Petits Ruminants (PPR) virus antibodies in goats and cattle of the Saint Martin’s Island in Bangladesh. Bangladesh Vet. 2014, 31, 55–59. [Google Scholar] [CrossRef]
- Shahriar, T.; Habib, M.A.; Hasanuzzaman, M.; Shahrear-Bin-Zaman, M. Modelling and optimization of Searaser wave energy converter based hydroelectric power generation for Saint Martin’s Island in Bangladesh. Ocean. Eng. 2019, 192, 106289. [Google Scholar] [CrossRef]
- Roy, S.; Rhaman, M.M. Hybrid Solar Power Plant in Saint Martin’s Island can Enlarge Tourist Attraction in Bangladesh. Int. J. Eng. Manuf. 2016, 3, 12–22. [Google Scholar] [CrossRef]
- Jaman, S. Techno-Economic Analysis of a Solar PV-Fuel cell based hybrid energy system for St. Martin Island Using HOMER. SEU J. Sci. Eng. 2018, 12, 30–38. [Google Scholar]
- Islam, A.K.M.S.; Rahmana, M.M.; Mondal, M.A.H.; Alam, F. Hybrid energy system for St. Martin Island, Bangladesh: An optimized model, International Energy Congress. Procedia Eng. 2012, 49, 179–188. [Google Scholar] [CrossRef]
- Zaman, M.A.; Ongsakul, W. Hybrid Microgrid Optimization for Smart City Planning on Saint Martin’s Island in Bangladesh. In Proceedings of the International Conference and Utility Exhibition, Pattaya, Thailand, 26–28 October 2022; pp. 1–16. [Google Scholar] [CrossRef]
- Hossain, A.A. Design and Economic Analysis of PV-Biogas-Diesel Generator Hybrid System for St. Martin’s Island. Master’s Thesis, BUET, Dhaka, Bangladesh, 2015. Available online: http://lib.buet.ac.bd:8080/xmlui/handle/123456789/4429 (accessed on 10 January 2023).
- Karim, M.M.; Noman, A.T.; Imran, M.Z.A.; Zaman, M.A.U.; Rashid, H.; Al Mamun, K.A. Feasibility Analysis and A Proposal For 1.3 MW Hybrid Renewable Power Plant for Saint-Martins Island Using HOMER. In Proceedings of the International Conference on Electrical, Computer and Communication Engineering, West Bengal, India, 18–19 January 2019. [Google Scholar] [CrossRef]
- Kumar, N.M.; Goel, S.; Mallick, P.K. Smart cities in India: Features, policies, current status, and challenges. In Proceedings of the 2018 IEEE Technologies for Smart-City Energy Security and Power, Bhubaneswar, India, 28–30 March 2018; pp. 1–4. [Google Scholar] [CrossRef]
- Anand, P.B.; Navío-Marco, J. Governance and economics of smart cities: Opportunities and challenges. Telecomm. Policy 2018, 42, 795–799. Available online: https://bradscholars.brad.ac.uk/handle/10454/16654 (accessed on 13 January 2023). [CrossRef]
- Calvillo, C.F.; Sánchez-Miralles, A.; Villar, J. Energy management and planning in smart cities. Renew. Sustain. Energy Rev. 2016, 55, 273–287. [Google Scholar] [CrossRef]
- Bracco, S.; Delfino, F.; Laiolo, P.; Pagnini, L.; Piazza, G. Evaluating LCOE in sustainable microgrids for smart city applications. In Proceedings of the E3S Web of Conferences 113, Savona, Italy, 4–6 September 2019; Volume 19, pp. 1–6. [Google Scholar] [CrossRef]
- Suhasfan, P.; Setiawan, E.A. The optimum simulation analysis of sustainable microgrid electricity system based on hybrid power plant on Tunda island, Banten province. J. Res. Soc. Sci. Econ. Manag. 2022, 1, 931–937. [Google Scholar] [CrossRef]
- Callejo, L.H.; Monge, O.I.; Obregón, L.J. Electric Microgrid in Smart Cities: CEDER-CIEMAT a Case Study. Smart Cities, Communications in Computer and Information. Science 2019, 1152, 176–184. [Google Scholar]
- Silva, B.N.; Khan, M.; Jung, C.; Seo, J.; Yoon, Y.; Kim, J. Planning of smart cities: Performance improvement using big data analytics approach. In Proceedings of the Fourth International Conference on Advances in Computing, Electronics and Communication Institute of Research Engineers and Doctors, Rome, Italy, 15–16 December 2016; pp. 51–55. Available online: https://www.seekdl.org/conferences/get/paper/8432.html (accessed on 18 January 2023).
- Silva, B.N.; Khan, M.; Han, K. Futuristic Sustainable Energy Management in Smart Environments: A Review of Peak Load Shaving and Demand Response Strategies, Challenges, and Opportunities. Sustainability 2020, 12, 5561. [Google Scholar] [CrossRef]
- Szum, K. IoT-based smart cities: A bibliometric analysis and literature review. Eng. Manag. Prod. Serv. 2021, 13, 115–136. [Google Scholar] [CrossRef]
- Hoang, A.T.; Pham, V.V.; Nguyen, X.P. Integrating renewable sources into energy system for smart city as a sagacious strategy towards clean and sustainable process. J. Clean. Prod. 2021, 305, 127161. [Google Scholar] [CrossRef]
- Thellufsen, J.Z.; Lund, H.; Sorknæs, P.; Østergaard, P.A.; Chang, M.; Drysdale, D.; Nielsen, S.; Djørup, S.R.; Sperling, K. Smart energy cities in a 100% renewable energy context. Renew. Sustain. Energy Rev. 2020, 129, 109922. [Google Scholar] [CrossRef]
- Das, B.K.; Hassan, R.; Tushar, M.S.H.K.; Zaman, F.; Hasan, M.; Das, P. Techno-economic and environmental assessment of a hybrid renewable energy system using multi-objective genetic algorithm: A case study for remote Island in Bangladesh. Energy Convers. Manag. 2021, 230, 113823. [Google Scholar] [CrossRef]
- Available online: www.sdgs.un.org (accessed on 12 January 2023).
- Hubble, A.H.; Ustun, T.S. Composition, placement, and economics of rural microgrids for ensuring sustainable development. Sustain. Energy Grids Netw. 2018, 13, 1–18. [Google Scholar] [CrossRef]
- Available online: www.pscad.com (accessed on 9 January 2023).
- Barcelos, S.L.; de Matos, J.G.; de Souza Ribeiro, L.A. Modelling and Analysis of the Isolated Microgrid Installed at the Lençóis Island using PSCAD/EMTDC. In Proceedings of the 15th Brazilian Power Electronics Conference and 5th IEEE Southern Power Electronics Conference, Santos, Brazil, 1–4 December 2019. [Google Scholar] [CrossRef]
- Kyle, H. PSCAD Modeling and Stability Analysis of a Microgrid. Master’s Thesis, California Polytechnic State University, San Luis Obispo, CA, USA, 2017. Available online: https://digitalcommons.calpoly.edu/theses/1928/ (accessed on 21 January 2023).
- Nguyen, T.A.; Qiu, X.; Gamage, T.T.; Crow, M.L.; Mcmillin, B.M.; Elmore, A.C. Microgrid Application with Computer Models and Power Management Integrated Using PSCAD/EMTDC. In Proceedings of the North American Power Symposium, Boston, MA, USA, 4–6 August 2011. [Google Scholar] [CrossRef]
- Mandal, S.; Das, B.K.; Hoque, N. Optimum sizing of a stand-alone hybrid energy system for rural electrification in Bangladesh. J. Clean. Prod. 2018, 200, 12–27. [Google Scholar] [CrossRef]
- Nurunnabi, M.; Roy, N.K.; Hossain, E.; Pota, H.R. Size optimization and sensitivity analysis of hybrid wind/PV micro-grids—A case study for Bangladesh. IEEE Access 2019, 7, 150120–150140. [Google Scholar] [CrossRef]
- Available online: https://www.homerenergy.com/ (accessed on 14 January 2023).
- Curto, D.; Franzitta, V.; Guercio, A. Sea wave energy. A review of the current technologies and perspectives. Energies 2021, 14, 6604. [Google Scholar] [CrossRef]
- Cascajo, R.; García, E.; Quiles, E.; Morant, F.; Correcher, A. Wave energy assessment at valencia gulf and comparison of energy production of most suitable wave energy converters. Int. J. Environ. Res. Public Health 2020, 17, 8473. [Google Scholar] [CrossRef] [PubMed]
- Available online: www.ecowavepower.com (accessed on 17 January 2023).
- Chowdhury, T.; Chowdhury, H.; Hasan, S.; Rahman, M.S.; Bhuiya, M.M.K.; Chowdhury, P. Design of a stand-alone energy hybrid system for a makeshift health care center: A case study. J. Build. Eng. 2021, 40, 102346. [Google Scholar] [CrossRef]
- Das, M.; Islam, M.R.; Shazeeb, T.I. Analysis of Wave Energy Resources Around the Saint Martin Island in Bangladesh. J. Mar. Sci. Appl. 2021, 20, 248–267. [Google Scholar] [CrossRef]
- Gorjian, S.; Sharon, H.; Ebadi, H.; Kant, K.; Scavo, F.B.; Tina, G.M. Recent technical advancements, economics and environmental impacts of floating photovoltaic solar energy conversion systems. Elsevier Ltd. J. Clean. Prod. 2021, 278, 124285. [Google Scholar] [CrossRef]
- Arevalo, P.; Cano, A.; Benavides, J.; Jurado, F. Feasibility study of a renewable system (PV/HKT/GB) for hybrid tramway based on fuel cell and super capacitor. IET Renew. Power Gener. 2021, 15, 491–503. [Google Scholar] [CrossRef]
- Simões, M.G.; Palle, B.; Chakraborty, S.; Uriarte, C. Electrical Model Development and Validation for Distributed Resources. 2007. Available online: http://www.osti.gov/bridge (accessed on 13 January 2023).
- Yao, L.W.; Aziz, J.A. High capacity LiFePo 4 battery model with consideration of nonlinear capacity effects. In Proceedings of the 2012 IEEE 7th International Power Electronics and Motion Control Conference—ECCE Asia, Harbin, China, 2–5 June 2012; Volume 1, pp. 182–187. [Google Scholar] [CrossRef]
- Tong, S.J.; Same, A.; Kootstra, M.A.; Park, J.W. Off-grid photovoltaic vehicle charge using second life lithium batteries: An experimental and numerical investigation. Appl. Energy 2013, 104, 740–750. [Google Scholar] [CrossRef]
- Parvini, Y.; Siegel, J.B.; Stefanopoulou, A.G.; Vahidi, A. Supercapacitor Electrical and Thermal Modeling, Identification, and Validation for a Wide Range of Temperature and Power Applications. IEEE Trans. Ind. Electron. 2016, 63, 1574–1585. [Google Scholar] [CrossRef]
- Zhang, L. Modelling and State-of-Charge Estimation for Ultracapacitors in Electric Vehicles. Ph.D. Thesis, UTS, Singapore, 2016. Available online: https://opus.lib.uts.edu.au (accessed on 20 March 2023).
- Prasanthi, A.; Shareef, H.; Asna, M.; Asrul Ibrahim, A.; Errouissi, R. Optimization of hybrid energy systems and adaptive energy management for hybrid electric vehicles. Energy Convers. Manag. 2021, 243, 114357. [Google Scholar] [CrossRef]
- Shoeb, M.A.; Shaflluah, G.M. Renewable energy integrated islanded microgrid for sustainable irrigation: A Bangladesh perspective. Energies 2018, 11, 1283. [Google Scholar] [CrossRef]
- Rahman, M.M.; Hettiwatte, S.; Shafiullah, G.M.; Arefi, A. An analysis of the time of use electricity price in the residential sector of Bangladesh. Energy Strategy Rev. 2017, 18, 183–198. [Google Scholar] [CrossRef]
- Nandi, S.K.; Ghosh, H.R. A wind PV-battery hybrid power system at Sitakunda in Bangladesh. Energy Policy 2009, 37, 3659–3664. [Google Scholar] [CrossRef]
- Chowdhury, S.A.; Aziz, S.; Groh, S.; Kirchhoff, H.; Filho, W.L. Off-grid rural area electrification through solar-diesel hybrid minigrids in Bangladesh: Resource effcient design principles in practice. J. Cleaner Prod. 2015, 95, 194–202. [Google Scholar] [CrossRef]
- ESMAP. Mini-Grids in Bangladesh: A Case Study of An Incipient Market; World Bank: Washington, DC, USA, 2017; Available online: https://documents.worldbank.org/en/publication/documents-reports/documentdetail/669331512390210193/mini-grids-in-bangladesh-a-case-study-of-an-incipient-market (accessed on 24 January 2023).
- Collen, Z. A study into the techno-economic feasibility of photovoltaic and wind generated electricity for enhancement of sustainable livelihoods on Likoma Island in Malawi. Ph.D. Thesis, Loughborough University, Loughborough, UK, 2015. Available online: https://dspace.lboro.ac.uk/2134/16630 (accessed on 20 March 2023).
- Esfandyari, A.; Norton, B.; Conlon, M.; McCormack, S.J. Performance of a campus photovoltaic electric vehicle charging station in a temperate climate. Sol. Energy 2019, 177, 762–771. [Google Scholar] [CrossRef]



































Disclaimer/Publisher’s Note: The statements, opinions and data contained in all publications are solely those of the individual author(s) and contributor(s) and not of MDPI and/or the editor(s). MDPI and/or the editor(s) disclaim responsibility for any injury to people or property resulting from any ideas, methods, instructions or products referred to in the content. |
© 2023 by the authors. Licensee MDPI, Basel, Switzerland. This article is an open access article distributed under the terms and conditions of the Creative Commons Attribution (CC BY) license (https://creativecommons.org/licenses/by/4.0/).
Share and Cite
Asaduz-Zaman, M.; Ongsakul, W.; Hossain, M.J. Microgrid Energy Management for Smart City Planning on Saint Martin’s Island in Bangladesh. Energies 2023, 16, 4088. https://doi.org/10.3390/en16104088
Asaduz-Zaman M, Ongsakul W, Hossain MJ. Microgrid Energy Management for Smart City Planning on Saint Martin’s Island in Bangladesh. Energies. 2023; 16(10):4088. https://doi.org/10.3390/en16104088
Chicago/Turabian StyleAsaduz-Zaman, Md., Weerakorn Ongsakul, and M. J. Hossain. 2023. "Microgrid Energy Management for Smart City Planning on Saint Martin’s Island in Bangladesh" Energies 16, no. 10: 4088. https://doi.org/10.3390/en16104088
APA StyleAsaduz-Zaman, M., Ongsakul, W., & Hossain, M. J. (2023). Microgrid Energy Management for Smart City Planning on Saint Martin’s Island in Bangladesh. Energies, 16(10), 4088. https://doi.org/10.3390/en16104088

