Voltage Stability Assessment of AC/DC Hybrid Microgrid
Abstract
1. Introduction
- (1)
- This manuscript investigates the modeling of AC/DC hybrid microgrids with different types of power electronic devices and power generation, including a traditional power generator, a battery energy storage system (BESS), and PV generation.
- (2)
- The power converters are modeled using the circuit averaging method, which greatly reduces the runtime of software simulation.
- (3)
- We discuss the stability of AC/DC hybrid microgrids when a fault or disturbance happens. The voltage nadir is examined to evaluate the transient stability of the microgrid.
- (4)
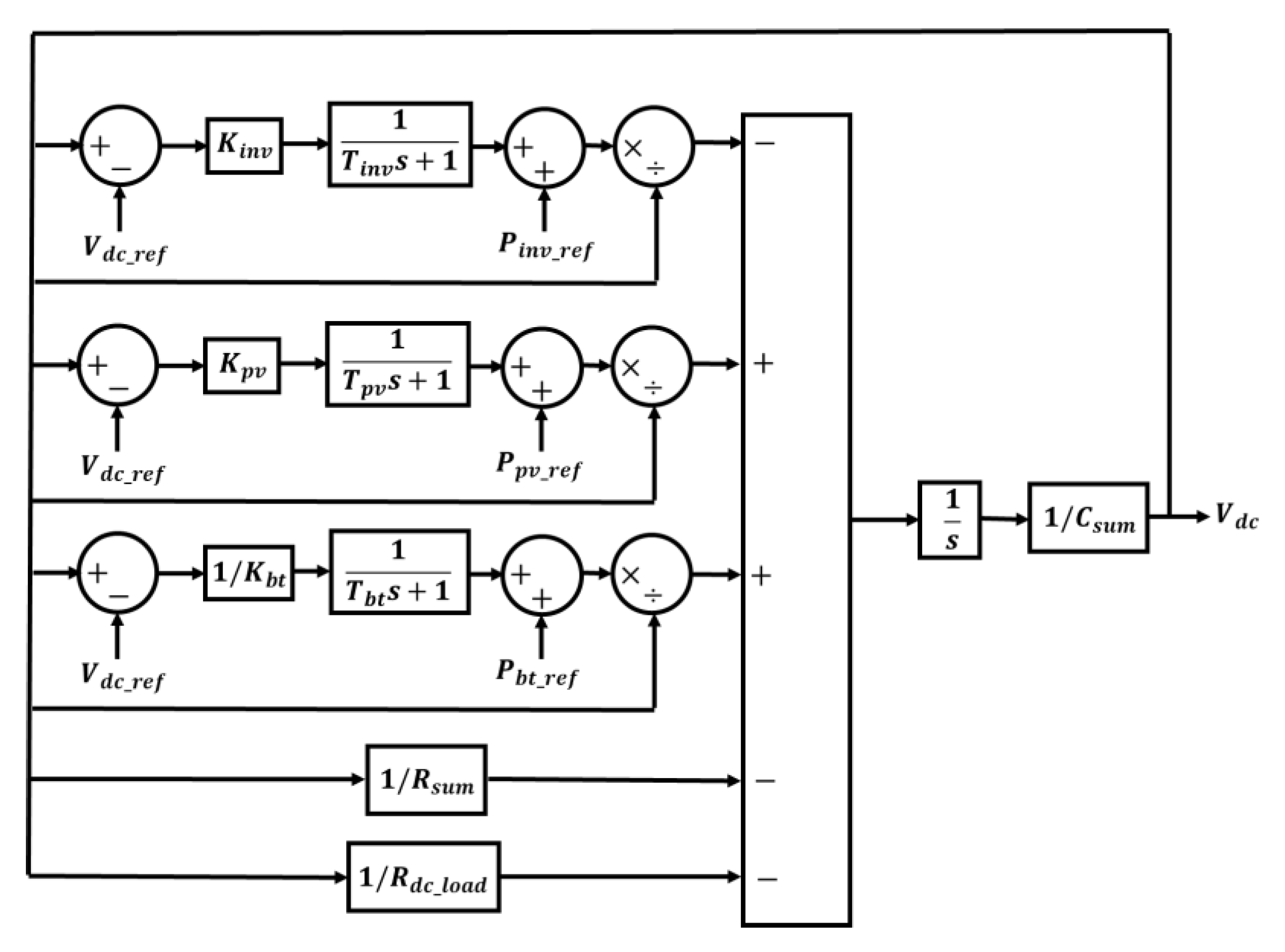
- Droop control is adopted to regulate the power flow and alleviate voltage instability. We formulate an equivalent control diagram to develop sensitivity analysis instead of using the original microgrid simulation.
2. Materials and Methods
2.1. A Typical Architecture of an AC/DC Hybrid Microgrid
2.2. The Operation of an AC/DC Microgrid
- (1)
- Start the BESS integrated with a grid-forming converter, which support the bus voltage at the main bus of the DC microgrid.
- (2)
- Launch the PV system integrated with a grid-following converter. It follows the bus voltage regulated by the BESS and can track the maximum power point if needed.
- (3)
- When the DC microgrid is in the steady state, connect it to the AC microgrid by enabling the grid-following power inverter to interface the AC/DC sides.
2.3. The Modeling of BESS and PV
2.4. Circuit Averaging Model of Power Converter
- (1)
- In the first case, we assume . Hence,
- (2)
- In the second case, we assume . Similarly, we also obtain
- (1)
- In the first case, we assume . Hence,
- (2)
- In the second case, we assume . Similarly, we obtain
2.5. AC/DC Interfacing Power Inverter
3. Discussion
3.1. Stability Analysis with Faults
3.1.1. The Effects of an AC-Side Fault on the Stability of the DC Side
- (1)
- In the AC microgrid, the voltage has no fault component whereas the current has observable fault components. Two phases of the current increase a lot when the fault occurs.
- (2)
- The AC/DC interfacing inverter still works well as in the normal operating condition.
- (3)
- In the DC microgrid, both the main bus voltage and the power output of the generation systems have very small oscillations. Considering that the oscillation of the main bus voltage is within 5%, the DC loads can still work in the normal condition in most cases.
- (1)
- In the AC microgrid, both the voltage and the current have observable fault components. However, unlike the case with a single phase-to-ground fault, the fault current does not show any increase. Therefore, some devices on the AC side possibly still work as in the normal condition if the fault does not last long, but it may bring challenges to fault detection.
- (2)
- Both the voltage and the current of the AC/DC interfacing inverter become distorted. The fault current shows sharp spikes.
- (3)
- In the DC microgrid, both the main bus voltage and the power output of the generation systems have tremendous spikes, which could destroy the whole power grid. A fault protection scheme specialized for the DC microgrid is required.
3.1.2. The Effects of a DC-Side Fault on the Stability of the AC Side
3.2. Stability Analysis with Disturbances
3.3. Voltage Instability Alleviation with Droop Control
3.3.1. Power Flow Management Using Droop Control
3.3.2. The Evaluation of Stability Using Voltage Nadir
4. Conclusions
Author Contributions
Funding
Data Availability Statement
Conflicts of Interest
References
- Gupta, A.; Doolla, S.; Chatterjee, K. Hybrid AC–DC Microgrid: Systematic Evaluation of Control Strategies. IEEE Trans. Smart Grid 2018, 9, 3830–3843. [Google Scholar] [CrossRef]
- Fotopoulou, M.; Dimitrios, R.; Fotis, S.; Spyros, V. A Review on the Driving Forces, Challenges, and Applications of AC/DC Hybrid Smart Microgrids. Smart Grids Technol. Appl. 2022. Available online: https://www.intechopen.com/chapters/80118 (accessed on 23 November 2022).
- Aljafari, B.; Subramanian, V.; Vairavasundaram, I.; Rhanganath, V. Optimization of DC, AC, and Hybrid AC/DC Microgrid-Based IoT Systems: A Review. Energies 2022, 15, 6813. [Google Scholar] [CrossRef]
- Shafiullah, M.; Refat, A.; Haque, M.; Chowdhury, D.; Hossain, M.; Alharbi, A.; Alam, M.; Ali, A.; Hossain, S. Review of Recent Developments in Microgrid Energy Management Strategies. Sustainability 2022, 14, 14794. [Google Scholar] [CrossRef]
- Prasad, T.; Devakirubakaran, S.; Muthubalaji, S.; Srinivasan, S.; Karthikeyan, B.; Palanisamy, R.; Bajaj, M.; Zawbaa, H.; Kamel, S. Power management in hybrid ANFIS PID based AC–DC microgrids with EHO based cost optimized droop control strategy. Energy Rep. 2022, 8, 15081–15094. [Google Scholar] [CrossRef]
- Tinajero, G.; Nasir, M.; Vasquez, J.; Guerrero, J. Comprehensive power flow modelling of hierarchically controlled AC/DC hybrid islanded microgrids. Int. J. Electr. Power Energy Syst. 2021, 127, 106629. [Google Scholar] [CrossRef]
- Eghtedarpour, N.; Farjah, E. Power Control and Management in a Hybrid AC/DC Microgrid. IEEE Trans. Smart Grid 2014, 5, 1494–1505. [Google Scholar] [CrossRef]
- Shair, J.; Li, H.; Hu, J.; Xie, X. Power system stability issues, classifications and research prospects in the context of high-penetration of renewables and power electronics. Renew. Sustain. Energy Rev. 2021, 145, 111111. [Google Scholar] [CrossRef]
- Arzani, M.; Abazari, A.; Oshnoei, A.; Ghafouri, M.; Muyeen, S. Optimal distribution coefficients of energy resources in frequency stability of hybrid microgrids connected to the power system. Electronics 2021, 10, 1591. [Google Scholar] [CrossRef]
- Zhang, G.; Yuan, J.; Li, Z.; Yu, S.S.; Chen, S.-Z.; Trinh, H.; Zhang, Y. Forming a Reliable Hybrid Microgrid Using Electric Spring Coupled with Non-Sensitive Loads and ESS. IEEE Trans. Smart Grid 2020, 11, 2867–2879. [Google Scholar] [CrossRef]
- Chang, F.; Cui, X.; Wang, M.; Su, W.; Huang, A.Q. Large-Signal Stability Criteria in DC Power Grids with Distributed-Controlled Converters and Constant Power Loads. IEEE Trans. Smart Grid 2020, 11, 5273–5287. [Google Scholar] [CrossRef]
- Chang, F.; Cui, X.; Wang, M.; Su, W. Potential-Based Large-Signal Stability Analysis in DC Power Grids With Multiple Constant Power Loads. IEEE Open Access J. Power Energy 2021, 9, 16–28. [Google Scholar] [CrossRef]
- Li, Z.; Shahidehpour, M. Small-Signal Modeling and Stability Analysis of Hybrid AC/DC Microgrids. IEEE Trans. Smart Grid 2019, 10, 2080–2095. [Google Scholar] [CrossRef]
- He, L.; Li, Y.; Guerrero, J.M.; Cao, Y. A Comprehensive Inertial Control Strategy for Hybrid AC/DC Microgrid With Distributed Generations. IEEE Trans. Smart Grid 2020, 11, 1737–1747. [Google Scholar] [CrossRef]
- Ranjan, S.; Das, D.; Sinha, N.; Latif, A.; Hussain, S.; Ustun, T. Voltage stability assessment of isolated hybrid dish-stirling solar thermal-diesel microgrid with STATCOM using mine blast algorithm. Electr. Power Syst. Res. 2021, 196, 107239. [Google Scholar] [CrossRef]
- Asghar, F.; Talha, M.; Kim, S. Robust frequency and voltage stability control strategy for standalone AC/DC hybrid microgrid. Energies 2017, 10, 760. [Google Scholar] [CrossRef]





























| Cut-off voltage (V) | 90 | 
| Fully charged voltage (V) | 139.6785 | 
| Nominal discharge current (A) | 347.8261 | 
| Internal resistance (Ohms) | 0.0015 | 
| Capacity (Ah) at nominal voltage | 723.4783 | 
| Exponential zone [voltage (V), capacity (Ah)] | 29.6463, 39.30435 | 
| Maximum power (W) | 250.205 | 
| Cells per module (Ncell) | 96 | 
| Open circuit voltage Voc (V) | 37.4 | 
| Short-circuit current Isc (A) | 8.63 | 
| Voltage at maximum power point Vmp (V) | 30.7 | 
| Current at maximum power point Imp (A) | 8.15 | 
| Temperature coefficient of Voc (%/deg.C) | −0.34 | 
| Temperature coefficient of Isc (%/deg.C) | 0.05 | 
| Fault Location | Fault Type | AC-Side | DC-Side | Inverter | 
|---|---|---|---|---|
| AC-side | Single p-g | faulty | normal | normal | 
| p-p | faulty | severe | faulty | |
| Double p-g | faulty | severe | faulty | |
| Three-phase | severe | |||
| DC-side | Line disconnection | normal | normal | normal | 
| Ground | normal | severe | normal | |
| Disturbance Location | Disturbance Type | DC-Side | AC-Side | 
|---|---|---|---|
| DC-side | A surplus load | Voltage dip | Normal | 
| Operational environment changes | Voltage dip | Normal | |
| AC-side | Load shedding | Normal | Power regulation | 
| Load Disturbance | 2.0 kW | 4.0 kW | 1.5 kW | 0.5 kW | |
|---|---|---|---|---|---|
| Microgrid simulation | Steady-state voltage before disturbance | 0.9989 | 0.9989 | 0.9989 | 0.9989 | 
| Voltage nadir | 0.9845 | 0.9691 | 0.9879 | 0.9953 | |
| Steady-state voltage after disturbance | 0.9898 | 0.9731 | 0.9920 | 0.9966 | |
| Control diagram | Steady-state voltage before disturbance | 0.9996 | 0.9996 | 0.9996 | 0.9996 | 
| Voltage nadir | 0.9822 | 0.9657 | 0.9865 | 0.9952 | |
| Steady-state voltage after disturbance | 0.9904 | 0.9816 | 0.9927 | 0.9973 | |
| RMSE (%) | 0.0333 | 0.1933 | 3.7007 × 10−15 | 0.0433 | |
| Disclaimer/Publisher’s Note: The statements, opinions and data contained in all publications are solely those of the individual author(s) and contributor(s) and not of MDPI and/or the editor(s). MDPI and/or the editor(s) disclaim responsibility for any injury to people or property resulting from any ideas, methods, instructions or products referred to in the content. | 
© 2022 by the authors. Licensee MDPI, Basel, Switzerland. This article is an open access article distributed under the terms and conditions of the Creative Commons Attribution (CC BY) license (https://creativecommons.org/licenses/by/4.0/).
Share and Cite
Chang, F.; O’Donnell, J., Jr.; Su, W. Voltage Stability Assessment of AC/DC Hybrid Microgrid. Energies 2023, 16, 399. https://doi.org/10.3390/en16010399
Chang F, O’Donnell J Jr., Su W. Voltage Stability Assessment of AC/DC Hybrid Microgrid. Energies. 2023; 16(1):399. https://doi.org/10.3390/en16010399
Chicago/Turabian StyleChang, Fangyuan, John O’Donnell, Jr., and Wencong Su. 2023. "Voltage Stability Assessment of AC/DC Hybrid Microgrid" Energies 16, no. 1: 399. https://doi.org/10.3390/en16010399
APA StyleChang, F., O’Donnell, J., Jr., & Su, W. (2023). Voltage Stability Assessment of AC/DC Hybrid Microgrid. Energies, 16(1), 399. https://doi.org/10.3390/en16010399
 
        



 
       