Mixed-Integer Distributed Ant Colony Optimization of Dump Load Allocation with Improved Islanded Microgrid Load Flow
Abstract
1. Introduction
2. Droop Control and Load-Flow Analysis in Islanded Microgrid
2.1. Droop Control and Special Backward\Forward Sweep (SBFS) Load Flow Method
2.1.1. Initialization Stage
2.1.2. Backward Sweep
2.1.3. Forward Sweep
2.1.4. The Update Stage
2.2. The Improved Special Backward/Forward Sweep (SBFS-II) Load Flow Method
2.3. The General Backward/Forward Sweep (GBFS) Load Flow Method
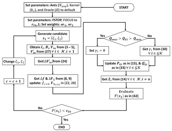
3. The Optimization Method Proposed
4. Optimization Problem Formulation
4.1. General Backward/Forward Sweep Optimization Problem
4.1.1. Objective Function
4.1.2. Constraints
4.2. Dump-Load-Allocation Optimization Problem
4.2.1. Objective Functions
4.2.2. Constraints
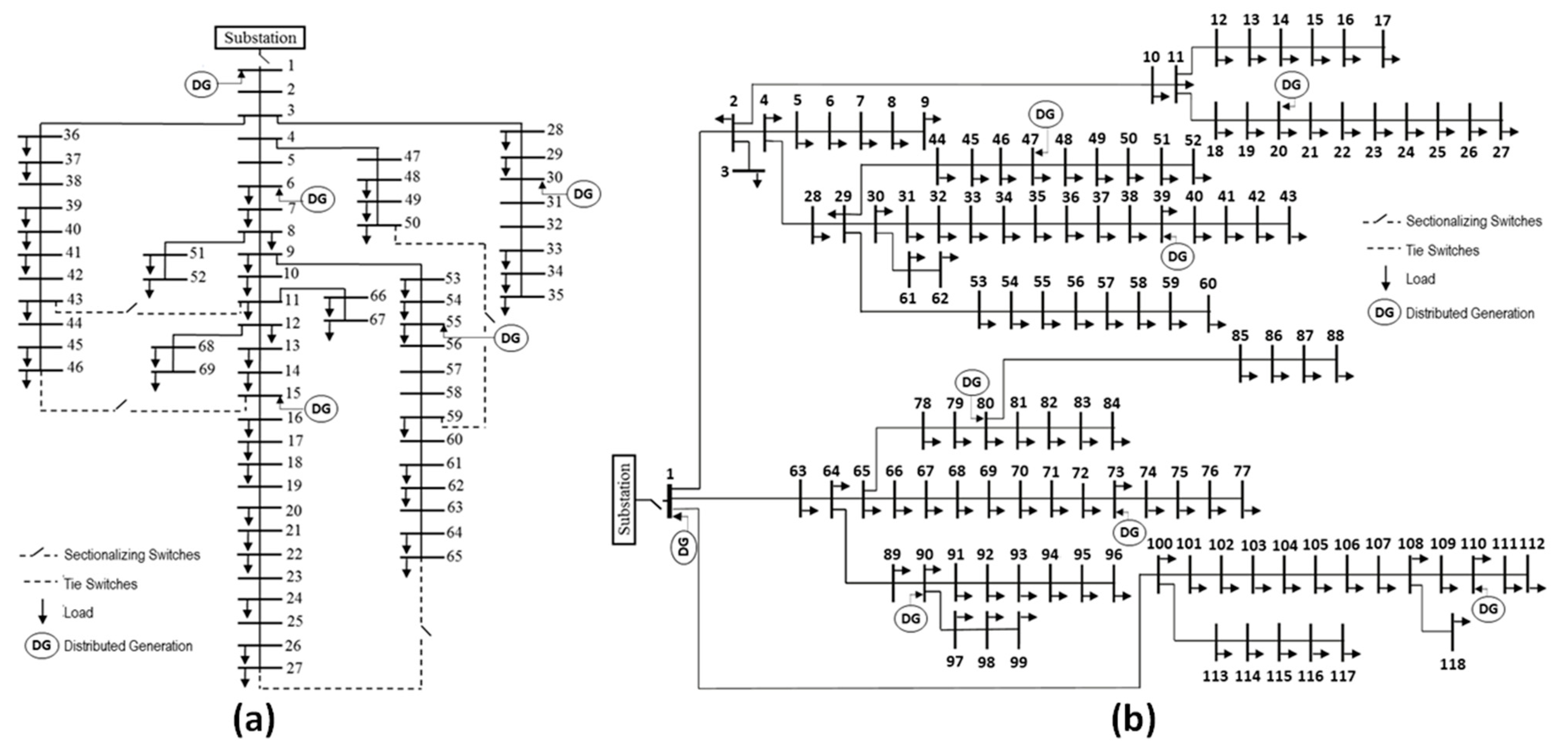
5. Discussion of Results
5.1. Significance of the Damping Factors and
5.2. Multi-Objective Optimization
5.3. Comparision with Other Metaheuristic Methods
5.4. Convergence of SBFS-II and GBFS Methods
6. Conclusions
Author Contributions
Funding
Data Availability Statement
Acknowledgments
Conflicts of Interest
Appendix A
| Symbol | Definition | Symbol | Definition |
|---|---|---|---|
| − | Voltage and frequency | , | Virtual bus voltage at the and iterations within SBFS-II and GBFS framework |
| , , | Operational, nominal, and steady-state frequency, respectively | The deviation in voltage error across the system within SBFS-II and GBFS framework | |
| , | Operational and nominal voltage at bus i, respectively | Voltage error tolerance for SBFS-II convergence | |
| , | Bus ’s active nominal and generated power, respectively | Tolerance threshold for load flow convergence | |
| , | Bus ’s reactive nominal and generated power, respectively | , | Minimum and maximum reactive power output of DG, respectively |
| , | Bus ’s droop coefficients for frequency and voltage, respectively | Reactive power update error at bus | |
| , | Frequency and voltage equivalent droop coefficients, respectively | Average reactive power correction factor | |
| Dump load allocation’s optimum droop settings for DGs | , | Adjusted reference and desired reactive power at bus , respectively | |
| Dump load bus location | , | Dynamic damping factors | |
| , | The dump load’s consumed active and reactive power, respectively | , | Weights for GBFS objective function |
| Total number of dispatchable DGs in the IMG | GBFS optimization problem decision variable | ||
| All system buses set | GBFS optimization problem objective function | ||
| A subset containing all dispatchable DG buses | Reactive power correction vector | ||
| , | The MG’s total losses for active and reactive power, respectively | A binary constant to enable reactive power correction | |
| , | Virtual bus voltage and frequency deviations, respectively | , | The objective function’s utopia and nadir values, respectively |
| , | Injections of apparent power and current at bus within the SBFS framework, respectively | The optimization problem’s objective function within the MIDACO framework | |
| The current flowing in the branch between bus to bus | The constraints handling function within the MIDACO framework | ||
| New bus voltage following forward sweep within SBFS framework | Multi-dimensional Gaussian function | ||
| The deviation in voltage error across the system within the SBFS framework | , , | Weight, mean, and standard deviation for the Gaussian function, respectively | |
| , | Frequency at the and iterations within the SBFS framework, respectively | The optimization problem’s decision variable within the MIDACO framework | |
| , | Virtual bus voltage at the and iterations within the SBFS framework, respectively | Each sub-problem’s matrix of weights | |
| , , | Impedance, resistance, and reactance of branch , respectively | , | Solution weighted and average distances, respectively |
| Voltage error tolerance for SBFS convergence | , | The balance and target functions, respectively | |
| , | The inject and branch currents following another backward sweep, respectively | Decision variable within dump load allocation problem | |
| The voltage column vector across the system following another sweep | Objective function for dump load allocation problem | ||
| , | Frequency at the and iterations within SBFS-II and GBFS framework | Constraint function for dump load allocation problem |
References
- Anderson, A.; Suryanarayanan, S. Review of energy management and planning of islanded microgrids. CSEE J. Power Energy Systems 2020, 6, 329–343. [Google Scholar] [CrossRef]
- IEEE Std 1547–2018; IEEE Standard for Interconnection and Interoperability of Distributed Energy Resources with Associated Electric Power Systems. Interfaces Revision of IEEE Std 1547–2003); IEEE: New York, NY, USA, 2018; pp. 1–138. [CrossRef]
- Guerrero, M.; Vasquez, J.; Matas, J.; de Vicuna, L.; Castilla, M. Hierarchical Control of Droop-Controlled AC and DC Microgrids—A General Approach Toward Standardization. IEEE Trans. Ind. Electron. 2011, 58, 158–172. [Google Scholar] [CrossRef]
- Nisar, A.; Thomas, M.S. Comprehensive Control for Microgrid Autonomous Operation with Demand Response. IEEE Trans. Smart Grid 2017, 8, 2081–2089. [Google Scholar] [CrossRef]
- Chen, S.; Zhang, T.; Gooi, H.; Masiello, R.; Katzenstein, W. Penetration Rate and Effectiveness Studies of Aggregated. BESS for Frequency Regulation. IEEE Trans. Smart Grid 2016, 7, 167–177. [Google Scholar] [CrossRef]
- Singh, S.; Jagota, S.; Singh, M. Energy management and voltage stabilization in an islanded microgrid through an electric vehicle charging station. Sustain. Cities Soc. 2018, 41, 679–694. [Google Scholar] [CrossRef]
- Faisal, M.; Hannan, M.; Ker, P.; Hussain, A.; Mansor, M.; Blaabjerg, F. Review of Energy Storage System Technologies in Microgrid Applications: Issues and Challenges. IEEE Access 2018, 6, 35143–35164. [Google Scholar] [CrossRef]
- Haidar, A.M.A.; Muttaqi, K.; Sutanto, D. Technical challenges for electric power industries due to grid-integrated electric vehicles in low voltage distributions: A review. Energy Convers. Manag. 2014, 86, 689–700. [Google Scholar] [CrossRef]
- Roodsari, B.N.; Nowicki, E.; Freere, P. A New Electronic Load Controller for the Self-excited Induction Generator to Decrease Stator Winding Stress. Energy Procedia 2014, 57, 1455–1464. [Google Scholar] [CrossRef]
- Singh, R.R.; Kumar, B.; Shruthi, D.; Panda, R.; Raj, C.T. Review and experimental illustrations of electronic load controller used in standalone Micro-Hydro generating plants. Eng. Sci. Technol. Int. J. 2018, 21, 886–900. [Google Scholar] [CrossRef]
- Mufaris, A.L.M.; Baba, J. Coordinated Consumer Load Control by Use of Heat Pump Water Heaters for Voltage Rise Mitigation in Future Distribution System. In Proceedings of the 7th IEEE AGTC, New Orleans, LA, USA, 15–17 April 2015; pp. 176–182. [Google Scholar] [CrossRef]
- Nehrir, M.H.; Lameres, B.; Venkataramanan, G.; Gerez, V.; Alvarado, L.A. An approach to evaluate the general performance of stand-alone wind/photovoltaic generating systems. IEEE Trans. Energy Convers. 2000, 15, 433–439. [Google Scholar] [CrossRef]
- Uniyal, A.; Sarangi, S.; Kala, H. Optimal dump load allocation to regulate voltage and frequency in microgrid. In Proceedings of the 8th ICPS, Jaipur, India, 20–22 December 2019; pp. 1–6. [Google Scholar] [CrossRef]
- Kreishan, M.Z.; Zobaa, A.F. Allocation of Dump Load in Islanded Microgrid Using the Mixed-Integer Distributed Ant Colony Optimization. IEEE Syst. J. 2022, 16, 2568–2579. [Google Scholar] [CrossRef]
- Awad, A.S.A.; EL-Fouly, T.; Salama, M.M.A. Optimal ESS Allocation and Load Shedding for Improving Distribution System Reliability. IEEE Trans. Smart Grid 2014, 5, 2339–2349. [Google Scholar] [CrossRef]
- Mukhopadhyay, B.; Das, D. Optimal multi-objective expansion planning of a droop-regulated islanded microgrid. Energy 2021, 218, 119415. [Google Scholar] [CrossRef]
- Džamarija, M.; Keane, A. Autonomous Curtailment Control in Distributed Generation Planning. IEEE Trans. Smart Grid 2016, 7, 1337–1345. [Google Scholar] [CrossRef]
- Gupta, Y.; Nellikkath, R.; Chatterjee, K.; Doolla, S. Volt-var Optimization and Reconfiguration: Reducing Power Demand and Losses in a Droop-Based Microgrid. IEEE Trans. Ind. Appl. 2021, 7, 2769–2781. [Google Scholar] [CrossRef]
- Dheer, D.K.; Soni, N.; Doolla, S. Improvement of small signal stability margin and transient response in inverter-dominated microgrids. Sustain. Energy Grids Netw. 2016, 5, 135–147. [Google Scholar] [CrossRef]
- Jithendranath, J.; Das, D. Scenario-based multi-objective optimisation with loadability in islanded microgrids considering load and renewable generation uncertainties. IET Renew. Power Gener. 2019, 13, 785–800. [Google Scholar] [CrossRef]
- Abdelaziz, M.M.A.; Farag, H.; El-Saadany, E.F. Optimum Reconfiguration of Droop-Controlled Islanded Microgrids. IEEE Trans. Power Syst. 2016, 31, 2144–2153. [Google Scholar] [CrossRef]
- Dorigo, M.; Caro, G.; Gambardella, L.M. Ant Algorithms for Discrete Optimization. Artif. Life 1999, 5, 137–172. [Google Scholar] [CrossRef]
- Socha, K.; Dorigo, M. Ant colony optimization for continuous domains. Eur. J. Oper. Res. 2008, 185, 1155–1173. [Google Scholar] [CrossRef]
- Lopez-Ibanez, M.; Stutzle, T. The Automatic Design of Multiobjective Ant Colony Optimization Algorithms. IEEE Trans. Evol. Comput. 2012, 16, 861–875. [Google Scholar] [CrossRef]
- Schlüter, M.; Egea, J.; Banga, J.R. Extended ant colony optimization for non-convex mixed integer nonlinear programming. Comput. Oper. Res. 2009, 36, 2217–2229. [Google Scholar] [CrossRef]
- Schlüter, M.; Gerdts, M. The oracle penalty method. J. Glob. Optim. 2010, 47, 293–325. [Google Scholar] [CrossRef]
- Schlueter, M.; Yam, C.; Watanabe, T.; Oyama, A. Many-objective optimization of interplanetary space mission trajectories. In Proceedings of the IEEE CEC, Sendai, Japan, 25–28 May 2015; pp. 3256–3262. [Google Scholar] [CrossRef]
- Schlueter, M. MIDACO software performance on interplanetary trajectory benchmarks. Adv. Space Res. 2014, 54, 744–754. [Google Scholar] [CrossRef]
- Schlüter, M.; Gerdts, M.; Rückmann, J.J. A numerical study of MIDACO on 100 MINLP benchmarks. Optimization 2012, 61, 873–900. [Google Scholar] [CrossRef]
- Shirmohammadi, D.; Hong, H.; Semlyen, A.; Luo, G.X. A compensation-based power flow method for weakly meshed distribution and transmission networks. IEEE Trans. Power Syst. 1988, 3, 753–762. [Google Scholar] [CrossRef]
- Luo, G.X.; Semlyen, A. Efficient load flow for large weakly meshed networks. IEEE Trans. Power Syst. 1990, 5, 1309–1316. [Google Scholar] [CrossRef]
- Dukpa, A.; Venkatesh, B.; El-Hawary, M. Application of continuation power flow method in radial distribution systems. Electr. Power Syst. Res. 2009, 79, 1503–1510. [Google Scholar] [CrossRef]
- Bompard, E.; Carpaneto, E.; Chicco, G.; Napoli, R. Convergence of the backward/forward sweep method for the load-flow analysis of radial distribution systems. Int. J. Electr. Power Energy Syst. 2000, 22, 521–530. [Google Scholar] [CrossRef]
- Abdelaziz, M.M.A.; Farag, H.; El-Saadany, E.; Mohamed, Y.A.I. A Novel and Generalized Three-Phase Power Flow Algorithm for Islanded Microgrids Using a Newton Trust Region Method. IEEE Trans. Power Syst. 2013, 28, 190–201. [Google Scholar] [CrossRef]
- Nazari, A.A.; Keypour, R.; Beiranvand, M.; Amjady, N. A decoupled extended power flow analysis based on Newton-Raphson method for islanded microgrids. Int. J. Electr. Power Energy Syst. 2020, 117, 105705. [Google Scholar] [CrossRef]
- Bayat, M.; Koushki, M.; Ghadimi, A.; Tostado-Véliz, M.; Jurado, F. Comprehensive enhanced Newton Raphson approach for power flow analysis in droop-controlled islanded AC microgrids. Int. J. Electr. Power Energy Syst. 2022, 143, 108493. [Google Scholar] [CrossRef]
- Mumtaz, F.; Syed, M.H.; Hosani, M.A.; Zeineldin, H.H. A Novel Approach to Solve Power Flow for Islanded Microgrids Using Modified Newton Raphson with Droop Control of DG. IEEE Trans. Sustain. Energy 2016, 7, 493–503. [Google Scholar] [CrossRef]
- Lisboa, A.C.; Guedes, L.; Vieira, D.; Saldanha, R.R. A fast power flow method for radial networks with linear storage and no matrix inversions. Int. J. Electr. Power Energy Syst. 2014, 63, 901–907. [Google Scholar] [CrossRef]
- Petridis, S.; Blanas, O.; Rakopoulos, D.; Stergiopoulos, F.; Nikolopoulos, N.; Voutetakis, S. An Efficient Backward/Forward Sweep Algorithm for Power Flow Analysis through a Novel Tree-Like Structure for Unbalanced Distribution Networks. Energies 2021, 14, 897. [Google Scholar] [CrossRef]
- Díaz, G.; Gómez-Aleixandre, J.; Coto, J. Direct Backward/Forward Sweep Algorithm for Solving Load Power Flows in AC Droop-Regulated Microgrids. IEEE Trans. Smart Grid 2016, 7, 2208–2217. [Google Scholar] [CrossRef]
- Hameed, F.; Al Hosani, M.; Zeineldin, H.H. A Modified Backward/Forward Sweep Load Flow Method for Islanded Radial Microgrids. IEEE Trans. Smart Grid 2019, 10, 910–918. [Google Scholar] [CrossRef]
- Kumar, A.; Jha, B.; Dheer, D.; Singh, D.; Misra, R.K. Nested backward/forward sweep algorithm for power flow analysis of droop regulated islanded microgrids. Transm. Distrib. IET Gener. 2019, 13, 3086–3095. [Google Scholar] [CrossRef]
- Elrayyah, A.; Sozer, Y.; Elbuluk, M.E. A Novel Load-Flow Analysis for Stable and Optimized Microgrid Operation. IEEE Trans. Power Deliv. 2014, 29, 1709–1717. [Google Scholar] [CrossRef]
- Esmaeli, A.; Abedini, M.; Moradi, M.H. A novel power flow analysis in an islanded renewable microgrid. Renew. Energy 2016, 96, 914–927. [Google Scholar] [CrossRef]
- Reddy, Y.O.; Jithendranath, J.; Chakraborty, A.K.; Guerrero, J.M. Stochastic optimal power flow in islanded DC microgrids with correlated load and solar PV uncertainties. Appl. Energy 2022, 307, 118090. [Google Scholar] [CrossRef]
- Fotopoulou, M.; Petridis, S.; Karachalios, I.; Rakopoulos, D. A Review on Distribution System State Estimation Algorithms. Appl. Sci. 2022, 12, 11073. [Google Scholar] [CrossRef]
- Kreishan, M.Z.; Zobaa, A.F. Optimal Allocation and Operation of Droop-Controlled Islanded Microgrids: A Review. Energies 2021, 14, 4653. [Google Scholar] [CrossRef]
- Han, Y.; Li, H.; Shen, P.; Coelho, E.; Guerrero, J.M. Review of Active and Reactive Power Sharing Strategies in Hierarchical Controlled Microgrids. IEEE Trans. Power Electron. 2017, 32, 2427–2451. [Google Scholar] [CrossRef]
- IEEE Std 1547.7-2013; IEEE Guide for Conducting Distribution Impact Studies for Distributed Resource Interconnection. IEEE: New York, NY, USA, 2014; pp. 1–137. [CrossRef]
- Li, Y.; Chiang, H.-D.; Choi, B.K.; Chen, Y.T.; Huang, D.H.; Lauby, M.G. Load models for modeling dynamic behaviors of reactive loads: Evaluation and comparison. Int. J. Electr. Power Energy Syst. 2008, 30, 497–503. [Google Scholar] [CrossRef]
- Teng, J.H. A direct approach for distribution system load flow solutions. IEEE Trans. Power Deliv. 2003, 18, 882–887. [Google Scholar] [CrossRef]
- He, J.; Li, Y.W. An Enhanced Microgrid Load Demand Sharing Strategy. IEEE Trans. Power Electron. 2012, 27, 3984–3995. [Google Scholar] [CrossRef]
- Pesaran, M.; Huy, P.D.; Ramachandaramurthy, V.K. A review of the optimal allocation of distributed generation: Objectives, constraints, methods, and algorithms. Renew. Sustain. Energy Rev. 2017, 75, 293–312. [Google Scholar] [CrossRef]
- Schlueter, M.; Munetomo, M. Parallelization strategies for evolutionary algorithms for MINLP. In Proceedings of the IEEE CEC, Cancun, Mexico, 20–23 June 2013; pp. 635–641. [Google Scholar] [CrossRef]
- Zhu, Y.; Zhuo, F.; Shi, H. Accurate power sharing strategy for complex microgrid based on droop control method. In Proceedings of the IEEE ECCE Asia Downunder, Melbourne, VIC, Australia, 3–6 June 2013; pp. 344–350. [Google Scholar] [CrossRef]
- MIDACO-SOLVER, MIDACO_User_Manual. Available online: http://www.midaco-solver.com/data/other/MIDACO_User_Manual.pdf (accessed on 21 June 2022).
- Bhakar, P.S.; Rao, G.; Sarangi, S. A Novel Adaptive Frequency Control Strategy for Micro Grid. In Proceedings of the 14th IEEE INDICON, Roorkee, India, 15–17 December 2017; pp. 1013–1018. [Google Scholar] [CrossRef]
- Tomar, A.; Sharma, D.; Mishra, S. An active power management strategy in a microgrid having static and rotating generators considering generation limits using water pumping loads. In Proceedings of the ICCCE, Jaipur, India, 1–2 July 2017; pp. 484–488. [Google Scholar] [CrossRef]
- IEEE Std 1547.4-2011; IEEE Guide for Design, Operation, and Integration of Distributed Resource Island Systems with Electric Power Systems. IEEE: New York, NY, USA, 2011; pp. 1–54. [CrossRef]
- Saha, S.; Mukherjee, V. Optimal placement and sizing of DGs in RDS using chaos embedded SOS algorithm. IET Gener. Transm. Distrib. 2016, 10, 3671–3680. [Google Scholar] [CrossRef]
- Niknam, T.; Kavousifard, A.; Aghaei, J. Scenario-based multiobjective distribution feeder reconfiguration considering wind power using adaptive modified particle swarm optimization. IET Renew. Power Gener. 2012, 6, 236–247. [Google Scholar] [CrossRef]
- Au, M.T.; Milanovic, J.V. Development of Stochastic Aggregate Harmonic Load Model Based on Field Measurements. IEEE Trans. Power Deliv. 2007, 22, 323–330. [Google Scholar] [CrossRef]
- Mahdavi, M.; Alhelou, H.H.; Cuffe, P. Test Distribution Systems: Network Parameters and Diagrams of Electrical Structural. IEEE Open Access J. Power Energy 2021, 8, 409–420. [Google Scholar] [CrossRef]
- Zobaa, A.F. Mixed-Integer Distributed Ant Colony Multi-Objective Optimization of Single-Tuned Passive Harmonic Filter Parameters. IEEE Access 2019, 7, 44862–44870. [Google Scholar] [CrossRef]










| LF Method | DG Voltage Update | Number of Loops | Damping Factors | Reactive Power Correction | No DG Communication Required | Reference |
|---|---|---|---|---|---|---|
| DBFS | Global | 3 | No | No | No | [40] |
| MBFS | Local | 3 | No | No | Yes | [41] |
| NBFS | Local | 3 | Static | No | Yes | [42] |
| SBFS | Global | 2 | No | No | No | [14] |
| SBFS-II | Global | 1 | No | No | No | - |
| GBFS | Local | 1 | Dynamic | Yes | Yes | - |
| DG Unit | DG1 | DG2 | DG3 | DG4 | DG5 | DG6 | DG7 | DG8 | |
|---|---|---|---|---|---|---|---|---|---|
| mpi | −0.05 | −1 | −0.1 | −1 | −0.2 | −1 | −0.1 | −1 | |
| nqi | −0.05 | −1 | −0.1 | −1 | −0.2 | −1 | −0.1 | −1 | |
| Bus No. | 69-bus | 1 | 6 | 15 | 30 | 55 | - | - | - |
| 118-bus | 1 | 20 | 39 | 47 | 73 | 80 | 90 | 110 | |
| Test System | Load (%) | Generation (%) | Mismatch (%) | ||||
|---|---|---|---|---|---|---|---|
| 69 | 100 | 7.6044 | 5.3892 | 100 | 8 | 6 | +7.29 |
| 50 | 3.8022 | 2.6946 | 63.63 | 4.5 | 4.5 | +36.56 | |
| 118 | 100 | 45.42 | 34.08 | 100 | 43.24 | 32.43 | −4.82 |
| 50 | 22.71 | 17.04 | 63.63 | 24.32 | 24.32 | +21.14 |
| Test | 1 | 2 | 3 | 4 | 5 |
|---|---|---|---|---|---|
| (Ω) | 0.19 | 1.10 | 1.64 | 0.19 | 0.19 |
| (mH) | 1.96 | 3.20 | 4.53 | 1.96 | 1.96 |
| (p.u.) | 9.51 × 10−3 | 9.51 × 10−3 | 9.51 × 10−3 | 4.52 × 10−3 | 3.53 × 10−3 |
| (p.u.) | 1.83 × 10−2 | 1.83 × 10−2 | 1.83 × 10−2 | 8.94 × 10−3 | 5.89 × 10−3 |
| Bus No. | Bus Voltage (p.u.) | Voltage Angle (degreeº) | ||||
| MBFS | NBFS | GBFS | MBFS | NBFS | GBFS | |
| 1 | 1.0008 | 1.0008 | 1.0008 | 0 | 0 | 0 |
| 2 | 0.9979 | 0.9979 | 0.9979 | −0.1901 | −0.1901 | −0.1901 |
| 3 | 0.9961 | 0.9961 | 0.9961 | −0.3057 | −0.3057 | −0.3057 |
| 4 | 0.9949 | 0.9949 | 0.9949 | −0.3814 | −0.3814 | −0.3814 |
| 5 | 0.9969 | 0.9969 | 0.9969 | −0.2702 | −0.2702 | −0.2702 |
| 6 | 0.9989 | 0.9989 | 0.9989 | −0.1596 | −0.1596 | −0.1596 |
| 0.0051 | 0.0051 | 0.0051 | - | - | - | |
| Bus No. | DG Active Power (p.u.) | DG Reactive Power (p.u.) | ||||
| 1 | 1.5021 | 1.5021 | 1.5021 | 0.7046 | 0.7046 | 0.7046 |
| 6 | 1.5021 | 1.5021 | 1.5021 | 0.8092 | 0.8092 | 0.8092 |
| Active Power Losses (p.u.) | Reactive Power Losses (p.u.) | |||||
| value | 0.0042 | 0.0042 | 0.0042 | 0.0138 | 0.0138 | 0.0138 |
| Frequency (p.u.) | Calculation Time (s) | |||||
| value | 1.0047 | 1.0047 | 1.0047 | 0.0133 | 0.0083 | 0.0004 |
| Convergence Test | Load Flow Method | ||||
|---|---|---|---|---|---|
| MBFS | NBFS | GBFS | |||
| Iterations | |||||
| 1 | 422 | 283 | 6 | 0.6257 | 0.7146 |
| 2 | NC | NC | 13 | 4.9676 | 1.2926 |
| 3 | NC | NC | 20 | 2.6396 | 1.5002 |
| 4 | NC | NC | 12 | 4.6345 | 1.2639 |
| 5 | NC | NC | 50 | 3.7655 | 1.7974 |
| Test 1 | 6.26 × 10−7 | 6.26 × 10−3 * | 0.6257 * | 6.6257 | 12.626 | 21.626 | |
| Iterations | 7 | 7 | 6 | 9 | 11 | 15 | |
| 7.15 × 10−4 | 0.0715 | 0.7146 * | 1.6146 | 2.0146 | 2.5146 | ||
| Iterations | NC | 183 | 7 | 62 | NC | NC | |
| Test 3 | 6.4 × 10−3 | 0.6396 | 2.6396 * | 3.6396 | 5.6396 | 6.6396 | |
| Iterations | 34 | 31 | 20 | 52 | 308 | NC | |
| 0.9002 | 1.2002 | 1.5002 * | 1.9002 | 2.2002 | 2.5002 | ||
| Iterations | NC | 453 | 20 | 110 | NC | NC | |
| Test 5 | 7.7 × 10−3 | 1.7655 | 3.7655 * | 4.7655 | 5.7655 | 7.1566 | |
| Iterations | 68 | 57 | 50 | 91 | 213 | NC | |
| 1.1974 | 1.4974 | 1.7974 * | 2.0974 | 2.3974 | 2.6974 | ||
| Iterations | NC | NC | 50 | NC | NC | NC |
| Load Flow Method | SBFS | SBFS-II | GBFS | |||
|---|---|---|---|---|---|---|
| Allocation Case | No DL | With DL | No DL | With DL | No DL | With DL |
| - | 30 | - | 30 | - | 30 | |
| (p.u.) | - | 0.6580 | - | 0.6551 | - | 0.6282 |
| (p.u.) | - | 0.5135 | - | 0.5246 | - | 0.8000 |
| (p.u.) | - | 0.0487 | - | 0.0489 | - | 0.0102 |
| (p.u.) | 0.0480 | 0.0123 | 0.0480 | 0.0123 | 0.0480 | 0.0020 |
| (p.u.) | 0.0170 | 0.0003 | 0.0170 | 0.0002 | 0.0171 | 0.0000 |
| (p.u.) | 0.0578 | 0.0617 | 0.0578 | 0.0617 | 0.0577 | 0.0606 |
| (p.u.) | 0.0251 | 0.0255 | 0.0251 | 0.0255 | 0.0250 | 0.0251 |
| (p.u.) | 0.0500 | 0.0188 | 0.0500 | 0.0188 | 0.0503 | 0.0290 |
| (p.u.) | 1.0173 | 0.9998 | 1.0173 | 0.9998 | 1.0173 | 1.0000 |
| Calculation Time (s) | - | 43 | - | 38 | - | 50 |
| Load Flow Method | SBFS | SBFS-II | GBFS | |||
|---|---|---|---|---|---|---|
| Allocation Case | No DL | With DL | No DL | With DL | No DL | With DL |
| - | 73 | - | 73 | - | 80 | |
| (p.u.) | - | 0.4771 | - | 0.5073 | - | 0.9996 |
| (p.u.) | - | 0.7289 | - | 0.6658 | - | 0.8461 |
| (p.u.) | - | 0.0117 | - | 0.0117 | - | 0.0083 |
| (p.u.) | 0.1454 | 0.0094 | 0.1454 | 0.0095 | 0.1453 | 0.0066 |
| (p.u.) | 0.0281 | 0.0014 | 0.0281 | 0.0013 | 0.0281 | 0.0004 |
| (p.u.) | 0.1335 | 0.1157 | 0.1335 | 0.1157 | 0.1316 | 0.1065 |
| (p.u.) | 0.0908 | 0.0779 | 0.0908 | 0.0779 | 0.0893 | 0.0712 |
| (p.u.) | 0.1636 | 0.0218 | 0.1636 | 0.0219 | 0.1607 | 0.0125 |
| (p.u.) | 1.0301 | 1.0015 | 1.0301 | 1.0014 | 1.0302 | 1.0005 |
| Calculation Time (s) | - | 62 | - | 54 | - | 100 |
| Solution Method | SBFS/MIDACO | SBFS-II/MIDACO | GBFS/MIDACO | |||
|---|---|---|---|---|---|---|
| Test System | 69 | 118 | 69 | 118 | 69 | 118 |
| (%) | - | - | 0 | +1.06 | −83.74 | −29.79 |
| (%) | - | - | −33.33 | −7.14 | −100 | −71.43 |
| (%) | - | - | 0 | 0 | −1.78 | −7.95 |
| (%) | - | - | 0 | 0 | −1.57 | −8.6 |
| Calculation Time (%) | - | - | −11.63 | −12.9 | +16.28 | +61.29 |
| Metaheuristic | MOGA | NSGA-II | MOPSO | MIDACO | ||||
|---|---|---|---|---|---|---|---|---|
| Bus System | 69 | 118 | 69 | 118 | 69 | 118 | 69 | 118 |
| 30 | 80 | 30 | 80 | 30 | 80 | 30 | 80 | |
| (p.u.) | 0.8544 | 0.4203 | 0.6877 | 0.9720 | 0.7228 | 0.7096 | 0.6282 | 0.9996 |
| (p.u.) | 0.5556 | 0.9540 | 0.4768 | 0.9800 | 0.5454 | 0.5628 | 0.8000 | 0.8461 |
| (p.u.) | 0.0543 | 0.0084 | 0.0511 | 0.0088 | 0.0488 | 0.0086 | 0.0102 | 0.0083 |
| (p.u.) | 0.0133 | 0.0065 | 0.0133 | 0.0068 | 0.0120 | 0.0071 | 0.0020 | 0.0066 |
| (p.u.) | 0.0024 | 0.0010 | 0.0006 | 0.0005 | 0.0009 | 0.0007 | 0.0000 | 0.0004 |
| (p.u.) | 0.0607 | 0.1077 | 0.0606 | 0.1065 | 0.0607 | 0.1066 | 0.0606 | 0.1065 |
| (p.u.) | 0.0250 | 0.0716 | 0.0251 | 0.0713 | 0.0251 | 0.0712 | 0.0251 | 0.0712 |
| MAXEVAL | 400 | 400 | 200 | 200 | 500 | 500 | 10000 | 10000 |
| Time a (s) | 4564 | 5223 | 8479 | 9811 | 4587 | 5870 | 50 | 100 |
| Convergence Test | 1 | 2 | 3 | ||||
|---|---|---|---|---|---|---|---|
| Description | Base Case (No DL) a | w/DL Using GBFS Solution | w/DL Using Random Guess b | ||||
| Test System | 69 | 118 | 69 | 118 | 69 | 118 | |
| - | - | 0.0102 | 0.0083 | 0.0075 | 0.0093 | ||
| (p.u.) | - | - | 0.6282 | 0.9996 | 0.0043 | 0.0034 | |
| (p.u.) | - | - | 0.8000 | 0.8461 | 0.0051 | 0.0075 | |
|
Load Flow Method & Time (s) | DBFS | 0.0461 | NC | NC | NC | NC | NC |
| SBFS | 0.0080 | 0.0103 | 0.0070 | 0.0085 | 0.0066 | 0.0092 | |
| SBFS-II | 0.0054 | 0.0070 | 0.0042 | 0.0055 | 0.0038 | 0.0058 | |
| MBFS | 0.0238 | 0.0421 | NC | NC | NC | NC | |
| NBFS | 0.0219 | 0.0400 | NC | NC | NC | NC | |
| GBFS | 0.0085 | 0.0126 | 0.0096 | 0.0461 | 0.0116 | 0.0248 | |
Disclaimer/Publisher’s Note: The statements, opinions and data contained in all publications are solely those of the individual author(s) and contributor(s) and not of MDPI and/or the editor(s). MDPI and/or the editor(s) disclaim responsibility for any injury to people or property resulting from any ideas, methods, instructions or products referred to in the content. |
© 2022 by the authors. Licensee MDPI, Basel, Switzerland. This article is an open access article distributed under the terms and conditions of the Creative Commons Attribution (CC BY) license (https://creativecommons.org/licenses/by/4.0/).
Share and Cite
Kreishan, M.Z.; Zobaa, A.F. Mixed-Integer Distributed Ant Colony Optimization of Dump Load Allocation with Improved Islanded Microgrid Load Flow. Energies 2023, 16, 213. https://doi.org/10.3390/en16010213
Kreishan MZ, Zobaa AF. Mixed-Integer Distributed Ant Colony Optimization of Dump Load Allocation with Improved Islanded Microgrid Load Flow. Energies. 2023; 16(1):213. https://doi.org/10.3390/en16010213
Chicago/Turabian StyleKreishan, Maen Z., and Ahmed F. Zobaa. 2023. "Mixed-Integer Distributed Ant Colony Optimization of Dump Load Allocation with Improved Islanded Microgrid Load Flow" Energies 16, no. 1: 213. https://doi.org/10.3390/en16010213
APA StyleKreishan, M. Z., & Zobaa, A. F. (2023). Mixed-Integer Distributed Ant Colony Optimization of Dump Load Allocation with Improved Islanded Microgrid Load Flow. Energies, 16(1), 213. https://doi.org/10.3390/en16010213
