Simulation of Power Router-Based DC Distribution Systems with Distributed Generation and Energy Storage Units
Abstract
1. Introduction
- there is no reactance;
- no reactive power is transmitted;
- electromagnetic interference effects on adjacent lines are reduced;
- streamlined frequency converter circuits with which most modern electric motors are equipped;
- streamlined secondary power supply sources for electronic devices and LED lighting (no rectifier required);
- instrumental in connecting RES, which is usually constant voltage sources (PV panels, fuel cells, battery storage units, etc.): no inverters are required;
- no issues with the stability of parallel operation of generators;
- streamlined implementation of networks for charging electric cars;
- possible linkage to railroad networks.
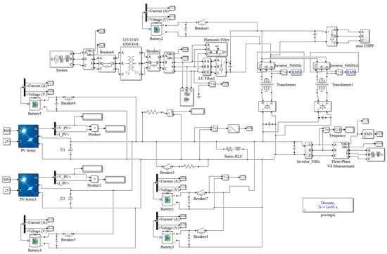
2. Structure and Description of the Computer Model of DC and AC Microgrid Integration
- voltage control at the connection points of the power router;
- control of power flows in the distribution system;
- management of RES-based distributed generation units and energy storage units with damping of voltage and power fluctuations.
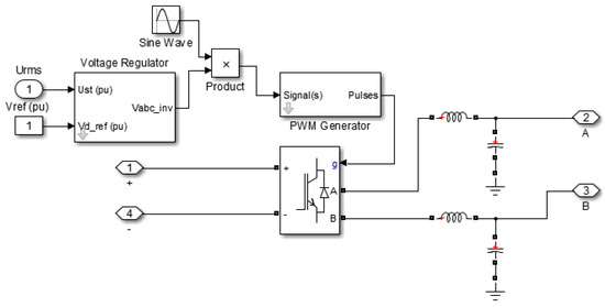
- single-stage with direct conversion of AC voltage;
- two-stage with a low-voltage DC link;
- two-stage with a high-voltage DC link;
- three-stage with high-voltage and low-voltage DC links.
- mini CHPP with a capacity of 2.5 MW-A on the 10 kV side of the power router;
- solar power plant (SPP) on the 0.22 kV side.
- (1)
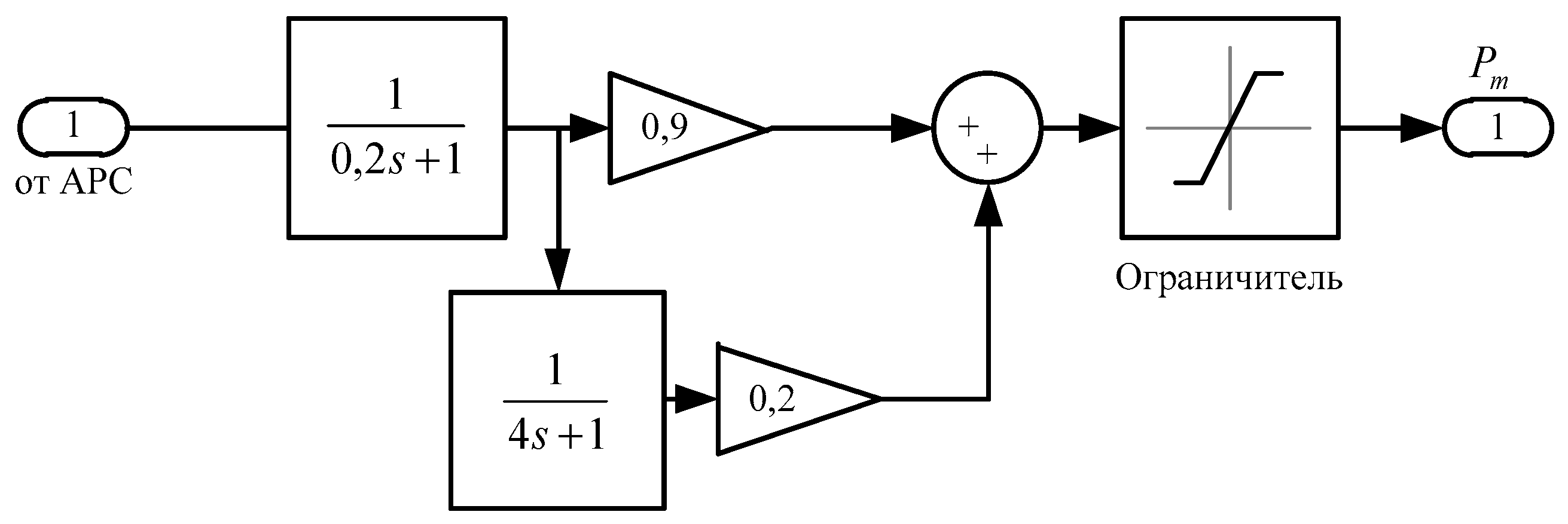
- ARS block:
- (2)
- MARE block:
3. Results
4. Conclusions
- In the case of operation without energy storage units, the use of power routers with a regulated inverter on the HV side made it possible to reduce the voltage sag depth on the LV side in DC and AC grids by 2% on average when the power supply system was switched off. However, a greater effect of maintaining the voltage at the level of its nominal value was achieved on the 10 kV side of the power router: the voltage sag depth reduction was 19.5%. If power routers with non-regulated inverters on the HV side were used, the voltage sag depth in the 10 kV grid reached 22%.
- When energy storage units, especially the high-capacity battery storage on the HV side of the power router, were permanently connected to the grid, we observed that voltage stability was ensured in the grid, even after disconnection from the 110 kV power supply system. In this case, maintaining the nominal voltage was achieved with both regulated and non-regulated inverters on the HV side of power routers.
- When energy storage units at solar power plants were permanently switched on during the period of disconnection from the power supply system, the voltage sag depth in the grid was reduced: on the HV side of the power router—by 4%; on the LV side of the power router in the DC grid—by 11%; on the LV side of the power router downstream the inverter in the 0.4 kV AC grid—by 10%. The use of regulated power routers also enabled reducing the voltage sag depth and virtually ruled out the voltage sag on the HV side. Furthermore, in the case of connecting additional energy storage units in the 220 V DC grid, it was possible to maintain the nominal voltage on the LV side of power routers even after switching off the 110 kV power supply system.
- With disconnected energy storage units throughout the grid, in the case of the connection of a heavy load, the use of power routers with regulated inverters allowed reducing the voltage sag depth on the LV side of the DC and AC grid by 1% on average, and with permanently connected energy storage units at the solar power plants, it allowed reducing its value by an average of 3%.
- When energy storage units at solar power plants were permanently switched on during the connection of a heavy load, the voltage sag depth in the grid was reduced: on the LV side of the power router in the DC grid—by 4%; on the LV side of the power router downstream the inverter in the 0.4 kV AC grid—by 4.5%. The use of regulated power routers and additionally connected energy storage units in the 220 V DC grid made it possible to raise the voltage to its nominal value on the LV side of power routers.
- In the case when solar irradiance decreased significantly, thus reducing the output of electricity generation at the solar power plant, a small voltage sag in the grid occurred. The use of regulated power routers made it possible to reduce the voltage sag depth to some extent. It was possible to increase the voltage to its nominal value in the DC and AC grid by connecting a series of energy storage units at the solar power plant.
Author Contributions
Funding
Data Availability Statement
Conflicts of Interest
References
- Hasan, M.K.; Habib, A.A.; Shukur, Z.; Ibrahim, F.; Islam, S.; Razzaque, M.A. Review on cyber-physical and cyber-security system in smart grid: Standards, protocols, constraints, and recommendations. J. Netw. Comput. Appl. 2023, 209, 103540. [Google Scholar] [CrossRef]
- Bayindir, R.; Colak, I.; Fulli, G.; Demirtas, K. Smart grid technologies and applications. Renew. Sustain. Energy Rev. 2016, 66, 499–516. [Google Scholar] [CrossRef]
- Panda, D.K.; Das, S. Smart grid architecture model for control, optimization and data analytics of future power networks with more renewable energy. J. Clean. Prod. 2021, 301, 126877. [Google Scholar] [CrossRef]
- Bhalshankar, S.S.; Thorat, C.S. Integration of smart grid with renewable energy for energy demand management: Puducherry case study. In Proceedings of the 2016 International Conference on Signal Processing, Communication, Power and Embedded System (SCOPES), Odisha, India, 3–5 October 2016; pp. 1–5. [Google Scholar] [CrossRef]
- Bulatov, Y.; Kryukov, A.; Nguyen, V.H.; Tran, D.H. Fuzzy Controller of Rotation Angle of Blades of Horizontal-Axial Wind Power Generation Plant. In Advances in Intelligent Systems and Computing; Springer: Berlin/Heidelberg, Germany, 2019; Volume 983, pp. 105–115. [Google Scholar] [CrossRef]
- Suslov, K.; Solonina, N.; Stepanov, V. A principle of power quality control in the intelligent distribution networks. In Proceedings of the 2015 International Symposium on Smart Electric Distribution Systems and Technologies (EDST), Vienna, Austria, 8–11 September 2015; pp. 260–264. [Google Scholar] [CrossRef]
- Antoniadou-Plytaria, K.E.; Kouveliotis-Lysikatos, I.N.; Georgilakis, P.S.; Hatziargyriou, N.D. Distributed and Decentralized Voltage Control of Smart Distribution Networks: Models, Methods, and Future Research. IEEE Trans. Smart Grid 2017, 8, 2999–3008. [Google Scholar] [CrossRef]
- Colak, I.; Bayindir, R.; Sagiroglu, S. The Effects of the Smart Grid System on the National Grids. In Proceedings of the 2020 8th International Conference on Smart Grid (icSmartGrid), Paris, France, 17–19 June 2020; pp. 122–126. [Google Scholar] [CrossRef]
- Ahmethodzic, L.; Music, M. Comprehensive review of trends in microgrid control. Renew. Energy Focus 2021, 38, 84–96. [Google Scholar] [CrossRef]
- Mortezapour, V.; Lesani, H. Hybrid AC/DC microgrids: A generalized approach for autonomous droop-based primary control in islanded operations. Int. J. Electr. Power Energy Syst. 2017, 93, 109–118. [Google Scholar] [CrossRef]
- Sikorski, T.; Rezmer, J. Distributed Generation and Its Impact on Power Quality in Low-Voltage Distribution Networks. In Power Quality Issues in Distributed Generation; Luszcz, J., Ed.; IntechOpen: London, UK, 2015. [Google Scholar] [CrossRef]
- Aderibigbe, M.A.; Adoghe, A.U.; Agbetuyi, F.; Airoboman, A.E. Impact of Distributed Generations on Power Systems Stability: A Review. In Proceedings of the 2022 IEEE Nigeria 4th International Conference on Disruptive Technologies for Sustainable Development (NIGERCON), Lagos, Nigeria, 5–7 April 2022. [Google Scholar] [CrossRef]
- Voropai, N.I.; Suslov, K.V.; Sokolnikova, T.V.; Styczynski, Z.A.; Lombardi, P. Development of power supply to isolated territories in Russia on the bases of microgrid concept. In Proceedings of the 2012 IEEE Power and Energy Society General Meeting, San Diego, CA, USA, 22–26 July 2012. [Google Scholar] [CrossRef]
- Li, L.; Wang, X. Design and operation of hybrid renewable energy systems: Current status and future perspectives. Curr. Opin. Chem. Eng. 2021, 31, 100669. [Google Scholar] [CrossRef]
- Chen, D.; Xu, Y.; Huang, A.Q. Integration of DC Microgrids as Virtual Synchronous Machines Into the AC Grid. IEEE Trans. Ind. Electron. 2017, 64, 7455–7466. [Google Scholar] [CrossRef]
- Sechilariu, M.; Locment, F.; Wang, B. Photovoltaic electricity for sustainable building. Efficiency and energy cost reduction for isolated DC microgrid. Energies 2015, 8, 7945–7967. [Google Scholar] [CrossRef]
- dos Santos, L.T.; Sechilariu, M.; Locment, F. Optimized load shedding approach for grid-connected DC microgrid systems under realistic constraints. Buildings 2016, 6, 50. [Google Scholar] [CrossRef]
- Sechilariu, M.; Locment, F. Urban DC Microgrid: Intelligent Control and Power Flow Optimization; Butterworth-Heinemann: Oxford, UK, 2016; p. 306. [Google Scholar]
- Bulatov, Y.N.; Kryukov, A.V. Distribution DC Electrical Network with Power Router. In Proceedings of the 2019 International Multi-Conference on Industrial Engineering and Modern Technologies (FarEastCon), Vladivostok, Russia, 1–4 October 2019. [Google Scholar] [CrossRef]
- Mahmud, M.A.; Roy, T.K.; Saha, S.; Haque, M.E.; Pota, H.R. Robust nonlinear adaptive feedback linearizing decentralized controller design for islanded DC microgrids. IEEE Trans. Ind. Appl. 2019, 55, 5343–5352. [Google Scholar] [CrossRef]
- Azizi, A.; Peyghami, S.; Mokhtari, H.; Blaabjerg, F. Autonomous and decentralized load sharing and energy management approach for DC microgrids. Electr. Power Syst. Res. 2019, 177, 106009. [Google Scholar] [CrossRef]
- Ghosh, S.K.; Roy, T.K.; Pramanik, M.A.H.; Sarkar, A.K.; Mahmud, M.A. An Energy Management System-Based Control Strategy for DC Microgrids with Dual Energy Storage Systems. Energies 2020, 13, 2992. [Google Scholar] [CrossRef]
- Van Nguyen, T.; Kim, K.-H. Power Flow Control Strategy and Reliable DC-Link Voltage Restoration for DC Microgrid under Grid Fault Conditions. Sustainability 2019, 11, 3781. [Google Scholar] [CrossRef]
- Nguyen, T.V.; Kim, K.-H. An Improved Power Management Strategy for MAS-Based Distributed Control of DC Microgrid under Communication Network Problems. Sustainability 2020, 12, 122. [Google Scholar] [CrossRef]
- Li, X.; Guo, L.; Li, Y.R.; Hong, C.; Zhang, Y.; Guo, Z.; Huang, D.; Wang, C. Flexible Interlinking and Coordinated Power Control of Multiple DC Microgrids Clusters. IEEE Trans. Sustain. Energy 2018, 9, 904–915. [Google Scholar] [CrossRef]
- Vuyyuru, U.; Maiti, S.; Chakraborty, C. Active Power Flow Control Between DC Microgrids. IEEE Trans. Smart Grid 2019, 10, 5712–5723. [Google Scholar] [CrossRef]
- Bracale, A.; Caramiaa, P.; Carpinelli, G.; Mottola, F.; Proto, D. A Hybrid AC/DC Smart Grid to Improve Power Quality and Reliability. In Proceedings of the 2012 IEEE International Energy Conference and Exhibition (ENERGYCON), Florence, Italy, 9–12 September 2012; pp. 507–514. [Google Scholar]
- Monteiro, V.; Monteiro, L.F.C.; Franco, F.L.; Mandrioli, R.; Ricco, M.; Grandi, G.; Afonso, J.L. The Role of Front-End AC/DC Converters in Hybrid AC/DC Smart Homes: Analysis and Experimental Validation. Electronics 2021, 10, 2601. [Google Scholar] [CrossRef]
- Alsokhiry, F.; Adam, G.P. Multi-Port DC-DC and DC-AC Converters for Large-Scale Integration of Renewable Power Generation. Sustainability 2020, 12, 8440. [Google Scholar] [CrossRef]
- Yaqub, R. Phasor Measurement Unit Assisted Inverter—A Novel Approach for DC Microgrids Performance Enhancement. Electricity 2021, 2, 330–341. [Google Scholar] [CrossRef]
- Paez, J.D.; Frey, D.; Maneiro, J.; Bacha, S.; Dworakowski, P. Overview of DC–DC Converters Dedicated to HVdc Grids. IEEE Trans. Power Deliv. 2019, 34, 119–128. [Google Scholar] [CrossRef]
- Khan, Z.W.; Minxiao, H.; Kai, C.; Yang, L.; Rehman, A.U. State of the Art DC-DC Converter Topologies for the Multi-Terminal DC Grid Applications: A Review. In Proceedings of the 2020 IEEE International Conference on Power Electronics, Smart Grid and Renewable Energy (PESGRE2020), Cochin, India, 2–4 January 2020. [Google Scholar]
- Mohammadi, F.; Nazri, G.-A.; Saif, M. A Bidirectional Power Charging Control Strategy for Plug-in Hybrid Electric Vehicles. Sustainability 2019, 11, 4317. [Google Scholar] [CrossRef]
- Monteiro, V.; Martins, J.S.; Aparício Fernandes, J.C.; Afonso, J.L. Review of a Disruptive Vision of Future Power Grids: A New Path Based on Hybrid AC/DC Grids and Solid-State Transformers. Sustainability 2021, 13, 9423. [Google Scholar] [CrossRef]
- Juneja, A.; Bhattacharya, S. Power router: Architectures and functionalities toward Energy Internet. In Proceedings of the 2011 IEEE International Conference on Smart Grid Communications (SmartGridComm), Brussels, Belgium, 17–20 October 2011; pp. 31–36. [Google Scholar]
- Bulatov, Y.N.; Kryukov, A.V.; Arsentiev, G.O. Use of Power Routers and Renewable Energy Resources in Smart Power Supply Systems. In Proceedings of the 2018 International Ural Conference on Green Energy (UralCon), Chelyabinsk, Russia, 4–6 October 2018; pp. 143–148. [Google Scholar] [CrossRef]
- She, X.; Huang, A.Q.; Burgos, R. Review of Solid State Transformer technologies and their applications in power distribution system. IEEE J. Emerg. Sel. Top. Power Electron. 2013, 1, 186–198. [Google Scholar] [CrossRef]
- Bansode, S.G.; Joshi, P.M. Solid state transformers: New approach and new opportunity. In Proceedings of the 11th IRF International Conference, Pune, India, 15 June 2014; pp. 15–21. [Google Scholar]
- Nishi, Y. Lithium ion secondary batteries; past 10 years and the future. J. Power Sources 2001, 100, 101–106. [Google Scholar] [CrossRef]
- Anderson, P.M.; Fouad, A.A. Power System Control and Stability, 2nd ed.; IEEE Press: New York, NY, USA, 2003. [Google Scholar]
- Bulatov, Y.; Kryukov, A.; Suslov, K. Using Group Predictive Voltage and Frequency Regulators of Distributed Generation Plants in Cyber-Physical Power Supply Systems. Energies 2022, 15, 1253. [Google Scholar] [CrossRef]















| Grid operating conditions | Maximum voltage sag depth on the HV side of the PR , % | Maximum voltage sag depth on the LV side of the PR in the DC grid , % | Maximum voltage sag depth on the LV side of the PR in the AC grid , % | |
| 1 | Non-regulated PRs without the use of ES units | 21.8 | 18.2 | 16.3 |
| 2 | Regulated PRs without the use of ES units | 2.3 | 15.9 | 14.5 |
| Reduction of the voltage sag depth under conditions 2 compared to conditions 1, % | 19.5 | 2.3 | 1.8 | |
| 3 | Regulated PRs with ES units permanently switched on at SPPs | 1.4 | 6.4 | 7 |
| Reduction of the voltage sag depth under conditions 3 compared to conditions 2, % | 0.9 | 9.5 | 7.5 |
| Grid operating conditions | Maximum voltage sag depth on the LV side of the PR in the DC grid , % | Maximum voltage sag depth on the LV side of the PR in the AC grid , % | |
| 1 | Non-regulated PRs without the use of ES units | 7.7 | 7.5 |
| 2 | Regulated PRs without the use of ES units | 6.8 | 6.3 |
| Reduction of the voltage sag depth under conditions 2 compared to conditions 1, % | 0.9 | 1.2 | |
| 3 | Regulated PRs with ES units permanently switched on at SPPs | 3.2 | 3 |
| Reduction of the voltage sag depth under conditions 3 compared to conditions 2, % | 3.6 | 3.3 |
Disclaimer/Publisher’s Note: The statements, opinions and data contained in all publications are solely those of the individual author(s) and contributor(s) and not of MDPI and/or the editor(s). MDPI and/or the editor(s) disclaim responsibility for any injury to people or property resulting from any ideas, methods, instructions or products referred to in the content. |
© 2022 by the authors. Licensee MDPI, Basel, Switzerland. This article is an open access article distributed under the terms and conditions of the Creative Commons Attribution (CC BY) license (https://creativecommons.org/licenses/by/4.0/).
Share and Cite
Bulatov, Y.; Kryukov, A.; Suslov, K. Simulation of Power Router-Based DC Distribution Systems with Distributed Generation and Energy Storage Units. Energies 2023, 16, 214. https://doi.org/10.3390/en16010214
Bulatov Y, Kryukov A, Suslov K. Simulation of Power Router-Based DC Distribution Systems with Distributed Generation and Energy Storage Units. Energies. 2023; 16(1):214. https://doi.org/10.3390/en16010214
Chicago/Turabian StyleBulatov, Yuri, Andrey Kryukov, and Konstantin Suslov. 2023. "Simulation of Power Router-Based DC Distribution Systems with Distributed Generation and Energy Storage Units" Energies 16, no. 1: 214. https://doi.org/10.3390/en16010214
APA StyleBulatov, Y., Kryukov, A., & Suslov, K. (2023). Simulation of Power Router-Based DC Distribution Systems with Distributed Generation and Energy Storage Units. Energies, 16(1), 214. https://doi.org/10.3390/en16010214

