Ferro-Resonance Analysis of Capacitor Voltage Transformer with Fast Saturation Damper
Abstract
:1. Introduction
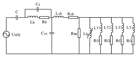
2. Ferro-Resonance Model with CVT Participation
2.1. Modeling of Ferro-Resonance with CVT Participation
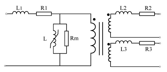
2.2. Simple Modeling of Ferro-Resonance CVT Participation
3. Mathematic Model and Model Simulation Analysis
3.1. Mathematic Model Analysis
3.2. Model Simulation Analysis
4. Model Verification and Data Analysis
- (1)
- Tested CVT parameters
- (2)
- Oscillation
- (3)
- CVT parameter test and verification
- (4)
- Damper parameters and test
5. Discussion and Mechanism Analysis
- (1)
- The bus voltage and other line voltages are normal during charging, indicating that system resonance does not occur, and resonance occurs inside the 220 kV line CVT. The reason for this is that the line is charging. The initial phase angle of the A and B phase voltages and the residual magnetism of the transformer just meet the resonance conditions, causing internal ferromagnetic resonance of the transformer, and voltage fluctuations. Because the damper is not in the best working condition, the inductor coil parameters deviate and cannot be improved. One must eliminate the internal ferromagnetic resonance of the transformer.
- (2)
- The 220 kV line is long. To avoid voltage that is too low at the end of the line, the CVT is designed according to the 242/√3 kV voltage level, and the configured damper parameters are also designed according to the 242/√3 kV voltage level. However, the actual line adopts a variety of methods to reduce impedance. The actual line voltage attenuation is less than 2%, that is, the line operating voltage does not reach the design value (220/√3 kV × 110%), and the damper does not operate at the rated voltage, meaning that the damper is not in the best working condition.
- (3)
- During normal operation of the line CVT, the secondary load is required to be between 25% and 100%, and the secondary load is no-load at the moment of line charging, which affects the resonance elimination effect of the damper.
- (1)
- To avoid abnormal voltage fluctuations, caused by the internal ferromagnetic resonance of the transformer during charging of the overhead line, the resistance is connected in parallel with the residual voltage winding circuit of the CVT, and one must ensure that the total impedance of the fast saturation damper is 200 Ω, and that the manufacturer has made the same type of CVT in the factory. Correlation tests can effectively suppress the internal ferromagnetic resonance of the transformer, but they will slightly affect the measurement accuracy.
- (2)
- After the charging is normal, one must cut off the residual voltage winding circuit and connect the resistance 200 Ω in parallel to prevent measurement errors, and the CVT can work normally.
6. Conclusions
Author Contributions
Funding
Institutional Review Board Statement
Informed Consent Statement
Conflicts of Interest
References
- Kojovic, L.; Kezunovic, M.; Fromen, C.W. A new method for the CCVT performance analysis using field measurements, signal processing and EMTP modeling. IEEE Trans. Power Deliv. 1994, 9, 1907–1915. [Google Scholar] [CrossRef]
- Bakar, A.H.A.; Khan, S.A.; Kwang, T.C.; Rahim, N.A. A review of ferroresonance in capacitive voltage transformer. IEEJ Trans. Electr. Electron. Eng. 2015, 10, 28–35. [Google Scholar] [CrossRef]
- Ajaei, F.B.; Sanaye-Pasand, M.; Rezaei-Zare, A.; Iravani, R. Analysis and Suppression of the Coupling Capacitor Voltage Transformer Ferroresonance Phenomenon. IEEE Trans. Power Deliv. 2009, 24, 1968–1977. [Google Scholar] [CrossRef]
- Chakravarthy, S.K.; Nayar, C.V. Ferroresonant oscillations in capacitor voltage transformers. IEE Proc. Circuits Devices Syst. 1995, 142, 30–36. [Google Scholar] [CrossRef]
- Reis, R.L.D.; Neves, W.L.A.; Lopes, F.V.; Fernandes, D. Coupling Capacitor Voltage Transformers Models and Impacts on Electric Power Systems: A Review. IEEE Trans. Power Deliv. 2019, 34, 1874–1884. [Google Scholar] [CrossRef]
- Mardegan, C.S.; Melo, L.A.R.; Shipp, D.D.; Santana, M.R. The experience acquired sizing snubbers to mitigate switching transients in industrial power systems. IEEE Trans. Ind. Appl. 2015, 52, 3644–3654. [Google Scholar] [CrossRef]
- Tajdinian, M.; Allahbakhshi, M.; Biswal, S.; Malik, O.P.; Behi, D. Study of the Impact of Switching Transient Overvoltages on Ferroresonance of CCVT in Series and Shunt Compensated Power Systems. IEEE Trans. Ind. Inform. 2020, 16, 5032–5041. [Google Scholar] [CrossRef]
- Wang, Y.; Liang, X.; Pordanjani, I.R.; Cui, R.; Jafari, A.; Clark, C. Investigation of Ferroresonance Causing Sustained High Voltage at a De-Energized 138 kV Bus: A Case Study. IEEE Trans. Ind. Appl. 2019, 55, 5675–5686. [Google Scholar] [CrossRef]
- Zhao, L.; Wei, J.; Li, Q.; Xu, G.; Chen, Y.; Liu, B.; Wang, B.; Qi, Z. The influence of CVT parameters on the harmonic transmission characteristics. In Proceedings of the 2016 IEEE 11th Conference on Industrial Electronics and Applications (ICIEA), Hefei, China, 5–7 June 2016; pp. 332–337. [Google Scholar]
- Wei, C.; Li, Q.; Jiang, J. Research on harmonic transmission characteristics of capacitor voltage transformer. In Proceedings of the 2017 Progress in Electromagnetics Research Symposium—Fall (PIERS—FALL), Singapore, 19–22 November 2017; pp. 2564–2570. [Google Scholar]
- Abbasi, H.R.; Gholami, A.; Fathi, S.H.; Abbasi, A. Effect of metal oxide arrester on the chaotic oscillations in the voltage transformer with nonlinear core loss model using chaos theory. Chin. Phys. B 2014, 23, 018201. [Google Scholar] [CrossRef]
- Bin, H.; Zutao, X.; Liangeng, B.; Qiyan, M.; Weidong, L. Study on transients and effect on capacitor voltage transformer caused by disconnector switching of UHV Series Capacitor Banks. In Proceedings of the 2014 International Conference on Power System Technology, Chengdu, China, 20–22 October 2014; pp. 2293–2298. [Google Scholar]
- Chen, L. Optimization of Capacitive Voltage Transformers with Series Saturated Reactor Damper; High Voltage Apparatus: Xi’an, China, 2015; pp. 114–119. [Google Scholar]
- Sakamuri, J.; Yesuraj, D.J. Modeling and Simulation of Capacitor Voltage Transformer Transients using PSCAD/EMTDC, Trondheim. In Proceedings of the 2011 IEEE Trondheim PowerTech, Trondheim, Norway, 19–23 June 2011; pp. 1–8. [Google Scholar]
- Tziouvaras, D.A.; McLaren, P.; Alexander, G.; Dawson, D.; Esztergalyos, J.; Fromen, C.; Glinkowski, M.; Hasenwinkle, I.; Kezunovic, M.; Kojovic, L.; et al. Mathematical Models for Current, Voltage, and Coupling Capacitor Voltage Transformers. IEEE Trans. Power Deliv. 2000, 15, 62–72. [Google Scholar] [CrossRef]
- Jacobson, D.A.N.; Lehn, P.W.; Menzies, R.W. Stability Domain Calculations of Period-1 Ferroresonance in a Nonlinear Resonant Circuit. IEEE Trans. Power Deliv. 2002, 17, 865–871. [Google Scholar] [CrossRef]
- Beres, R.N.; Wang, X.; Blaabjerg, F.; Liserre, M.; Bak, C.L. Optimal Design of High-Order Passive-Damped Filters for Grid-Connected Applications. IEEE Trans. Power Electron. 2016, 31, 2083–2098. [Google Scholar] [CrossRef] [Green Version]
- Aghazadeh, R.; Sanaye-Pasand, M. Damping of capacitive voltage substations ferroresonance using a suitable RLC filter. IEE Proc. Gener. Transm. Distrib. 2004, 151, 721. [Google Scholar] [CrossRef]
- Lyu, D.; Sun, Y.; Li, Y.; Zhao, J.; Ji, Z.; Li, D. Transient Oscillation Suppression Method of Modular Multilevel DC Transformer. IEEE Access 2020, 8, 182943–182958. [Google Scholar] [CrossRef]
- Zare, M.H.; Mirzaei, A.; Abyaneh, H.A. Designing a compensating electronic circuit to enhance capacitive voltage transformer characteristics. In Proceedings of the 9th Power Systems Protection and Control Conference (PSPC2015), Tehran, Iran, 14–15 January 2015; pp. 12–18. [Google Scholar]
- Sakamuri, J.N.; Yesuraj, D.J.; Joshi, S.R. Simulation and Testing of Novel Ferro-Transient Suppression Circuit for CVT. In Proceedings of the 2015 IEEE Power & Energy Society General Meeting, Denver, CO, USA, 26–30 July 2015. [Google Scholar]
- Wang, D.; Wang, X.A. Study of the protective device with inductor in series resistance for capacitor voltage transformer. Trans. China Electrotech. Soc. 2000, 22, 41–46. [Google Scholar]
- Huang, S.; Liu, S.; Hsien, T.; Lee, S.; Cheng, C.; Fan, C. Effect of CCVT Gap Protection Circuit on Voltage Distortion. IEEE Trans. Power Deliv. 2008, 23, 686–692. [Google Scholar] [CrossRef]
- Ming, X.; Houlei, G.; Guanghong, Y.; Ronghua, Y.; Guibin, Z. A Novel correcting method for transient errors of CVT. In Proceedings of the 10th IET International Conference on Developments in Power System Protection (DPSP 2010)—Managing the Change, Manchester, UK, 29 March–1 April 2010; pp. 1–5. [Google Scholar]
- Zhang, J.; Li, B.; Tang, B.; Yang, J.; Huang, L. Resistor-Capacitor Combined DC Bias Protection of AC Power Grid of Jiuquan-Hunan ±800 kV Transmission Lines. IEEE Access 2019, 7, 38730–38737. [Google Scholar] [CrossRef]
- Meng, P.; Chen, H.; Zheng, S.; Wu, X.; Qian, Z. Optimal design for the damping resistor in RCD-R snubber to suppress common-mode noise. In Proceedings of the 2010 Twenty-Fifth Annual IEEE Applied Power Electronics Conference and Exposition (APEC), Palm Springs, CA, USA, 21–25 February 2010; pp. 691–695. [Google Scholar]
- Zhou, Z.; Cai, C.; Zhu, H.; Yang, X.; Wu, F.; Liu, H. Test and diagnosis on a secondary voltage loss fault of a 220kV capacitor voltage transformer. In Proceedings of the 2016 IEEE International Conference on High Voltage Engineering and Application (ICHVE), Chengdu, China, 19–22 September 2016; pp. 1–4. [Google Scholar]
- Machado, E.P.; Fernandes, D.; Neves, W.L.A. Tuning CCVT Frequency Response Data for Improvement of Numerical Distance Protection. IEEE Trans. Power Deliv. 2018, 33, 1062–1070. [Google Scholar] [CrossRef]
- Shahabi, S.; Mirzaei, M.; Gholami, A.; Taheri, S. Investigation of performance of ferroresonance suppressing circuits in coupling capacitor voltage transformers. In Proceedings of the 4th IEEE Conference on Industrial Electronics and Applications, Kuala Lumpur, Malaysia, 3–4 October 2009; pp. 216–221. [Google Scholar]
- Mohan, V.; Poornima, S.; Sugumaran, C.P. Mitigation of Ferroresonance in Capacitive Voltage Transformer Using Memelements. In Proceedings of the International Conference on High Voltage Engineering and Technology (ICHVET), Hyderabad, India, 7–8 February 2019; pp. 1–5. [Google Scholar]
- Roy, M.; Roy, C.K. Experiments on Ferroresonance at Various Line Conditions and Its Damping. In Proceedings of the 2008 Joint International Conference on Power System Technology and IEEE Power India Conference, New Delhi, India, 12–15 October 2008; pp. 1–8. [Google Scholar]
- Rezaei-Zare, A.; Iravani, R.; Sanaye-Pasand, M. Impacts of Transformer Core Hysteresis Formation on Stability Domain of Ferroresonance Modes. IEEE Trans. Power Deliv. 2009, 24, 177–186. [Google Scholar] [CrossRef]
- Rezaei-Zare, A.; Sanaye-Pasand, M.; Mohseni, H.; Farhangi, S.; Iravani, R. Analysis of Ferroresonance Modes in Power Transformers Using Preisach-Type Hysteretic Magnetizing Inductance. IEEE Trans. Power Deliv. 2007, 22, 919–929. [Google Scholar] [CrossRef]
- Rezaei-Zare, A.; Iravani, R.; Sanaye-Pasand, M.; Mohseni, H.; Farhangi, S. An Accurate Hysteresis Model for Ferroresonance Analysis of a Transformer. IEEE Trans. Power Deliv. 2008, 23, 1448–1456. [Google Scholar] [CrossRef]













| Model | TYD242/√3 − 0.005 H |
|---|---|
| Rated Voltage | 242 kV |
| Frequency | 50 Hz |
| Capacity Protection, Control, Measurement Capacity | 0.005618 uF 25 VA |
| Test Place | A/GΩ | B/GΩ | C/GΩ |
|---|---|---|---|
| Previous | |||
| (high-voltage capacitor) | 1.73 | 1.32 | 1.64 |
| Next | |||
| (medium-voltage capacitor) | 1.73 | 1.32 | 1.64 |
| N | 2.17 | 2.20 | 6.45 |
| Test Capacitor | Tanδ% | Cx/nF | CN/nF | ΔC/% | |
|---|---|---|---|---|---|
| A | C11 | 0.123 | 10.52 | 10.51 | +0.10 |
| C12 | 0.126 | 12.99 | 12.98 | +0.08 | |
| C2 | 0.139 | 54.08 | 54.03 | +0.09 | |
| B | C11 | 0.134 | 10.65 | 10.64 | +0.09 |
| C12 | 0.132 | 13.10 | 13.09 | +0.08 | |
| C2 | 0.141 | 55.99 | 55.88 | +0.20 | |
| C | C11 | 0.105 | 10.54 | 10.53 | +0.09 |
| C12 | 0.091 | 13.08 | 13.07 | +0.08 | |
| C2 | 0.118 | 56.05 | 55.99 | +0.11 | |
| U/V | Phase A | Phase B | Phase C | |||
|---|---|---|---|---|---|---|
| I/A | R/Ω | I/A | R/Ω | I/A | R/Ω | |
| DC10 | 0.96 | 5.43 | 0.97 | 5.32 | 0.96 | 5.42 |
| AC100 | 0.00 | — | 0.00 | — | 0.00 | — |
| AC120 | 0.03 | — | 0.03 | — | 0.03 | — |
| AC122 | 0.05 | — | 0.06 | — | 0.07 | — |
| AC124 | 0.21 | — | 0.23 | — | 0.27 | — |
| AC130 | 2.18 | — | 2.52 | — | 2.57 | — |
| AC150 | 7.11 | — | 7.42 | — | 7.65 | — |
| Voltage (V) | 120 | 122~124 | 150 |
|---|---|---|---|
| Current(A) | <0.1 | 0.2 occur | >5 |
Publisher’s Note: MDPI stays neutral with regard to jurisdictional claims in published maps and institutional affiliations. |
© 2022 by the authors. Licensee MDPI, Basel, Switzerland. This article is an open access article distributed under the terms and conditions of the Creative Commons Attribution (CC BY) license (https://creativecommons.org/licenses/by/4.0/).
Share and Cite
Ding, X.; Yang, K.; Wang, W.; Liu, B.; Wang, X.; Zhang, J.; Li, D. Ferro-Resonance Analysis of Capacitor Voltage Transformer with Fast Saturation Damper. Energies 2022, 15, 2791. https://doi.org/10.3390/en15082791
Ding X, Yang K, Wang W, Liu B, Wang X, Zhang J, Li D. Ferro-Resonance Analysis of Capacitor Voltage Transformer with Fast Saturation Damper. Energies. 2022; 15(8):2791. https://doi.org/10.3390/en15082791
Chicago/Turabian StyleDing, Xinzhi, Kai Yang, Weiyu Wang, Bin Liu, Xuejin Wang, Jie Zhang, and Dayi Li. 2022. "Ferro-Resonance Analysis of Capacitor Voltage Transformer with Fast Saturation Damper" Energies 15, no. 8: 2791. https://doi.org/10.3390/en15082791
APA StyleDing, X., Yang, K., Wang, W., Liu, B., Wang, X., Zhang, J., & Li, D. (2022). Ferro-Resonance Analysis of Capacitor Voltage Transformer with Fast Saturation Damper. Energies, 15(8), 2791. https://doi.org/10.3390/en15082791

