Stability Analysis of Open-Loop V/Hz Controlled Asynchronous Machines and Two Novel Mitigation Strategies for Oscillations Suppression
Abstract
:1. Introduction
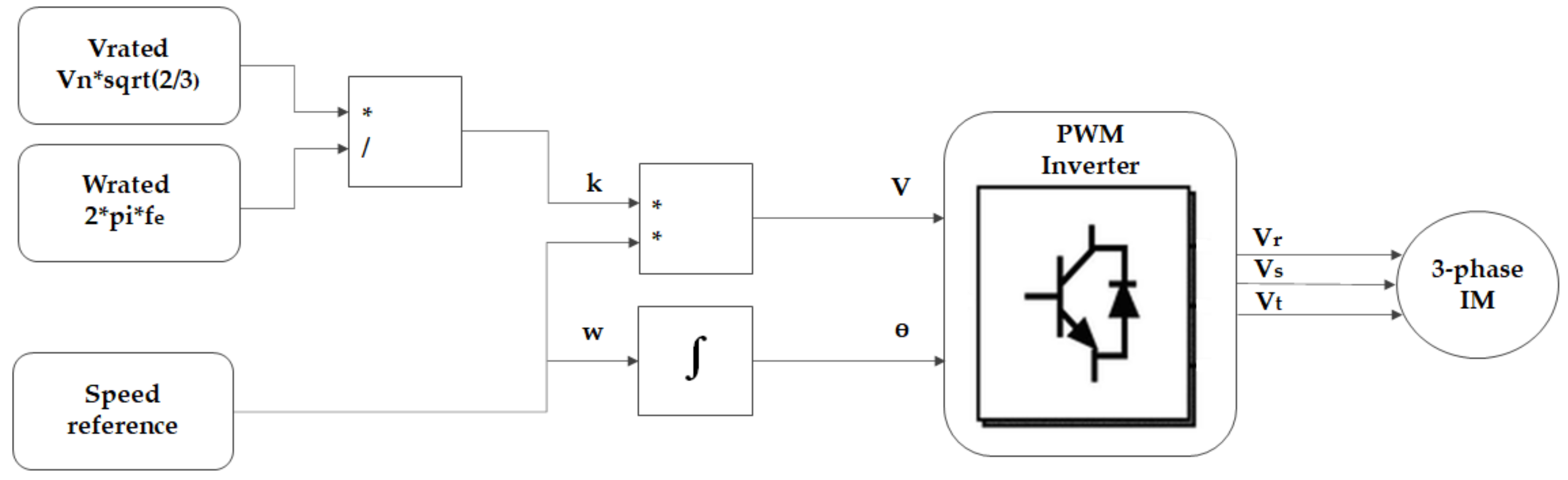
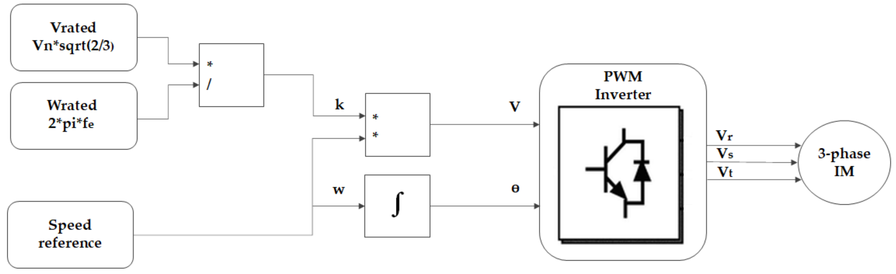
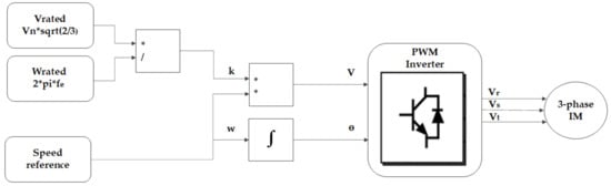
2. The Conventional V/Hz Control
3. Mathematical Modelling
4. Currents and Torque Oscillations Mitigation Techniques
4.1. Ad-Hoc Slope Ramping Algorithm (AHSRA)
4.2. Active Damping Strategy
4.3. Mitigation Techniques Comparison (AHSRA vs. Active Damping)
5. Conclusions
Author Contributions
Funding
Conflicts of Interest
References
- Dems, M.; Komeza, K.; Szulakowski, J.; Kubiak, W. Dynamic Simulation of High-Speed Induction Motor. Energies 2021, 14, 2713. [Google Scholar] [CrossRef]
- Shenai, K.; Scott, R.; Baliga, B. Optimum semiconductors for high-power electronics. IEEE Trans. Electron Devices 1989, 36, 1811–1823. [Google Scholar] [CrossRef]
- Faranda, R.; Hafezi, H.; Akkala, K.; Lazzaroni, M. AC “Back to Back” Switching Device in Industrial Application. Energies 2020, 13, 3539. [Google Scholar] [CrossRef]
- Abouzeid, A.F.; Guerrero, J.M.; Endemaño, A.; Muniategui, I.; Ortega, D.; Larrazabal, I.; Briz, F. Control Strategies for Induction Motors in Railway Traction Applications. Energies 2020, 13, 700. [Google Scholar] [CrossRef] [Green Version]
- Xiang, Y. Instability compensation of V/Hz PWM inverter-fed induction motor drives. In Proceedings of the IAS ’97. Conference Record of the 1997 IEEE Industry Applications Conference Thirty-Second IAS Annual Meeting, New Orleans, LA, USA, 5–9 October 1997; Institute of Electrical and Electronics Engineers (IEEE): Piscataway, NJ, USA, 2002; Volume 1, pp. 613–620. [Google Scholar]
- Lipo, T.A.; Krause, P.C. Stability Analysis of a Rectifier-Inverter Induction Motor Drive. IEEE Trans. Power Appar. Syst. 1969, PAS-88, 55–66. [Google Scholar] [CrossRef]
- Ueda, R.; Sonoda, T.; Ichikawa, M.; Koga, K. Stability analysis in induction motor driven by V/f controlled general purpose inverter. In Proceedings of the Conference Record of the 1990 IEEE Industry Applications Society Annual Meeting, Vancouver, BC, Canada, 10–14 October 1990; Institute of Electrical and Electronics Engineers (IEEE): Piscataway, NJ, USA, 2002; Volume 1, pp. 365–372. [Google Scholar]
- Vladimir, K.; Alexander, A. On the Physical Nature of Frequency Control Problems of Induction Motor Drives. Energies 2021, 14, 4246. [Google Scholar] [CrossRef]
- Hinkkanen, M.; Tiitinen, L.; Molsa, E.; Harnefors, L. On the Stability of Volts-per-Hertz Control for Induction Motors. IEEE J. Emerg. Sel. Top. Power Electron. 2021, 1. [Google Scholar] [CrossRef]
- Lin, J.-L. A new approach of dead-time compensation for PWM voltage inverters. IEEE Trans. Circuits Syst. I Regul. Pap. 2002, 49, 476–483. [Google Scholar] [CrossRef]
- Cheng, J.; Chen, D.; Chen, G. Modeling and Compensation for Dead-Time Effect in High Power IGBT/IGCT Converters with SHE-PWM Modulation. Energies 2020, 13, 4348. [Google Scholar] [CrossRef]
- Colby, R.; Simlot, A.; Hallouda, M. Simplified model and corrective measures for induction motor instability caused by PWM inverter blanking time. In Proceedings of the 21st Annual IEEE Conference on Power Electronics Specialists, San Antonio, TX, USA, 6 August 2002; Institute of Electrical and Electronics Engineers (IEEE): Piscataway, NJ, USA, 2002; pp. 678–683. [Google Scholar]
- Guha, A.; Narayanan, G. Small-Signal Stability Analysis of an Open-Loop Induction Motor Drive Including the Effect of Inverter Deadtime. IEEE Trans. Ind. Appl. 2016, 52, 242–253. [Google Scholar] [CrossRef]
- Mutoh, N.; Ueda, A.; Sakai, K.; Hattori, M.; Nagato, Y. Stabilizing control methods for suppressing oscillations of induction motors driven by PWM inverters. In Proceedings of the 1985 IEEE Power Electronics Specialists Conference, Toulouse, France, 24–28 June 1985; Volume 37, pp. 48–56. [Google Scholar] [CrossRef]
- Mosskull, H. Some issues on stabilization of an induction machine drive. In Proceedings of the 2004 43rd IEEE Conference on Decision and Control (CDC) (IEEE Cat. No.04CH37601), Nassau, Bahamas, 14–17 December 2004; Institute of Electrical and Electronics Engineers (IEEE): Piscataway, NJ, USA, 2004; Volume 4, pp. 4441–4446. [Google Scholar]
- Qian, Z.; Yao, W.; Lee, K. Stability analysis and improvement of V/Hz controlled adjustable speed drives equipped with small DC-link thin film capacitors. In Proceedings of the 2018 IEEE Applied Power Electronics Conference and Exposition (APEC), San Antonio, TX, USA, 4–8 March 2018; Institute of Electrical and Electronics Engineers (IEEE): Piscataway, NJ, USA, 2018; pp. 861–866. [Google Scholar]
- Lee, K.; Yao, W.; Chen, B.; Lu, Z.; Yu, A.; Li, D. Stability Analysis and Mitigation of Oscillation in an Induction Machine. IEEE Trans. Ind. Appl. 2014, 50, 3767–3776. [Google Scholar] [CrossRef]
- Kumar, K.; Marchesoni, M.; Maule, Z.; Passalacqua, M.; Soso, F.; Vaccaro, L. Currents and Torque Oscillations Mitigation in High Power Induction Motor Drives. In Proceedings of the 2021 IEEE 15th International Conference on Compatibility, Power Electronics and Power Engineering (CPE-POWERENG), Florence, Italy, 14–16 July 2021; Institute of Electrical and Electronics Engineers (IEEE): Piscataway, NJ, USA, 2021; pp. 1–5. [Google Scholar]



















| Motor Parameter | Parameter Value |
|---|---|
| Vn—Nominal voltage | 6.6 kV |
| In—Nominal current | 75.8 A |
| Im—Magnetizing current | 16.7 A |
| cosϕ—Power factor | 0.85 |
| Pm—Nominal power | 736 kW |
| fe—Nominal electrical frequency | 50 Hz |
| wn—Nominal mechanical speed | 1485 rpm |
| Tn—Nominal torque | 4800 Nm |
| Je—Electric motor inertia | |
| N—Number of poles | 4 |
| Rs—Stator resistance | 0.329 Ω |
| Rr—Rotor resistance | 0.316 Ω |
| Lls—Stator leakage inductance | 16.4 mH |
| Llr—Rotor leakage inductance | 25.7 mH |
| Lm—Magnetizing inductance | 0.7105 H |
| Td—Deadtime error | 7 μs |
| Vdc—DC bus voltage | 10.942 kV |
| fsw—Switching frequency | 610 Hz |
| Inverter type | NPC 3-level |
| Parameter | Value |
|---|---|
| K1 | 0.282 |
| K2 | 0.1225 |
| tf | 2.1 |
Publisher’s Note: MDPI stays neutral with regard to jurisdictional claims in published maps and institutional affiliations. |
© 2022 by the authors. Licensee MDPI, Basel, Switzerland. This article is an open access article distributed under the terms and conditions of the Creative Commons Attribution (CC BY) license (https://creativecommons.org/licenses/by/4.0/).
Share and Cite
Carbone, L.; Cosso, S.; Kumar, K.; Marchesoni, M.; Passalacqua, M.; Vaccaro, L. Stability Analysis of Open-Loop V/Hz Controlled Asynchronous Machines and Two Novel Mitigation Strategies for Oscillations Suppression. Energies 2022, 15, 1404. https://doi.org/10.3390/en15041404
Carbone L, Cosso S, Kumar K, Marchesoni M, Passalacqua M, Vaccaro L. Stability Analysis of Open-Loop V/Hz Controlled Asynchronous Machines and Two Novel Mitigation Strategies for Oscillations Suppression. Energies. 2022; 15(4):1404. https://doi.org/10.3390/en15041404
Chicago/Turabian StyleCarbone, Lorenzo, Simone Cosso, Krishneel Kumar, Mario Marchesoni, Massimiliano Passalacqua, and Luis Vaccaro. 2022. "Stability Analysis of Open-Loop V/Hz Controlled Asynchronous Machines and Two Novel Mitigation Strategies for Oscillations Suppression" Energies 15, no. 4: 1404. https://doi.org/10.3390/en15041404
APA StyleCarbone, L., Cosso, S., Kumar, K., Marchesoni, M., Passalacqua, M., & Vaccaro, L. (2022). Stability Analysis of Open-Loop V/Hz Controlled Asynchronous Machines and Two Novel Mitigation Strategies for Oscillations Suppression. Energies, 15(4), 1404. https://doi.org/10.3390/en15041404

