Efficient District Heating in a Decarbonisation Perspective: A Case Study in Italy
Abstract
:1. Introduction
- (i)
- the realisation of a calculation model for both stationary and dynamic simulation of district heating networks;
- (ii)
- the application of the developed code to a case study, the network of the University Campus in Parma (a city in the north of Italy);
- (iii)
- the optimisation of the network management by the simulation of different possible scenarios;
- (iv)
- the evaluation of deep renovation interventions, in order to further optimise the network performance.
2. Materials and Methods
2.1. Case Study
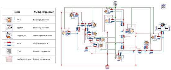
2.2. Modelling
2.3. Simulations: Analysed Scenarios and Optimization
- Scenario 2—Early heating
- Scenario 3—Heating system switched off for no-load condition
- Scenario 4—Supply temperature depending on external conditions
- Average boiler efficiency 93% [35].
- Natural gas price. Reference values for fuel cost were provided by the Italian Regulatory Authority for Energy, Networks and Environment ARERA in terms of final prices for industrial consumers in 2019, divided for consumption slots: 57.06 c€/Sm3 (relative to the range 26,000–263,000 m3) equals to 58.69 €/MWh of primary energy, meaning 63.11 €/MWh of thermal energy fed into the grid.
- Electricity price. From the same reference a value of 22.25 c€/kWhe was selected for the range 50–500 MWhe as electricity cost .
- Operation and maintenance costs were estimated per thermal unit supplied by the central heating plant, i.e., 1.9 €/MWht and 3 €/MWht, respectively [36], and were not affected by the different scenarios because they did not modify the existing network.
- National standard parameters proposed by the Ministry of the Environment were used as a reference for the emission factor of fuel combustion . These include the coefficients used for the CO2 emissions in the UNFCCC national inventory, as an average of the values of the years 2017–2019 [37]: 1.984 tCO2/1000 Sm3 or 56.231 tCO2/TJ, which is 204 gCO2/kWh, assuming 1 as oxidation coefficient.
3. Results and Discussion
4. Conclusions
Author Contributions
Funding
Informed Consent Statement
Data Availability Statement
Acknowledgments
Conflicts of Interest
Appendix A

| User ID | User Description |
|---|---|
| 8 | History Archive |
| 11 | Food Science |
| 19 | Materials Laboratory |
| 32 | Technopole |
| 34 | Earth Science |
| 39 | Big Print Shop Centre |
| 44 | Bar |
| 47 | Big Church Centre/Classrooms |
| 53 | Multipurpose Centre/Auditorium |
| 65 | Palacampus |
| 68 | Science Engineering |
| 69 | Cafeteria |
| Branch | Pipe Diameters [m] | Thermal Insulation Thickness [mm] | Thermal Conductivity [W/(mK)] | Length [m] |
|---|---|---|---|---|
| 1_7 | 0.200 | 47.95 | 0.040 | 193.46 |
| 7_8 | 0.080 | 35.55 | 0.040 | 4.12 |
| 7_10 | 0.200 | 47.95 | 0.040 | 115.81 |
| 10_11 | 0.080 | 35.55 | 0.040 | 20.53 |
| 10_16 | 0.200 | 47.95 | 0.040 | 259.46 |
| 16_19 | 0.080 | 35.55 | 0.040 | 40.94 |
| 16_21 | 0.200 | 47.95 | 0.040 | 17.40 |
| 21_33 | 0.200 | 47.95 | 0.040 | 469.76 |
| 33_34 | 0.125 | 42.65 | 0.040 | 60.04 |
| 33_35 | 0.200 | 47.95 | 0.040 | 6.64 |
| 35_32 | 0.100 | 42.85 | 0.040 | 113.57 |
| 35_36 | 0.125 | 42.65 | 0.040 | 25.22 |
| 36_39 | 0.110 | 42.50 | 0.040 | 19.98 |
| 36_40 | 0.125 | 42.65 | 0.040 | 20.93 |
| 40_69 | 0.100 | 42.85 | 0.040 | 2.20 |
| 40_43 | 0.125 | 42.65 | 0.040 | 55.78 |
| 43_44 | 0.110 | 42.50 | 0.040 | 8.68 |
| 43_47 | 0.110 | 42.50 | 0.040 | 49.96 |
| 21_48 | 0.200 | 47.95 | 0.040 | 91.82 |
| 48_53 | 0.100 | 42.85 | 0.040 | 123.45 |
| 48_55 | 0.200 | 47.85 | 0.040 | 21.50 |
| 55_68 | 0.150 | 41.00 | 0.040 | 86.61 |
| 55_65 | 0.100 | 42.85 | 0.040 | 235.54 |
References
- Smith, M.S.; Cook, C.; Sokona, Y.; Elmqvist, T.; Fukushi, K.; Broadgate, W.; Jarzebski, M.P. Advancing sustainability science for the SDGs. Sustain. Sci. 2018, 13, 1483–1487. [Google Scholar] [CrossRef] [PubMed]
- Connolly, D.; Lund, H.; Mathiesen, B.V.; Werner, S.; Möller, B.; Persson, U.; Boermans, T.; Trier, D.; Østergaard, P.A.; Nielsen, S. Heat Roadmap Europe: Combining district heating with heat savings to decarbonise the EU energy system. Energy Policy 2014, 65, 475–489. [Google Scholar] [CrossRef]
- Proposal for a Regulation of the European Parliament and of the Council Establishing the Framework for Achieving Climate Neutrality and Amending Regulation (EU) 2018/1999 (European Climate Law). Available online: https://eur-lex.europa.eu/legal-content/EN/TXT/?qid=1588581905912&uri=CELEX:52020PC0080 (accessed on 15 November 2021).
- Fernández, M.G.; Bacquet, A.; Bensadi, S.; Morisot, P.; Oger, A. Integrating Renewable and Waste Heat and Cold Sources into District Heating and Cooling Systems; Publications Office of the European Union: Luxembourg, 2021; ISBN 978-92-76-29428-3. Available online: https://publications.jrc.ec.europa.eu/repository/handle/JRC123771 (accessed on 15 November 2021). [CrossRef]
- Margaritis, N.; Rakopoulos, D.; Mylona, E.; Grammelis, P. Introduction of renewable energy sources in the district heating system of Greece. Int. J. Sustain. Energy Plan. 2014, 4, 43–55. [Google Scholar] [CrossRef]
- Sartor, K.; Quoilin, S.; Dewallef, P. Simulation and optimization of a CHP biomass plant and district heating network. Appl. Energy 2014, 130, 474–483. [Google Scholar] [CrossRef] [Green Version]
- Schmidt, R.F.; Fevrier, N.; Dumas, P. Smart cities and Communities, Key to Innovation Integrated Solution—Smart Thermal Grids. 2013. Available online: http://www.rhc-platform.org/fileadmin/2013_RHC_Conference/Presentations/Tuesday_23rd_April/Session_G/1/Philippe_Dumas_Smart_cities_-_Solution_Proposal_Smart_thermal_grid.pdf (accessed on 15 November 2021).
- Schmidt, D. Low Temperature District Heating for Future Energy Systems. Energy Procedia 2018, 149, 595–604. [Google Scholar] [CrossRef]
- Lund, H.; Werner, S.; Wiltshire, R.; Svendsen, S.; Thorsen, J.E.; Hvelplund, F.; Mathiesen, B.V. 4th Generation District Heating (4GDH): Integrating smart thermal grids into future sustainable energy systems. Energy 2014, 68, 1–11. [Google Scholar] [CrossRef]
- Østergaard, D.S.; Svendsen, S. Costs and benefits of preparing existing Danish buildings for low-temperature district heating. Energy 2019, 176, 718–727. [Google Scholar] [CrossRef]
- Sarbu, I.; Sebarchievici, C. Using Ground-Source Heat Pump Systems for Heating/Cooling of Buildings. In Advances in Geothermal Sciences; IntechOpen Limited: London, UK, 2016; Chapter 1. [Google Scholar] [CrossRef] [Green Version]
- Reguis, A.; Vand, B.; Currie, J. Challenges for the Transition to Low-Temperature Heat in the UK: A Review. Energies 2021, 14, 7181. [Google Scholar] [CrossRef]
- Ancona, M.A.; Bianchi, M.; Branchini, L.; De Pascale, A.; Melino, F.; Peretto, A. Low-temperature district heating networks for complete energy needs fulfillment. Int. J. Sustain. Energy Plan. Manag. 2019, 24, 33–42. [Google Scholar] [CrossRef]
- Gestore dei Servizi Energetici GSE S.p.A. (Italian Energy Services Manager). District Heating and Cooling 2019—Networks and Supplied Energy in Italy. 2021. Available online: https://www.gse.it/documenti_site/Documenti%20GSE/Rapporti%20statistici/Nota%20TLR%202021%20-%20GSE.pdf (accessed on 15 November 2021).
- Italian Legislative Decree No. 102 of 4 July 2014 Implementing Directive 2012/27/EU on Energy Efficiency, Amending Directives 2009/125/EC and 2010/30/EU and Repealing Directives 2004/8/EC and 2006/32/EC, Official Journal General Series No. 165 18 July 2014. Available online: https://www.gazzettaufficiale.it/eli/id/2014/07/18/14G00113/sg (accessed on 15 November 2021).
- Italian Ministry of Economic Development, Decree 5 September 2011, New Support Scheme for High-Efficiency Cogeneration, Official Journal General Series No. 218 19 September 2011. Available online: https://www.mise.gov.it/index.php/it/ (accessed on 15 November 2021).
- Ancona, M.A.; Branchini, L.; De Pascale, A.; Melino, F. Smart district heating: Distributed generation systems’ effects on the network. Energy Procedia 2015, 75, 1208–1213. [Google Scholar] [CrossRef] [Green Version]
- Ben Hassine, I.; Eicker, U. Control aspects of decentralized solar thermal integration into district heating networks. Energy Procedia 2014, 48, 1055–1064. [Google Scholar] [CrossRef] [Green Version]
- Résimont, T.; Louveaux, Q.; Dewallef, P. Optimization Tool for the Strategic Outline and Sizing of District Heating Networks Using a Geographic Information System. Energies 2021, 14, 5575. [Google Scholar] [CrossRef]
- Delgado, B.M.; Kotireddy, R.; Cao, S.; Hasan, A.; Hoes, P.J.; Hensen, J.; Sirén, K. Lifecycle cost and CO2 emissions of residential heat and electricity prosumers in Finland and the Netherlands. Energy Convers. Manag. 2018, 160, 494–508. [Google Scholar] [CrossRef] [Green Version]
- Wang, H.; Wang, H.; Zhou, H.; Zhu, T. Modeling and optimization for hydraulic performance design in multisource district heating with fluctuating renewables. Energy Convers. Manag. 2018, 156, 113–129. [Google Scholar] [CrossRef]
- Carpaneto, E.; Lazzeroni, P.; Repetto, M. Optimal integration of solar energy in a district heating network. Renew. Energy 2015, 75, 714–721. [Google Scholar] [CrossRef]
- Huber, D.; Illyés, V.; Turewicz, V.; Götzl, G.; Hammer, A.; Ponweiser, K. Novel District Heating Systems: Methods and Simulation Results. Energies 2021, 14, 4450. [Google Scholar] [CrossRef]
- Vaisi, S.; Mohammadi, S.; Habibi, K. Heat Mapping, a Method for Enhancing the Sustainability of the Smart District Heat Networks. Energies 2021, 14, 5462. [Google Scholar] [CrossRef]
- Delubac, R.; Serra, S.; Sochard, S.; Reneaume, J.-M. A Dynamic Optimization Tool to Size and Operate Solar Thermal District Heating Networks Production Plants. Energies 2021, 14, 8003. [Google Scholar] [CrossRef]
- Corradi, E.; Rossi, M.; Mugnini, A.; Nadeem, A.; Comodi, G.; Arteconi, A.; Salvi, D. Energy, Environmental, and Economic Analyses of a District Heating (DH) Network from Both Thermal Plant and End-Users’ Prospective: An Italian Case Study. Energies 2021, 14, 7783. [Google Scholar] [CrossRef]
- Ancona, M.A.; Branchini, L.; De Lorenzi, A.; De Pascale, A.; Gambarotta, A.; Melino, F.; Morini, M. Application of different modeling approaches to a district heating network. AIP Conf. Proc. 2019, 2191, 020009. [Google Scholar] [CrossRef]
- Italian Presidential Decree 26 August 1993, No. 412, Regulation on Standards for the Design, Installation, Operation and Maintenance of Heating Systems in Buildings Aimed at Limiting Energy Consumption, in Implementation of Art. 4, Paragraph 4, of Law 9 January 1991, No. 10. Official Journal General Series No. 242 14 October 1993. Available online: https://www.gazzettaufficiale.it/eli/id/1993/10/14/093G0451/sg (accessed on 15 November 2021).
- Stonfer, M.; Morini, M.; Gambarotta, A.; Rossi, M. Development of a Dynamic Model for the Simulation of District Heating Networks in a Smart Energy Perspective and Application to the University Campus. Master’s Thesis, University of Parma, Parma, Italy, 2016. [Google Scholar]
- Saletti, C.; Zimmerman, N.; Morini, M.; Kyprianidis, K.; Gambarotta, A. A control-oriented scalable model for demand side management in district heating aggregated communities. Appl. Therm. Eng. 2022, 201, 117681. [Google Scholar] [CrossRef]
- Ziegler, J.G.; Nichols, N.B. Optimum Settings for Automatic Controllers. J. Dyn. Syst. Meas. Control 1993, 115, 220–222. [Google Scholar] [CrossRef]
- Agency for Prevention, Environment and Energy Emilia-Romagna ARPAE, Dexter. Available online: https://simc.arpae.it/dext3r (accessed on 15 November 2021).
- Italian Ministry for Economic Development (MiSE), Circular 18 December 2014, New Ways of Appointing Energy Managers. Available online: https://www.mise.gov.it/index.php/it/energia/efficienza-energetica/94-normativa/circolari,-note,-direttive-e-atti-di-indirizzo/2031968-circolare-del-18-dicembre-2014-nuove-modalita-di-nomina-degli-energy-manager (accessed on 15 November 2021).
- Caputo, A. Indicators of Efficiency and Decarbonization of the National Energy and Power System; Italian Superior Institute for Environmental Protection and Research (ISPRA): Rome, Italy, 2021; ISBN 978-88-448-1049-8. [Google Scholar]
- Sdringola, P.; Proietti, S.; Astolfi, D.; Castellani, F. Combined Heat and Power Plant and District Heating and Cooling Network: A Test-Case in Italy with Integration of Renewable Energy. ASME J. Sol. Energy Eng. 2018, 140, 5. [Google Scholar] [CrossRef]
- Gestore dei Servizi Energetici GSE S.p.A. (Italian Energy Services Manager). Assessment of National and Regional Potential for Application of High-Efficiency Cogeneration and Efficient District Heating, Dossier in Compliance with Article 10 of Legislative Decree 102/2014 Implementing the Energy Efficiency Directive 2012/27/EU, December 2016. Available online: https://www.gse.it (accessed on 15 November 2021).
- Italian Ministry of the Environment, Land and Sea Protection, National Standard Parameters—Coefficients Used for CO2 Emissions Inventory in the UNFCCC National Inventory (Average of Values for the Years 2017–2019). Available online: https://www.ets.minambiente.it/News#201-pubblicazione-parametri-standard-nazionali-anno-2020 (accessed on 15 November 2021).
- Caserini, S.; Baglione, P.; Cottafava, D.; Gallo, M.; Laio, F.; Magatti, G.; Maggi, V.; Maugeri, M.; Moreschi, L.; Perotto, E.; et al. CO2 emission factors for energy consumption and transport for the greenhouse gas inventories of Italian universities. Ing. Dell’ambiente 2019, 6, 43–59. [Google Scholar] [CrossRef]
- H2020, European Project TEMPO Temperature Optimisation for Low Temperature District Heating across Europe, H2020-EE-2017-RIA-IA. Grant Agreement ID: 768936. Available online: https://www.tempo-dhc.eu/ (accessed on 15 November 2021).














| Component | Model Name | Inputs | Outputs |
|---|---|---|---|
| Pipeline | DualDynamicPipe | Hydraulic diameter and length of pipe Thickness and conductivity of the insulation | Friction loss Heat loss |
| Building | BuildingIndirectStation | Nominal pressure difference in the network Nominal space heating flow rate Nominal supply and return temperatures Nominal building inside temperature Building performance coefficients (Equation (4)), Parameters of temperature controllers (time constants, activation/deactivation time of control) | Building inside temperature Required heat load |
| Thermal power station | Supply_pT | Nominal pressure difference of pump Nominal heat flow rate Supply temperature | Supplied thermal power Spent electrical power |
| Heat loss | SoilTemperature OutsideTemperature | Ground temperature Outside temperature profile | Total ground heat loss Buildings total heat exchange |
| Coefficient | Min | Max |
|---|---|---|
| [1/h] | 0.00342 | 0.03280 |
| [°C/kJ] | 1.7778 × 10−7 | 6.8889 × 10−6 |
| [1/h] | 0.00000 | 0.00896 |
| [1/h] | 0.00000 | 0.04378 |
| Inputs | Setting |
|---|---|
| Supply temperature at thermal power station | Nominal supply temperature: 80 °C |
| Pressure difference at thermal power station | Nominal pressure difference: 5.4 bar |
| Nominal return temperature at thermal power station | 55 °C |
| Nominal supply temperature of secondary circuit | 70 °C |
| Nominal return temperature of secondary circuit | 55 °C |
| Set-point temperature inside buildings | 20 °C |
| Parameters of temperature controllers inside buildings | Values from Ziegler-Nichols method [31] K = 45, Ti = 3000 s |
| User SH ON time | 07:00–20:00, except for Palacampus: 07:00–22:00 |
| User Ventilation ON time | 09:00–18:00, expect for Palacampus: 09:00–20:00 |
| Scenarios | Energy from Thermal Central Unit | Fuel Consumption | Pumping Elec-tricity | Total | |||||
|---|---|---|---|---|---|---|---|---|---|
| [kWht] | [kWh] | [Sm3] | [toe] | [kWhe] | [toe] | [toe] | [€] | [tCO2] | |
| Reference case (Scenario 1) | 1,458,454 | 1,568,230 | 161,304 | 134.85 | 51,268 | 8.77 | 143.62 | 110,593 | 335.67 |
| Scenario 2 | 1,472,261 | 1,583,076 | 162,831 | 136.13 | 51,257 | 8.77 | 144.89 | 111,530 | 338.69 |
| Scenario 3 | 1,440,722 | 1,549,164 | 159,343 | 133.21 | 51,257 | 8.76 | 141.98 | 109,385 | 331.77 |
| Scenario 4 | 1,424,314 | 1,531,520 | 157,528 | 131.69 | 57,915 | 9.90 | 141.60 | 109,751 | 330.20 |
| Reference scenario (heating season) | 4,927,694 | 5,298,596 | 544,998 | 455.62 | 168,561 | 28.82 | 484.44 | 372,627 | 1132.70 |
| Optimized scenario (heating season) | 4,753,444 | 5,111,231 | 525,727 | 439.51 | 181,649 | 31.06 | 470.57 | 363,688 | 1098.46 |
Publisher’s Note: MDPI stays neutral with regard to jurisdictional claims in published maps and institutional affiliations. |
© 2022 by the authors. Licensee MDPI, Basel, Switzerland. This article is an open access article distributed under the terms and conditions of the Creative Commons Attribution (CC BY) license (https://creativecommons.org/licenses/by/4.0/).
Share and Cite
Ricci, M.; Sdringola, P.; Tamburrino, S.; Puglisi, G.; Donato, E.D.; Ancona, M.A.; Melino, F. Efficient District Heating in a Decarbonisation Perspective: A Case Study in Italy. Energies 2022, 15, 948. https://doi.org/10.3390/en15030948
Ricci M, Sdringola P, Tamburrino S, Puglisi G, Donato ED, Ancona MA, Melino F. Efficient District Heating in a Decarbonisation Perspective: A Case Study in Italy. Energies. 2022; 15(3):948. https://doi.org/10.3390/en15030948
Chicago/Turabian StyleRicci, Mattia, Paolo Sdringola, Salvatore Tamburrino, Giovanni Puglisi, Elena Di Donato, Maria Alessandra Ancona, and Francesco Melino. 2022. "Efficient District Heating in a Decarbonisation Perspective: A Case Study in Italy" Energies 15, no. 3: 948. https://doi.org/10.3390/en15030948
APA StyleRicci, M., Sdringola, P., Tamburrino, S., Puglisi, G., Donato, E. D., Ancona, M. A., & Melino, F. (2022). Efficient District Heating in a Decarbonisation Perspective: A Case Study in Italy. Energies, 15(3), 948. https://doi.org/10.3390/en15030948

