Recent Research Progress in Piezoelectric Vibration Energy Harvesting Technology
Abstract
:1. Introduction
1.1. Meaning of Energy Harvesting
1.2. Ways of Micro Energy Harvesting
1.3. Main Work
- (1)
- Section 2 focuses on a review of the three different conversion modes of PVEH and comparative analysis of the three different modes on piezoelectric energy harvesting power using graphs. There is also a part on piezoelectric materials, piezoelectric effects, and mechanical models of piezoelectric energy harvesting.
- (2)
- Section 3 is about the classification of piezoelectric energy harvesting structures according to the type of external excitation. In the form of a table, the effect of different excitation types of harvesters on the output power of piezoelectric energy harvesting is statistically and analytically presented.
- (3)
- Section 4 reviews the progress of other related research on piezoelectric energy harvesting. The research on piezoelectric materials, mechanical structures, and kinetic properties is presented to optimize the piezoelectric energy harvesting structure, improve the piezoelectric harvesting efficiency, and broaden the operating band.
- (4)
- The last section analyzes the problems of the current stage of piezoelectric energy harvesting technology in the light of the material collected in this paper and proposes future research directions and work.
2. Mechanism
2.1. Piezoelectric Materials and Piezoelectric Effects
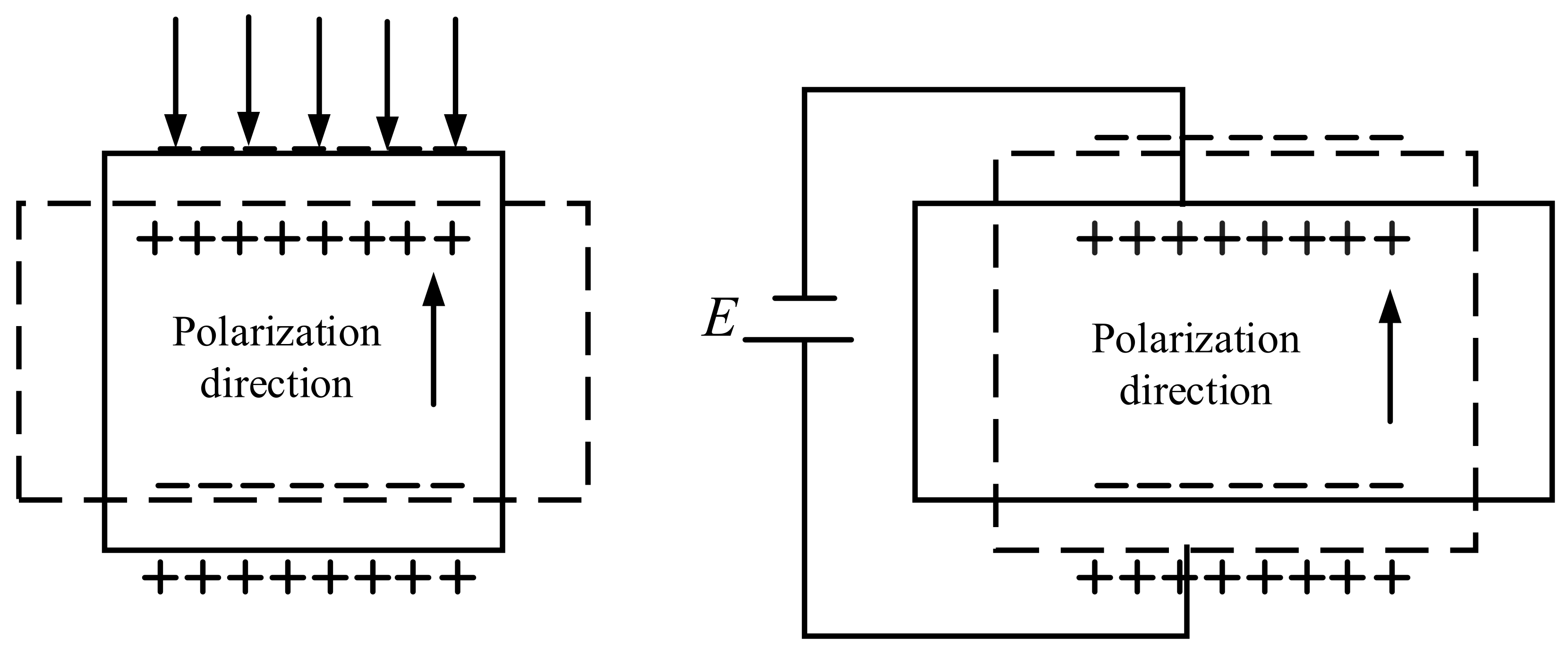
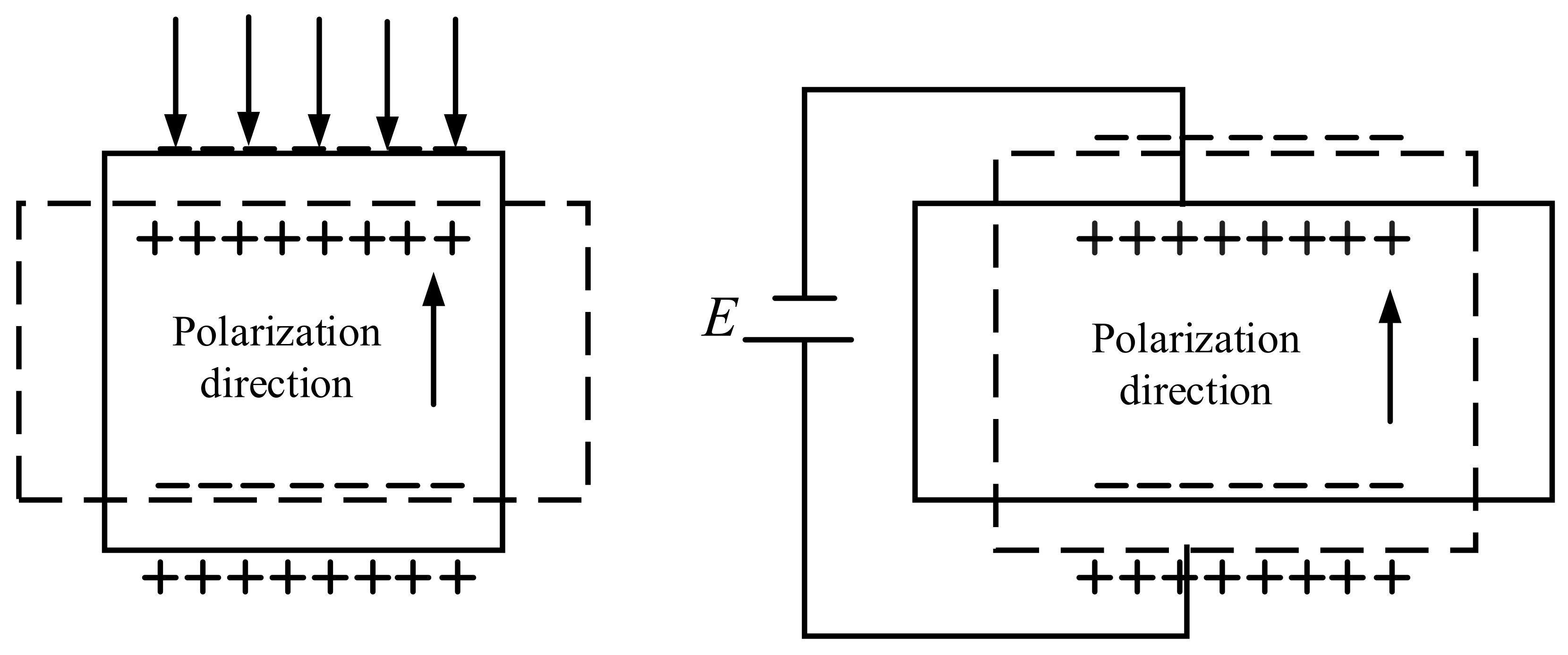
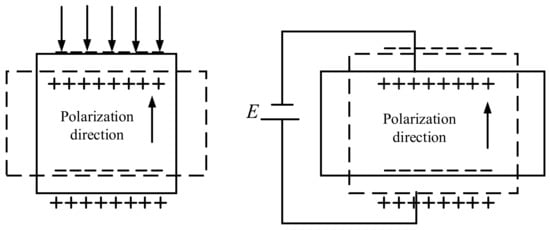
2.2. Mechanical Model of a Vibration Energy Harvester
2.3. Typical Modes
2.3.1. Mode d15
2.3.2. Mode d33
2.3.3. Mode d31
3. Energy Harvesters of Different Excitation Types
3.1. Impact-Type Harvesters
3.2. Resonant-Type Harvesters
4. Research Progress of PVEH
4.1. Piezoelectric Materials
4.1.1. Piezoelectric Ceramics
4.1.2. Piezoelectric Fiber Composite Materials
4.1.3. Alloy Materials
4.2. Mechanical Structure of the Energy Harvester
4.3. Dynamics of Energy Harvesters
4.3.1. Bi-Stable Process
4.3.2. Multi-Stable
5. Summary and Outlook
- (1)
- Breakthrough single degrees of freedom to achieve multiple degrees of freedom with respect to energy extraction to meet the power output. In addition, the use of a combination of multiple modes, not limited to piezoelectric–electromagnetic or piezoelectric–friction, may be a combination of a piezoelectric–electromagnetic–friction electrical conversion mechanism into a system to improve performance while expanding applicability.
- (2)
- The traditional cantilever beam structure can be changed to a spring device as the response structure of the device, and a regulatory structure is introduced into the structure to adjust the inherent frequency of the device by controlling the spring, thus giving the whole device a frequency modulation function and widening the bandwidth of the collected frequency band. By collecting nonlinear vibration energy, various nonlinear energies are coupled and integrated to achieve high power output.
- (3)
- Adjust the vibration source in the environment to the excitation suitable for the d15 operating mechanism, making the shear mode easily accessible, and breaking the bottleneck of d15 to achieve high power output. At the same time, material technology is used to reduce the device size and power consumption, and the back-end collection circuit is incorporated into the system to enhance the integration capability and flexibility of the device and ensure the output power density.
Author Contributions
Funding
Institutional Review Board Statement
Informed Consent Statement
Data Availability Statement
Conflicts of Interest
Nomenclature
| m | Vibrator mass, g |
| d | Damper damping |
| ks | Stiffness coefficient |
| Ym | Frame amplitude, mm |
| fp | Vibration frequency, Hz |
| φ | Phase difference |
| Zm | Displacement amplitude, mm |
| F | Inertial force, N |
| Fg | Return force, N |
| de | Air damping |
| ωn | Natural frequency, Hz |
| P | Output Power, V |
Abbreviations
| PVEH | Piezoelectric vibration energy harvesting |
| EH | Energy harvesting |
| PVDF | Poly(vinylidene fluoride) |
| IOT | Internet of Things |
| PEH | Piezoelectric energy harvester |
| PZT | Lead Zirconate Titanate (piezoelectric ceramic material) |
| PVDF | Polyvinylidene fluoride |
| MFC | Macro fiber composite |
| AFC | Active fiber composite |
| PVEHS | Piezoelectric vibration energy harvesting structures |
References
- Guan, M.J.; Liao, W.H. On the efficiencies of piezoelectric energy harvesting circuits towards storage device voltages. Smart Mater. Struct. 2007, 16, 498–505. [Google Scholar] [CrossRef]
- Jiang, L.; Yang, Y.; Chen, R.; Lu, G.; Li, R.; Xing, J.; Shung, K.K.; Humayun, M.S.; Zhu, J.; Chen, Y.; et al. Ultrasound-induced wireless energy harvesting for potential retinal electrical stimulation application. Adv. Funct. Mater. 2019, 29, 1902522. [Google Scholar] [CrossRef]
- Yang, Y.; Hu, H.; Chen, Z.; Wang, Z.; Jiang, L.; Lu, G.; Li, X.; Chen, R.; Jin, J.; Kang, H.; et al. Stretchable nanolayered thermoelectric energy harvester on complex and dynamic surfaces. Nano Lett. 2020, 20, 4445–4453. [Google Scholar] [CrossRef]
- Lee, Y. A review of recent research on mm-scale sensor systems. In Proceedings of the 2015 International System-on-Chip Design Conference, Beijing, China, 8–11 September 2015; IEEE: New York, NY, USA, 2015; pp. 87–88. [Google Scholar]
- Ziaie, B.; Najafi, K. An implantable microsystem for tonometric blood pressure measurement. Biomed. Microdevices 2001, 3, 285–292. [Google Scholar] [CrossRef]
- Fang, S.; Fu, X.; Du, X.; Du, X.; Liao, W.-H. A music-box-like extended rotational plucking energy harvester with multiple piezoelectric cantilevers. Appl. Phys. Lett. 2019, 114, 233902. [Google Scholar] [CrossRef]
- Jung, I.; Shin, Y.-H.; Kim, S.; Choi, J.-Y.; Kang, C.-Y. Flexible piezoelectric polymer-based energy harvesting system for roadway applications. Appl. Energy 2017, 197, 222–229. [Google Scholar] [CrossRef]
- Naruse, Y.; Matsubara, N.; Mabuchi, K.; Izumi, M.; Suzuki, S. Electrostatic micro power generation from low-frequency vibration such as human motion. J. Micromech. Microeng. 2009, 19, 094002. [Google Scholar] [CrossRef]
- Tan, Q.; Fan, K.; Tao, K.; Zhao, L.; Cai, M. A two-degree-of-freedom string-driven rotor for efficient energy harvesting from ultra-low frequency excitations. Energy 2020, 196, 117107. [Google Scholar] [CrossRef]
- Tao, K.; Wu, J.; Tang, L.; Xia, X.; Lye, S.W.; Miao, J.; Hu, X. A novel two-degree-of-freedom MEMS electromagnetic vibration energy harvester. J. Micromech. Microeng. 2016, 26, 035020. [Google Scholar] [CrossRef]
- Kwak, S.S.; Yoon, H.-J.; Kim, S.-W. Textile-based triboelectric nanogenerators for self-powered wearable electronics. Adv. Funct. Mater. 2019, 29, 1804533. [Google Scholar] [CrossRef]
- Wang, P.; Pan, L.; Wang, J.; Xu, M.; Dai, G.; Zou, H.; Dong, K.; Wang, Z.L. An ultra-low-friction triboelectric-electromagnetic hybrid nanogenerator for rotation energy harvesting and self-powered wind speed sensor. ACS Nano 2018, 12, 9433–9440. [Google Scholar] [CrossRef]
- Wang, J.; Nabawy, M.R.; Cioncolini, A.; Revell, A.; Weigert, S. Planform Geometry and Excitation Effects of PVDF-Based Vibration Energy Harvesters. Energies 2021, 14, 211. [Google Scholar] [CrossRef]
- Zhao, H.; Wei, X.; Zhong, Y.; Wang, P. A direction self-tuning two-dimensional piezoelectric vibration energy harvester. Sensors 2019, 20, 77. [Google Scholar] [CrossRef] [Green Version]
- Roundy, S.; Wright, P.K. A piezoelectric vibration based generator for wireless electronics. Smart Mater. Struct. 2004, 13, 1131–1142. [Google Scholar] [CrossRef] [Green Version]
- Priya, S. Advances in energy harvesting using low profile piezoelectric transducers. J. Electroceram. 2007, 19, 167–184. [Google Scholar] [CrossRef]
- Fei, L.K. Research of Vibration Energy Harvesting Technologies by Piezoelectric Cantilever Beam; North China Electric Power University: Beijing, China, 2013. [Google Scholar]
- Wang, Z.H. A Study on Vibration Energy Recovery Device Based on Piezoelectric Ceramic Crystal; Zhejiang University: Hangzhou, China, 2015. [Google Scholar]
- Wong, C.H.; Dahari, Z.; Abd Manaf, A.; Miskam, M.A. Harvesting raindrop energy with piezoelectrics: A review. J. Electron. Mater. 2014, 44, 13–21. [Google Scholar] [CrossRef]
- Liu, T.; Zhao, C.; Zhang, G.; Wang, Y. Research progress on piezoelectric materials in the field of energy harvesting. Mater. Mech. Eng. 2020, 44, 82–87. [Google Scholar]
- Aktakka, E.E.; Najafi, K. Three-axis piezoelectric vibration energy harvester. In Proceedings of the 2015 28th IEEE International Conference on Micro Electro Mechanical Systems: 2015 28th IEEE International Conference on Micro Electro Mechanical Systems (MEMS 2015), Estoril, Portugal, 18–22 January 2015; pp. 1141–1144. [Google Scholar]
- Pei, X.; Gao, H. The research state and influence of piezoelectric materials. Anhui Chem. Ind. 2010, 36, 4–6. [Google Scholar]
- Luo, Y.; Yu, Y.; Liao, J.; Jin, Y.; Li, J.; Ye, M. Piezoelectric properties of PVDF-ZnO/GR copolymer films prepared by high voltage electrospinning. Chin. J. Sens. Actuators 2019, 32, 815–821. [Google Scholar]
- Li, B. Research on the Vibration Energy Harvesting Structure Using Piezoelectric Materials; Southwest University of Science and Technology: Mianyang, China, 2016. [Google Scholar]
- Tang, G. Multi-Physical Field Coupling Properties of Organic Piezoelectric Materials; Kunming University of Science and Technology: Kunming, China, 2017. [Google Scholar]
- Nunes-Pereira, J.; Sencadas, V.; Correia, V.; Rocha, J.G.; Lanceros-Mendez, S. Energy harvesting performance of piezoelectric electrospun polymer fibers and polymer/ceramic composites. Sens. Actuators A Phys. 2013, 196, 55–62. [Google Scholar] [CrossRef] [Green Version]
- Zhang, X.; Xia, W.; Xing, J.; Feng, Y.; Lu, D. Research progress of polyvinylidence fluoride and its copolymer piezoelectric composites. Acta Mater. Compos. Sin. 2021, 38, 997–1019. [Google Scholar]
- Zhao, J.; Li, F.; Wang, Z.; Dong, P.; Xia, G.; Wang, K. Flexible PVDF nanogenerator-driven motion sensors for human body motion energy tracking and monitoring. J. Mater. Sci.-Mater. Electron. 2021, 32, 14715–14727. [Google Scholar] [CrossRef]
- Bowen, C.R.; Kim, H.A.; Weaver, P.M.; Dunn, S. Piezoelectric and ferroelectric materials and structures for energy harvesting applications. Energy Environ. Sci. 2014, 7, 25–44. [Google Scholar] [CrossRef] [Green Version]
- Yan, Z. Research on Theory and Key Technologies of Piezoelectric Vibration Generator for Improving Generating Capacity. Ph.D. Thesis, North China Electric Power University, Beijing, China, 2012. [Google Scholar]
- Williams, C.B.; Yates, R.B. Analysis of a micro-electric generator for microsystems. Sens. Actuators A Phys. 1996, 52, 8–11. [Google Scholar] [CrossRef]
- Wu, L. Research and Design Piezoelectric Energy Harvesting ICs; Hunan University: Changsha, China, 2017. [Google Scholar]
- Qian, F.; Zhou, W.; Kaluvan, S.; Zhang, H.; Zuo, L. Theoretical modeling and experimental validation of a torsional piezoelectric vibration energy harvesting system. Smart Mater Struct. 2018, 27, 045018. [Google Scholar] [CrossRef]
- Rödig, T.; Schönecker, A.; Gerlach, G. A survey on piezoelectric ceramics for generator applications. J. Am. Ceram. Soc. 2010, 93, 901–912. [Google Scholar] [CrossRef]
- Edery-Azulay, L.; Abramovich, H. Piezoelectric actuation and sensing mechanisms-closed form solutions. Compos. Struct. 2004, 64, 443–453. [Google Scholar] [CrossRef]
- Ma, M.; Xia, S.; Li, Z.; Xu, Z.; Yao, X. Enhanced energy harvesting performance of the piezoelectric unimorph with perpendicular electrodes. Appl. Phys. Lett. 2014, 105, 043905. [Google Scholar] [CrossRef]
- Gao, X.; Qiu, C.; Li, G.; Ma, M.; Yang, S.; Xu, Z.; Li, F. High output power density of a shear-mode piezoelectric energy harvester based on Pb(In1/2Nb1/2)O3-Pb(Mg1/3Nb2/3)O3-PbTiO3 single crystals. Appl. Energy 2020, 271, 115193. [Google Scholar] [CrossRef]
- Ren, B.; Or, S.W.; Wang, F.; Zhao, X.; Luo, H.; Li, X.; Zhang, Q.; Di, W.; Zhang, Y. Piezoelectric energy harvesting based on shear mode 0.71Pb(Mg(1/3)Nb(2/3))O3-0.29PbTiO3 single crystals. IEEE Trans. Ultrason. Ferroelectr. Freq. Control 2010, 57, 1419–1425. [Google Scholar] [CrossRef]
- Zhou, L.; Sun, J.; Zheng, X.J.; Deng, S.F.; Zhao, J.H.; Peng, S.T.; Zhang, Y.; Wang, X.Y.; Cheng, H.B. A model for the energy harvesting performance of shear mode piezoelectric cantilever. Sens. Actuators A Phys. 2012, 179, 185–192. [Google Scholar] [CrossRef]
- Wang, Z. Self-powered nanotech—Nanosize machines need still tinier power plants. Sci. Am. 2008, 298, 82–87. [Google Scholar] [CrossRef]
- Wang, Z. The new field of nanopiezotronics. Mater. Today 2007, 10, 20–28. [Google Scholar] [CrossRef]
- Anton, S.R.; Sodano, H.A. A review of power harvesting using piezoelectric materials (2003–2006). Smart Mater. Struct. 2007, 16, R1–R21. [Google Scholar] [CrossRef]
- Majidi, C.; Haataja, M.; Srolovitz, D.J. Analysis and design principles for shear-mode piezoelectric energy harvesting with ZnO nanoribbons. Smart Mater. Struct. 2010, 19, 055027. [Google Scholar] [CrossRef]
- Chen, S.C.; Cheng, C.H.; Lin, Y.C. Analysis and experiment of a novel actuating design with a shear mode PZT actuator for microfluidic application. Sens. Actuators A Phys. 2007, 135, 1–9. [Google Scholar] [CrossRef]
- Zeng, Z.; Ren, B.; Gai, L.; Zhao, X.; Luo, H.; Wang, D. Shear-mode-based cantilever driving low-frequency piezoelectric energy harvester using 0.67Pb(Mg1/3Nb2/3)O3-0.33PbTiO3. IEEE Trans. Ultrason. Ferroelectr. Freq. Control 2016, 63, 1192–1197. [Google Scholar] [CrossRef]
- Wang, D.A.; Liu, N.Z. A shear mode piezoelectric energy harvester based on a pressurized water flow. Sens. Actuators A Phys. 2011, 167, 449–458. [Google Scholar] [CrossRef]
- Kim, S.B.; Park, H.; Kim, S.H.; Wikle, H.C.; Park, J.H.; Kim, D.J. Comparison of MEMS PZT Cantilevers Based on d31 and d33 Modes for Vibration Energy Harvesting. J. Microelectromech. Syst. 2013, 22, 26–33. [Google Scholar] [CrossRef]
- Choi, W.J.; Jeon, Y.; Jeong, J.-H.; Sood, R.; Kim, S.G. Energy harvesting MEMS device based on thin film piezoelectric cantilevers. J. Electroceram. 2006, 17, 543–548. [Google Scholar] [CrossRef]
- Park, J.C.; Park, J.Y.; Lee, Y.-P. Modeling and characterization of piezoelectric d33-mode MEMS energy harvester. J. Microelectromech. Syst. 2010, 19, 1215–1222. [Google Scholar] [CrossRef]
- Kim, S.B.; Park, J.H.; Kim, S.H.; Ahn, H.; Wikle, H.C.; Kim, D.J. Modeling and evaluation of d33 mode piezoelectric energy harvesters. J. Micromech. Microeng. 2012, 22, 105013. [Google Scholar] [CrossRef]
- Shen, Z.; Liu, S.; Miao, J.; Woh, L.S.; Wang, Z. Proof mass effects on spiral electrode d33 mode piezoelectric diaphragm-based energy harvester. In Proceedings of the IEEE Micro Electro Mechanical Systems, Taipei, Taiwan, 20–24 January 2013; pp. 821–824. [Google Scholar]
- Sun, C.; Shang, G.; Zhu, X.; Tao, Y.; Li, Z. Modeling for Piezoelectric Stacks in Series and Parallel. In Proceedings of the 2013 Third International Conference on Intelligent System Design and Engineering Applications (ISDEA), Hong Kong, China, 16–18 January 2013; pp. 954–957. [Google Scholar]
- Kashyap, R.; Lenka, T.R.; Baishya, S. Distributed parameter modeling of cantilevered-d33-mode piezoelectric energy harvesters. IEEE Trans. Electron Devices 2016, 63, 1281–1287. [Google Scholar] [CrossRef]
- Ahmad, K.A.; Abdullah, N.; Manaf, A.A. D33 mode based piezoelectric micromachined ultrasonic transducers. In Proceedings of the 2017 IEEE 15th Student Conference on Research and Development, Putrajaya, Malaysia, 13–14 December 2017; pp. 158–161. [Google Scholar]
- Tang, G.; Yang, B.; Liu, J.Q.; Xu, B.; Zhu, H.Y.; Yang, C.S. Development of high performance piezoelectric d33 mode MEMS vibration energy harvester based on PMN-PT single crystal thick film. Sens. Actuators A Phys. 2014, 205, 150–155. [Google Scholar] [CrossRef]
- Wang, J.; Li, G.; Zhou, S.; Litak, G. Enhancing wind energy harvesting using passive turbulence control devices. Appl. Sci. 2019, 9, 998. [Google Scholar] [CrossRef] [Green Version]
- Wu, J.; Chen, X.; Chu, Z.; Shi, W.; Yu, Y.; Dong, S. A barbell-shaped high-temperature piezoelectric vibration energy harvester based on BiScO3-PbTiO3 ceramic. Appl. Phys. Lett. 2016, 109, 173901. [Google Scholar] [CrossRef]
- Liu, J.; Gao, X.; Qiu, C.; Qiao, L.; Yang, J.; Ma, M.; Song, K.; Guo, H.; Xu, Z.; Li, F. High output power density and strong vibration durability in a modified barbell-shaped energy harvester based on multilayer Pb(In1/2Nb1/2)O3-Pb(Mg1/3Nb2/3)O3-PbTiO3 single crystals. APL Materials 2021, 9, 010703. [Google Scholar] [CrossRef]
- Qian, F.; Xu, T.-B.; Zuo, L. A distributed parameter model for the piezoelectric stack harvester subjected to general periodic and random excitations. Eng. Struct. 2018, 173, 191–202. [Google Scholar] [CrossRef]
- Lu, F.; Lee, H.P.; Lim, S.P. Modeling and analysis of micro piezoelectric power generators for micro-electromechanical-systems applications. Smart Mater. Struct. 2004, 13, 57–63. [Google Scholar] [CrossRef]
- Fang, H.B.; Liu, J.Q.; Xu, Z.Y.; Dong, L.; Wang, L.; Chen, D.; Cai, B.C.; Liu, Y. Fabrication and performance of MEMS-based piezoelectric power generator for vibration energy harvesting. Microelectron. J. 2006, 37, 1280–1284. [Google Scholar] [CrossRef]
- Sodano, H.A.; Wang, C.C.; Shih, Y.-S.; Lin, S.-C.; Zeng, J.-Y.; Wu, W.-J. A micro piezoelectric energy harvester based on stainless steel substrate with dual oscillators. Proc. SPIE 2013, 8688, 86880E. [Google Scholar]
- Zhang, Y.; Lee, C.H. Piezoelectric energy harvesting pedal integrated with a compliant load amplifier. Adv. Mech. Eng. 2019, 11, 1687814018820142. [Google Scholar] [CrossRef] [Green Version]
- Yang, B.; Zhu, Y.; Wang, X.; Liu, J.Q.; Chen, X.; Yang, C. High performance PZT thick films based on bonding technique for d31 mode harvester with integrated proof mass. Sens. Actuators A Phys. 2014, 214, 88–94. [Google Scholar] [CrossRef]
- Guan, M.; Li, Y.; Zhao, Y. A novel frequency tunable mechanism for piezoelectric energy harvesting system. Ferroelectrics 2015, 478, 96–105. [Google Scholar] [CrossRef]
- Banerjee, S.; Roy, S. A timoshenko like model for piezoelectric energy harvester with shear mode. Compos. Struct. 2018, 204, 677–688. [Google Scholar] [CrossRef]
- Singh, R.; Pant, B.D.; Jain, A. Simulations, fabrication, and characterization of d31 mode piezoelectric vibration energy harvester. Microsyst. Technol. 2019, 26, 1499–1505. [Google Scholar] [CrossRef]
- Wang, C.; Yu, G.; Cao, H.; Wang, S.; Li, Y. Structure simulation optimization and test verification of piezoelectric energy harvester device for road. Sens. Actuators A Phys. 2020, 315, 112322. [Google Scholar] [CrossRef]
- Palosaari, J.; Leinonen, M.; Hannu, J.; Juuti, J.; Jantunen, H. Energy harvesting with a cymbal type piezoelectric transducer from low frequency compression. J. Electroceram. 2012, 28, 214–219. [Google Scholar] [CrossRef]
- Wu, J.; Shi, H.; Zhao, T.; Yu, Y.; Dong, S. High-Temperature BiScO3-PbTiO3 Piezoelectric Vibration Energy Harvester. Adv. Funct. Mater. 2016, 26, 7186–7194. [Google Scholar] [CrossRef]
- Zhou, M.; Al-Furjan MS, H.; Zou, J.; Liu, W. A review on heat and mechanical energy harvesting from human—Principles, prototypes and perspectives. Renew. Sustain. Energy Rev. 2018, 82, 3582–3609. [Google Scholar] [CrossRef]
- Zhou, M.; Zhao, H. Revisit to the theoretical analysis of a classical piezoelectric vibration energy harvester. Arch. Appl. Mech. 2020, 90, 2379–2395. [Google Scholar] [CrossRef]
- Ottman, G.K.; Hofmann, H.F.; Bhatt, A.C.; Lesieutre, G.A. Adaptive piezoelectric energy harvesting circuit for wireless remote power supply. IEEE Trans. Power Electron. 2002, 17, 669–676. [Google Scholar] [CrossRef] [Green Version]
- Howells, C.A. Piezoelectric energy harvesting. Energy Convers. Manag. 2009, 50, 1847–1850. [Google Scholar] [CrossRef]
- Roundy, S.; Wright, P.K.; Rabaey, J. A study of low level vibrations as a power source for wireless sensor nodes. Comput. Commun. 2003, 26, 1131–1144. [Google Scholar] [CrossRef]
- Chen, C.D.; Wu, Y.H.; Su, P.W. Dynamic modeling and experimental validation of an impact-driven piezoelectric energy harvester in magnetic field. Sensors 2020, 20, 6170. [Google Scholar] [CrossRef]
- Chen, S.; Hu, J. Experimental study of a hybrid vibration energy harvesting mechanism. Symposium on Piezoelectricity, Acoustic Waves and Device Applications (SPAWDA). 2011, 15, 56–59. [Google Scholar]
- Al Ahmad, M. Piezoelectric water drop energy harvesting. J. Electron. Mater. 2013, 43, 452–458. [Google Scholar] [CrossRef]
- Ilyas, M.A.; Swingler, j. Piezoelectric energy harvesting from raindrop impacts. Energy 2015, 90, 796–806. [Google Scholar] [CrossRef]
- Liu, H.; Tay, C.J.; Quan, C.; Kobayashi, T.; Lee, C. Piezoelectric MEMS energy harvester for low-frequency vibrations with wideband operation range and steadily increased output power. J. Microelectromech. Syst. 2011, 20, 1131–1142. [Google Scholar] [CrossRef]
- Gu, L.; Livermore, C. Impact-driven, frequency up-converting coupled vibration energy harvesting device for low frequency operation. Smart Mater. Struct. 2011, 20, 045004. [Google Scholar] [CrossRef]
- Liu, H.; Lee, C.; Kobayashi, T.; Tay, C.J.; Quan, C. Investigation of a MEMS piezoelectric energy harvester system with a frequency-widened-bandwidth mechanism introduced by mechanical stoppers. Smart Mater. Struct. 2012, 21, 035005. [Google Scholar] [CrossRef]
- Zhang, J.; Qin, L. A tunable frequency up-conversion wideband piezoelectric vibration energy harvester for low-frequency variable environment using a novel impact- and rope-driven hybrid mechanism. Appl. Energy 2019, 240, 26–34. [Google Scholar] [CrossRef]
- Yin, Z.; Gao, S.; Jin, L.; Sun, Y.; Wu, Q.; Zhang, X.; Guo, S. A dual impact driven frequency up-conversion piezoelectric energy harvester for ultralow-frequency and wide-bandwidth operation. Sens. Actuators A Phys. 2021, 331, 112961. [Google Scholar] [CrossRef]
- Halim, M.A.; Khym, S.; Park, J.Y. Frequency up-converted wide bandwidth piezoelectric energy harvester using mechanical impact. J. Appl. Phys. 2013, 114, 044902. [Google Scholar] [CrossRef]
- Vijayan, K.; Friswell, M.I.; Khodaparast, H.H.; Adhikari, S. Non-linear energy harvesting from coupled impacting beams. Int. J. Mech. Sci. 2015, 96–97, 101–109. [Google Scholar] [CrossRef] [Green Version]
- Halim, M.A.; Park, J.Y. Piezoceramic based wideband energy harvester using impact-enhanced dynamic magnifier for low frequency vibration. Ceram. Int. 2015, 41, S702–S707. [Google Scholar] [CrossRef]
- Isarakorn, D.; Jayasvasti, S.; Panthongsy, P.; Janphuang, P.; Hamamoto, K. Design and evaluation of double-stage energy harvesting floor tile. Sustainability 2019, 11, 5582. [Google Scholar] [CrossRef] [Green Version]
- Mokhtari, F.; Shamshirsaz, M.; Latifi, M.; Foroughi, J. Nanofibers-based piezoelectric energy harvester for self-powered wearable technologies. Polymers 2020, 12, 2697. [Google Scholar] [CrossRef]
- DuToit, N.E.; Wardle, B.L. Experimental verification of models for microfabricated piezoelectric vibration energy harvesters. AIAA J. 2007, 45, 1126–1137. [Google Scholar] [CrossRef]
- Erturk, A.; Inman, D.J. A distributed parameter electromechanical model for cantilevered piezoelectric energy harvesters. J. Vib. Acoust.—Trans. ASME 2008, 130, 041002. [Google Scholar] [CrossRef]
- Erturk, A.; Inman, D.J. An experimentally validated bimorph cantilever model for piezoelectric energy harvesting from base excitations. Smart Mater. Struct. 2009, 18, 025009. [Google Scholar] [CrossRef]
- Magoteaux, K.C.; Sanders, B.; Sodano, H.A. Investigation of an energy harvesting small unmanned air vehicle. Act. Passiv. Smart Struct. Integr. Syst. 2008, 6928, 692823. [Google Scholar]
- Erturk, A.; Renno, J.M.; Inman, D.J. Modeling of piezoelectric energy harvesting from an l-shaped beam-mass structure with an application to UAVs. J. Intell. Mater. Syst. Struct. 2009, 20, 529–544. [Google Scholar] [CrossRef]
- Liu, J.-Q.; Fang, H.-B.; Xu, Z.-Y.; Mao, X.-H.; Shen, X.-C.; Chen, D.; Liao, H.; Cai, B.-C. A MEMS-based piezoelectric power generator array for vibration energy harvesting. Microelectron. J. 2008, 39, 802–806. [Google Scholar] [CrossRef]
- Luo, C.; Hofmann, H.F. Wideband energy harvesting for piezoelectric devices with linear resonant behavior. IEEE Trans. Ultrason. Ferroelectr. Freq. Control 2011, 58, 1294–1301. [Google Scholar]
- Stein, A.; Hofmann, H. Resonant inverter design for stand-alone dynamic active piezoelectric energy harvesting. In Proceedings of the 2015 Thirtieth Annual IEEE Applied Power Electronics Conference and Exposition (APEC 2015), Charlotte, NC, USA, 15–19 March 2015; pp. 3265–3271. [Google Scholar]
- Dhakar, L.; Liu, H.; Tay FE, H.; Lee, C. A new energy harvester design for high power output at low frequencies. Sens. Actuators A Phys. 2013, 199, 344–352. [Google Scholar] [CrossRef]
- Li, S.; Peng, Z.; Zhang, A.; Wang, F. Dual resonant structure for energy harvesting from random vibration sources at low frequency. J. Technol. Sci. 2016, 6, 2158–3226. [Google Scholar] [CrossRef]
- Hosseini, R.; Hamedi, M. An investigation into resonant frequency of trapezoidal V-shaped cantilever piezoelectric energy harvester. Microsyst. Technol. 2015, 22, 1127–1134. [Google Scholar] [CrossRef]
- Huang, X.; Zhang, C.; Dai, K. A multi-mode broadband vibration energy harvester composed of symmetrically distributed u-shaped cantilever beams. Micromachines 2021, 12, 203. [Google Scholar] [CrossRef]
- Shi, G.; Xia, Y.; Yang, Y.; Chen, J.; Peng, Y.; Xia, H.; Wang, X.; Qian, L. A sensorless self-tuning resonance system for piezoelectric broadband vibration energy harvesting. IEEE Trans. Ind. Electron. 2021, 68, 2225–2235. [Google Scholar] [CrossRef]
- Jing, L.; Huo, R.; Wang, W.; Li, C. Design and performance analysis of the low-frequency and broadband piezoelectric energy harvester. Piezoelectrics Acoustooptics 2018, 40, 491–495. [Google Scholar]
- Stanton, S.C.; McGehee, C.C.; Mann, B.P. Nonlinear dynamics for broadband energy harvesting: Investigation of a bistable piezoelectric inertial generator. Phys. D Nonlinear Phenom. 2010, 239, 640–653. [Google Scholar] [CrossRef]
- Liu, X.J.; Chen, R.W. Current situation and developing trend of piezoelectric vibration energy harvesters. J. Vib. Shock 2012, 31, 169–176. [Google Scholar]
- Ferrari, M.; Ferrari, V.; Guizzetti, M.; Ando, B.; Baglio, S.; Trigona, C. Improved energy harvesting from wideband vibrations by nonlinear piezoelectric converters. Procedia Chem. 2009, 1, 1203–1206. [Google Scholar] [CrossRef]
- Wu, J. Advances in Lead-Free Piezoelectric Materials; Springer: Singapore, 2018. [Google Scholar]
- Le Van, M.; Hara, M.; Horikiri, F.; Shibata, K.; Mishima, T.; Kuwano, H. Bulk micromachined energy harvesters employing (K, Na)NbO3 thin film. J. Micromechan. Microeng. 2013, 23, 035029. [Google Scholar]
- Feenstra, J.; Granstrom, J.; Sodano, H. Energy harvesting through a backpack employing a mechanically amplified piezoelectric stack. Mech. Syst. Signal Processing 2008, 22, 721–734. [Google Scholar] [CrossRef]
- Abramovich, H.; Tsikchotsky, E.; Klein, G. An experimental investigation on PZT behavior under mechanical and cycling loading. J. Mech. Behav. Mater. 2013, 22, 129–136. [Google Scholar] [CrossRef]
- Wang, D.; Wang, A.; Wang, W.; Li, L.; Zhang, Y.; Zhai, J. Current development and application of piezoelectric ceramic materials with high curie temperatures. J. Ceram. 2021, 42, 376–388. [Google Scholar]
- Zhao, H. Construction and Property Modulation of Piezoelectric Materials for High Temperature Energy Harvesting; Beijing University of Technology: Beijing, China, 2020. [Google Scholar]
- Hou, Y.; Zhao, H.; Zheng, M.; Zhu, M.; Yan, H. BSPT-based high temperature piezoelectric materials: Opportunities and challenges. J. Beijing Univ. Technol. 2020, 46, 664–679. [Google Scholar]
- Stoppel, F.; Schröder, C.; Senger, F.; Wagner, B.; Benecke, W. AlN-based piezoelectric micropower generator for low ambient vibration energy harvesting. Procedia Eng. 2011, 25, 721–724. [Google Scholar] [CrossRef]
- Chung, G.S.; Lee, B.C. Fabrication and characterization of vibration-driven AlN piezoelectric micropower generator compatible with complementary metal-oxide semiconductor process. J. Intell. Mater. Syst. Struct. 2014, 26, 1971–1979. [Google Scholar] [CrossRef]
- Zhou, Y. Study on Key Technology of Miniature AIN Piezoelectric Vibrating Energy Harvester; Chongqing University: Chongqing, China, 2017. [Google Scholar]
- Swallow, L.M.; Luo, J.K.; Siores, E.; Patel, I.; Dodds, D. A piezoelectric fibre composite based energy harvesting device for potential wearable applications. Smart Mater. Struct. 2008, 17, 025017. [Google Scholar] [CrossRef]
- Yang, X.; Shen, J.; Wang, F.; Zhou, J. Simulation of energy harvesting of piezoelectric fiber composites. J. Chin. Ceram. Soc. 2019, 47, 1283–1287. [Google Scholar]
- Shan, X.; Song, R.; Liu, B.; Xie, T. Novel energy harvesting: A macro fiber composite piezoelectric energy harvester in the water vortex. Ceram. Int. 2015, 41, S763–S767. [Google Scholar] [CrossRef]
- Xie, Y. The Fabrication and Electric Output Performance of Macro Fiber Composites; Wuhan University of Technology: Wuhan, China, 2017. [Google Scholar]
- Xie, Y.; Zhou, J.; Shen, J.; Yang, X. Influence of fiber thickness and spacing between interdigitated electrodes on MFC's electricity output performance. Bull. Chin. Ceram. Soc. 2017, 36, 4193–4197. [Google Scholar]
- Bent, A.A.; Hagood, N.W. Piezoelectric fiber composites with interdigitated electrodes. J. Intell. Mater. Syst. Struct. 1997, 8, 903–919. [Google Scholar] [CrossRef]
- Paradies, R.; Melnykowycz, M. Numerical stress investigation for piezoelectric elements with a circular cross section and interdigitated electrodes. J. Intell. Mater. Syst. Struct. 2007, 18, 963–972. [Google Scholar] [CrossRef]
- Lu, F. Fabrication and Properties of Piezoelectric Fiber Composites; University of Jinan: Jinan, China, 2016. [Google Scholar]
- Ren, G.Y.; Cai, F.Y.; Zheng, J.M.; Xu, C.Y. Flexible force sensor based on nanofiber fabrics of Poly (Vinylidene Fluoride-Trifluoroethylene). J. Funct. Polym. 2012, 25, 109–113. [Google Scholar]
- Yaqoob, U.; Habibur, R.M.; Sheeraz, M.; Kim, H.C. Realization of self-poled, high performance, flexible piezoelectric energy harvester by employing PDMS-rGO as sandwich layer between P(VDF-TrFE)-PMN-PT composite sheets. Compos. Part B Eng. 2019, 159, 259–268. [Google Scholar] [CrossRef]
- Rahim, N.F.; Ong, N.R.; Aziz MH, A.; Alcain, J.B.; Haimi WM, W.N.; Sauli, Z. Modelling of cantilever based on piezoelectric energy harvester. AIP Conf. Proc. 2017, 1885, 020301. [Google Scholar]
- Zhou, X.; Parida, K.; Halevi, O.; Liu, Y.; Xiong, J.; Magdassi, S.; Lee, P.S. All 3D-printed stretchable piezoelectric nanogenerator with non-protruding kirigami structure. Nano Energy 2020, 72, 104676. [Google Scholar] [CrossRef]
- An, S.; Jo, H.S.; Li, G.; Samuel, E.; Yoon, S.S.; Yarin, A.L. Sustainable nanotextured wave energy harvester based on ferroelectric fatigue-free and flexoelectricity-enhanced piezoelectric P(VDF-TrFE) nanofibers with BaSrTiO3 nanoparticles. Adv. Funct. Mater. 2020, 30, 2001150. [Google Scholar] [CrossRef]
- Liu, Y.Z.; Zhang, H.; Yu, J.X.; Huang, Z.Y.; Wang, C.; Sun, Y. Ferroelectric P(VDF-TrFE)/POSS nanocomposite films: Compatibility, piezoelectricity, energy harvesting performance, and mechanical and atomic oxygen erosion. RSC Adv. 2020, 10, 17377–17386. [Google Scholar] [CrossRef]
- Arunguvai, J.; Lakshmi, P. Influence of ZrO2 and TiO2 nano particles in P(VDF-TrFE) composite for energy harvesting application. J. Mater. Sci. Mater. Electron. 2021, 32, 12223–12231. [Google Scholar]
- Mokhtari, F.; Spinks, G.M.; Sayyar, S.; Cheng, Z.; Ruhparwar, A.; Foroughi, J. Highly Stretchable Self-Powered Wearable Electrical Energy Generator and Sensors. Adv. Mater. Technol. 2020, 6, 2000841. [Google Scholar] [CrossRef]
- Mokhtari, F.; Cheng, Z.; Raad, R.; Xi, J.; Foroughi, J. Piezofibers to smart textiles: A review on recent advances and future outlook for wearable technology. J. Mater. Chem. A 2020, 8, 9496–9522. [Google Scholar] [CrossRef]
- Liu, H.; Zhao, Q.; Gao, S.; Zhang, J. Tests for collection of vibration and power generation characteristics with Fe-GA alloy material. J. Vib. Shock 2020, 39, 132–139. [Google Scholar]
- Li, D.Z.; Feng, Z.C. Dynamic properties of pseudoelastic shape memory alloys. Smart Struct. 1997, 3041, 715–725. [Google Scholar]
- Senthilkumar, M.; Vasundhara, M.G.; Kalavathi, G.K. Electromechanical analytical model of shape memory alloy based tunable cantilevered piezoelectric energy harvester. Int. J. Mech. Mater. Des. 2018, 15, 611–627. [Google Scholar] [CrossRef]
- Vasundhara, M.G.; Senthilkumar, M.; Kalavathi, G.K. A distributed parametric model of Brinson shape memory alloy based resonant frequency tunable cantilevered PZT energy harvester. Int. J. Mech. Mater. Des. 2019, 15, 555–568. [Google Scholar] [CrossRef]
- Adeodato, A.; Duarte, B.T.; Monteiro LL, S.; Pacheco PM, C.; Savi, M.A. Synergistic use of piezoelectric and shape memory alloy elements for vibration-based energy harvesting. Int. J. Mech. Sci. 2021, 194, 106206. [Google Scholar] [CrossRef]
- Halim, M.A.; Park, J.Y. Theoretical modeling and analysis of mechanical impact driven and frequency up-converted piezoelectric energy harvester for low-frequency and wide-bandwidth operation. Sens. Actuators A Phys. 2014, 208, 56–65. [Google Scholar] [CrossRef]
- Tang, L.; Yang, Y. A nonlinear piezoelectric energy harvester with magnetic oscillator. Appl. Phys. Lett. 2012, 101, 094102. [Google Scholar] [CrossRef]
- Challa, V.R.; Prasad, M.G.; Shi, Y.; Fisher, F.T. A vibration energy harvesting device with bidirectional resonance frequency tunability. Smart Mater. Struct. 2008, 17, 015035. [Google Scholar] [CrossRef]
- Wu, Y.; Ji, H.; Qiu, J.; Zhang, H. A nonlinear piezoelectric vibration energy harvesting device with tunable resonance frequencies. J. Vib. Shock 2017, 36, 12–16. [Google Scholar]
- Firoozy, P.; Khadem, S.E.; Pourkiaee, S.M. Broadband energy harvesting using nonlinear vibrations of a magnetopiezoelastic cantilever beam. Int. J. Eng. Sci. 2017, 111, 113–133. [Google Scholar] [CrossRef]
- Lu, Q. Structure Design and Electro-Mechanical Performance Analysis of Vibration Piezoelectric Composite Energy Harvester; Harbin Institute of Technology: Harbin, China, 2019. [Google Scholar]
- Aladwani, A.; Arafa, M.; Aldraihem, O.; Baz, A. Cantilevered piezoelectric energy harvester with a dynamic magnifier. J. Vib. Acoust. 2012, 134, 031004. [Google Scholar] [CrossRef]
- Rezaei, M.; Khadem, S.E.; Firoozy, P. Broadband and tunable PZT energy harvesting utilizing local nonlinearity and tip mass effects. Int. J. Eng. Sci. 2017, 118, 1–15. [Google Scholar] [CrossRef]
- Leland, E.S.; Wright, P.K. Resonance tuning of piezoelectric vibration energy scavenging generators using compressive axial preload. Smart Mater. Struct. 2006, 15, 1413–1420. [Google Scholar] [CrossRef]
- Wang, X.; Chen, C.; Wang, N.; San, H.; Yu, Y.; Halvorsen, E.; Chen, X. A frequency and bandwidth tunable piezoelectric vibration energy harvester using multiple nonlinear techniques. Appl. Energy 2017, 190, 368–375. [Google Scholar] [CrossRef]
- Chen, D.; Shen, W.; Tao, M.; Li, L. Simulation study of nonlinear piezoelectric beam array vibration energy harvester. In Proceedings of the 2015 Fifth Annual Conference of National Local Mechanical Engineering Society and China Manufacturing 2025 Development Forum, Yunnan, China, 11 November 2015; pp. 800–806. [Google Scholar]
- Shen, W.; Tao, M.; Chen, D.; Liu, H.; Li, P.; Ming, T. Simulation of nonlinear piezoelectric beam array vibration energy harvester. J. Wuhan Univ. Technol. (Inf. Manag. Eng.) 2015, 37, 436–439. [Google Scholar]
- Marinkovic, B.; Koser, H. Demonstration of wide bandwidth energy harvesting from vibrations. Smart Mater. Struct. 2012, 21, 065006. [Google Scholar] [CrossRef]
- Fan, K.; Tan, Q.; Liu, H.; Zhang, Y.; Cai, M. Improved energy harvesting from low-frequency small vibrations through a monostable piezoelectric energy harvester. Mech. Syst. Signal Processing 2019, 117, 594–608. [Google Scholar] [CrossRef]
- Triplett, A.; Quinn, D.D. The effect of non-linear piezoelectric coupling on vibration-based energy harvesting. J. Intell. Mater. Syst. Struct. 2009, 20, 1959–1967. [Google Scholar] [CrossRef]
- Harne, R.L.; Wang, K.W. A review of the recent research on vibration energy harvesting via bistable systems. Smart Mater. Struct. 2013, 22, 023001. [Google Scholar] [CrossRef]
- Sun, S.; Cao, S. Electrical performance analysis of a bistable piezoelectric cantilever. Piezoelectrics Acoustooptics 2013, 35, 540–544. [Google Scholar]
- Masana, R.; Daqaq, M.F. Response of duffing-type harvesters to band-limited noise. J. Sound Vib. 2013, 332, 6755–6767. [Google Scholar] [CrossRef]
- Qian, F.; Hajj, M.R.; Zuo, L. Bio-inspired bi-stable piezoelectric harvester for broadband vibration energy harvesting. Energy Convers. Manag. 2020, 222, 113174. [Google Scholar] [CrossRef]
- Ferrari, M.; Baù, M.; Guizzetti, M.; Ferrari, V. A single-magnet nonlinear piezoelectric converter for enhanced energy harvesting from random vibrations. Sens. Actuators A Phys. 2011, 172, 287–292. [Google Scholar] [CrossRef]
- Arrieta, A.F.; Delpero, T.; Bergamini, A.E.; Ermanni, P. Broadband vibration energy harvesting based on cantilevered piezoelectric bi-stable composites. Appl. Phys. Lett. 2013, 102, 173904. [Google Scholar] [CrossRef]
- Cao, J.; Zhou, S.; Inman, D.J.; Lin, J. Nonlinear dynamic characteristics of variable inclination magnetically coupled piezoelectric energy harvesters. J. Vib. Acoust. 2015, 137, 021015. [Google Scholar] [CrossRef]
- Rui, X.; Li, Y.; Liu, Y.; Zheng, X.; Zeng, Z. Experimental study and parameter optimization of a magnetic coupled piezoelectric energy harvester. Appl. Sci. 2018, 8, 2609. [Google Scholar] [CrossRef] [Green Version]
- Huang, M. Nonlinear Frequency Broadening Approaches for the Vibration-Based Energy Harvesters; Soochow University: Suzhou, China, 2020. [Google Scholar]
- Deng, Z.Q.; Wang, X.; Zheng, Z.; Li, C.L.; Li, H.; San, H.S. Design and experiment of wideband piezoelectric vibration energy harvester. J. Zhejiang Univ. (Eng. Sci.) 2017, 51, 2287–2291. [Google Scholar]
- Andò, B.; Baglio, S.; Maiorca, F.; Trigona, C. Analysis of two dimensional, wide-band, bistable vibration energy harvester. Sens. Actuators A Phys. 2013, 202, 176–182. [Google Scholar] [CrossRef]
- Fan, K.; Chang, J.; Chao, F.; Pedrycz, W. Design and development of a multipurpose piezoelectric energy harvester. Energy Convers. Manag. 2015, 96, 430–439. [Google Scholar] [CrossRef]
- Fan, K.; Chang, J.; Pedrycz, W.; Liu, Z.; Zhu, Y. A nonlinear piezoelectric energy harvester for various mechanical motions. Appl. Phys. Lett. 2015, 106, 223902. [Google Scholar] [CrossRef]
- Minami, Y.; Nakamachi, E. Development of enhanced piezoelectric energy harvester induced by human motion. In Proceedings of the 2012 Annual International Conference of the IEEE Engineering in Medicine and Biology Society, San Diego, CA, USA, 28 August–1 September 2012; pp. 1627–1630. [Google Scholar]
- Radice, J.J.; Ellsworth, P.J.; Romano, M.A.; Lazarus, N.; Bedair, S.S. On the use of discontinuous nonlinear bistable dynamics to increase the responsiveness of energy harvesting devices. Mech. Res. Commun. 2017, 84, 49–54. [Google Scholar] [CrossRef]
- Zhou, S.; Cao, J.; Inman, D.J.; Lin, J.; Liu, S.; Wang, Z. Broadband tristable energy harvester: Modeling and experiment verification. Appl. Energy 2014, 133, 33–39. [Google Scholar] [CrossRef]
- El-Hebeary, M.M.; Arafa, M.H.; Megahed, S.M. Modeling and experimental verification of multi-modal vibration energy harvesting from plate structures. Sens. Actuators A Phys. 2013, 193, 35–47. [Google Scholar] [CrossRef]
- Wang, C.; Zhang, Q.; Wang, W.; Feng, J. A low-frequency, wideband quad-stable energy harvester using combined nonlinearity and frequency up-conversion by cantilever-surface contact. Mech. Syst. Signal Processing 2018, 112, 305–318. [Google Scholar] [CrossRef]



















| Refs. | Modes | Materials | Voltage (V) | Power (mW) | Acceleration (g) | Density (mW/cm3) |
|---|---|---|---|---|---|---|
| Gao et al. [37] | d15 | PIN-PMN-PT | 21.6 | 12.96 | 3.0 | 13.78 |
| Zeng et al. [45] | d15 | PMN-PT | 60.8 | 0.78 | 1.0 | 10.8 |
| Ren et al. [38] | d15 | PMN-PT | 91.23 | 4.16 | 1.0 | 4.48 |
| Park et al. [49] | d33 | PZT | 4.4 | 0.001 | 0.39 | 7.3 |
| Tang et al. [55] | d33 | PMN-PT | 5.36 | 0.0078 | 1.5 | 0.018 |
| Wu et al. [57] | d33 | BS-PT | 8.45 | 0.0047 | 1.0 | ~ |
| Wang et al. [68] | d33 | PZT-5 | 37.6 | 10.036 | 1.0 | 0.0743 |
| Wang et al. [62] | d31 | PZT | 4.9 | 0.003 | 0.25 | ~ |
| Yang et al. [64] | d31 | PZT | 6.08 | 0.058 | 1.0 | 5.14 |
| Palosaari et al. [69] | d31 | Soft ceramic | 7.0 | 0.66 | 1.0 | 1.37 |
| Wu et al. [70] | d31 | BS-PT ceramic | 12.0 | 0.013 | 1.0 | 0.04 |
| Refs. | Type | Acceleration (g) | Frequency (Hz) | Power (mW) |
|---|---|---|---|---|
| Chen et al. [77] | Impact | ~ | 13 | 0.057 |
| Liu et al. [82] | Impact | 1 | 30–47 | ~ |
| Naim et al. [89] | Resonance | 1 | 345.75 | 0.015 |
| Dhakar et al. [98] | Resonance | 0.2 | 36 | 0.040 |
| Gu rt al. [81] | Impact | 0.4 | 8.2 | 0.43 |
| Li et al. [99] | Resonance | 1 | 14–28 | 0.050 |
| Yin et al. [84] | Impact | 0.6 | 3.5–15 | 1.170 |
| Hung et al. [101] | Resonance | 0.3 | 10–30 | 0.061 |
| Isarakorn et al. [88] | Impact | 0.93 | 14.08 | 0.820 |
| Halim et al. [85] | Impact | 0.6 | 14.5 | 0.377 |
Publisher’s Note: MDPI stays neutral with regard to jurisdictional claims in published maps and institutional affiliations. |
© 2022 by the authors. Licensee MDPI, Basel, Switzerland. This article is an open access article distributed under the terms and conditions of the Creative Commons Attribution (CC BY) license (https://creativecommons.org/licenses/by/4.0/).
Share and Cite
Zhou, W.; Du, D.; Cui, Q.; Lu, C.; Wang, Y.; He, Q. Recent Research Progress in Piezoelectric Vibration Energy Harvesting Technology. Energies 2022, 15, 947. https://doi.org/10.3390/en15030947
Zhou W, Du D, Cui Q, Lu C, Wang Y, He Q. Recent Research Progress in Piezoelectric Vibration Energy Harvesting Technology. Energies. 2022; 15(3):947. https://doi.org/10.3390/en15030947
Chicago/Turabian StyleZhou, Weipeng, Dongmei Du, Qian Cui, Chang Lu, Yuhao Wang, and Qing He. 2022. "Recent Research Progress in Piezoelectric Vibration Energy Harvesting Technology" Energies 15, no. 3: 947. https://doi.org/10.3390/en15030947
APA StyleZhou, W., Du, D., Cui, Q., Lu, C., Wang, Y., & He, Q. (2022). Recent Research Progress in Piezoelectric Vibration Energy Harvesting Technology. Energies, 15(3), 947. https://doi.org/10.3390/en15030947
