Next Article in Journal
Experimental and Numerical Dynamic Investigation of an ORC System for Waste Heat Recovery Applications in Transportation Sector
Next Article in Special Issue
Energy Trading Strategy of Distributed Energy Resources Aggregator in Day-Ahead Market Considering Risk Preference Behaviors
Previous Article in Journal
Deep Learning for Molecular Thermodynamics
Previous Article in Special Issue
Optimizing Operation Strategy in a Simulated High-Proportion Wind Power Wind–Coal Combined Base Load Power Generation System under Multiple Scenes
 
 
Font Type:
Arial Georgia Verdana
Font Size:
Aa Aa Aa
Line Spacing:
Column Width:
Background:
Article

Optimal Multi-Mode Flexibility Operation of CHP Units with Electrode Type Electric Boilers: A Case Study

1
School of Energy Power & Mechanical Engineering, North China Electric Power University, Changping, Beijing 102206, China
2
School of Control and Computer Engineering, North China Electric Power University, Changping, Beijing 102206, China
3
State Grid Shandong Electric Power Research Institute, Jinan 250001, China
*
Author to whom correspondence should be addressed.
Energies 2022, 15(24), 9337; https://doi.org/10.3390/en15249337
Submission received: 8 November 2022 / Revised: 26 November 2022 / Accepted: 1 December 2022 / Published: 9 December 2022

Abstract

With the in-depth development of flexibility retrofit in combined heat and power (CHP) units, the unit commitment mode of energy supply equipment in CHP plants is more flexible. This paper presents a multi-mode flexible operation method for CHP plants with electrode electric boilers. Firstly, a simulation model of the operation characteristics of each unit in different operation modes is established, and the corresponding features of electrical and thermal outputs are obtained. Subsequently, a decision-making model of the unit commitment mode of energy supply equipment is set up, and the selection rules of the unit commitment mode of the unit under low heat load, medium heat load, and high heat load are achieved. Finally, under different unit operation combinations, a plant-level optimum load dispatch model is obtained, and the actual operating data of the CHP plant is used for optimization and comparison analysis. The results show that compared to the unit commitment mode of high back pressure and low-pressure cylinder cutting-off (HBP + LPCC), the unit commitment mode of high back pressure and extraction heating (HBP + EH) has more room for energy-saving optimization. Under the premise of safe and reliable operation, the high back pressure (HBP) unit can be loaded as much as possible. While in the combined operating of HBP + EH, the energy-saving space for optimized load dispatching is not large, so a fixed proportion of the electrical load may be considered; under the auxiliary service subsidy policy, the input power of the electric boiler can be appropriately increased; the greater the heat load of the whole plant, the more pronounced the energy-saving effect of optimum load dispatch.

1. Introduction

With the development of society and the economy, the increase in population, and the continuous improvement of living standards, it is hard for fossil energy such as coal and oil to meet China’s increasing energy demand. The rapid development of renewable energy and the efficient utilization of traditional energy will directly affect the sustainable and healthy development of the economy. The installed capacity of renewable energy (wind power and solar photovoltaic power) generation, as the most commercially valuable renewable energy source, has been increasing. As of the end of 2019, the installed capacity had reached 414 million kilowatts. However, due to the uncertainty and intermittence of renewable power generation, the grid-connecting of high-penetration renewable energy poses a challenge to the economic dispatch of the power grid. The problem of abandoning wind and solar power during the winter heating period in northeast China is particularly prominent. Excavating the peak shaving capacity of CHP units is a crucial measure to promote the consumption of renewable power generation [1]. To solve the above problems, a large number of scholars have carried out heat-power decoupling technology research, such as coupling electric boiler heating [2,3,4], coupled heat pump heating [5,6,7], additional heat storage equipment [8,9], high back-pressure heat supply transformation [10,11], low-pressure cylinder cut-out heating transformation [12] and bypass heating [13] technologies, the peak shaving ability of CHP units has been improved.
Coupling electric boiler heating can establish an interaction between power and district heating systems and is considered a potential and effective way to absorb intermittent renewable power. Substantial studies [2,14,15] have been conducted to analyze the integration of electric boilers within district heating systems to convert the surplus power to meet the heating demand. Zhang et al. [2] applied an improved unit-commitment-based power system chronological simulation to evaluate the potential benefits of electric boilers in Western Inner Mongolia. Diana et al. [14] assessed the effects of the availability of electric boilers in the German control power market on overall system-wide costs and CO2 emissions of the power supply using a model-based analysis for 2012 and 2025. With electric boilers, CHP plants can dissolve the conflict of must-run generation of baseload power plants for control power provision. Therefore, they can enhance the integration of fluctuating RES (renewable energy sources), which in turn can reduce the overall CO2 emissions of the power supply. Lepiksaar et al. [15] explore technical solutions to improve CHP flexibility, and the finding suggested that coupling CHPs with electric boilers and TES will help balance heat and power loads and allow to introduction of RES to the system. Chen et al. [16] analyzed a multi-stage heating 660 MW unit combined with electric boilers, and determined the most economical high back pressure for real-time unit operation by calculating.
When a CHP plant is integrated with electric boilers, the operation of the plant becomes complex. The optimal strategy to schedule the operation of CHP units and electric boilers is crucial for power plant operators in improving the economic performance of the CHP plant. Some studies [17,18,19] have been conducted for the operation optimization of CHP units, electrical boilers, and district heating systems. Tan et al. [17] analyzed the operational requirements of the CHP unit and electric boiler, and proposed a heat–electricity coordinated optimization dispatching method. Cui et al. [18] proposed a coordinated wind power accommodating dispatch model based on the electric boiler (EB) and cogeneration units with thermal energy storage (TES), with the perspective of decoupling thermoelectric coupling constraints and enhancing the adjustment capacity of the power system. Paul et al. [19] use a whale optimization algorithm to analyze the economic dispatch problem of wind thermal power cogeneration, with the goal to reduce fuel cost and emissions.
In the above literature, the CHP units are under single-unit automatic generation control(AGC) mode, by which the dispatch center sends the load instructions directly to the units. Comparatively, the plant-level AGC is that the dispatch center sends the total load instructions to the power plant, which distributes the load among the units reasonably according to their energy consumption level and operating state. Since the optimal scheduling of plant-level AGC-based can give more consideration to the actual energy consumption level and operating state constraints of each unit during operation, it can improve the economic efficiency of the entire CHP plants.
In the plant-level AGC-based optimum load dispatch of CHP units, several researches have been done, but they do not consider the flexibility retrofit. For example, in [20], a plant-level AGC system was constructed for a 300 MW coal-fired unit through software and hardware upgrades, which can automatically and reasonably optimize the load dispatching of the whole plant according to the coal consumption rate, adjustment range, operating conditions, and other parameters of each CHP unit, to increase the coal saving rate. In [21], an optimal load dispatching method was proposed for a coal-fired power plant based on AGC plant-level, through the efficiency calculation by online operation data. The optimal load dispatching results and corresponding change of the average coal consumption rate can be achieved under AGC instructions, which provides a reference for the current electricity market under large-scale coal-fired power plants to meet the needs of the power grid AGC service and stabilize the grid frequency in a more economical way. A novel hybrid method of plant-level load dispatch [22] was presented to reduce the coal consumption of power plants for the partial rated output of multiple units, and the energy-saving effect of this method was verified based on the data of the monitoring information system of three different units. In [23], the operation scheduling of a CHP plant with multiple CHP units and electrical boilers is addressed. Operation optimization models integrated with detailed CHP unit models are developed, and the particle swarm optimization algorithm is utilized as the optimization algorithm.
After flexibility retrofitting, the heating mode of CHP plants became more complex and diverse. The energy consumption characteristics of retrofitted CHP units and heat-supplying devices under different load ratios will influence the total energy consumption of the CHP station. However, the appropriate scheduling of the operation of multiple parallel CHP units and electric boilers for a CHP plant under constrained heating and power loads has not been studied. This study aims to address the problem regarding the scheduling of the heating and power loads of the CHP plant among parallel CHP units and electric boilers.
This work focuses on the multi-mode flexible operation optimization for CHP units with electrode electric boilers under the plant-level AGC dispatch mode. As an integrated electrical and heating system, the operation optimization of the CHP plant is mathematically formulated as a scaled nonlinear optimization problem. The objective is to minimize the coal consumption or operational costs for the whole CHP plant. The significant contributions of this paper are as follows:
-
For different unit commitment modes, the plant-level heat and power output characteristics of CHP units with electrode electric boilers are obtained comprehensively by thermal system simulation, which can provide full support for plant-level optimum load dispatch.
-
By comparing the minimum operational cost and coal consumption of several unit commitment modes under typical working conditions, decision rules for selecting flexible unit commitment modes of CHP units with electrode electric boilers are proposed for the first time.
-
Plant-level optimum load dispatch models to the selected unit commitment modes are established, and field data are used for verifying the effectiveness of the models.
This work provides a valuable technical means for clean and efficient utilization of coal under the background of carbon emission reduction, and has important practical significance. The remainder of the paper is organized as follows: Section 2 introduces the electric and heating systems of a CHP plant. Section 3 describes the operation characteristics of energy-supplying equipment of CHP units with electrode electric boilers; Section 4 sets up the decision rules for the selection of flexible unit commitment modes and presents the plant-level optimum load dispatch models. Some cases are studied in Section 5 based on field operation data, while Section 6 provides the concluding remarks.

2. Overview Structure of CHP Units with Electrode Electric Boiler

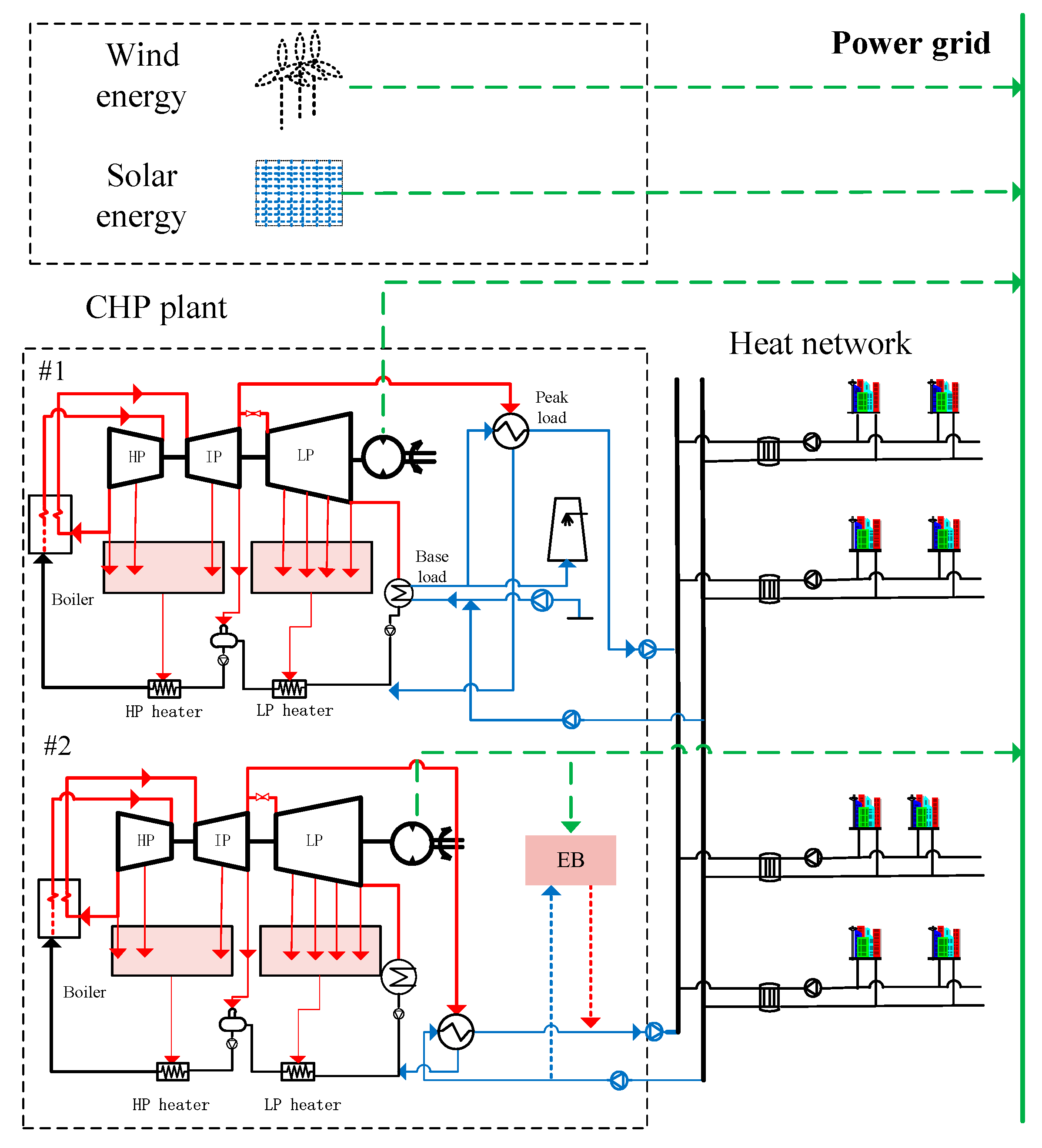
The object CHP plant of this research is equipped with reheat extraction condensing steam turbines. The rated power of pure condensing is 300 MW. This unit is fitted with eight stages of regenerative steam extraction, which sequentially supplies three high-pressure heaters, one deaerator, and four low-pressure heaters. The entire CHP energy supply system is shown in Figure 1.
Unit 1# has undergone a high back-pressure transformation (dual rotor mode), and operates in high back-pressure mode during the heating season. The steam exhausted from the last stage of a low-pressure cylinder in a steam turbine, and the surface steam exchanger forms the basic load heat source to realize the initial temperature rise of the backwater of the primary heat network; then, part of the last-stage exhaust steam of the intermediate pressure cylinder enters the peak steam-water surface heater and exchanges heat with the net water again, forming a peak heat source here and heating the heating net feed water to meet the external requirements before sending it out. In a peak heating period or expansion of the heating area, the external heat load increases, and peak heat sources need to be introduced to meet the needs of heat users.
Unit 2# has undergone the transformation of the cutting-off low-pressure cylinder. In the heating season, the mode of extraction heating and cylinder cutting can be switched according to the demand. During the heating period, the low-pressure cylinder is cut off by controlling the butterfly valve switch on the connecting pipe of the low-pressure cylinder to “cut” and “connect” the low-pressure cylinder so that this part of the steam can enter the heating network for external heating.
The CHP plant is equipped with an electrode electric boiler. The electrode electric boiler is composed of four sets, and the rated power of each set is 40 MW. The boiler can realize the continuous adjustment of 0–160 MW during operation. When the external electrical load is low, and the heat load limit power of the heating unit is reduced, the electrode boiler consumes part of the power generation inside the plant. While meeting the heating demand, the grid power of the heating unit is reduced.
After adopting the plant-level AGC control, the two units and electric boilers in the heating season can adopt more flexible energy supply modes: high back-pressure(HBP) + extraction steam heating(EH) + electric boiler(EB) (HBP + EH + EB, mode 1), high back-pressure(HBP) + low-pressure cylinder cutting off(LPCC) mode + electric boiler(EB) (HBP + LPCC + EB, mode 2), high back-pressure(HBP) + extraction steam heating(EH) (HBP + EH, mode 3), high back-pressure(HBP) + low-pressure cylinder cut mode(LPCC) (HBP+ LPCC, mode 4).

3. Operating Characteristics of Energy Supply Equipment in the CHP Plant

3.1. Electrical and Thermal Characteristics of Energy Supply Equipment

The power supply equipment in the thermal power plant mainly includes a high back-pressure unit, an extraction steam heating unit, and electric boilers. The extraction steam heating unit is divided into extraction heating mode and low-pressure cylinder cutting heating mode.
According to the heat balance diagram of the high back-pressure unit and using Ebsilon software (STEAG Electric power Group Corporation, Germany), the generating power and heating capacity of the unit under 100%, 75%, 50%, 40% and 30% of the rated boiler evaporation capacity is calculated. The electrical and thermal characteristic curves of the high back-pressure unit are shown in Figure 2a. The electrical and thermal characteristic curves of the unit are shown in Figure 2a. It can be seen that there is a linear relationship between the power generation and heating power of the high back-pressure unit, which has strong electrical and thermal constraints, that is, “power is determined followed by heat.”
For the extraction heat supply unit, the generating power and heating power under 100% and 30% of the pure condensation condition and minimum condensing condition of the boiler are calculated by Ebsilon software. The electric and thermal characteristic curves of the extraction steam heating unit obtained are shown in Figure 2b. It can be seen that there is some flexibility between the power generation and heating power of the extraction steam heating unit; as the heating power increases, the adjustment range of the electric power becomes smaller and smaller.
In the cut-cylinder working mode of the extraction steam heating unit, the electric heating characteristic of the unit is similar to that of the high back-pressure heating unit. The electric and thermal characteristic curves are shown in Figure 2c. When the heat load demand of the unit increases and the electric load demand decreases, the low-pressure cylinder cut-off mode (point B2) can be entered through the cut-cylinder operation at the B operating point. During the cylinder cut-off process, the electrical power of the unit will step down by about 20 MW, and the thermal power will increase by about 115 MW; similarly, when the heat load demand of the unit decreases and the electric load increases, it can be operated at the working condition point C2 through the reversing cylinder operation, returning to the extraction steam heating mode (point C). In reverse cylinder cutting, the electric power of the unit increases by about 20 MW, and the thermal power decreases by 115 MW.
The electrode electric boiler consumes electric power to supply heat to the heating network, and its electricity-to-heat energy conversion efficiency is 98%.
The electrical and thermal operating characteristics or operating boundaries of the unit and electric boiler can be expressed as Equation (1) [18].
P e = α Q h + β
where, α and β are coefficients, and shown in Table 1.
Figure 2d–e shows the operating range of electric heating after the unit and electric boiler cooperate (HBP + EB, EH + EB, LPCC + EB three modes). It can be seen that the configuration of the electric boiler has dramatically improved the heating capacity and deep peaking capacity of the unit. Note that the deep peaking and heating capacity of the LPCC + EB mode is the strongest.

3.2. Energy Consumption Characteristics of Energy Supply Equipment

The high back-pressure unit and the extraction steam supply heat-cylinder operation mode unit have similar electrical and thermal characteristics. There is a fixed proportional relationship between the electrical and heat loads. The unit is determined by the power generation coal consumption and heating coal consumption. The characteristics of coal consumption can be expressed as (2) [18].
B HBP / LPCC = a P e 2 + b P e + c
For extraction steam heating units, coal consumption characteristics can be shown in (3) [18]
B CHP = a · ( P e + c v Q h ) 2 + b · ( P e + c v Q h ) + c
where, Pe—Generating power of the unit, MW;
  • Qh—Steam extraction heating power of the unit, MW;
  • cv—Electric heating coefficient;
  • a—Coal consumption coefficient (t/MW2·h);
  • b—Coal consumption coefficient (t/MW·h);
  • c—Coal consumption coefficient (t/h).
The coal consumption coefficients a, b, and c in the above two formulas are fitted using historical data from field operation. Specific values are shown in Table 2.

3.3. Multi-Mode and Flexible Operation of Electrical and Thermal Characteristics in CHP Plant

According to the configuration of the energy supply equipment of the CHP plant, the unit commitment modes of energy supply equipment in the heating period are as follows: (1) High back-pressure unit + extraction steam heating unit (HBP + EH); (2) High back-pressure unit Group + low pressure cylinder cut (HBP + LPCC); (3) high back-pressure unit + extraction steam heating + electric boiler (HBP + EH + EB); (4) high back-pressure unit + low pressure cylinder cut + Electric boiler (HBP + LPCC + EB). The power and heat boundaries of the four modes are shown in Figure 3.
It can be seen that mode (1) and mode (3) have the most extensive live load capacity (550 MW), mode (4) has the most extensive heat load capacity (1500 MW), and mode (1) has the smallest heat load capacity; modes (3) and (4) have the most substantial ability of deep peak shaving (all reach the lowest value of the entire plant’s on-grid power 5 MW). With the lowest plant output, mode (4) can also maintain a large heating capacity.

4. Multi-Mode and Flexible Operation Optimization of the CHP Plant

4.1. Multi-Mode Flexible Operation Optimization Process

The multi-mode flexible operation optimization of CHPs mainly includes the decision-making of the unit commitment mode and the optimal distribution of the electricity and heat load of each energy supply device under a specific unit commitment mode. Due to the frequent switching of unit commitment mode of energy supply equipment in actual operation, the safe operation of the unit will be affected. Therefore, this paper only discretizes the power and heat load of the whole plant and divides it into limited sections, and then the optimal unit commitment mode is given for a certain electric and thermal zone. In the actual operation process, for a certain electric and heat load instruction, firstly, the unit commitment mode is determined according to its region, and then the electric and heat load allocated to each energy supply equipment is determined by the optimum load dispatch model. The specific real-time operation optimization process is shown in Figure 4.
After receiving the power grid dispatching center (PGDC) and heat supply network dispatching center (HSNDC) electrical and heat load instructions from the plant-level AGC substation, the power and heat load instructions are generated and sent to the multi-mode flexible operation optimization module. The optimization module uses the rules of the decision rule base of unit commitment mode to judge and determine the mode, which is preferred under the electric and heat load instructions. The corresponding optimization model is selected from the optimization model base, while the real-time coal consumption and main steam volume computer group electricity and heat load dynamic boundary are obtained from the unit distributed control system (DCS); the optimization algorithm is applied to solve the model. The optimized distribution of each unit and electric boiler electricity/heat load is obtained, and sent to the corresponding unit DCS, electricity boiler control system (EBCS), and plant-level AGC sub-station.

4.2. Decision-Making on Unit Commitment Mode of Energy Supply Equipment

The variation of heat load with outdoor temperature can reflect the seasonal heat load. It is drawn with the heat load as the ordinate and the outdoor temperature as the abscissa. The heating load of the building is directly proportional to the indoor and outdoor temperature difference, and the expression is as follows: [24]
Q t = t n t t n t w Q n
where, Q t —Actual heat load of the heating system when the outdoor temperature is t (GJ/h);
  • Q n —Design heat load for heating users in heating system (GJ/h);
  • tn—Calculated indoor temperature (°C);
  • tw—Calculated outdoor temperature (°C).
It can be seen that the heat load of the heating network changes with the outdoor temperature. Usually, our unit’s heating network adapts to the user’s heat load demand by adjusting the circulating water flow. After the circulating water flow of the heating network changes, the temperature of the water supply will also change. It requires the CHP to change the heating in time according to the change of the heating load of the heating network. Otherwise, the water supply temperature of the heat supply network will exceed the limit and affect the operation safety of the heat supply network. Therefore, in different heating stages (high heat load, medium heat load, low heat load), it is necessary to set the lower limit (such as 95 °C, 90 °C, 80 °C) and upper limit (100 °C, 95 °C, 90 °C) of heating temperature.
Figure 5 shows the heat load curve of the whole plant during the heating period of a CHP. To facilitate the decision-making of the operation mode, the heat load is divided into three sections: high load area (500 MW), medium load area (400 MW), and low load area (300 MW).
According to each heat load, the simulation calculation for four unit-commitment modes under different power loads of the whole plant is carried out. The optimization model of the plant-level economic load in Section 4.3 is adopted for calculation, and the optimization period is 15 min. Under the optimal load allocation, coal consumptions (15 min) in different unit commitment modes are shown in Figure 6.
It can be seen that under the low heat load of the whole plant (300 MW), when the electric load of the whole plant P net > 250 MW , the electrical and thermal characteristics of the four operation modes determine that only mode 1 or mode 3 can be adopted. Although the coal consumption of the two modes is the same, mode 3 should be adopted from the view of simplifying the operation; when the electric load of the whole plant 0   MW P net 250   MW , mode 1 can only be used.
Under medium heat load (400 MW), when the electric load of the whole plant 200   MW P net 500   MW , mode 1 or mode 3 can be adopted. Although the two modes of coal consumption are slightly different, it is recommended to adopt mode 3 from the perspective of simplifying the operation; when the electric load of the whole plant 150   MW P net 200   MW , mode 2 and mode 4 have lower coal consumption under the same electrical load. However, due to the small adjustable range of mode 4, mode 2 should be adopted in consideration of operation safety; when the electric load of the whole plant P net < 150   MW , mode 2 should be adopted.
Under high heat load (500 MW), when the electric load of the whole plant 250   MW P net 500   MW , mode 1 or mode 3 can be adopted. Although the two modes of coal consumption are slightly different, it is recommended to adopt mode 3 from the perspective of simplifying the operation; when the electric load of the whole plant 200   MW P net 250   MW , mode 2 and Mode 4 have lower coal consumption under the same electric load, However, the adjustable range of mode 4 is too small. Considering the safety of operations, mode 2 should be adopted; when the electric load of the whole plant P net < 200   MW , mode 2 should be adopted.
To compare the influence of different optimization objective functions on the unit commitment mode under different working conditions, under the optimal load dispatching, the energy supply costs (15 min) of different unit commitment modes are shown in Figure 7.
It can be seen that when the minimum cost is taken as the goal, the unit commitment mode that should be adopted in different power load intervals of the whole plant under the three heat loads is entirely consistent with that with the minimum coal consumption as the goal. The summary is shown in Table 3.

4.3. Plant-Level Economic Load Optimal Distribution Model

After the energy supply mode of the whole plant is determined, it is also necessary to decide on the optimal distribution of the electricity and heat load of each energy supply device under this mode, to improve the economic efficiency of the whole plant. Considering the difference between whether power to heat(P2H) equipment is invested or not, two economic load dispatching objective functions are established.

4.3.1. Objective Function

(1)
Objective function aiming at minimum coal consumption [25]
min B ( P net ( t ) , Q h ( t ) ) = min i = 1 m B i ( P e i ( t ) , Q h i ( t ) )
where, B —Coal consumption of units in the whole plant during t period, T/h;
  • B i —Coal consumption of unit i during t period, T/h;
  • P net ( t ) —The power generation of the whole plant at time t, MW;
  • Q h ( t ) —The thermal power of the whole plant i at time t, MW;
  • P i t ( t ) —The generating power of unit i at time t, MW;
  • Q i t ( t ) —Thermal power of unit i at time t, MW.
(2)
Objective function aiming at minimum energy supply cost [25]
min   F ( P net ( t ) , Q h ( t ) ) = max ( k c coal ( t ) B ( t ) Δ W in 1 ( t ) + Δ W in 2 ( t ) )
where, ΔWin1 is the subsidy for the CHP units to participate in the peak shaving auxiliary service during the t period, ΔWin2 is the cost-sharing when the CHP units do not participate in the peak shaving auxiliary service during the t period, ccoal is the coal price during the t period, and k is the reciprocal proportion of coal cost in power generation and heating cost of CHP units.
Compensation for deep peak shaving and cost-sharing during t period is calculated according to Formulas (7) and (8) [26]
Δ W in 1 = { 0 ( L > 50 % ) ( 0.5 L ) C CHP . e λ 1 ( 40 % < L 50 % ) [ 0.1 λ 1 + ( 0.4 L ) λ 2 ] C CHP . e ( 0 L 40 % )
Δ W in 2 = { ( L 0.5 ) C CHP . e λ 3 ( L 50 % ) 0 ( L < 50 % )
where, λ1, λ2, and λ3 are the first gear peak shaving price, the second gear peak shaving price, and the penalty price of the allocated electricity during t period, respectively. L = Pnet/CCHP,e is the power generation load rate of the CHP plant. CCHP,e is the installed capacity of the CHP plant. Pnet is the grid power after deducting the down-peaking capacity of the electric boiler.

4.3.2. Constraints

The constraints of the model are list as follow [25]
(1)
The power balance constraint is that the total electric and heat load of the whole plant at a particular time is equal to the sum of the electricity and heat loads of the energy supply equipment at the same time
P net ( t ) = i = 1 2 P e i ( t ) P eb ( t ) P au ( t )
Q h ( t ) = i = 1 2 Q h i ( t ) + Q eb ( t )
where, Pnet(t)—Net grid power of the whole plant at time t, MW;
  • Peb(t)—Electric boiler power at time t, MW;
  • Pau(t)—Auxiliary power consumption at time t, MW;
  • Pei(t)—Electric load of the unit © at time t, MW;
  • Qh(t)—Heat load of the whole plant at time t, MW;
  • Qhi(t)—Heat load of the unit i at time t, MW;
  • Qeb(t)—Heat load of the electric boiler at time t, MW.
(2)
The upper and lower limits of the power and heat of the unit
P e i , min ( t ) P e i ( t ) P e i , max ( t )
Q h i , min ( P e i ( t ) ) Q h i ( t ) Q h i , max ( P e i ( t ) )
where, P i , min ( t ) —Lower limit of electric power of unit i, MW;
  • P i , max ( t ) —The upper limit of electric power of unit i, MW.
(3)
The upper and lower limit of the variable load rate of the unit, considering the safety upper and lower limits of load change rate, load change rate, and the minimum output of the unit
max { v i , min , Δ P e i τ } v i v i , max
where, v i —Load change rate of unit i, MW/min;
  • v i , max —Upper limit of load change rate of unit i, MW/min;
  • v i , min —Lower limit of load change rate of unit i, MW/min;
  • ΔPei—Load variation of unit i at time t, MW;
  • τ—Upper limit of load changing time of unit i, min.
(4)
Load dispatching constraint of a single unit: the load change distributed by the unit at time t should be less than the product of the upper safety limit of load change rate and the upper limit of variable load time
Δ P e i v i , max τ
(5)
Inter-unit load rate deviation constraint: To avoid over-optimization leading to some units reaching the limit value prematurely and losing the corresponding regulating capacity, the deviation between the load rate of single unit and the total load rate participating in the load dispatching of the whole plant (i.e., units under AGC control) shall not exceed the maximum value.
| P e i P ed i i = 1 n P e i i = 1 n P ed i | Δ L max
(6)
Unit load adjustment in the same direction: To avoid reverse load adjustment between units, it is necessary to limit the load adjustment direction of the unit. Take two units as an example:
Δ P e 1 · Δ P e 2 0

5. Case Studies

This example uses the electric and heat load operating data (data interval 15min) of a CHP plant in the middle and late heating seasons to conduct a comparative analysis before and after optimization. The operational data during this period covers high, medium, and low heat load conditions. For classification and comparison, the operation data is divided into four data subsets: mode 1 (HBP + EH + EB) and mode 2 (HB + LPCC + EB), mode 3 (HBP + EH), mode 4 (HB + LPCC). For each mode, a 15 min-scale optimum load dispatch is carried out. Among them, mode 1 and mode 2 are optimized to minimize power generation costs in 15 min. Mode 3 and mode 4 are optimized to minimize coal consumption in 15 min. The spatial distribution of the electric and heat load, coal saving and coal saving potential of the two units before and after the optimization of each mode is shown in Figure 8, Figure 9, Figure 10 and Figure 11.
From Figure 8a,b, we can see that two units share the power load of the whole plant equally before optimization. The HBP unit bears more heat load, and the input power of the electric boiler is more minor. After optimization, the HBP unit will prioritize more electrical and heat loads. The EH unit will take on a smaller electrical load and heat load, and the electric boiler will put in more power. It is because that the HBP unit has lower coal consumption than the extraction condensing unit (under EH condition) for power supply, and the ancillary service subsidy policy encourages more commitments to electric boilers. It can be seen from Figure 8c that in mode 1, the cost of power generation after optimization is still considerable. Figure 8d shows that the spatial distribution of power generation cost saving (electricity, heat load space) still has the feature that the higher the heat load of the whole plant, the greater the potential for saving power generation costs.
It can be seen from Figure 9a,b that the operating conditions of mode 2 have the characteristics of high heat load and low electrical load. Two units basically share the electricity load of the whole plant equally before optimization, but the low-pressure cylinder cut-off unit has a greater heating capacity under the same electric power. Therefore, the LPCC unit bears more heat load. After optimization, the LPCC unit will prioritize more electric and heat loads, because the extraction condensing unit(under LPCC condition) has lower power supply coal consumption than the high back-pressure heating unit. Figure 9d shows that the cost savings of optimal load dispatching in mode 2 are far less than that in mode 1. Because the coal consumption levels of HBP units and EH units under LPCC conditions are similar, the optimization effect is not very obvious. Considering the real-time and operational flexibility of on-site scheduling, a fixed-ratio load dispatching strategy can also be adopted in mode 2. Figure 9c shows that the spatial distribution of coal saving (electricity and heat load space) also has the same law: the higher the heat load, the greater the potential for cost savings.
From Figure 10a,b, it can be seen that the two units share the power load and heat load of the whole plant equally before optimization. In contrast, the HBP unit will give priority to more electrical and heat loads after optimization. This is because the high back-pressure heating units have lower power supply coal consumption than extraction steam heating units. From Figure 10c, we can see that there are significant differences in the amount of coal saved in different periods, which is related to the total electric heating load of the whole plant in different periods and the actual load dispatching method of the power plant. Figure 10d shows the spatial distribution of coal-saving (electricity and heat load space). It can be seen that the higher the heat load of the whole plant, the greater the coal saving potential.
Figure 11a,b show that two units share the power load of the whole plant before optimization. Still, the LP cylinder cut-off unit has greater heating capacity under the same power. Therefore, the LPCC unit bears more heat load. After optimization, the LPCC unit will prioritize more electric and heat loads. This is because the extraction steam heating unit has lower power supply coal consumption under the LPCC working condition with a higher back-pressure heating unit. It can be seen from Figure 11c that the coal saving of optimum load dispatch in mode 4 is far less than that in mode 3. The coal consumption levels of the HBP unit and EH unit under LPCC conditions are similar, so the optimization effect is not very obvious. Considering the real-time and operational flexibility of on-site scheduling, the load dispatching strategy based on a fixed proportion can be adopted under mode 4. Figure 11d shows that the spatial distribution of coal saving (electricity and heat load space) also has the same law: the higher the heat load, the greater the potential for coal saving.

6. Conclusions

In this paper, multi-mode flexible operation research is carried out for a CHP plant equipped with electrode electric boilers. To obtain the heat and power load characteristics of the energy supply equipment of CHP units, the Ebsilon simulation software is used to build thermal simulation models of different types of units, and the electrical and heat output characteristics of the units under different operating modes are obtained by simulation. The optimization workflow of multi-mode flexible operation is designed. The decision-making model of energy supply equipment unit commitment mode and the plant-level optimum load dispatch model for different optimization objectives are established. The unit commitment mode under different power and heat loads of the entire plant is determined through simulation calculation. Finally, the effectiveness of the optimization method and model is verified by comparing the actual operation data of CHP units. The specific conclusions are as follows:
(1)
Under the premise of safe operation, in the low heat load area of the whole plant, when the electric load of the whole plant is less than 250 MW, the unit commitment mode of HBP + EH + EB is preferred; when the power load of the entire plant is higher than 250 MW, the unit commitment mode of HBP + LPCC + EB is preferred when the power load of the whole plant is lower than 200 MW. The unit commitment mode of HBP + EH is selected when the power load of the whole plant is higher than 200 MW; In the high heat load area of the entire plant, when the power load of the entire plant is lower than 250 MW, the unit commitment mode of HBP + LPCC + EB is selected, and the unit commitment mode of HBP + EH is selected when the power load of the whole plant is higher than 250 MW.
(2)
Under the unit commitment mode of HBP + EH, due to the significant difference in energy consumption between the HBP unit and the EH unit, there is an ample space for optimization. Under the premise of safe and reliable operation, the HBP unit can be loaded as much as possible; under the unit commitment mode of HBP + EH, due to the slight difference in energy consumption between the two units, the energy-saving optimization space is not ample. The load dispatching can be considered according to a fixed ratio. In terms of optimizing energy-saving potential, the larger the heat load of the whole plant, the greater the energy-saving space.

Author Contributions

Conceptualization, F.F.; Methodology, Y.D. and F.F.; Software, Y.D., S.Y. and C.H.; Validation, Q.Y.; Investigation, S.Y. and C.H.; Resources, C.H.; Data curation, Y.D., S.Y., C.H. and Q.Y.; Writing—original draft, S.Y.; Writing—review & editing, Y.D. and F.F.; Supervision, Y.D. and F.F.; Project administration, Y.D., C.H. and Q.Y.; Funding acquisition, Q.Y. All authors have read and agreed to the published version of the manuscript.

Funding

This research was funded by [the Headquarters Management Science and Technology Project of State Grid Corporation] grant number [52060022001R].

Data Availability Statement

Data available on request from the authors.

Acknowledgments

The authors acknowledge the gratitude to the anonymous reviewers for their insightful comments.

Conflicts of Interest

The authors declare no conflict of interest.

References

  1. Andreas, B. Modeling of combined heat and power generation in the context of increasing renewable energy penetration. Appl. Energy 2020, 267, 114727. [Google Scholar] [CrossRef]
  2. Zhang, N.; Lu, X.; McElroy, M.B.; Nielsen, C.P. Reducing curtailment of wind electricity in China by employing electric boilers for heat and pumped hydro for energy storage. Appl. Energy 2016, 184, 987–994. [Google Scholar] [CrossRef]
  3. Zhang, D.P.; Yue, L.; Liu, F.C.; Zheng, J.J. In Research on the wind power accommodation based on peak shaving by using heat storage electric boiler. In Proceedings of the IEEE 3rd Information Technology and Mechatronics Engineering Conference (ITOEC), Chongqing, China, 3–5 October 2017. [Google Scholar]
  4. Andreas, B.; Wolf-Peter, S.; Alexander, Z. Power-to-heat for renewable energy integration: A review of technologies, modeling approaches, and flexibility potentials. Appl. Therm. Eng. 2018, 212, 1611–1626. [Google Scholar] [CrossRef]
  5. Wu, Y.T.; Fu, L.; Zhang, S.G.; Tang, D.K. Study on a novel co-operated heat and power system for improving energy efficiency and flexibility of cogeneration plants. Appl. Therm. Eng. 2019, 163, 114429. [Google Scholar] [CrossRef]
  6. Chen, H.; Yao, X.H.; Li, J.; Xu, G. Thermodynamic analysis of a novel combined heat and power system incorporating a CO2 heat pump cycle for enhancing flexibility. Appl. Therm. Eng. 2019, 161, 114160. [Google Scholar] [CrossRef]
  7. Mollenhauer, E.; Christidis, A.; Tsatsaronis, G. Increasing the flexibility of combined CHPs with heat pumps and thermal energy storage. J. Energy Resour. Technol. 2017, 140, 020907. [Google Scholar] [CrossRef]
  8. Trojan, M.; Taler, D.; Dzierwa, P.; Taler, J.; Kaczmarski, K.; Wrona, J. The use of pressure hot water storage tanks to improve the energy flexibility of the steam power unit. Energy 2019, 173, 926–936. [Google Scholar] [CrossRef]
  9. Cao, R.F.; Lu, Y.; Yu, D.; Guo, Y.F.; Yang, C.X. A novel approach to improving load flexibility of coal-fired power plant by integrating high temperature thermal energy storage through additional thermodynamic cycle. Appl. Therm. Eng. 2020, 173, 115225. [Google Scholar] [CrossRef]
  10. Ma, L.Q.; Ge, Z.H.; Zhang, F.X.; Wei, H.M. A novel super high back-pressure cascade heating scheme with multiple large-scale turbine units. Energy 2020, 201, 117469. [Google Scholar] [CrossRef]
  11. Chen, H.; Xiao, Y.; Xu, G.; Xu, J.D.; Yao, X.H.; Yang, Y.P. Energy-saving mechanism and parametric analysis of the high back-pressure heating process in a 300 MW coal-fired combined heat and power unit. Appl. Therm. Eng. 2019, 149, 829–840. [Google Scholar] [CrossRef]
  12. Liu, M.; Wang, S.; Zhao, Y.; Tang, H.; Yan, J. Heat–power decoupling technologies for coal-fired CHP plants: Operation flexibility and thermodynamic performance. Energy 2019, 188, 116074. [Google Scholar] [CrossRef]
  13. Rohner, R.R.; Blumer, U.R.; Aregger, J. Contributions of by-pass systems to the flexibility of advanced steam plants. In Proceedings of the International Conference on Advanced Steam Plant, London, UK, 21–22 May 1997. [Google Scholar]
  14. Böttger, D.; Götz, M.; Theofilidi, M.; Bruckner, T. Control power provision with power-to-heat plants in systems with high shares of renewable energy sources—An illustrative analysis for Germany based on the use of electric boilers in district heating grids. Energy 2015, 82, 157–167. [Google Scholar] [CrossRef]
  15. Lepiksaar, K.; Masatin, V.; Latosov, E. Improving CHP flexibility by integrating thermal energy storage and power-to-heat technologies into the energy system. Smart Energy 2021, 2, 100022. [Google Scholar] [CrossRef]
  16. Chen, J.L.; Jiang, H.C.; Bian, S.S.; Kang, Y.Z.; Wu, Z.; Huang, X. Study on operating optimization of 660 MW multi-stage heating unit combined with electric boiler. Electr. Power 2022, 55, 189–195. [Google Scholar]
  17. Tan, J.; Cai, Y.; Luo, W.; Zhang, D.L. Heat-electricity coordinated scheduling method considering the heat-supply unit and electric boiler. Power Syst. Autom. 2018, 40, 62–69. [Google Scholar]
  18. Cui, Y.; Chen, Z.; Yan, G.G.; Tang, Y. Coordinated wind power accommodating dispatch model based on electric boiler and CHP with thermal energy storage. Proc. CSEE 2016, 36, 4072–4081. [Google Scholar]
  19. Paul, C.; Roy, P.K.; Mukherjee, V. Chaotic whale optimization algorithm for optimal solution of combined heat and power economic dispatch problem incorporating wind. Renew. Energy Focus 2020, 35, 56–71. [Google Scholar] [CrossRef]
  20. Bo, Y.; Cong, Q. Design and application of energy-saving scheduling based plant-level AGC control system. Therm. Power Gener. 2013, 7, 147–151. [Google Scholar]
  21. Wang, Y.; Ma, X.Q.; Liu, A. Study on plant-level optimal load distribution based on automatic generation control. Proc. CSEE 2008, 28, 103–107. [Google Scholar]
  22. Xu, J.; Gu, Y.J.; Chen, D.C.; Li, Q.Q. Data mining based plant-level load dispatching strategy for the coal-fired power plant coal-saving: A case study. Appl. Therm. Eng. 2017, 119, 553–559. [Google Scholar] [CrossRef]
  23. Liu, M.; Wang, S.; Yan, J.J. Operation scheduling of a coal-fired CHP station integrated with power-to-heat devices with detail CHP unit models by particle swarm optimization algorithm. Energy 2021, 214, 119022. [Google Scholar] [CrossRef]
  24. He, P.; Sun, G.; Wang, F.; Wu, H.X. Heating Engineering; China Architecture & Building Press: Beijing, China, 2020. [Google Scholar]
  25. Abde, S.; Hassan, A.A. Modern Optimization Techniques with Applications in Electric Power Systems; Springer: Berlin/Heidelberg, Germany, 2012. [Google Scholar]
  26. NEA. Northeast Electric Power Auxiliary Service Market Operation Rules; NEA: Paris, France, 2020. [Google Scholar]
Figure 1. CHP energy supply system diagram.
Figure 1. CHP energy supply system diagram.
Energies 15 09337 g001
Figure 2. Electrical and thermal operating characteristics of energy supply equipment in the CHP plant. (a)HBP. (b) EH. (c) LPCC. (d) HBP + EB. (e) EH + EB. (f) LPCC + EB.
Figure 2. Electrical and thermal operating characteristics of energy supply equipment in the CHP plant. (a)HBP. (b) EH. (c) LPCC. (d) HBP + EB. (e) EH + EB. (f) LPCC + EB.
Energies 15 09337 g002aEnergies 15 09337 g002b
Figure 3. The power and heat working range of the CHP under different operation modes. (a) HBP + EH. (b) HBP + LPCC. (c) HBP + EH + EB. (d) HBP + LPCC + EB.
Figure 3. The power and heat working range of the CHP under different operation modes. (a) HBP + EH. (b) HBP + LPCC. (c) HBP + EH + EB. (d) HBP + LPCC + EB.
Energies 15 09337 g003
Figure 4. Multi-mode flexible operation optimization process for the CHP plant.
Figure 4. Multi-mode flexible operation optimization process for the CHP plant.
Energies 15 09337 g004
Figure 5. Heat load curve of thermal power plant in middle and later period.
Figure 5. Heat load curve of thermal power plant in middle and later period.
Energies 15 09337 g005
Figure 6. Coal consumption in different unit commitment modes. (a) Heat load 300 MW. (b) Heat load 400MW. (c) Heat load 500 MW.
Figure 6. Coal consumption in different unit commitment modes. (a) Heat load 300 MW. (b) Heat load 400MW. (c) Heat load 500 MW.
Energies 15 09337 g006aEnergies 15 09337 g006b
Figure 7. Simulation results aimed at minimizing energy supply costs. (a) Heat load 300 MW. (b) Heat load 400 MW. (c) Heat load 500 MW.
Figure 7. Simulation results aimed at minimizing energy supply costs. (a) Heat load 300 MW. (b) Heat load 400 MW. (c) Heat load 500 MW.
Energies 15 09337 g007
Figure 8. Comparison before and after optimization under mode one (HBP + EH + EB) working conditions. (a) Electric and heat load of HBP unit. (b) Electric and heat load of EH unit. (c) Electric boiler load. (d) Coal saving before and after optimization. (e) Spatial distribution of cost saving potential.
Figure 8. Comparison before and after optimization under mode one (HBP + EH + EB) working conditions. (a) Electric and heat load of HBP unit. (b) Electric and heat load of EH unit. (c) Electric boiler load. (d) Coal saving before and after optimization. (e) Spatial distribution of cost saving potential.
Energies 15 09337 g008aEnergies 15 09337 g008b
Figure 9. Comparison before and after optimization under mode two (HBP + LPCC + EB) working conditions. (a) Electric and heat load of HBP unit. (b) Electric and heat load of EH unit. (c) Electric boiler load. (d) Coal saving before and after optimization. (e) Spatial distribution of cost saving potential.
Figure 9. Comparison before and after optimization under mode two (HBP + LPCC + EB) working conditions. (a) Electric and heat load of HBP unit. (b) Electric and heat load of EH unit. (c) Electric boiler load. (d) Coal saving before and after optimization. (e) Spatial distribution of cost saving potential.
Energies 15 09337 g009aEnergies 15 09337 g009b
Figure 10. Comparison before and after optimization under mode 3 (HBP + EH) working conditions. (a) Electricity and heat load of HBP unit. (b) EH Electricity and heat load of EH unit. (c) Coal saving before and after optimization. (d) Spatial distribution of coal saving potential.
Figure 10. Comparison before and after optimization under mode 3 (HBP + EH) working conditions. (a) Electricity and heat load of HBP unit. (b) EH Electricity and heat load of EH unit. (c) Coal saving before and after optimization. (d) Spatial distribution of coal saving potential.
Energies 15 09337 g010
Figure 11. Comparison before and after optimization under mode 2 (HBP + LPCC) working conditions. (a) Electric and heat load of HBP unit. (b) Electric and heat load of EH unit. (c) Coal saving before and after optimization. (d) Spatial distribution of coal saving potential.
Figure 11. Comparison before and after optimization under mode 2 (HBP + LPCC) working conditions. (a) Electric and heat load of HBP unit. (b) Electric and heat load of EH unit. (c) Coal saving before and after optimization. (d) Spatial distribution of coal saving potential.
Energies 15 09337 g011
Table 1. Coefficients of unit electrical and thermal characteristics equation.
Table 1. Coefficients of unit electrical and thermal characteristics equation.
No.Coefficientsαβ
1HBP0.6899−43.6381
2EH (maximum flow condition)−0.1683302.0685
3EH (minimum flow condition)−0.221090.0000
4EH (minimum condensing capacity condition)0.475556.0981
5EH(LPCC)0.4619−15.4441
6EB1.0200
Table 2. Unit coal consumption coefficient.
Table 2. Unit coal consumption coefficient.
Unitabccv
HBP−0.02904355.12649529.7792
EH0.10163187.24629963.53220.1683
EH(LPCC)0.00756424.23287605.9808
Table 3. Three optimal unit commitment modes of units under heat load of the whole plant.
Table 3. Three optimal unit commitment modes of units under heat load of the whole plant.
Electric Load (MW)0–200200–250250–500
Heat Load
LowHBP + EH + EBHBP + EH + EBHBP + EH
MediumHBP + LPCC + EBHBP + EHHBP + EH
HighHBP + LPCC + EBHBP + LPCC + EBHBP + EH
Publisher’s Note: MDPI stays neutral with regard to jurisdictional claims in published maps and institutional affiliations.

Share and Cite

MDPI and ACS Style

Dong, Y.; Yu, S.; He, C.; Yu, Q.; Fang, F. Optimal Multi-Mode Flexibility Operation of CHP Units with Electrode Type Electric Boilers: A Case Study. Energies 2022, 15, 9337. https://doi.org/10.3390/en15249337

AMA Style

Dong Y, Yu S, He C, Yu Q, Fang F. Optimal Multi-Mode Flexibility Operation of CHP Units with Electrode Type Electric Boilers: A Case Study. Energies. 2022; 15(24):9337. https://doi.org/10.3390/en15249337

Chicago/Turabian Style

Dong, Yuliang, Songyuan Yu, Chengbing He, Qingbin Yu, and Fang Fang. 2022. "Optimal Multi-Mode Flexibility Operation of CHP Units with Electrode Type Electric Boilers: A Case Study" Energies 15, no. 24: 9337. https://doi.org/10.3390/en15249337

APA Style

Dong, Y., Yu, S., He, C., Yu, Q., & Fang, F. (2022). Optimal Multi-Mode Flexibility Operation of CHP Units with Electrode Type Electric Boilers: A Case Study. Energies, 15(24), 9337. https://doi.org/10.3390/en15249337

Note that from the first issue of 2016, this journal uses article numbers instead of page numbers. See further details here.

Article Metrics

Back to TopTop