Sequential Design of Decentralized Robust Controllers for Strongly Interconnected Inverter-Based Distributed Generation Systems: A Comparative Study versus Independent Design
Abstract
1. Introduction
- Sequentially designing decentralized controllers for strongly coupled inverter-based generation systems in a nanogrid without communication links.
- Ensuring the robustness of the decentralized controllers against the variations in all the parameters of the inverter-based generation system, while attenuated the resonance frequency of LC filters.
- Conducting simulations to verify the superior performance of the proposed control system as compared to the independently-designed decentralized controllers as a benchmark.
- Conducting simulations to show the superior performance of the proposed control system in terms of the robustness against the LC filter and interconnection line parameter variations as compared to linear quadratic Gaussian (LQG) controllers as a benchmark.
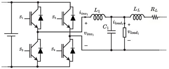
2. The Model of Interconnected Inverters in a Nanogrid
3. Parameter Variations of the System and Structured Uncertainties
4. Sequential Decentralized -Synthesis Design
- Step 1.
- While the connections corresponding to the controller and the uncertainty matrix are left open, the controller is designed by using the D-K iteration algorithm in such a way that the following Laplace-domain robust criterion holds:where is the transfer function of the entire system including only the inputs and outputs related to and .
- Step 2.
- The designed controller is connected to the system by a lower LFT.
- Step 3.
- The controller is designed by using the D-K iteration algorithm for the entire system while taking both uncertainty matrices and into account such that the following Laplace-domain condition holds:where .
- Step 4.
- The designed controller is connected to the system by a lower LFT.
- Step 5.
- The closed-loop system is simulated.

5. Simulation Results and Discussion
5.1. Real-Time Simulation Using OPAL-RT
- The bandwidth of the closed-loop control system was 6.66 (kHz). The sampling frequency was set to ten times faster, i.e., 6.66 (kHz) × 10 = 66.6 (kHz), which was equivalent to the simulation step size of 15 (s).
- The switching frequency of the power electronic unit was 1 (MHz). The sampling frequency in the FPGA platform was set to ten times faster, i.e., 1 (MHz) × 10 = 10 (MHz), which was equivalent to the simulation step size of 100 (ns).
- The computation time within each time step is independent of the size of the system due to the parallel nature of the FPGAs.
- Overruns do not happen while the model is running.
- The simulation step size is very small, in the order of 100 (ns).
- The corrective algorithms for the inter-simulation time-step switching events can be eliminated without jeopardizing the accuracy or the numerical stability.

5.2. Robust Control Conditions
5.3. Time Response Performance
- The first case study was for the distance of 1 (km). Figure 11 and Figure 12 demonstrate the time response of the load and reference voltages for the sequentially and independently-designed controllers, respectively. Both controllers had acceptable performances in tracking the reference voltage when the distance between the inverters was 1 (km).
- The second case study was for the distance of 200 (m). The time responses of the load and reference voltages for the sequentially and independently-designed controllers are shown in Figure 13 and Figure 14, respectively. In this case, the interconnection strength between the inverters was larger as compared to the first case study, which in turn led to the instability of the independently-designed control system. The control system designed by the sequential method remained stable with an acceptable performance, while the one designed by the independent scheme started to have unstable oscillations around (s).
5.4. Robustness Analysis
5.5. Resonance Analysis
6. Conclusions
Author Contributions
Funding
Data Availability Statement
Conflicts of Interest
Nomenclature
| Normalized uncertainty variable for the parameter x | |
| Maximum percentage deviation of the parameter x | |
| -norm operator | |
| Frequency of the generation systems | |
| Error signal of the generation system i () | |
| Upper linear fractional transformation (LFT) operator | |
| Transfer function of the interconnection line between the two inverters | |
| Inverter current of the generation system i () | |
| Load current of the generation system i () | |
| Decentralized controller’s transfer function of the generation system i () | |
| Inverter gain of the generation system i () | |
| Control signal of the generation system i () | |
| Inverter voltage of the generation system i () | |
| Load voltage of the generation system i () | |
| Reference voltage of the generation system i () | |
| Error performance weight function for the generation system i () | |
| Input performance weight function for the generation system i () |
References
- Hogan, D.J.; Gonzalez-Espin, F.J.; Hayes, J.G.; Lightbody, G.; Foley, R. An adaptive digital-control scheme for improved active power filtering under distorted grid conditions. IEEE Trans. Ind. Electron. 2017, 65, 988–999. [Google Scholar] [CrossRef]
- Argüello, A.; Torquato, R.; Freitas, W.; Padilha-Feltrin, A. A graphical method to assess component overload due to harmonic resonances in wind parks. IEEE Trans. Power Deliv. 2020, 36, 1819–1828. [Google Scholar] [CrossRef]
- Azizi, S.M.; Khajehoddin, S.A. Robust inverter control design in islanded microgrids using μ-synthesis. In Proceedings of the 2016 IEEE Energy Conversion Congress and Exposition (ECCE), Milwaukee, WI, USA, 18–22 September 2016; pp. 1–5. [Google Scholar]
- Adak, S. Harmonics Mitigation of Stand-Alone Photovoltaic System Using LC Passive Filter. J. Electr. Eng. Technol. 2021, 16, 2389–2396. [Google Scholar] [CrossRef]
- Twining, E.; Holmes, D.G. Grid current regulation of a three-phase voltage source inverter with an LCL input filter. IEEE Trans. Power Electron. 2003, 18, 888–895. [Google Scholar] [CrossRef]
- Eskandari, M.; Savkin, A.V. A Critical Aspect of Dynamic Stability in Autonomous Microgrids: Interaction of Droop Controllers through the Power Network. IEEE Trans. Ind. Inform. 2021, 18, 3159–3170. [Google Scholar] [CrossRef]
- Ratnam, K.S.; Palanisamy, K.; Yang, G. Future low-inertia power systems: Requirements, issues, and solutions-A review. Renew. Sustain. Energy Rev. 2020, 124, 109773. [Google Scholar] [CrossRef]
- Berzoy, A.; Salazar, A.; Khalizheli, F.; Restrepo, C.; Velni, J.M. Non-linear Droop Control of Parallel Split-phase Inverters for Residential Nanogrids. In Proceedings of the 2019 IEEE Applied Power Electronics Conference and Exposition (APEC), Anaheim, CA, USA, 17–21 March 2019; pp. 1150–1156. [Google Scholar] [CrossRef]
- González-Romera, E.; Roncero-Clemente, C.; Barrero-González, F.; Milanés-Montero, M.I.; Romero-Cadaval, E. A Comprehensive Control Strategy for Multibus Nanogrids With Power Exchange Between Prosumers. IEEE Access 2021, 9, 104281–104293. [Google Scholar] [CrossRef]
- Kaviri, S.M.; Hajebrahimi, H.; Poorali, B.; Pahlevani, M.; Jain, P.K.; Bakhshai, A. A Supervisory Control System for Nanogrids Operating in the Stand-Alone Mode. IEEE Trans. Power Electron. 2021, 36, 2914–2931. [Google Scholar] [CrossRef]
- Eskandari, M.; Li, L.; Moradi, M.H. Improving power sharing in islanded networked microgrids using fuzzy-based consensus control. Sustain. Energy Grids Netw. 2018, 16, 259–269. [Google Scholar] [CrossRef]
- Eskandari, M.; Li, L.; Moradi, M.H.; Wang, F.; Blaabjerg, F. A control system for stable operation of autonomous networked microgrids. IEEE Trans. Power Deliv. 2019, 35, 1633–1647. [Google Scholar] [CrossRef]
- Vorobev, P.; Huang, P.H.; Al Hosani, M.; Kirtley, J.L.; Turitsyn, K. A framework for development of universal rules for microgrids stability and control. In Proceedings of the IEEE 56th Annual Conference on Decision and Control (CDC), Melbourne, Australia, 12–15 December 2017; pp. 5125–5130. [Google Scholar]
- Strehle, F.; Malan, A.J.; Krebs, S.; Hohmann, S. A port-hamiltonian approach to plug-and-play voltage and frequency control in islanded inverter-based ac microgrids. In Proceedings of the IEEE 58th Conference on Decision and Control (CDC), Nice, France, 11–13 December 2019; pp. 4648–4655. [Google Scholar]
- Amoateng, D.O.; Al Hosani, M.; Elmoursi, M.S.; Turitsyn, K.; Kirtley, J.L. Adaptive voltage and frequency control of islanded multi-microgrids. IEEE Trans. Power Syst. 2017, 33, 4454–4465. [Google Scholar] [CrossRef]
- Golsorkhi, M.S.; Shafiee, Q.; Lu, D.D.C.; Guerrero, J.M. Distributed control of low-voltage resistive AC microgrids. IEEE Trans. Energy Convers. 2018, 34, 573–584. [Google Scholar] [CrossRef]
- Golsorkhi, M.S.; Hill, D.J.; Karshenas, H.R. Distributed voltage control and power management of networked microgrids. IEEE J. Emerg. Sel. Top. Power Electron. 2017, 6, 1892–1902. [Google Scholar] [CrossRef]
- Vorobev, P.; Huang, P.H.; Al Hosani, M.; Kirtley, J.L.; Turitsyn, K. High-fidelity model order reduction for microgrids stability assessment. IEEE Trans. Power Syst. 2017, 33, 874–887. [Google Scholar] [CrossRef]
- Eskandari, M.; Savkin, A.V. Interaction of droop controllers through complex power network in microgrids. In Proceedings of the IEEE 18th International Conference on Industrial Informatics (INDIN), Warwick, UK, 20–23 July 2020; pp. 311–314. [Google Scholar]
- Huang, P.H.; Vorobev, P.; Al Hosani, M.; Kirtley, J.L.; Turitsyn, K. Plug-and-play compliant control for inverter-based microgrids. IEEE Trans. Power Syst. 2019, 34, 2901–2913. [Google Scholar] [CrossRef]
- dos Santos Alonso, A.M.; Brandao, D.I.; Tedeschi, E.; Marafão, F.P. Resistive shaping of interconnected low-voltage microgrids operating under distorted voltages. IEEE Trans. Ind. Electron. 2021, 69, 9075–9086. [Google Scholar] [CrossRef]
- Xu, Y.; Yi, Z. Chapter 3—Optimal distributed secondary control for an islanded microgrid. In Distributed Control Methods and Cyber Security Issues in Microgrids; Academic Press: Cambridge, MA, USA, 2020; pp. 59–81. [Google Scholar]
- Shojaee, M.; Mohammadi Shakiba, F.; Azizi, S.M. Decentralized Model-Predictive Control of a Coupled Wind Turbine and Diesel Engine Generator System. Energies 2022, 15, 3349. [Google Scholar] [CrossRef]
- Amouzegar Ashtiani, N.; Azizi, S.M.; Khajehoddin, S.A. Robust Control Design for High-Power Density PV Converters in Weak Grids. IEEE Trans. Control. Syst. Technol. 2019, 27, 2361–2373. [Google Scholar] [CrossRef]
- Habetler, T.; Naik, R.; Nondahl, T. Design and implementation of an inverter output LC filter used for dv/dt reduction. IEEE Trans. Power Electron. 2002, 17, 327–331. [Google Scholar] [CrossRef]
- Mishra, P.; Maheshwari, R. Design, Analysis, and Impacts of Sinusoidal LC Filter on Pulsewidth Modulated Inverter Fed-Induction Motor Drive. IEEE Trans. Ind. Electron. 2020, 67, 2678–2688. [Google Scholar] [CrossRef]
- Liu, K.Z.; Yao, Y. Robust Control: Theory and Applications; John Wiley & Sons: Hoboken, NJ, USA, 2016. [Google Scholar]
- Rocabert, J.; Luna, A.; Blaabjerg, F.; Rodriguez, P. Control of power converters in AC microgrids. IEEE Trans. Power Electron. 2012, 27, 4734–4749. [Google Scholar] [CrossRef]
- Opal-rt Technologies. Available online: https://www.opal-rt.com/ (accessed on 27 November 2022).
- Nguyen, H.T.; Kim, E.K.; Kim, I.P.; Choi, H.H.; Jung, J.W. Model predictive control with modulated optimal vector for a three-phase inverter with an LC filter. IEEE Trans. Power Electron. 2017, 33, 2690–2703. [Google Scholar] [CrossRef]
- Leuchter, J.; Dong, Q.H.; Boril, J.; Blasch, E. Electromagnetic immunity of aircraft wireless and cables from electromagnetic interferences. In Proceedings of the IEEE/AIAA 36th Digital Avionics Systems Conference (DASC), St. Petersburg, FL, USA, 17–21 September 2017; pp. 1–6. [Google Scholar]
- Ueda, J.; Gallagher, W.; Moualeu, A.; Shinohara, M.; Feigh, K. Adaptive human-robot physical interaction for robot coworkers. In Human Modelling for Bio-Inspired Robotics; Academic Press: Cambridge, MA, USA, 2017; pp. 297–333. [Google Scholar]















| First inverter | = 1, = 3.0 (mH), = 2.0 (F), |
| = 1.0 (H), = 630 () | |
| Second inverter | = 1, = 2.8 (mH), = 2.2 (F), |
| = 1.2 (H), = 632 () | |
| Interconnection line | = 0.642 (/km), = 2.2 × 10 (H/km) [28] |
Publisher’s Note: MDPI stays neutral with regard to jurisdictional claims in published maps and institutional affiliations. |
© 2022 by the authors. Licensee MDPI, Basel, Switzerland. This article is an open access article distributed under the terms and conditions of the Creative Commons Attribution (CC BY) license (https://creativecommons.org/licenses/by/4.0/).
Share and Cite
Shojaee, M.; Azizi, S.M. Sequential Design of Decentralized Robust Controllers for Strongly Interconnected Inverter-Based Distributed Generation Systems: A Comparative Study versus Independent Design. Energies 2022, 15, 8995. https://doi.org/10.3390/en15238995
Shojaee M, Azizi SM. Sequential Design of Decentralized Robust Controllers for Strongly Interconnected Inverter-Based Distributed Generation Systems: A Comparative Study versus Independent Design. Energies. 2022; 15(23):8995. https://doi.org/10.3390/en15238995
Chicago/Turabian StyleShojaee, Milad, and S. Mohsen Azizi. 2022. "Sequential Design of Decentralized Robust Controllers for Strongly Interconnected Inverter-Based Distributed Generation Systems: A Comparative Study versus Independent Design" Energies 15, no. 23: 8995. https://doi.org/10.3390/en15238995
APA StyleShojaee, M., & Azizi, S. M. (2022). Sequential Design of Decentralized Robust Controllers for Strongly Interconnected Inverter-Based Distributed Generation Systems: A Comparative Study versus Independent Design. Energies, 15(23), 8995. https://doi.org/10.3390/en15238995

