Analysis of the Dual Active Bridge-Based DC-DC Converter Topologies, High-Frequency Transformer, and Control Techniques
Abstract
1. Introduction
2. High-Frequency Transformer in DAB Boost Converter
3. Topologies of DAB Converter
3.1. Traditional 2L DAB
3.2. Three-Phase DAB
3.3. Multilevel DAB
3.4. Cascaded Multi-DAB
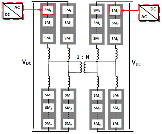
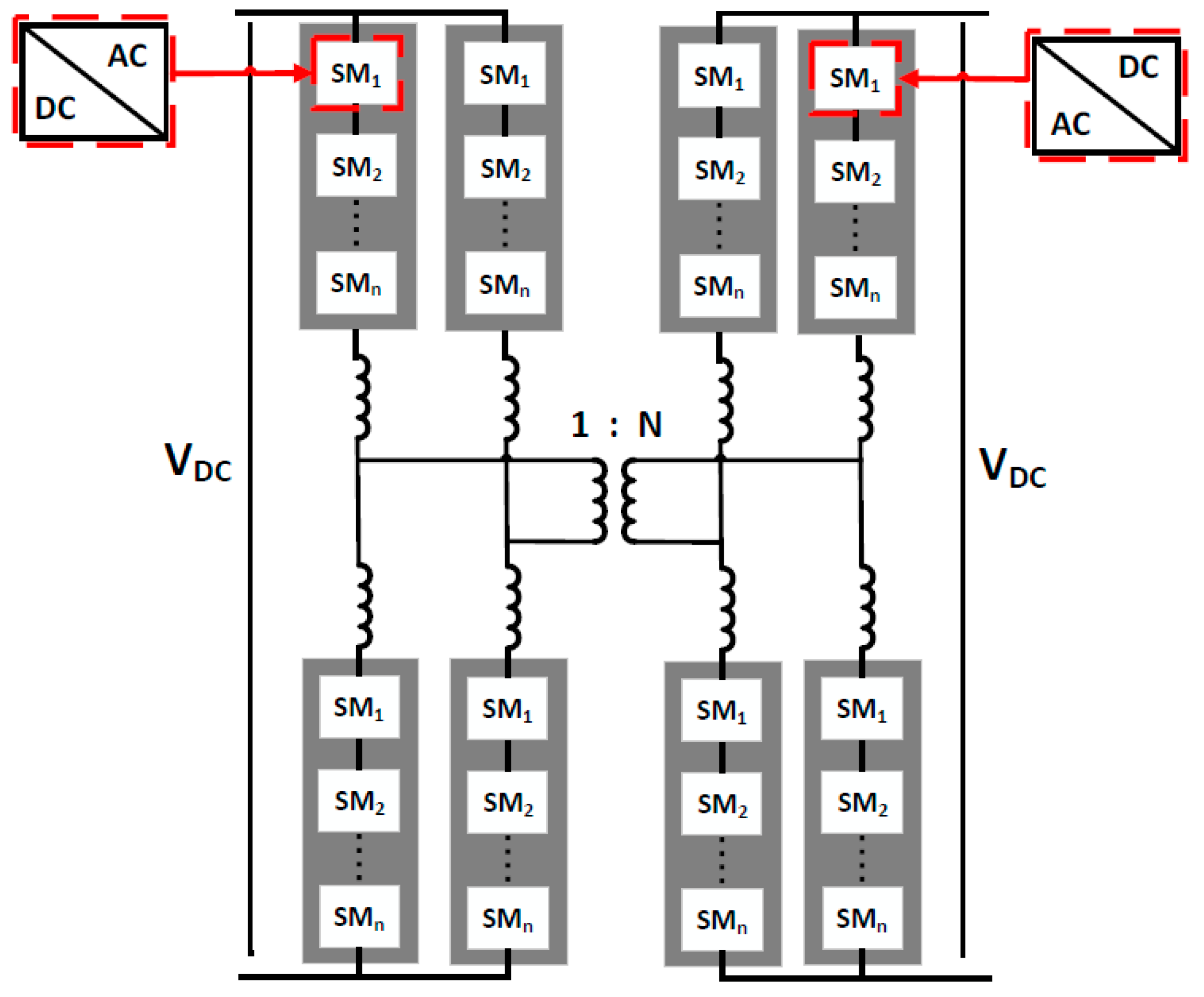
3.5. Modular Multilevel DAB (MMC DAB)
3.6. Isolated Resonant DAB
4. Control Methodologies Used in DAB Converter
4.1. Phase-Shift Modulation
4.2. System Variables Control
| Ref. No | Modulation Technique | Pros | Cons |
|---|---|---|---|
| [59] | SPS |
|
|
| [60] | EPS |
|
|
| [61] | DPS |
|
|
| [62] | TPS |
|
|
4.3. Proportional–Integral–Derivative Control
4.4. Sliding Mode Control
4.5. Model Predictive Control
5. Simulation Results
6. Discussion
7. Conclusions
Author Contributions
Funding
Conflicts of Interest
References
- Das, D.; Hrishikesan, V.M.; Kumar, C.; Liserre, M. Smart Transformer-Enabled Meshed Hybrid Distribution Grid. IEEE Trans. Ind. Electron. 2020, 68, 282–292. [Google Scholar] [CrossRef]
- Ruiz, F.; Perez, M.A.; Espinosa, J.R.; Gajowik, T.; Stynski, S.; Malinowski, M. Surveying Solid-State Transformer Structures andControls: Providing Highly Efficient and Controllable Power Flow in Distribution Grids. IEEE Ind. Electron. Mag. 2020, 14, 56–70. [Google Scholar] [CrossRef]
- Liserre, M.; Buticchi, G.; Andresen, M.; De Carne, G.; Costa, L.; Zou, Z.-X. The Smart Transformer: Impact on the Electric Grid and Technology Challenges. IEEE Ind. Electron. Mag. 2016, 10, 46–58. [Google Scholar] [CrossRef]
- Buticchi, G.; Costa, L.F.; Barater, D.; Liserre, M.; Amarillo, E.D. A Quadruple Active Bridge Converter for the Storage Integration on the More Electric Aircraft. IEEE Trans. Power Electron. 2017, 33, 8174–8186. [Google Scholar] [CrossRef]
- Krismer, F.; Kolar, J.W. Accurate power loss model derivation of a high-current dual active bridge converter for an auto-motive application. IEEE Trans. Ind. Electron. 2010, 57, 881–891. [Google Scholar] [CrossRef]
- Shi, Y.; Li, R.; Xue, Y.; Li, H. Optimized Operation of Current-Fed Dual Active Bridge DC–DC Converter for PV Applications. IEEE Trans. Ind. Electron. 2015, 62, 6986–6995. [Google Scholar] [CrossRef]
- Aldosari, O.; Garcia Rodriguez, L.A.; Balda, J.C.; Mazumder, S.K. Design trade-offs for medium- and high-frequency transformers for isolated power converters in distribution system applications. In Proceedings of the 2018 9th IEEE International Symposium on Power Electronics for Distributed Generation Systems (PEDG), Charlotte, NC, USA, 25–28 June 2018; IEEE: Piscataway, NJ, USA, 2018; pp. 1–7. [Google Scholar]
- Herrera-Jaramillo, D.A.; Montoya, D.G.; Henao-Bravo, E.E.; Ramos-Paja, C.A.; Saavedra-Montes, A.J. Systematic analysis of control techniques for the dual active bridge converter in photovoltaic applications. Int. J. Circuit Theory Appl. 2021, 49, 3031–3052. [Google Scholar] [CrossRef]
- Du, Y.; Baek, S.; Bhattacharya, S.; Huang, A.Q. High-voltage high-frequency transformer design for a 7.2kV to 120V/240V 20kVA solid state transformer. In Proceedings of the IECON 2010—36th Annual Conference on IEEE Industrial Electronics Society, Glendale, AZ, USA, 7–10 November 2010; pp. 493–498. [Google Scholar] [CrossRef]
- Liu, C.; Qi, L.; Cui, X.; Wei, X. Experimental extraction of parasitic capacitances for high-frequency transformers. IEEE Trans. Power Electron. 2017, 32, 4157–4167. [Google Scholar] [CrossRef]
- Ataullah, H.; Iqbal, T.; Khalil, I.U.; Mohammad, A.-S.; Ullah, N.; Emad Farrag, M. Analysis and Verification of Leakage Inductance Calculation in DAB Converters Based on High-Frequency Toroidal Transformers under Different Design Scenarios. Energies 2022, 15, 6176. [Google Scholar] [CrossRef]
- Hazra, S.; Madhusoodhanan, S.; Moghaddam, G.K.; Hatua, K.; Bhattacharya, S. Design considerations and performance evaluation of 1200V 100A sic mosfet-based two-level voltage source converter. IEEE Trans. Ind Appl. 2016, 52, 4257–4268. [Google Scholar] [CrossRef]
- Zhao, B.; Song, Q.; Liu, W.; Sun, Y. Overview of dual-active-bridge isolated bidirectional dc–dc converter for high-frequency-link power conversion system. IEEE Trans. Power Electron. 2014, 29, 4091–4106. [Google Scholar] [CrossRef]
- Zhao, B.; Yu, Q.; Sun, W. Extended-phase-shift control of isolated bidirectional dc-dc converter for power distribution. IEEE Trans. Power Electron. 2012, 27, 4667–4680. [Google Scholar] [CrossRef]
- Bai, H.; Mi, C. Eliminate reactive power and increase system efficiency of isolated bidirectional dual-active-bridge dc–dc converters using novel dual-phase-shift control. IEEE Trans. Power Electron. 2008, 23, 2905–2914. [Google Scholar] [CrossRef]
- Zhao, B.; Song, Q.; Liu, W.; Sun, W. Current-stress-optimized switching strategy of isolated bidirectional dc–dc converter with dualphase-shift control. IEEE Trans. Ind. Electron. 2013, 60, 4458–4467. [Google Scholar] [CrossRef]
- Zhu, L. A novel soft-commutating isolated boost full-bridge ZVSPWM dc–dc converter for bidirectional high power applications. IEEE Trans. Power Electron. 2006, 21, 422–429. [Google Scholar] [CrossRef]
- Madhusoodhanan, S.; Tripathi, A.; Patel, D.; Mainali, K.; Kadavelugu, A.; Hazra, S.; Bhattacharya, S. Solid-state transformer and MV grid tie applications enabled by 15 kV SiC igbts and 10 kV SiC mosfets based multilevel converters. IEEE Trans. Ind. Appl. 2015, 51, 3343–3360. [Google Scholar] [CrossRef]
- De Din, E.; Siddique, H.A.B.; Cupelli, M.; Monti, A.; De Doncker, R.W. Voltage control of parallel-connected dual-active bridge converters for shipboard applications. IEEE Trans. Emerg. Sel. Topics Power Electron. 2018, 6, 664–673. [Google Scholar] [CrossRef]
- Hu, J.; Joebges, P.; Pasupuleti, G.; Averous, N.R. A maximum-output-power-point-tracking-controlled dual active bridge converter for pv energy integration into mvdc grids. IEEE Trans. Energy Convers. 2019, 34, 170–180. [Google Scholar] [CrossRef]
- Liu, P.; Chen, C.; Duan, S. An optimized modulation strategy for the three-level dab converter with five control degrees of freedom. IEEE Trans. Ind. Electron. 2020, 67, 254–264. [Google Scholar] [CrossRef]
- Alhurayyis, I.; Elkhateb, A.; Morrow, D.J. Isolated and non-isolated DC-to-DC converters for medium voltage DC networks: A review. IEEE J. Emerg. Sel. Top. Power Electron. 2020, 9, 7486–7500. [Google Scholar] [CrossRef]
- Dujic, D.; Zhao, C.; Mester, A.; Steinke, J.K.; Weiss, M.; Lewdeni-Schmid, S.; Chaudhuri, T.; Stefanutti, P. Power electronic traction transformer-low voltage prototype. IEEE Trans. Power Electron. 2013, 28, 5522–5534. [Google Scholar] [CrossRef]
- Awal, M.A.; Bipu, R.H.; Montes, O.A.; Feng, H.; Husain, I.; Yu, W.; Lukic, S. Capacitor voltage balancing for neutral point clamped dual active bridge converters. IEEE Trans. Power Electron. 2020, 35, 11267–11276. [Google Scholar] [CrossRef]
- Du, Q.; Gao, L.; Li, Q.; Li, T.; Meng, F. Harmonic reduction methods at DC side of parallel-connected multipulse rectifiers: A review. IEEE Trans. Power Electron. 2020, 36, 2768–2782. [Google Scholar] [CrossRef]
- Filba-Martinez, A.; Busquets-Monge, S.; Bordonau, J. Modulation and capacitor voltage balancing control of multilevel npc dual active bridge DC–DC converters. IEEE Trans. Ind. Electron. 2019, 67, 2499–2510. [Google Scholar] [CrossRef]
- Burkart, R.; Kolar, J. Comparative η– ρ– σ pareto optimization of si and sic multilevel dual-active-bridge topologies with wide input. IEEE Trans. Power Electron. 2017, 32, 5258–5270. [Google Scholar] [CrossRef]
- Lee, J.; Choi, H.; Jung, J. Three level npc dual active bridge capacitor voltage balancing switching modulation. In Proceedings of the 2017 IEEE International Telecommunications Energy Conference (INTELEC), Broadbeach, QLD, Australia, 22–26 October 2017; pp. 438–443. [Google Scholar]
- Moonem, M.; Duman, T.; Krishnaswami, H. Capacitor voltage balancing in a neutral-point clamped multilevel dc-dc dual active bridge converter. In Proceedings of the 2017 IEEE 8th International Symposium on Power Electronics for Distributed Generation Systems (PEDG), Florianopolis, Brazil, 17–20 April 2017. [Google Scholar]
- Feng, H.; Fei, T.; Oscar Andrés, M.; Awal, M.A.; Md Rashed Hassan, B.; Iqbal, H.; Srdjan, L. Passive Capacitor Voltage Balancing of SiC-Based Three-Level Dual-Active-Bridge Converter Using Hybrid NPC-Flying Capacitor Structure. IEEE Trans. Power Electron. 2021, 37, 4183–4194. [Google Scholar] [CrossRef]
- Franquelo, L.G.; Rodriguez, J.; Leon, J.I.; Kouro, S.; Portillo, R.; Prats, M.A. The age of multilevel converters arrives. IEEE Ind. Electron. Mag. 2008, 2, 28–39. [Google Scholar] [CrossRef]
- Liu, Y.; Mao, X.; Ning, G.; Dan, H.; Wang, H.; Su, M. Model predictive-based voltage balancing control for single-phase three-level inverters. IEEE Trans. Power Electron. 2021, 36, 12177–12182. [Google Scholar] [CrossRef]
- Wu, W.; Wang, D.; Liu, L. A multi-layer sequential model predictive control of three-phase two-leg seven-level t-type nested neutral point clamped converter without weighting factors. IEEE Access 2019, 7, 162735–162746. [Google Scholar] [CrossRef]
- Zumel, P.; Ortega, L.; Lazaro, A.; Fernandez, C. Modular dual-active bridge converter architecture. IEEE Trans. Ind Appl. 2016, 52, 2444–2455. [Google Scholar] [CrossRef]
- Shi, Y. Modular Current-Fed Dual-Active-Bridge dc-dc Converters for Medium Voltage System Applications. Ph.D. Thesis, Florida State University, Tallahassee, FL, USA, 2016. [Google Scholar]
- Xie, R.; Li, H. Fault performance comparison study of a dual active bridge (dab) converter and an isolated modular multilevel dc/dc (im2dc) converter for power conversion module application in a breaker-less. IEEE Trans. Ind Appl. 2018, 54, 5444–5455. [Google Scholar] [CrossRef]
- Wei, Q.; Wu, B.; Xu, D.; Zargari, N. Model predictive control of capacitor voltage balancing for cascaded modular dc–dc converters. IEEE Trans. Power Electron. 2017, 32, 752–761. [Google Scholar] [CrossRef]
- Si, Y. Advanced Control of Distributed Energy Resource (DER) Inverters and Electric Vehicle (EV) Traction Drives. Ph.D. Thesis, Arizona State University, Tempe, AZ, USA, 2022. [Google Scholar]
- Martinez, A.; Monge, S.; Apruzzese, J.; Bordonau, J. Operating principle and performance optimization of a three-level npc dual-active bridge dc–dc converter. IEEE Trans. Ind. Electron. 2016, 63, 678–690. [Google Scholar] [CrossRef]
- Abbasi, M.; Lam, J. A step-up transformerless, zv–zcs high-gain dc/dc converter with output voltage regulation using modular step-up resonant cells for dc grid in wind systems. IEEE Trans. Emerg. Sel. Topics Power Electron. 2017, 5, 1102–1121. [Google Scholar] [CrossRef]
- Dincan, C.; Kjaer, P.; Chen, Y.-H.; Munk-Nielsen, S. Analysis of a high-power, resonant dc–dc converter for dc wind turbines. IEEE Trans. Power Electron. 2018, 33, 7438–7454. [Google Scholar] [CrossRef]
- Cui, S.; Hu, J.; De Doncker, R.W. Control and experiment of a TLC-MMC hybrid DC–DC converter for the interconnection of MVDC and HVDC grids. IEEE Trans. Power Electron. 2019, 35, 2353–2362. [Google Scholar] [CrossRef]
- Faisal, M.; Hannan, M.A.; Ker, P.J.; Hussain, A.; Mansur, M.; Blaabjerg, F. Review of energy storage system technologies in microgrid applications: Issues and challenges. IEEE Access 2018, 6, 35143–35164. [Google Scholar] [CrossRef]
- Huang, S.; Liao, W.; Liu, P.; Tang, W.; Huang, S. Analysis and calculation on switching frequency and switching losses of modular multilevel converter with maximum sub-module capacitor voltage deviation. IET Power Electron. 2016, 9, 188–197. [Google Scholar] [CrossRef]
- Wang, L.; Zhu, Q.; Yu, W.; Huang, A. A medium-voltage medium frequency isolated dc–dc converter based. IEEE Trans. Emerg. Sel. Topics Power Electron. 2017, 5, 100–109. [Google Scholar] [CrossRef]
- Cui, S.; Soltau, N.; de Doncker, R. A high step-up ratio soft switching dc–dc converter for interconnection of mvdc and hvdc grids. IEEE Trans. Power Electron. 2018, 33, 2986–3001. [Google Scholar] [CrossRef]
- Cui, S.; Lee, J.-H.; Hu, J.; De Doncker, R.W.; Sul, S.-K. A modular multilevel converter with a zigzag transformer for bipolar mvdc distribution systems. IEEE Trans. Power Electron. 2019, 34, 1038–1043. [Google Scholar] [CrossRef]
- Shu, L.; Chen, W.; Ning, G.; Cao, W. A resonant zv zcs dc–dc converter with two uneven transformers for an mvdc collection system of offshore wind farms. IEEE Trans. Ind. Electron. 2017, 64, 7886–7895. [Google Scholar] [CrossRef]
- Xiang, X.; Zhang, X.; Chaffey, G.; Green, T. An isolated resonant mode modular converter with flexible modulation and variety of configurations for mvdc application. IEEE Trans. Power Del. 2018, 33, 508–519. [Google Scholar] [CrossRef]
- Hu, Y.; Zeng, R.; Cao, W.; Zhang, J. Design of a modular, high step-up ratio dc–dc converter for hvdc applications integrating offshore wind power. IEEE Trans. Ind. Electron. 2016, 63, 2190–2202. [Google Scholar] [CrossRef]
- Pagliosa, M.; Faust, R.; Lazzarin, T.; Barbi, I. Input-series and output-series connected modular single-switch flyback converter operating in the discontinuous conduction mode. IET Power Electron. 2016, 9, 1962–1970. [Google Scholar] [CrossRef]
- Khalil, I.U.; Ul-Haq, A.; Mahmoud, Y.; Jalal, M.; Aamir, M.; Ahsan, M.U.; Mehmood, K. Comparative analysis of photovoltaic faults and performance evaluation of its detection techniques. IEEE Access 2020, 8, 26676–26700. [Google Scholar] [CrossRef]
- Hou, N.; Song, W.; Wu, M. Minimum-Current-Stress Scheme of Dual Active Bridge DC–DC Converter with Unified Phase-Shift Control. IEEE Trans. Power Electron. 2016, 31, 8552–8561. [Google Scholar] [CrossRef]
- Karthikeyan, V.; Gupta, R. Zero circulating current modulation for isolated bidirectional dual-active-bridge DC–DC converter. IET Power Electron. 2016, 9, 1553–1561. [Google Scholar] [CrossRef]
- Song, W.; Hou, N.; Wu, M. Virtual Direct Power Control Scheme of Dual Active Bridge DC–DC Converters for Fast Dynamic Response. IEEE Trans. Power Electron. 2018, 33, 1750–1759. [Google Scholar] [CrossRef]
- Shi, H.; Wen, H.; Chen, J.; Hu, Y.; Jiang, L.; Chen, G. Minimum Reactive-Power Scheme of Dual-Active-Bridge DC–DC Converter With Three-Level Modulated Phase-Shift Control. IEEE Trans. Ind. Appl. 2017, 53, 5573–5586. [Google Scholar] [CrossRef]
- Das, R.; UddinChowdhury, M.A. PI controlled Bi-directional DC-DC converter (BDDDC) and highly efficient boost converter for electric vehicles. In Proceedings of the 2016 3rd International Conference on Electrical Engineering and Information Communication Technology (ICEEICT), Dhaka, Bangladesh, 22–24 September 2016; IEEE: Piscataway, NJ, USA, 2016. [Google Scholar]
- Chauhan, S.; Narsa Reddy, T. High frequency AC Link Based Isolated Dual Active Bridge DC-DC Converter Control, Features and Its Functionalities. In Proceedings of the 2020 IEEE International Conference on Power Electronics, Smart Grid and Renewable Energy (PESGRE2020), Cochin, India, 2–4 January 2020; IEEE: Piscataway, NJ, USA, 2020. [Google Scholar]
- Liu, P.; Shanxu, D. A hybrid modulation strategy providing lower inductor current for the DAB converter with the aid of DC blocking capacitors. IEEE Trans. Power Electron. 2019, 35, 4309–4320. [Google Scholar] [CrossRef]
- Coelho, S.; Sousa, T.J.C.; Monteiro, V.; Machado, L.; Afonso, J.L.; Couto, C. Comparative Analysis and Validation of Different Modulation Strategies for an Isolated DC-DC Dual Active Bridge Converter. In Proceedings of the Sustainable Energy for Smart Cities: Second EAI International Conference, SESC 2020, Viana do Castelo, Portugal, 4 December 2020; Springer International Publishing: Berlin/Heidelberg, Germany, 2021. [Google Scholar]
- Pan, X.; Yang, F.; Li, L.; Zhang, R.; Wang, C. An Improved Modulation Scheme of Active Commutated Current-Fed Bidirectional dc/dc Converter. IEEE J. Emerg. Sel. Top. Power Electron. 2020, 9, 1375–1388. [Google Scholar] [CrossRef]
- An, F.; Song, W.; Yang, K. Direct power control of dual-active bridge dc–dc converters based on unified phase shift control. J. Eng. 2019, 3, 2180–2184. [Google Scholar] [CrossRef]
- Hua, B.; Chunting, M.; Chongwu, W.; Gargies, S. The dynamic model and hybrid phase-shift control of a dual-active-bridge converter. In Proceedings of the 2008 34th Annual Conference of IEEE Industrial Electronics, Orlando, FL, USA, 10–13 November 2008; IEEE: Piscataway, NJ, USA, 2008; pp. 2840–2845. [Google Scholar]
- Qin, H.; Kimball, J.W. Closed-Loop Control of DC–DC Dual Active Bridge Converters Driving Single-Phase Inverters; IEEE: Piscataway, NJ, USA, 2012; pp. 173–179. [Google Scholar]
- Syed, I.; Xiao, W. Modeling and control of DAB applied in a PV based DC microgrid. In Proceedings of the 2012 IEEE International Conference on Power Electronics, Drives and Energy Systems (PEDES), Bengaluru, India, 16–19 December 2012; IEEE: Piscataway, NJ, USA, 2012; pp. 1–6. [Google Scholar]
- Everts, J.; Everts, J. Design and optimization of an efficient (96.1%) and compact (2 kW/dm3) bidirectional isolated single-phase dual active bridge AC–DC converter. Energies 2016, 9, 799. [Google Scholar] [CrossRef]
- You, J.; Xia, J.; Jia, H. Analysis and control of DAB based DC–AC multiport converter with small DC link capacitor. In Proceedings of the IECON 2017-43rd Annual Conference of the IEEE Industrial Electronics Society, Beijing, China, 29 October–1 November 2017; IEEE: Piscataway, NJ, USA, 2017; pp. 823–828. [Google Scholar]
- Lemus, J.; Vélez, G.C.; Rodrıguez, N.J.C. Pid controller design for dc motor. Contemp. Eng. Sci. 2018, 11, 4913–4920. [Google Scholar] [CrossRef]
- Khan, M.R.; Khan, A.A.; Ghazali, U. Speed Control of DC Motor under Varying Load Using PID Controller. Int. J. Eng. 2015, 9, 38–48. [Google Scholar]
- Ramya, K.; Jegathesan, V. Comparison of pi and pid controlled bidirectional dc-dc converter systems. Int. J. Power Electron. Drive Syst. 2016, 7, 56. [Google Scholar] [CrossRef]
- Filsoof, K.; Lehn, P.W. A bidirectional multiple-input multiple-output modular multilevel DC–DC converter and its control design. IEEE Trans Power Electron. 2015, 31, 2767–2779. [Google Scholar] [CrossRef]
- Ali, M.; Aamir, M.; Khan, H.S.; Khan, A.A.; Haroon, F. Design and Implementation of Fractional-Order Sliding Mode Control for Parallel Distributed Generations Units in Islanded Microgrid. In Proceedings of the IEEE 28th International Symposium on Industrial Electronics (ISIE), Vancouver, BC, Canada, 12–14 June 2019; IEEE: Piscataway, NJ, USA, 2019; pp. 64–69. [Google Scholar]
- Jeung, Y.-C.; Choi, I.-C.; Lee, D.-C. Robust voltage control of dual active bridge DC-DC converters using sliding mode control. In Proceedings of the IEEE 8th International Power Electronics and Motion Control Conference (IPEMC-ECCE Asia), Hefei, China, 22–26 May 2016; IEEE: Piscataway, NJ, USA, 2016. [Google Scholar]
- Jeung, Y.-C.; Dong-Choon, L. Voltage and current regulations of bidirectional isolated dual-active-bridge DC–DC converters based on a double-integral sliding mode control. IEEE Trans. Power Electron. 2018, 34, 6937–6946. [Google Scholar] [CrossRef]
- Talbi, S.; Mabwe, A.M.; Hajjaji, A.E. Control of a bidirectional dual active bridge converter for charge and discharge of a Li-ion battery. In Proceedings of the IECON 2015-41st Annual Conference of the IEEE Industrial Electronics Society, Yokohama, Japan, 9–12 November 2015; IEEE: Piscataway, NJ, USA, 2015; pp. 849–856. [Google Scholar]
- Frances, A.; Asensi, R.; García, Ó.; Prieto, R.; Uceda, J. Modeling electronic power converters in smart DC microgrids—An overview. IEEE Trans. Smart Grid 2017, 9, 6274–6287. [Google Scholar] [CrossRef]
- Lee, S.; Jeung, Y.C.; Lee, D.C. Output voltage regulation of IPOS modular dual active bridge DC/DC converters using sliding mode control. In Proceedings of the 2018 IEEE Applied Power Electronics Conference and Exposition (APEC), San Antonio, TX, USA, 4–8 March 2018; IEEE: Piscataway, NJ, USA, 2018; pp. 3062–3067. [Google Scholar]
- Kayaalp, R.İ.; Demirdelen, T.; Tümay, M. A novel fuzzy logic control for bidirectional DC-DC converter and comparison with dual phase-shift control method in medium voltage applications. In Proceedings of the 2016 IEEE International Conference on Computational Intelligence and Virtual Environments for Measurement Systems and Applications (CIVEMSA), Budapest, Hungary, 27–28 June 2016; IEEE: Piscataway, NJ, USA, 2016. [Google Scholar]
- Cupelli, M.; Gurumurthy, S.K.; Monti, A. Modelling and control of single phase DAB based MVDC shipboard power system. In Proceedings of the IECON 2017-43rd Annual Conference of the IEEE Industrial Electronics Society, Beijing, China, 29 October–1 November 2017; IEEE: Piscataway, NJ, USA, 2017; pp. 6813–6819. [Google Scholar]
- An, F.; Song, W.; Yu, B.; Yang, K. Model predictive control with power self-balancing of the output parallel DAB DC–DC converters in power electronic traction transformer. IEEE J. Emerg. Sel. Top Power Electron. 2018, 6, 1806–1818. [Google Scholar] [CrossRef]
- Chen, L.; Shao, S.; Xiao, Q.; Tarisciotti, L.; Dragicevic, T.; Wheeler, P. Model-predictive-control for dual-active-bridge converters supplying pulsed power loads in naval DC microgrids. IEEE Trans. Power Electron. 2019, 35, 1957–1966. [Google Scholar] [CrossRef]
- Bambang, R.T.; Rohman, A.S.; Dronkers, C.J.; Ortega, R.; Sasongko, A. Energy management of fuel cell/battery/supercapacitor hybrid power sources using model predictive control. IEEE Trans. Ind. Inform. 2014, 10, 1992–2002. [Google Scholar]
- Akter, P.; Uddin, M.; Mekhilef, S.; Tan, N.M.L.; Akagi, H. Model predictive control of bidirectional isolated DC–DC converter for energy conversion system. Int. J. Electron. 2015, 102, 1407–1427. [Google Scholar] [CrossRef]
- Iqbal, T.; Lu, H.; Zaman, S.; Tan, S.C.; Li, G.; Zhang, X. Coupled-inductor based diode assisted boost inverter for achieving highgain. IET Power Electron. 2019, 12, 410–420. [Google Scholar] [CrossRef]
- Kish, G. On the emerging class of non-isolated modular multilevel dc–dc converters for dc and hybrid ac–dc systems. IEEE Trans. Smart Grid. 2019, 10, 1762–1771. [Google Scholar] [CrossRef]
- Kolahian, P.; Tarzamni, H.; Nikafrooz, A.; Hamzeh, M. Multi-port dc–dc converter for bipolar medium voltage dc micro-grid applications. IET Power Electron. 2019, 12, 1841–1849. [Google Scholar] [CrossRef]
- Shi, Y.; Li, R.; Xue, Y.; Li, H. High-frequency-link-based grid-tied PV system with small DC-link capacitor and low-frequency ripple-free maximum power point tracking. IEEE Trans. Power Electron. 2016, 31, 328–339. [Google Scholar] [CrossRef]
- Koch, G.G.; Queiroz, S.S.; Rech, C.; Oliveira, R.C.; Borges, R.A.; Tognetti, E.S.; Montagner, V.F. Design of a robust PI controller for a dual active bridge converter. In Proceedings of the 2016 12th IEEE International Conference on Industry Applications (INDUSCON), Curitiba, Brazil, 20–23 November 2016; pp. 1–6. [Google Scholar]
- Hu, J.; Joebges, P.; De Doncker, R.W. Maximum Power Point Tracking Control of a High Power DC–DC Converter for PV Integration in MVDC Distribution Grids; Institute for Power Generation and Storage Systems, E. on Energy Research Center, RWTH Aachen University: Aachen, Germany, 2017; pp. 1259–1266. [Google Scholar]
- Öztürk, S.; Pos¸pos¸, P.; Utalay, V.; Koç, A.; Ermis, M.; Çadırcı, I. Operating principles and practical design aspects of all SiC DC/AC/DC converter for MPPT in grid-connected PV supplies. Sol. Energy 2018, 176, 380–394. [Google Scholar] [CrossRef]
- Duman, T.; Marti, S.; Moonem, M.A.; Kader, A.A.R.A.; Krishnaswami, H. A modular multilevel converter with power mismatch control for grid-connected photovoltaic systems. Energies 2017, 10, 698. [Google Scholar] [CrossRef]
- Gonzales, O.; Rosales, A. Sliding mode controller based on a linear quadratic integral regulator surface for power control on a dual active bridge converter. In Proceedings of the 2018 IEEE Third Ecuador Technical Chapters Meeting (ETCM), Cuenca, Ecuador, 15–19 October 2018; IEEE: Piscataway, NJ, USA, 2018; pp. 1–6. [Google Scholar]






















| Dimensions and Characteristics | Values | |
|---|---|---|
| Outer diameter | do | 80 mm |
| Inner diameter | di | 50 mm |
| Core height | H | 20 mm |
| Effective length | le | 197 mm |
| Effective cross-sectional area | Ae | 295 mm2 |
| Ref. No. | Converters | Pros | Cons | Applications | Voltage Ratio |
|---|---|---|---|---|---|
| [20] | Three-phase DAB |
|
|
| It is based on series-connected switches and DC step ratio. |
| [27,28] | Multilevel DAB |
|
|
| Voltage ratio is high. |
| [36] | Cascaded Multilevel DAB |
|
|
| It depends on the amount and connection of modules. |
| [38] | Modular Multilevel DAB |
|
|
| Module connection-dependent. |
| [20,45] | Resonant DAB |
|
|
| Medium-High. |
| [46] | 2L DAB |
|
|
| It depends on the connection of the switch and DC step ratio. |
| Control Techniques | % |
|---|---|
| PID | 34.4 |
| Sliding mode control | 21.9 |
| Model predictive control | 9.4 |
| Fuzzy logic control | 6.3 |
| Circuit Parameters | Values | |
|---|---|---|
| Input Voltage | Vin | 12 V (DC) |
| Output Voltage (DAB) | Vout | 294 V (DC) |
| Turns Ratio | NP:NS | 1:25 |
| Switching Frequency | fS(VSI) | 10 kHz |
| Switching Frequency | fS(DAB) | 10 kHz |
| DC Capacitance | C | 10 mF |
| Leakage Inductance | LK | 2 uH |
| Nominal Output Power | PO | 1 KW |
| Parameters | Simulated Values | Experimental Values |
|---|---|---|
| Primary Voltage | 13 V (red) | 12 V |
| Secondary Voltage | 270 V (Blue) | 275 V |
| DAB Output Voltage | 286.5 V | 256 V |
| Phase Voltage VP,rms | 118 V | 98 V |
| THDV, | 1.47% | 1.7% |
Publisher’s Note: MDPI stays neutral with regard to jurisdictional claims in published maps and institutional affiliations. |
© 2022 by the authors. Licensee MDPI, Basel, Switzerland. This article is an open access article distributed under the terms and conditions of the Creative Commons Attribution (CC BY) license (https://creativecommons.org/licenses/by/4.0/).
Share and Cite
Ataullah, H.; Iqbal, T.; Khalil, I.U.; Ali, U.; Blazek, V.; Prokop, L.; Ullah, N. Analysis of the Dual Active Bridge-Based DC-DC Converter Topologies, High-Frequency Transformer, and Control Techniques. Energies 2022, 15, 8944. https://doi.org/10.3390/en15238944
Ataullah H, Iqbal T, Khalil IU, Ali U, Blazek V, Prokop L, Ullah N. Analysis of the Dual Active Bridge-Based DC-DC Converter Topologies, High-Frequency Transformer, and Control Techniques. Energies. 2022; 15(23):8944. https://doi.org/10.3390/en15238944
Chicago/Turabian StyleAtaullah, Haris, Taosif Iqbal, Ihsan Ullah Khalil, Usman Ali, Vojtech Blazek, Lukas Prokop, and Nasim Ullah. 2022. "Analysis of the Dual Active Bridge-Based DC-DC Converter Topologies, High-Frequency Transformer, and Control Techniques" Energies 15, no. 23: 8944. https://doi.org/10.3390/en15238944
APA StyleAtaullah, H., Iqbal, T., Khalil, I. U., Ali, U., Blazek, V., Prokop, L., & Ullah, N. (2022). Analysis of the Dual Active Bridge-Based DC-DC Converter Topologies, High-Frequency Transformer, and Control Techniques. Energies, 15(23), 8944. https://doi.org/10.3390/en15238944

