Concept of a Dual Energy Storage System for Sustainable Energy Supply of Automated Guided Vehicles
Abstract
:1. Introduction
2. Background
2.1. Structure of an AGV
2.2. Current Energy Storage Systems in AGVs
2.3. Charging Systems for AGVs
2.4. Operating and Charging Strategies
- (A)
- Capacitive operation.
- (B)
- Capacitive operation with intermediate charging.
- (C)
- Gradually reduced capacity limit.
- (D)
- Opportunity charging.
- (E)
- Shifted battery charging cycles (cycle strategy).
- (F)
- Neural network-based energy management.
- (G)
- Minimum delay charging station.
2.5. Related Work
2.5.1. Current Approaches to Hybrid Energy Storage Systems (HESS)

2.5.2. Current Approaches to Dual Energy Storage Systems (DESS)
2.5.3. Circuit Concepts
2.5.4. Limitations of Current HESS for AGVs
3. Concept of a DESS for AGV
3.1. Concept Description
3.2. Conceived Control Strategy
3.3. Energy Flow Analysis in a DESS for AGVs
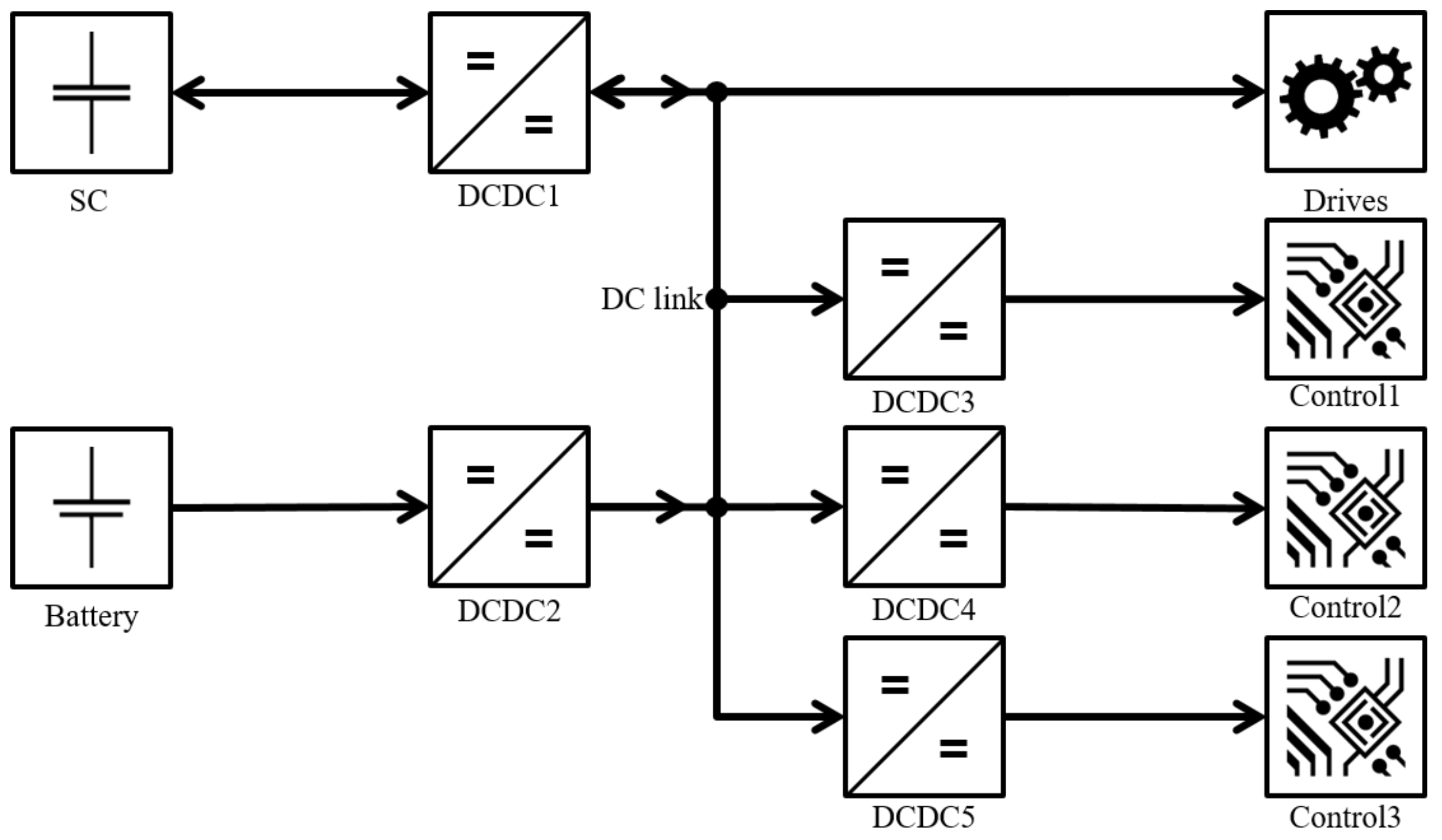
3.4. Circuit Concept
3.4.1. Common Loadside Circuit Concept
3.4.2. Parallel Circuit Concept
3.4.3. Powerswitch Circuit Concept
4. Results
4.1. Realization Approach for the Control Strategy
- If the usable amount of energy in the SC can sustain the energy supply of the entire AGV during a transport distance to the next known CS and, at the same time, can supply the battery with energy for the scheduled transport duration.
- If the usable amount of energy in the SC to power the AGV cannot be maintained during the transport distance to the next known CS, or only if no additional energy is drawn from the SC to power the battery.
- When the SC voltage has reached or undershot the lower limit voltage , specified for example by the minimum input voltage of the DC–DC converter.
4.2. Circuit Concept Analysis
4.3. Concept Evaluation
5. Conclusions
6. Patents
Author Contributions
Funding
Institutional Review Board Statement
Informed Consent Statement
Data Availability Statement
Acknowledgments
Conflicts of Interest
Abbreviations
| AGV | Automated guided vehicle |
| AGVS | Automated guided vehicle system |
| CS | Charging system |
| CSA | Capacitor semi-active |
| DC–DC | DC–DC-converter |
| DESS | Dual energy storage system |
| EDLC | Electric double-layer capacitor |
| ESS | Energy storage system |
| ESU | Energy storage unit |
| HESS | Hybrid energy storage system |
| HEST | Hybrid energy storage topologies |
| LTO | Lithium titanate oxide accumulator |
| PFA | Parallel full active |
| SC | Supercapacitor |
References
- IFR International Federation of Robotics; World Robotics: Frankfurt, Germany, 2021.
- Holze, R. Elektrische Energie: Speichern und Wandeln; Essentials; Springer Fachmedien Wiesbaden GmbH and Springer Spektrum: Wiesbaden, Germany, 2019. [Google Scholar]
- Ullrich, G. Automated Guided Vehicle Systems: A Primer with Practical Applications; Springer: Berlin/Heidelberg, Germany, 2015. [Google Scholar] [CrossRef]
- Castelvecchi, D. Electric cars and batteries: How will the world produce enough? Nature 2021, 596, 336–339. [Google Scholar] [CrossRef] [PubMed]
- Horn, M.; MacLeod, J.; Liu, M.; Webb, J.; Motta, N. Supercapacitors: A new source of power for electric cars? Econ. Anal. Policy 2019, 61, 93–103. [Google Scholar] [CrossRef] [Green Version]
- Sauer, D.U.; Kowal, J.; Willenberg, L.; Rahe, C.; Teuber, M.; Drillkens, J.; Ringbeck, D.; Schäper, C. Speicherung der Elektrischen Energie; Tschöke, H., Gutzmer, P., Pfund, T., Eds.; Springer Vieweg: Berlin/Heidelberg, Germany, 2019. [Google Scholar]
- Kowal, J.; Avaroglu, E.; Chamekh, F.; Šenfelds, A.; Thien, T.; Wijaya, D.; Sauer, D.U. Detailed analysis of the self-discharge of supercapacitors. J. Power Sources 2011, 196, 573–579. [Google Scholar] [CrossRef]
- Kurzweil, P.; Dietlmeier, O. Elektrochemische Speicher: Superkondensatoren, Batterien, Elektrolyse-Wasserstoff, Rechtliche Rahmenbedingungen; Springer Vieweg: Wiesbaden, Germany, 2018. [Google Scholar] [CrossRef]
- Omar, N.; Gualous, H.; Salminen, J.; Mulder, G.; Samba, A.; Firouz, Y.; Monem, M.A.; van den Bossche, P.; van Mierlo, J. Electrical double-layer capacitors: Evaluation of ageing phenomena during cycle life testing. J. Appl. Electrochem. 2014, 44, 509–522. [Google Scholar] [CrossRef]
- Xu, G.; Han, P.; Dong, S.; Liu, H.; Cui, G.; Chen, L. Li4Ti5O12-based energy conversion and storage systems: Status and prospects. Coord. Chem. Rev. 2017, 343, 139–184. [Google Scholar] [CrossRef]
- Wu, K.; Yang, J.; Zhang, Y.; Wang, C.; Wang, D. Investigation on Li4Ti5O12 batteries developed for hybrid electric vehicle. J. Appl. Electrochem. 2012, 42, 989–995. [Google Scholar] [CrossRef]
- Huggins, R.A. Energy Storage: Fundamentals, Materials and Applications; Engineering; Springer: Berlin/Heidelberg, Germany; New York, NY, USA; Dordrecht, The Netherlands; London, UK, 2016. [Google Scholar] [CrossRef]
- VDI Society Production and Logistics. VDI 4451 Part 7: Compatibility of Automated Guided Vehicle Systems (AGVS)—AGVS Guidance Control System; VDI Society Production and Logistics: Düsseldorf, Germany, 2005. [Google Scholar]
- Colling, D.; Oehler, J.; Furmans, K. Battery Charging Strategies for AGV Systems. Logist. J. Proc. 2019, 2019. [Google Scholar] [CrossRef]
- VDI Society Production and Logistics. VDI 4451 Part 2: Compatibility of Automated Guided Vehicle Systems (AGVS)—Power Supply and Charging Technology; VDI Society Production and Logistics: Düsseldorf, Germany, 2000. [Google Scholar]
- Pagani, P.; Colling, D.; Furmans, K. A Neural Network-Based Algorithm with Genetic Training for a Combined Job and Energy Management for AGVs. Logist. J. Proc. 2018, 2018. [Google Scholar] [CrossRef]
- Zhan, X.; Xu, L.; Zhang, J.; Li, A. Study on AGVs battery charging strategy for improving utilization. Procedia CIRP 2019, 81, 558–563. [Google Scholar] [CrossRef]
- Trovao, J.P.F.; Roux, M.; Ménard, E.; Dubois, M.R. Energy- and Power-Split Management of Dual Energy Storage System for a Three-Wheel Electric Vehicle. IEEE Trans. Veh. Technol. 2017, 66, 5540–5550. [Google Scholar] [CrossRef]
- Gomozov, O.; Trovao, J.P.F.; Kestelyn, X.; Dubois, M.R. Adaptive Energy Management System Based on a Real-Time Model Predictive Control With Nonuniform Sampling Time for Multiple Energy Storage Electric Vehicle. IEEE Trans. Veh. Technol. 2017, 66, 5520–5530. [Google Scholar] [CrossRef]
- Pisu, P.; Rizzoni, G. A supervisory control strategy for series hybrid electric vehicles with two energy storage systems. In Proceedings of the 2005 IEEE Vehicle Power and Propulsion Conference, Chicago, IL, USA, 7–9 September 2005. [Google Scholar] [CrossRef]
- Mamen, A.; Supatti, U. A survey of hybrid energy storage systems applied for intermittent renewable energy systems. In Proceedings of the 2017 14th International Conference on Electrical Engineering/Electronics, Computer, Telecommunications and Information Technology (ECTI-CON), Phuket, Thailand, 27–30 June 2017; pp. 729–732. [Google Scholar] [CrossRef]
- Kouchachvili, L.; Yaïci, W.; Entchev, E. Hybrid battery/supercapacitor energy storage system for the electric vehicles. J. Power Sources 2018, 374, 237–248. [Google Scholar] [CrossRef]
- Liu, X.; Zhang, Q.; Zhu, C. Design of battery and ultracapacitor multiple energy storage in hybrid electric vehicle. In Proceedings of the 2009 IEEE Vehicle Power and Propulsion Conference, Dearborn, MI, USA, 7–10 September 2009; pp. 1395–1398. [Google Scholar] [CrossRef]
- Cao, J.; Emadi, A. A New Battery/UltraCapacitor Hybrid Energy Storage System for Electric, Hybrid, and Plug-In Hybrid Electric Vehicles. IEEE Trans. Power Electron. 2012, 27, 122–132. [Google Scholar] [CrossRef]
- Hanschek, A.J.; Bouvier, Y.E.; Jesacher, E.; Grbović, P.J. Analysis of power distribution systems based on low-voltage DC/DC power supplies for automated guided vehicles (AGV). In Proceedings of the 2021 21st International Symposium on Power Electronics (Ee), Novi Sad, Serbia, 27–30 October 2021; pp. 1–6. [Google Scholar] [CrossRef]
- Gokce, K.; Ozdemir, A. A Rule Based Power Split Strategy for Battery/Ultracapacitor Energy Storage Systems in Hybrid Electric Vehicles. Int. J. Electrochem. Sci. 2016, 11, 1228–1246. [Google Scholar]
- Meißner, M.; Massalski, L. Modeling the electrical power and energy consumption of automated guided vehicles to improve the energy efficiency of production systems. Int. J. Adv. Manuf. Technol. 2020, 110, 481–498. [Google Scholar] [CrossRef]
- Bär, R. Method for Operating an Automated Guided, Mobile Assembly and/or Material Transport Unit and Automated Guided, Mobile Assembly and/or Material Transport Unit Therefor. WO Patent 2010118737A2, 16 April 2010. [Google Scholar]
- Zimmermann, T.; Keil, P.; Hofmann, M.; Horsche, M.F.; Pichlmaier, S.; Jossen, A. Review of system topologies for hybrid electrical energy storage systems. J. Energy Storage 2016, 8, 78–90. [Google Scholar] [CrossRef]
- Xiang, C.; Wang, Y.; Hu, S.; Wang, W. A New Topology and Control Strategy for a Hybrid Battery-Ultracapacitor Energy Storage System. Energies 2014, 7, 2874–2896. [Google Scholar] [CrossRef] [Green Version]
- Woody, M.; Arbabzadeh, M.; Lewis, G.M.; Keoleian, G.A.; Stefanopoulou, A. Strategies to limit degradation and maximize Li-ion battery service lifetime—Critical review and guidance for stakeholders. J. Energy Storage 2020, 28, 101231. [Google Scholar] [CrossRef]
- Xie, W.; Liu, X.; He, R.; Li, Y.; Gao, X.; Li, X.; Peng, Z.; Feng, S.; Feng, X.; Yang, S. Challenges and opportunities toward fast-charging of lithium-ion batteries. J. Energy Storage 2020, 32, 101837. [Google Scholar] [CrossRef]
- Hua, Y.; Zhou, S.; Cui, H.; Liu, X.; Zhang, C.; Xu, X.; Ling, H.; Yang, S. A comprehensive review on inconsistency and equalization technology of lithium-ion battery for electric vehicles. Int. J. Energy Res. 2020, 44, 11059–11087. [Google Scholar] [CrossRef]
- Koch, A.; Teichert, O.; Kalt, S.; Ongel, A.; Lienkamp, M. Powertrain Optimization for Electric Buses under Optimal Energy-Efficient Driving. Energies 2020, 13, 6451. [Google Scholar] [CrossRef]
- Anselma, P.G. Optimization-Driven Powertrain-Oriented Adaptive Cruise Control to Improve Energy Saving and Passenger Comfort. Energies 2021, 14, 2897. [Google Scholar] [CrossRef]












| Energy Storage System | Acquisition Costs [€kWh] | Gravimetric Energy Density [Wh/kg] | Gravimetric Power Density [W/kg] | Cycle Life |
|---|---|---|---|---|
| Lead-acid | 100 | 25–40 | 100–500 | 200–300 |
| Li-Ion | 300–500 | 120–200 | 400 | 500–1000 |
| LTO | 300–400 | 70–80 | 2800 | 8000 |
| EDLC | 5000–12,000 | 4–9 | 1000–50,000 | 1,000,000 |
| Excluded Combination | Exclusion Criteria |
|---|---|
| These combinations shows contrary energy flows at the same time. This is not physically feasible and is therefore excluded. | |
| Combining the energy flows from the battery and SC for the drives cannot be used in “powerswitch circuit concept” (cf. Section 3.4.3) due to different voltage ranges. The combinations can in theory be supported by the other suggested circuit concepts but are utilized at most briefly during transfer from one ESU to another. | |
| A | In the described functional concept of a DESS, an energy flow from battery into SC is not utilized. Furthermore, this is not feasible for the “powerswitch circuit concept” due to technical limitations (cf. Section 3.4.3). |
| The combination of the energy flows from the SC to the battery and from the battery to the drives and vehicle control are excluded to avoid efficiency drops due to the additional energy conversion to the battery. It can be ensured by the respective energy flow from SC to the drives [C] and from SC and the control [G]. | |
| The combination of the energy flow from one ESU to one load and simultaneously from the other ESU to the other load cannot be used beneficially (due to the losses during the previous energy transfer from one ESU to another) in this concept. Either the SC or the battery is used as the sole energy supplier for control and drives. | |
| It is assumed that at constant power demand in any operating state, power is supplied either by the battery or by the SC. Both energy flows are not possible simultaneously with the “powerswitch circuit concept” (cf. Section 3.4.3). |
| No. | B | C | D | E | F | G | State Designation |
|---|---|---|---|---|---|---|---|
| 0 | • | • | ChargeSC | ||||
| 1 | • | • | StandbySC+ | ||||
| 2 | • | StandbySC | |||||
| 3 | • | StandbyBAT | |||||
| 4 | • | • | • | DriveSC+ | |||
| 5 | • | • | DriveSC | ||||
| 6 | • | • | DriveBAT | ||||
| 7 | • | • | • | RegBrakeSC+ | |||
| 8 | • | • | RegBrakeSC | ||||
| 9 | • | • | RegBrakeBAT |
| Parameter | Description |
|---|---|
| Current voltage of the SC | |
| Nominal voltage for the SC | |
| Nominal capacity of the SC | |
| Lower voltage limit from the DC–DC converter connected to the SC | |
| Average power demand of the drives | |
| Average power demand of the vehicle control unit | |
| Average power demand for onboard charging the battery through the SC | |
| Estimated operation time to the next charging station |
| Circuit Concept | Count of DCDC| of Which Bidirectional | Main ESU | Onboard Charging | Charging Time | Regenerative Braking while BAT Supplies Control Unit | Control Unit Supplied Separately from Drives | DESS Control Strategy Applicable | |
|---|---|---|---|---|---|---|---|---|
| Related work concepts | CSA-HEST (cf. Figure 3) | 1|1 | BAT | SC <–> BAT | high | No | No | No |
| Advanced CSA-HEST (cf. Figure 4) | 1|1 | BAT | SC <–> BAT | high | No | No | No | |
| PFA-HEST (cf. Figure 5) | 2|1 | BAT | BAT –> SC | high | No | No | No | |
| Advanced PFA-HEST (cf. Figure 6) | 3|1 | BAT | BAT –> SC | high | No | No | No | |
| Contributed concepts | Common loadside (cf. Figure 10) | 4|1 or 3|2 | SC | SC –> BAT | low | No | No | Yes |
| Parallel (cf. Figure 11) | 5|1 | SC | SC –> BAT | low | Yes | Yes | Yes | |
| Powerswitch (cf. Figure 12) | 3|1 | SC | SC –> BAT | low | Yes | Yes | Yes |
| State | DCDC1 | DCDC2 | DCDC3 | DCDC4 |
|---|---|---|---|---|
| ChargeSC | • | • | • | |
| StandbySC+ | • | • | • | |
| StandbySC | • | • | ||
| StandbyBAT | • | • | ||
| DriveSC+ | • | • | • | |
| DriveSC | • | • | ||
| DriveBAT | • | • | ||
| RegBrakeSC+ | • | • | ||
| RegBrakeSC | • | |||
| RegBrakeBAT | (•) | • |
| State | DCDC1 | DCDC2 | DCDC3 | DCDC4 | DCDC5 |
|---|---|---|---|---|---|
| ChargeSC | • | • | |||
| StandbySC+ | • | • | |||
| StandbySC | • | ||||
| StandbyBAT | • | ||||
| DriveSC+ | • | • | • | ||
| DriveSC | • | • | |||
| DriveBAT | • | • | |||
| RegBrakeSC+ | • | • | |||
| RegBrakeSC | • | ||||
| RegBrakeBAT | • | • |
| State | DCDC1 | DCDC2 | DCDC3 | Switch1 | Switch2 |
|---|---|---|---|---|---|
| ChargeSC | • | • | N.A. | P1 | |
| StandbySC+ | • | • | N.A. | P1 | |
| StandbySC | • | N.A. | P1 | ||
| StandbyBAT | • | N.A. | P2 | ||
| DriveSC+ | • | • | • | P1 | P1 |
| DriveSC | • | • | P1 | P1 | |
| DriveBAT | • | • | P2 | P2 | |
| RegBrakeSC+ | • | • | P1 | P1 | |
| RegBrakeSC | • | P1 | P1 | ||
| RegBrakeBAT | • | P1 | P2 |
Publisher’s Note: MDPI stays neutral with regard to jurisdictional claims in published maps and institutional affiliations. |
© 2022 by the authors. Licensee MDPI, Basel, Switzerland. This article is an open access article distributed under the terms and conditions of the Creative Commons Attribution (CC BY) license (https://creativecommons.org/licenses/by/4.0/).
Share and Cite
Sperling, M.; Kivelä, T. Concept of a Dual Energy Storage System for Sustainable Energy Supply of Automated Guided Vehicles. Energies 2022, 15, 479. https://doi.org/10.3390/en15020479
Sperling M, Kivelä T. Concept of a Dual Energy Storage System for Sustainable Energy Supply of Automated Guided Vehicles. Energies. 2022; 15(2):479. https://doi.org/10.3390/en15020479
Chicago/Turabian StyleSperling, Marvin, and Tommi Kivelä. 2022. "Concept of a Dual Energy Storage System for Sustainable Energy Supply of Automated Guided Vehicles" Energies 15, no. 2: 479. https://doi.org/10.3390/en15020479
APA StyleSperling, M., & Kivelä, T. (2022). Concept of a Dual Energy Storage System for Sustainable Energy Supply of Automated Guided Vehicles. Energies, 15(2), 479. https://doi.org/10.3390/en15020479

