Power Quality and Electromagnetic Compatibility Aspects at Personal Computers
Abstract
:1. Introduction
2. Some Considerations Concerning Power Quality
2.1. Recordings, Numerical Processing, and Analysis of Waveforms Acquired with a Sampling Frequency of 80 kHz
- (a)
- the sub-range (0–2) kHz corresponds to a harmonic analysis related to power quality (e.g., according to the European standard EN 50160)—Figure 4. The harmonic analysis uses FFT up to the harmonic order 40;
- (b)
- the sub-range (2–9) kHz corresponds to the decomposition in Fourier series for harmonic orders belonging to the range (40–180). This analysis is also related to the fact that the harmonic analysis of signals from both channels (voltage and current) can be accomplished based on data acquisition up to a frequency of 9 kHz—Figure 5. It is worth mentioning that some standards from the EMC domain starts from 9 kHz (e.g., CISPR standards);
- (c)
- the sub-range (9–40) kHz corresponds to the decomposition in Fourier series for harmonic orders in the range (180–800). Our original algorithm allows for a harmonic decomposition for orders higher than 1000 (which corresponds to a frequency of 50 kHz). Given the sampling frequency of 80 kHz, our analysis could be made up to the frequency of 40 kHz—Figure 6 (based on Nyquist criterion).
2.2. Recordings, Numerical Processing, and Analysis of Waveforms Acquired with a Sampling Frequency of 19.2 kHz
- -
- active power:
- -
- reactive power:
- -
- distorting power:
- -
- apparent power:
- -
- the superscripts denote the harmonic order (0 for the frequency of 50 Hz);
- -
- denote the RMS values of the “n”-th harmonic order (U for voltage and I for current);
- -
- denotes the phase shift (voltage versus current) for the “n”-th harmonic order [16].
3. Some Considerations Concerning Electromagnetic Compatibility
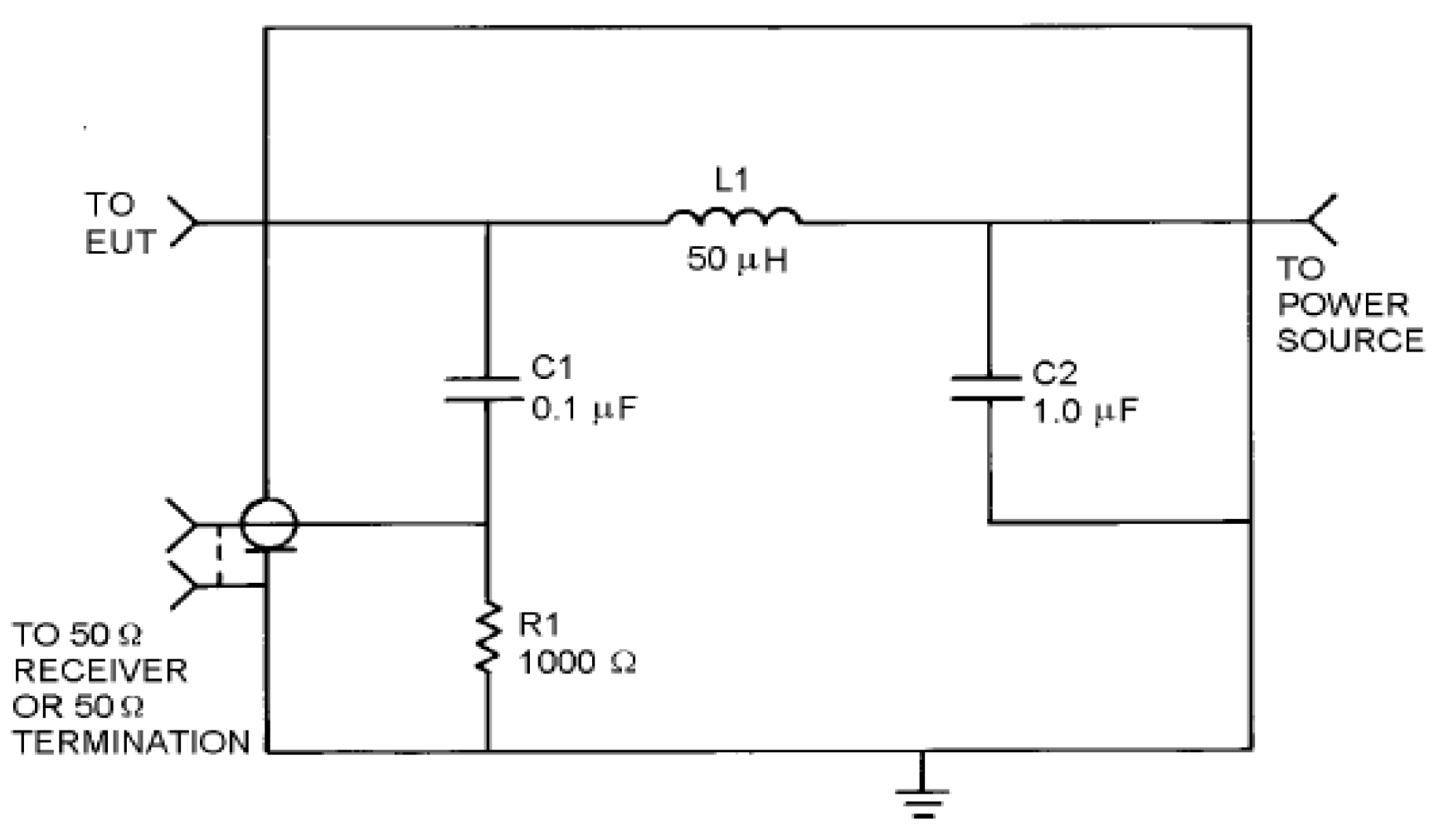
3.1. Considerations on Conducted Emissions for a Portable Compatible Equipment
3.1.1. Test Configuration
- (a)
- measurements with detectors of quasi—peak (QP) values (local maximums) and of average values (AV);
- (b)
- bandwidth used by the measuring receiver: 9 kHz;
- (c)
- time elapsed between 2 consecutive measurements (time step-(TS)): 0.5 ms.
3.1.2. Measurement Detectors
- -
- a PC running a program dedicated to CEs (the program EMC32);
- -
- a LISN, type NNB 51;
- -
- an ESCI3 EMI measuring receiver Rohde & Schwarz (referred below as R&S ESCI3).
3.1.3. Measurement Results
3.2. Considerations on Radiated Emissions for a Portable Compatible Equipment
- (i)
- Test procedure of radiated emissions
- (ii)
- Test conditions for radiated emissions
- Test range: (0.03…1) GHz;
- Band width: 120 kHz;
- Frequency step: 60 kHz;
- Test time/frequency step: 1 s (for QP values).
- (iii)
- Tests Results Concerning the Radiated EM Emissions
- (a)
- Radiated Emissions in Horizontal Polarization
- (b)
- Radiated Emissions in Vertical Polarization
3.3. Testing the Immunity of a Laptop
- -
- GTEM Cell, type 750 (maximum size of EUT: 0.62 × 0.62 × 0.49 m);
- -
- Signal Generator/Power Meter, type PMR 6006 (0.001–6) GHz;
- -
- Field sensors; Connectors (Cable RF type CHA 9511);
- -
- Bi-directional Coupler (0.08–1) GHz;
- -
- CBA 1G-150 Power Amplifier, type CBA 9479;
- -
- Spectrum Analyzer, type Tektronix RSA 3308A.
- Electric field strength 30 V/m;
- Sinusoidal signal with magnitude’s modulation 80%, with a frequency of 1 kHz;
- Operating frequency: (0.08–1) GHz.
4. Conclusions
Author Contributions
Funding
Data Availability Statement
Conflicts of Interest
References
- Chen, C.-I. Design of measurement system based on signal reconstruction for analysis and protection of distributed generations. IEEE Trans. Ind. Electron. 2013, 60, 1652–1658. [Google Scholar] [CrossRef]
- Benzi, T.; Anglani, N.; Bassi, E.; Frosini, L. Electricity smart meters interfacing the households. IEEE Trans. Ind. Electron. 2011, 58, 4487–4494. [Google Scholar] [CrossRef]
- Shukla, S.; Mishra, S.; Singh, B. Power quality event classification under noisy conditions using EMD-based de-noising techniques. IEEE Trans. Ind. Inform. 2014, 10, 1044–1054. [Google Scholar] [CrossRef]
- Nagy, I.; Járdán, R.K. Power quality conditioning based on space vector transformation. In Proceedings of the IEEE International Symposium on Industrial Electronics, ISIE 2005, Dubrovnik, Croatia, 20–23 June 2005; pp. 789–794. [Google Scholar]
- Rahimi-Eichi, H.; Baronti, F.; Chow, M.-Y. Online adaptive parameter identification and state-of-charge co-estimation for lithium-polymer battery cells. IEEE Trans. Ind. Electron. 2014, 61, 2053–2061. [Google Scholar] [CrossRef]
- Bialasiewicz, J.; Gonzalez, D.; Balcells, J.; Gago, J. Wavelet-based approach to evaluation of signal integrity. IEEE Trans. Ind. Electron. 2013, 60, 4590–4598. [Google Scholar] [CrossRef] [Green Version]
- Nicolae, I.D.; Nicolae, P.M. Performances evaluation of a class of original discrete wavelet transform based hybrid algorithms. In Proceedings of the 15th International Conference on Harmonics and Quality of Power (ICHQP), Hong Kong, China, 17–20 June 2012; pp. 727–732. [Google Scholar] [CrossRef]
- Lin, H.C. Power harmonics and inter-harmonics measurement using recursive group-harmonic power minimizing algorithm. IEEE Trans. Ind. Electron. 2012, 59, 1184–1193. [Google Scholar] [CrossRef]
- Chen, C.-I.; Chang, C.W. Virtual instrumentation and educational platform for time-varying harmonic and inter-harmonic detection. IEEE Trans. Ind. Electron. 2010, 57, 3334–3342. [Google Scholar] [CrossRef]
- Chang, C.W.; Chen, C.-I.; Liang, Q.-W. A two-stage ADALINE for harmonics and inter-harmonics measurement. IEEE Trans. Ind. Electron. 2009, 56, 2220–2228. [Google Scholar] [CrossRef]
- *** EN 50160 Std; Voltage Characteristics in Public Distribution Systems. IET: London, UK, 2004.
- *** IEEE 519-2014 Std; IEEE Recommended Practices and Requirements for Harmonic Control in Electrical Power Systems. IEEE: New York, NY, USA, 2014.
- Hu, K.W.; Liaw, C.M. On an auxiliary power unit with emergency AC power output and its robust controls. IEEE Trans. Ind. Electron. 2013, 60, 4387–4402. [Google Scholar] [CrossRef]
- Ott, H. Electromagnetic Compatibility Engineering; Wiley: Hoboken, NJ, USA, 2009. [Google Scholar]
- Nicolae, P.M. “Workshop—WED-PM-5 EMC for Home Appliances, Including Power Converters Applications”—About measurement in circuits with power electronic converters at low frequency. In Proceedings of the 2018 IEEE Symposium on Electromagnetic Compatibility, Signal Integrity and Power Integrity (EMC, SI & PI), Long Beach, CA, USA, 30 July 2018–3 August 2018; pp. 1–55. [Google Scholar]
- Nicolae, P.M.; Popa, L.D.; Nicolae, M.S.; Nicolae, I.D. Behavior of fast variable loads at the connection to the power supplying source. In Proceedings of the 2015 IEEE International Symposium on Electromagnetic Compatibility (EMC), Dresden, Germany, 16–22 August 2015; pp. 1–6. [Google Scholar] [CrossRef]
- Singh, S.; Singh, B.; Bhuvaneswari, G. Improved power quality SMPS for computers using bridgeless PFC converter at front end. IEEE Trans. Ind. Appl. 2015, 51, 721–732. [Google Scholar] [CrossRef]
- Hasan, K. Rotating-sliding-line-based sliding-mode control for single phase UPS inverters. IEEE Trans. Ind. Electron. 2011, 59, 3719–3726. [Google Scholar] [CrossRef]
- Singh, B.; Singh, S.; Chandra, A.; Al-Haddad, K. Comprehensive study of single-phase ac-dc power factor corrected converters with high frequency isolation. IEEE Trans. Ind. Inform. 2011, 7, 540–556. [Google Scholar] [CrossRef]
- Nicolae, P.M.; Vladut, G.; Mandache, L. New strategies for waveforms analysis using FFT. In Proceedings of the IEEE International Conference on Automation, Quality and Testing, Robotics—AQTR, Cluj-Napoca, Romania, 24–26 May 2008; Volume 1, pp. 212–217. [Google Scholar] [CrossRef]
- *** IEC 61000-4-7; Standard, (Revision 2.1, October 2009), Electromagnetic Compatibility (EMC)—Part 4-7: Testing and Measurement Techniques—General Guide on Harmonics and Inter-Harmonics Measurements and Instrumentation, for Power supply Systems and Equipment Connected Thereto. IEC: Geneva, Switzerland, 2002.
- Nicolae, I.D.; Nicolae, P.M. DWT Analysis of High Order Harmonics Influence over Distorted Regimes with Fast Variable Loads. In Proceedings of the 2015 IEEE Int. Symp. on Electromagnetic Compatibility (EMC), Dresden, Germany, 16–22 August 2015; pp. 1–6. [Google Scholar] [CrossRef]
- Nicolae, I.D. Workshop WED-PM-5 Behavior of a Collection of Computers with Respect to the Three-Phase Supplying Network. In Proceedings of the 2018 IEEE Symposium on Electromagnetic Compatibility, Signal Integrity and Power Integrity (EMC, SI & PI), Long Beach, CA, USA, 30 July 2018–3 August 2018. [Google Scholar]
- Tugulea, A. Criteria for the Definitions of the Electric Power Quality and its Measurement Systems. ETEP 1996, 6, 357–363. [Google Scholar] [CrossRef]
- *** IEC 61000-4-30; First edition 2003-02, Electromagnetic Compatibility (EMC)—Part 4–30: Testing and Measurement Techniques—Power Quality Measurement Methods. IEC: Geneva, Switzerland, 2003.
- Paul, C.R. Introduction on Electromagnetic Compatibility, 2nd ed.; Wiley: New York, NY, USA, 2006. [Google Scholar]
- Lu, Y.Y.; Chen, Z.H.; Yeh, C.H.; Huang Huang, H.C. Measurements and Improvements of Conducted Electromagnetic Interference Emission Caused by the Switching Circuit. In Proceedings of the First International Conference on Innovative Computing Information and Control—vol. I (ICICIC 06), Beijing, China, 30 August–1 September 2006; pp. 1–5. [Google Scholar] [CrossRef]
- *** CISPR 16-2-1; Specification for Radio Disturbance and Immunity Measuring Apparatus and Methods—Part 2-1: Methods of Measurement of Disturbances and Immunity-Conducted Disturbance Measurements. IEC: Geneva, Switzerland, 2014.
- *** CISPR 22 Edition 6.0; Information Technology Equipment—Radio Disturbance Characteristics—Limits and Methods of Measurement. IEC: Geneva, Switzerland, 10 April 2006.
- Sanchez, A.M.; Pignari, S.A.; Regue, J.R.; Ribo, M. Device Modeling for Nonstationary Conducted Emissions Based on Frequency- and Time-Domain Measurements. IEEE Trans. Electromagn. Compat. 2012, 54, 738–746. [Google Scholar] [CrossRef]
- Nicolae, P.M.; Stoica, C.M.; Mihai, G. Practical Considerations Concerning Conducted Electromagnetic Interferences for a PC. Ann. Univ. Craiova Electr. Eng. Ser. 2014, 1, 134–139. [Google Scholar]
- Bucci, G.; Fiorucci, E.; Landi, C.; Bucci, N. A Digital Measurement Station for the Precompliance Testing of Conducted Emissions of Power Electronic Devices. In Proceedings of the IEEE Industrial Symposium on Industrial Electronics, ISIE, Anchorage, AK, USA, 1–3 June 2002; Volume 2, pp. 554–559. [Google Scholar] [CrossRef]
- *** IEC EN 61000-4-3; Electromagnetic Compatibility (EMC)–Part 4-3: Testing and Measurement Techniques—Radiated, Radio-Frequency Electromagnetic Field Immunity Test, Edition 4.0. IEC: Geneva, Switzerland, 2020.
- Dina, L.A.; Nicolae, P.M.; Smarandescu, I.D.; Voicu, V. Considerations on Radiated Emission Measurements for a Laptop in a Semi-Anechoic Chamber. In Proceedings of the 2017 International Conference on Electromechanical and Power Systems (SIELMEN), Iasi, Romania, 13–15 October 2017; pp. 202–207. [Google Scholar] [CrossRef]
- Nicolae, P.M.; Nicolae, I.D.; Mihai, G.; Patru, I. Reducing emissions from an AC-DC-AC converter to improve Power Delivery Network behavior. In Proceedings of the International Symposium on Electromagnetic Compatibility (EMC), Denver, CO, USA, 4–8 August 2014; pp. 138–143. [Google Scholar] [CrossRef]
- Nicolae, P.M.; Nicolae, I.D.; Stanescu, D.G. Using GTEM Cells for Immunity Tests on Electronic Boards with Microcontroller. In Proceedings of the IEEE Electromagnetic Compatibility Symposium—ISEMC, Pittsburgh, PA, USA, 6–10 August 2012; Volume 1, pp. 44–49. [Google Scholar] [CrossRef]
- *** IEC 61000-4-20; Testing and Measurement Techniques—Emission and Immunity Testing in Transverse Electromagnetic (TEM) Waveguides, Edition 1.1. IEC: Geneva, Switzerland, 2007.
- *** IEC EN 61000-4-6; Electromagnetic Compatibility (EMC)—Part 4-6: Testing and Measurement Techniques—Immunity to Conducted Disturbances, Induced by Radio-Frequency Fields. IEC: Geneva, Switzerland, 2013.
- Bozec, D.; McCormack, L.; Marvin, A.C.; Nothofer, A.; Alexander, M. A good practice guide for the use of GTEM cells in EMC measurements according to IEC 61000-4-20. In Proceedings of the IEEE Electromagnetic Compatibility Symposium—ISEMC, Nanjing, China, 1–4 November 2004; pp. 660–665. [Google Scholar] [CrossRef]
- IEC 61000-3-2:2005+A1:2008+A2:2009; Electromagnetic Compatibility (EMC)—Part 3-2: Limits—“Limits for Harmonic Current Emissions (Equipment input Current less than 16 A per Phase)”. IEC: Geneva, Switzerland, 2018.
- Nicolae, P.M.; Stoica, C.M.; Mihai, G. Conducted Emission Measurements for a Laptop. In Proceedings of the 2014 International Conference on Applied and Theoretical Electricity (ICATE), Craiova, Romania, 23–25 October 2014; pp. 1–5. [Google Scholar] [CrossRef]
- Rawa, M.J.H.; Thomas, D.W.P.; Sumner, M.; Chin, J.X. Source voltage, frequency and impedance variation effects on the harmonics generated from a personal computer. In Proceedings of the 6th IET International Conference on Power Electronics, Machines and Drives (PEMD 2012), Bristol, UK, 27–29 March 2012; pp. 1–6. [Google Scholar] [CrossRef]




















| Parameter | Units | Value |
|---|---|---|
| Total RMS voltage—RMSV | V | 109.59 |
| Voltage RMS on fundamental harmonic—RMSV1 | V | 109.55 |
| Voltage distorting residue—U1d | V | 2.77 |
| Voltage Total Harmonic Distortion—VTHD | % | 2.53 |
| Total RMS absorbed current—RMSI | A | 0.605 |
| Current RMS on fundamental harmonic—RMSI1 | A | 0.425 |
| Current distorting residue—I1d | A | 0.429 |
| Current Total Harmonic Distortion—ITHD | % | 71.09 |
| Parameter | Units | Value |
|---|---|---|
| Total RMS voltage—RMSV | V | 107.32 |
| Voltage RMS on fundamental harmonic—RMSV1 | V | 107.28 |
| Voltage Total Harmonic Distortion—VTHD | % | 2.52 |
| Total RMS absorbed current—RMSI | A | 0.627 |
| Current RMS on 50 Hz-RMSI1 | A | 0.437 |
| Current Total Harmonic Distortion—ITHD | % | 71.36 |
| The Peak values for voltage—Vpeak | V | 151.58 |
| The Peak coefficients for voltage—Kpeak(V) | - | 0.413 |
| The Peak values for current—Ipeak | A | 1.767 |
| The Peak coefficients for current—Kpeak(I) | - | 2.816 |
| Parameter | Units | Value |
|---|---|---|
| The active power (absorbed)—P | W | 43.79 |
| The active power on fundamental harmonic (absorbed)—P1 | W | 44.62 |
| The total reactive power—Q | VAr | −16.17 |
| The reactive power on fundamental harmonic—Q1 | VAr | −16.33 |
| The distorting power—D | VAd | 51.65 |
| The total apparent power—S | VA | 70.18 |
| The apparent power on fundamental harmonic—S1 | VA | 47.74 |
| Power factor—PF | - | 0.644 |
| The phase shift (voltage vs. current) for 50 Hz | degrees | −20.88 |
| Limits | [dB(μV/m)] | |
|---|---|---|
| Frequency Range [MHz] | Quasi-Peak | Average |
| 0.15 to 0.50 | 66 to 56 | 56 to 46 |
| 0.50 to 5 | 56 | 46 |
| 5 to 30 | 60 | 50 |
| Frequency Range [MHz] | Quasi-Peak Value [dB(µV/m)] |
|---|---|
| 30–230 | 40 |
| 230–1000 | 47 |
| Frequency (MHz) | Generator Output (dBm) | Input Power (W) | Estimated Stress (V/m) |
|---|---|---|---|
| 80 | −5.51 | 0.28 | 30.2 |
| 150 | 1.14 | 1.3 | 30.34 |
| 193 | 3.35 | 2.16 | 30.25 |
| 222 | −5.11 | 0.31 | 30.43 |
| 314 | −7.28 | 0.18 | 30.36 |
| 420 | −8.1 | 0.15 | 30.76 |
| 536 | −5.36 | 0.29 | 30.78 |
| 621 | −8.8 | 0.29 | 30.87 |
| 685 | −5.29 | 0.29 | 30.89 |
| 792 | −5.29 | 0.18 | 30.92 |
| 874 | 1.27 | 1.33 | 30.75 |
| 917 | −3.87 | 0.41 | 30.86 |
| 1000 | 1.42 | 1.38 | 30.95 |
Publisher’s Note: MDPI stays neutral with regard to jurisdictional claims in published maps and institutional affiliations. |
© 2022 by the authors. Licensee MDPI, Basel, Switzerland. This article is an open access article distributed under the terms and conditions of the Creative Commons Attribution (CC BY) license (https://creativecommons.org/licenses/by/4.0/).
Share and Cite
Nicolae, I.-D.; Nicolae, P.-M. Power Quality and Electromagnetic Compatibility Aspects at Personal Computers. Energies 2022, 15, 4661. https://doi.org/10.3390/en15134661
Nicolae I-D, Nicolae P-M. Power Quality and Electromagnetic Compatibility Aspects at Personal Computers. Energies. 2022; 15(13):4661. https://doi.org/10.3390/en15134661
Chicago/Turabian StyleNicolae, Ileana-Diana, and Petre-Marian Nicolae. 2022. "Power Quality and Electromagnetic Compatibility Aspects at Personal Computers" Energies 15, no. 13: 4661. https://doi.org/10.3390/en15134661
APA StyleNicolae, I.-D., & Nicolae, P.-M. (2022). Power Quality and Electromagnetic Compatibility Aspects at Personal Computers. Energies, 15(13), 4661. https://doi.org/10.3390/en15134661
