On the Use of Robust Techniques in Smart Grid Control
Abstract
:1. Introduction
2. Smart Grid Models
3. Robust Control Techniques in Smart Grid
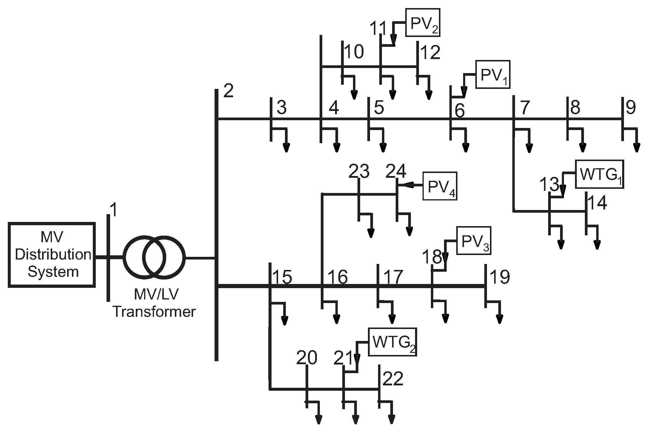
4. Illustrative Simulation
5. Conclusions
Funding
Conflicts of Interest
References
- Eltigani, D.; Masri, S. Challenges of integrating renewable energy sources to smart grids: A review. Renew. Sustain. Energy Rev. 2015, 52, 770–780. [Google Scholar] [CrossRef]
- Ferreira, P.; Carvalho, P.; Ferreira, L.; Ilic, M. Distributed Energy Resources Integration Challenges in Low-Voltage Networks: Voltage Control Limitations and Risk of Cascading. IEEE Trans. Sustain. Energy 2013, 4, 82–88. [Google Scholar] [CrossRef]
- Bevrani, H. On Future of Robust Control in Smart Grids. In Proceedings of the IEEE Conference on Smart Grid (SGC), Tehran, Iran, 9–10 December 2014; pp. 1–2. [Google Scholar]
- Christakou, K.; Paolone, M.; Abur, A. Voltage Control in Active Distribution Networks Under Uncertainty in the System Model: A Robust Optimization Approach. IEEE Trans. Smart Grid 2018, 9, 5631–5642. [Google Scholar] [CrossRef]
- Etemadi, A.; Davison, E.J.; Iravani, R. A Decentralized Robust Control Strategy for Multi-DER Microgrids—Part I: Fundamental Concepts. IEEE Trans. Power Deliv. 2012, 27, 1843–1853. [Google Scholar] [CrossRef]
- Fusco, G.; Russo, M. Robust MIMO Design of Decentralized Voltage Controllers of PV Systems in Distribution Networks. IEEE Trans. Ind. Electron. 2017, 64, 4610–4620. [Google Scholar] [CrossRef]
- Khargonekar, P.; Georgiou, T.; Pascoal, A. On the Robust Stabilizability of Linear Time-Invariant Plants with Unstructured Uncertainty. IEEE Trans. Autom. Control 1987, AC-32, 201–207. [Google Scholar] [CrossRef]
- Fusco, G.; Russo, M. Tuning of multivariable PI robust controllers for the decentralized voltage regulation in grid-connected distribution networks with Distributed Generation. Springer Int. J. Dyn. Control 2020, 8, 278–290. [Google Scholar] [CrossRef]
- Cruz, J.; Freudenberg, J.; Looze, D. A Relationship Between Sensitivity and Stability of Multivariable Feedback Systems. IEEE Trans. Autom. Control 1981, 26, 66–74. [Google Scholar] [CrossRef]
- Farina, M.; Guagliardi, A.; Mariani, F.; Sandroni, C.; Scattolini, R. Model predictive control of voltage profiles in MV networks with distributed generation. Control Eng. Pract. 2015, 34, 18–29. [Google Scholar] [CrossRef] [Green Version]
- Nassourou, M.; Blesa, J.; Puig, V. Robust Economic Model Predictive Control Based on a Zonotope and Local Feedback Controller for Energy Dispatch in Smart-Grids Considering Demand Uncertainty. Energies 2020, 3, 696. [Google Scholar]
- Hossain, M.J.; Pota, H.R.; Mahmud, A.; Aldeen, M. Robust Control for Power Sharing in Microgrids With Low-Inertia Wind and PV Generators. IEEE Trans. Sustain. Energy 2015, 6, 1067–1077. [Google Scholar] [CrossRef]
- Huang, L.; Xin, H.; Dorfler, F. H-infinity Control of Grid-Connected Converters: Design, Objectives and Decentralized Stability Certificates. IEEE Trans. Smart Grids 2020, 11, 3805–3816. [Google Scholar] [CrossRef]
- Rafiee, A.; Batmani, Y.; Bevrani, H.; Kato, T. Robust MIMO Controller Design for VSC-based Microgrids: Sequential Loop Closing Concept and Quantitative Feedback Theory. IEEE Trans. Smart Grid Early Access 2021. [Google Scholar] [CrossRef]
- Mahmud, M.; Hossain, M.; Pota, H.; Oo, A. Robust Nonlinear Distributed Controller Design for Active and Reactive Power Sharing in Islanded Microgrids. IEEE Trans. Energy Convers. 2014, 29, 893–903. [Google Scholar] [CrossRef]
- Blaabjerg, F.; Chen, Z.; Kjaer, S. Power electronics as efficient interface in dispersed power generation systems. IEEE Trans. Power Electron. 2004, 19, 1184–1194. [Google Scholar] [CrossRef]
- Figueres, E.; Garcera, G.; Sandia, J.; Gonzalez-Espin, F.; Rubio, J. Sensitivity study of the dynamics of three-phase photovoltaic inverters with an LCL grid filter. IEEE Trans. Ind. Electron. 2009, 56, 706–717. [Google Scholar] [CrossRef] [Green Version]
- Rahimi, M.; Parniani, M. Transient Performance Improvement of Wind Turbines With Doubly Fed Induction Generators Using Nonlinear Control Strategy. IEEE Trans. Energy Convers. 2010, 25, 514–525. [Google Scholar] [CrossRef]
- Campestrini, V.; Conio, G.; Galdi, V.; Massa, G.; Piccolo, A. Optimal Decentralized Voltage Control for Distribution Systems With Inverter-Based Distributed Generators. IEEE Trans. Power Syst. 2014, 29, 230–241. [Google Scholar]
- Zhang, Z.; Ochoa, L.; Valverde, G. A Novel Voltage Sensitivity Approach for the Decentralized Control of DG Plants. IEEE Trans. Power Syst. 2018, 3, 1566–1576. [Google Scholar] [CrossRef] [Green Version]
- Sansawatt, T.; Ochoa, L. Smart decentralized control of DG for voltage and thermal constraint management. IEEE Trans. Power Syst. 2012, 27, 1637–1645. [Google Scholar] [CrossRef]
- Fazio, A.D.; Russo, M.; Valeri, S.; Santis, M.D. Linear method for steady-state analysis of radial distribution systems. Int. J. Electr. Power Energy Syst. 2018, 99, 744–755. [Google Scholar] [CrossRef]
- Delghavi, M.; Yazdani, A. A Unified Control Strategy for Electronically Interfaced Distributed Energy Resources. IEEE Trans. Power Deliv. 2012, 27, 803–812. [Google Scholar] [CrossRef]
- Fusco, G.; Russo, M. A Decentralized Approach for Voltage Control by Multiple Distributed Energy Resources. IEEE Trans. Smart Grid 2021, 12, 3115–3127. [Google Scholar] [CrossRef]
- Fusco, G.; Russo, M.; Santis, M.D. Decentralized Voltage Control in Active Distribution Systems: Features and Open Isuue. Energies 2021, 14, 2563. [Google Scholar] [CrossRef]
- Braslavsky, J.H.; Collins, L.; Ward, J.K. Voltage Stability in a Grid-Connected Inverter With Automatic Volt-Watt and Volt-VAR Functions. IEEE Trans. Smart Grid 2019, 10, 84–94. [Google Scholar] [CrossRef]
- Nazari, M.H.; Ilic, M.; Lopes, J. Small-signal stability and decentralized control design for electric energy systems with a large penetration of distributed generators. Control Eng. Pract. 2012, 20, 823–831. [Google Scholar] [CrossRef] [Green Version]
- Ranamuka, D.; Agalgaonkar, A.; Muttaqu, K. Online Voltage Control in Distribution Systems With Multiple Voltage Regulating Devices. IEEE Trans. Sustain. Energy 2014, 5, 617–628. [Google Scholar] [CrossRef]
- Osório, C.; Koch, G.; Borin, L.; Nascimento, M. Robust control of grid-connected converters under wide grid impedance variation. In Proceedings of the 29th Mediterranean Conference on Control and Automation (MED), Gramado City, Brazil, 15–18 September 2019; pp. 1–6. [Google Scholar]
- Skogestad, S.; Postlethwaite, I. Multivariable Feedback Control Analysis and Design; John Wiley & Sons: Hoboken, NJ, USA, 2005. [Google Scholar]
- Jafarian, H.; Cox, R.; Enslin, J.; Bhowmik, S.; Parkhideh, B. Decentralized Active and Reactive Power Control for an AC-Stacked PV Inverter With Single Member Phase Compensation. IEEE Trans. Ind. Appl. 2011, 2, 363–373. [Google Scholar] [CrossRef]
- Juanjuan, W.; Chuang, F.; Yao, Z. Design of WAMS-Based Multiple HVDC Damping Control System. IEEE Trans. Smart Grid 2018, 54, 345–355. [Google Scholar] [CrossRef]
- Garcia, D.; Karimi, A.; Longchamp, R. PID controller design for multivariable systems using Gershgoring bands. In Proceedings of the IFAC World Congress, Prague, Czech Republic, 3–8 July 2005. [Google Scholar]
- Labibi, B.; Lohmann, B.; Sedigh, A.; Maralani, P. Decentralized Robust control of Large-Scale systems via Sensitivity Reduction to the Interactions. In Proceedings of the IEEE American Control Conference, Chicago, IL, USA, 28–30 June 2000; pp. 819–823. [Google Scholar]
- Grosdidier, P.; Morari, M. Interaction Measures for systems Under Decentralized Control. Automatica 1986, 22, 309–319. [Google Scholar] [CrossRef]
- Fusco, G.; Russo, M. A Procedure to Determine the Droop Constants of Voltage Controllers Coping with Multiple DG Interactions in Active Distribution Systems. Energies 2020, 13, 1935. [Google Scholar] [CrossRef] [Green Version]
- Skogestad, S.; Morari, M. Letters to Editor. Am. Inst. Chem. Eng. AIChE 1987, 33, 701–702. [Google Scholar]
- European Parliament; Council of the EU. Directive (EU) 2019/944 on Common Rules for the Internal Market for Electricity and Amending DIRECTIVE 2012/27/EU. Available online: https://eur-lex.europa.eu/legal-content/EN/TXT/PDF/?uri=CELEX:32019L0944 (accessed on 5 June 2019).
- Tafti, A. Using H∞ controller for monitoring and control of smart grids. In Proceedings of the IEEE International Conference on Smart Energy Grid Engineering (SEGE), UOIT, Oshawa, ON, Canada, 14–17 August 2017; pp. 1–6. [Google Scholar]
- Zhou, K.; Doyle, J. Essentials of Robust Control; Prentice Hall: Hoboken, NJ, USA, 1997. [Google Scholar]
- Al-Muhanna, A.; Al-Nujaimi, A.; Al-Baiyat, S. Robust H∞ and μ-Synthesis frequency control for two-bus islanded microgrid. In Proceedings of the Saudi Arabia Smart Grid (SASG), Jeddah, Saudi Arabia, 12–14 December 2017. [Google Scholar]
- Bevrani, H.; Feizi, M.; Ataee, S. Robust Frequency Control in an Islanded Microgrid: H∞ and μ Synthesis Approaches. IEEE Trans. Smart Grids 2016, 7, 706–717. [Google Scholar] [CrossRef] [Green Version]
- Kahrobaeian, A.; Mohamed, Y.A. Direct single-loop μ-synthesis voltage control for suppression of multiple resonances in microgrids with power-factor correction capacitors. IEEE Trans. Smart Grid 2013, 4, 1151–1161. [Google Scholar] [CrossRef]
- Li, P.; Yin, Z.; Li, Y. The realization of flexible photovoltaic power grid-connection μ-synthesis robust control in microgrid. In Proceedings of the IEEE Power and Energy Systems General Meeting Conference Exposition, National Harbor, MD, USA, 27–31 July 2014; pp. 1–5. [Google Scholar]
- Zhu, L.; Chen, J.; Niu, S.; Liu, J.; Guo, J.; Huo, C. μ-Synthesis Robust Control of Variable Speed Wind Turbine Generators for Participating in Microgrid Frequency Regulation. In Proceedings of the IEEE Sustainable Power and Energy Conference (iSPEC), Chengdu, China, 23–25 November 2020; pp. 1–6. [Google Scholar]
- Shan, Y.; Hu, J.; Guerrero, J.M. A Model Predictive Power Control Method for PV and Energy Storage Systems With Voltage Support Capability. IEEE Trans. Smart Grid 2020, 11, 1018–1029. [Google Scholar] [CrossRef]
- Valverde, G.; Cutsem, T.V. Model Predictive Control of Voltages in Active Distribution Networks. IEEE Trans. Smart Grid 2013, 4, 2152–2161. [Google Scholar] [CrossRef] [Green Version]
- Zhao, H.; Wu, Q.; Wang, J.; Liu, Z.; Shahidehpour, M.; Xue, Y. Combined Active and Reactive Power Control of Wind Farms Based on Model Predictive Control. IEEE Trans. Energy Convers. 2017, 33, 1177–1187. [Google Scholar] [CrossRef] [Green Version]
- Sedhom, B.; El-Saadawi, M.; Hatata, A.; Abd-Rabo, E.H. H-Infinity versus model predictive control methods for seamless transition between islanded-and grid-connected modes of microgrids. IET Renew. Power Gener. 2019, 14, 856–870. [Google Scholar] [CrossRef]
- Zhang, Y.; Li, S.; Zhu, Q. Backstepping-enhanced decentralised PID control for MIMO process with an experimental study. IET Control Theory Appl. 2007, 1, 704–712. [Google Scholar] [CrossRef] [Green Version]
- de Araujo, M.; Rocha, L.; Martins, L.; Vieira, R. Multiloop Current Control Strategy for a Grid-connected VSI with LCL Filter Using Backstepping and Proportional+Resonant Controller. In Proceedings of the IEEE PES Innovative Smart Grid Technical Conference—Latin America (ISGT Latin America), Gramado, Brazil, 15–18 September 2019; pp. 1–6. [Google Scholar]
- Martin, A.; Cano, J.; Silva, J.; Vázquez, J. Backstepping Control of Smart Grid-Connected Distributed Photovoltaic Power Supplies for Telecom Equipment. IEEE Trans. Energy Convers. 2015, 30, 1496–1504. [Google Scholar] [CrossRef]
- Roy, T.; Mahmud, M.; Islam, S.; Rajasekar, N.; Muttaqi, K.; Oo, A. Nonlinear Backstepping Controller Design for Grid-Connected Photovoltaic Systems with Output LC Filters to Improve Dynamic Stability and Power Quality. In Proceedings of the IEEE International Conference on Power Electronics, Smart Grid and Renewable Energy (PESGRE2020), Kochi, India, 2–4 January 2020. [Google Scholar]
- Abbadi, S.; Hamidia, F.; Morsli, A. New MPPT Sliding Mode Approach for Grid Connected PV System. In Proceedings of the IEEE International Conference on Applied Smart Systems, Médéa, Algeria, 24–25 November 2018. [Google Scholar]
- Arbatsofla, S.; Toloei, A.; Soudagary, F.; Naseri, A. DFIG wind turbine control despite the uncertainties in the model using high-order adaptive sliding. In Proceedings of the IEEE Smart Grid Conference, Arlington, VA, USA, 23–26 April 2017. [Google Scholar]
- Cucuzzella, M.; Incremona, G.; Ferrara, A. Third Order Sliding Mode Voltage Control in Microgrids. In Proceedings of the IEEE European Control Conference, Linz, Austria, 15–17 July 2015; pp. 1–6. [Google Scholar]
- Ruiz-Zea, C.; Jiménez-Rodríguez, E.; Cañedo-Castañeda, J.; Loukianov, A. Sliding Mode Control for a Distributed Generation Unit Based on Photovoltaic Sources. In Proceedings of the IEEE North American Power Symposium, Fargo, ND, USA, 9–11 September 2018. [Google Scholar]
- Shanoob, M.; Iqbal, K. State Feedback Sliding Mode Control Law Design for Grid-Connected Wind Turbine Model. In Proceedings of the 7th International Conference on Smart Energy Grid Engineering, Oshawa, ON, Canada, 12–14 August 2019. [Google Scholar]
- Chang, Y.H.; Wise, G. Theory and Application of robust Stability analysis on State Space Using Stability Radii. In Proceedings of the IEEE American Control Conference, Baltimore, MD, USA, 29 June–1 July 1994; pp. 1–6. [Google Scholar]
- Qiu, L.; Bernhardsson, B.; Rantzer, A.; Davison, E.; Young, P.; Doyle, J. A Formula for Computation of the Real Stability Radius. Automatica 1995, 31, 879–890. [Google Scholar] [CrossRef] [Green Version]
- Manitoba-HVDC Research Center. PSCAD User’s Guide; Manitoba HVDC Research Centre Inc.: Winnipeg, MB, Canada, 2005. [Google Scholar]








| Technique | Advantages/Features | Shortcomings |
|---|---|---|
| control | Sub-optimal solution Robust against disturbances Suited to unstructured uncertainty Availability of numerical tools | Solution numerically complicated Not unique solution for MIMO plants High-order of the controller Requires weights matrices Usually applied to MG |
| MPC | Prediction model can be MIMO Robust against disturbances Availability of numerical tools Handles input-output constraints | Needs real-time computations Requires data handling capability, horizons Usually applied to MG Not suited to decentralized approaches |
| Structured singular value () | Suited to structured uncertainty Availability of numerical tools Less conservative | High-order of the controller No closed-form methods for computation Usually applied to MG |
| Condition (14) | Different design techniques Allows the use of decentralized control techniques Suited also to large SG | Conservative Requires factorization In the case of complex perturbation <1 may not be possible in practice Only for additive model of the unstructured uncertainty |
| Condition (15) | Different design methods Allows the use of decentralized control techniques Suited also to large SG | Conservative In the case of complex perturbation <1 may not be possible in practice Only for additive model of the unstructured uncertainty |
| Backstepping | Recursive design Decentralized approach | Number of states Not suited to SG of large dimension |
| Sliding mode control | Low computational burden Robust against disturbances Finite-time converge | Chattering problems No numerical tools Limit cycles if the gain is not accurately designed Not suited to SG of large dimension |
Publisher’s Note: MDPI stays neutral with regard to jurisdictional claims in published maps and institutional affiliations. |
© 2021 by the author. Licensee MDPI, Basel, Switzerland. This article is an open access article distributed under the terms and conditions of the Creative Commons Attribution (CC BY) license (https://creativecommons.org/licenses/by/4.0/).
Share and Cite
Fusco, G. On the Use of Robust Techniques in Smart Grid Control. Energies 2022, 15, 7. https://doi.org/10.3390/en15010007
Fusco G. On the Use of Robust Techniques in Smart Grid Control. Energies. 2022; 15(1):7. https://doi.org/10.3390/en15010007
Chicago/Turabian StyleFusco, Giuseppe. 2022. "On the Use of Robust Techniques in Smart Grid Control" Energies 15, no. 1: 7. https://doi.org/10.3390/en15010007
APA StyleFusco, G. (2022). On the Use of Robust Techniques in Smart Grid Control. Energies, 15(1), 7. https://doi.org/10.3390/en15010007
