Review of Multilevel Inverters for PV Energy System Applications
Abstract
1. Introduction
2. Multilevel Inverters (MLIs)
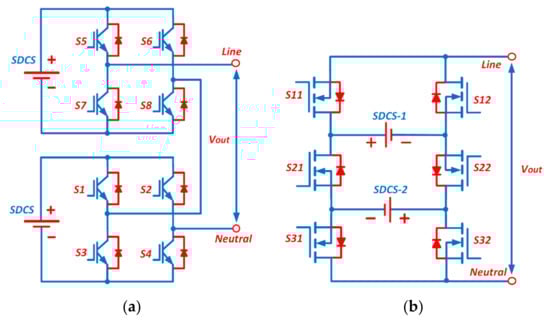
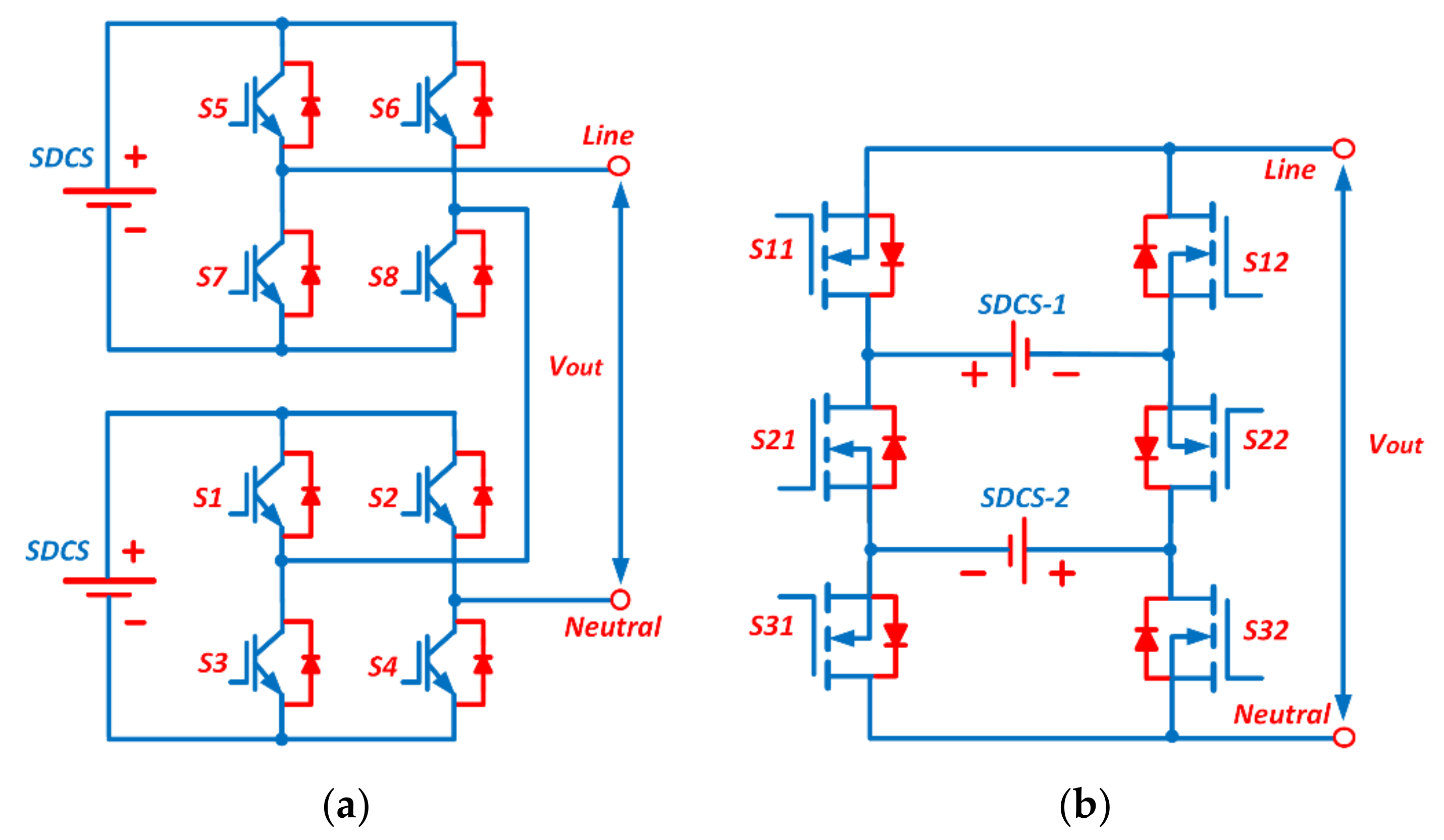
2.1. Cascaded H-Bridges MLI
2.2. Flying Capacitor MLI
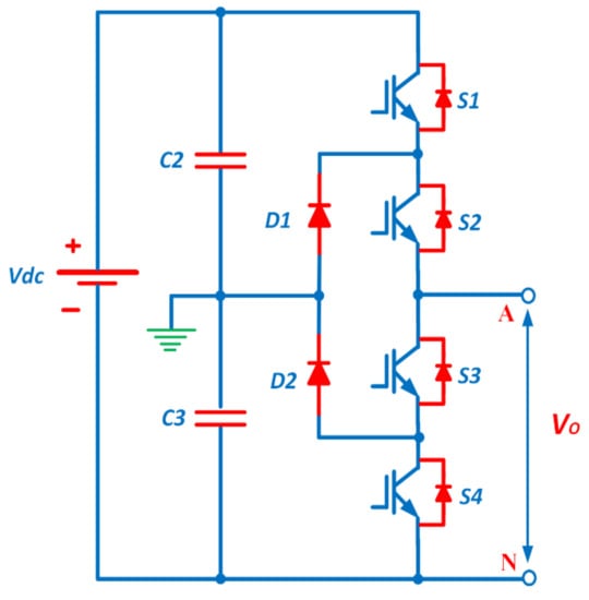
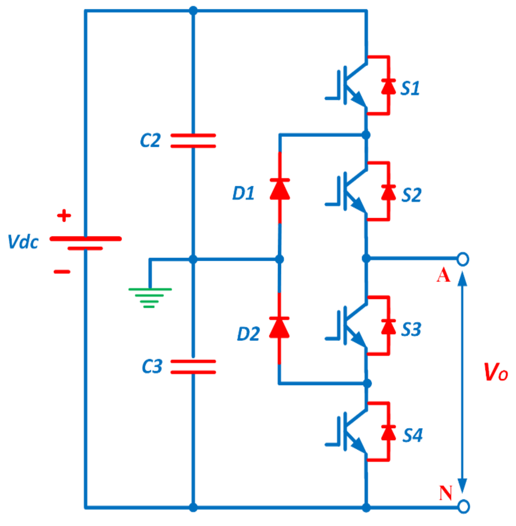
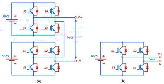
2.3. Diode Clamped MLI
2.4. Comparison between CHB-MLI, FC-MLI, and DC-MLI Topologies
3. Modified Multilevel Inverter
4. Multilevel Inverters in Renewable Energy System Applications
4.1. Wind Energy Conversion Systems (WECS)
4.2. Fuel Cells (FC)
4.3. Electric Vehicles (EVs)
4.4. Induction Heating (IH)
5. Photovoltaic Systems (PVs)
5.1. Maximum Power Point Tracking (MPPT) Techniques
- Conventional MPPT methods.
- Advanced (soft computing) MPPT methods.
- Hybrid MPPT methods.
5.1.1. Conventional MPPT Methods
5.1.2. Advanced (Soft Computing) MPPT Methods
5.1.3. Hybrid MPPT Methods
6. Multilevel Converters in PV Systems
6.1. Multilevel Inverters for Grid-Connected PV Systems
6.2. Common-Mode and Leakage Current Suppression for Transformerless ML PV Inverters
7. Challenges and Future Work Areas
- The intermittent nature of the produced power by RESs remains one of the major issues in grid-connected RES. It is believed that the contribution of RESs to the global energy market will increase in the future; hence, this problem of power fluctuations in grid-connected RESs demands to be addressed.
- Multilevel inverters (MLIs) have been widely used in both grid-connected and industrial applications over time owing to their numerous advantages. However, researchers have recently begun to introduce hybrid topologies which are developed from the classical topologies; these hybrid methods are developed to meet the high grid code standards and address the power quality problems in a cost-friendly manner [16,23,58]. Being that most of these new topologies have not been evaluated in the grid-connected RESs, there is a need to investigate their performance in grid-integrated applications.
- The MMC, a commonly used MC, remains the most suitable for large-scale RES application. MMC has become the basic building block for multiterminal direct current (MTDC) and DC grids due to its salient features, The MMCMTDC systems embedded into the present power system will significantly enhance system reliability and efficiency, support renewable energy integration, and improve the economy and flexibility of power transmission. However, there are still several technical challenges in the modeling, control, and protection of the MMC-MTDC systems [171,172,173,174].
- More studies are needed on the performance analysis of the recent MLIs to efficiently address the issues encountered in the grid-connected RESs applications. Studies should also focus on the role of MLIs in smart grid technologies.
- Even though the Reduced Switch Multilevel Inverter (RS MLI) topologies can be used in RES integration, especially for PV applications, in consideration of the reduced total standing voltage (TSV), more RS MLI topologies should be developed to increase the suitability for the integration of both PV and wind energy systems [88].
- The integration of renewable energy systems to grids using suitable MLIs has gradually been moving grid systems towards the future smart grid. This comes with great challenges but also presents some opportunities for MLI topology development and control. Thus, there are numerous innovations in this field.
- The regulation of DC-link voltage, as well as the control of the MPPT in MLIs, usually requires a PI-based controller which is associated with certain limitations. Several soft computing and hybrid methods-based control systems can be evaluated for better multidimensional control [42].
- The efficiency of the MPPT algorithm is affected by many factors but the most obvious is the nonlinear nature of the PV system, the system working condition, and the variations in ambient conditions. Most times, the algorithm developers do not consider these changes, and this has been the source of system failure in certain working conditions. Thus, the design of the PV module controller is a tedious task that demands more attention to achieve stability [31,116].
- A key determinant of the proper MPPT to be selected is to find the optimal MPPT method with fast performance, low tracking errors, and no oscillation around the GMMP. The evaluation of MPPT techniques normally comes with various degrees of complexity; hence, many studies are still ongoing, trying to address most of the identified problems. It is, therefore, recommended that efforts should be geared towards finding a simpler, faster, and cost-efficient MPP tracker that could offer better reliability and efficiency [31,175].
8. Conclusions
Author Contributions
Funding
Institutional Review Board Statement
Data Availability Statement
Conflicts of Interest
Abbreviations
| MLI | Multilevel Inverter |
| PV | Photovoltaic |
| MPPT | Maximum Power Point Tracking |
| RESs | Renewable Energy Sources |
| THD | Total Harmonic Distortion |
| EMI | Electro-Magnetic Interference |
| MMPP | Multiple Maximum Power Points |
| GMPP | Global Maximum Power Point |
| PWM | Pulse Width Modulation |
| CHB-MLI | Cascaded H-Bridge Multilevel Inverter |
| DCMLI | Diode Clamped Multilevel Inverter |
| FCMLI | Flying Capacitor Multilevel Inverter |
| SDCS | Separate DC Source |
| SWAs | Split-Winding Alternators |
| MMC | Modular Multilevel Converter |
| PCC | Point of Common Coupling |
| CSD | Cascaded Switched-Diode |
| BESS | Battery Energy Storage System |
| SOC | State of Charge |
| MCSI | Multilevel Current-Source Inverter |
| PPP | Peak Power Point |
| TSV | Total Standing Voltage |
| VFISPWM | Variable Frequency Inverted Sine Carrier PWM |
| Iph | Photon-Generated Current |
References
- Nema, P.; Nema, R.; Rangnekar, S. A current and future state of art development of hybrid energy system using wind and PV-solar: A review. Renew. Sustain. Energy Rev. 2009, 13, 2096–2103. [Google Scholar] [CrossRef]
- Haque, A. Research on Solar Photovoltaic (PV) Energy Conversion System: An Overview. In Proceedings of the Third International Conference on Computational Intelligence and Information Technology (CIIT 2013), Mumbai, India, 18–19 October 2013; pp. 605–611. [Google Scholar]
- Solanki, C.S. Solar Photovoltaics: Fundamentals, Technologies and Applications, 3rd ed.; PHI Learning Pvt. Ltd.: Delhi, India, 2015. [Google Scholar]
- IEA International Energy Agency. World Energy Outlook; OECD: Paris, France, 2004. [Google Scholar]
- Panwar, N.; Kaushik, S.; Kothari, S. Role of renewable energy sources in environmental protection: A review. Renew. Sustain. Energy Rev. 2011, 15, 1513–1524. [Google Scholar] [CrossRef]
- Alhafadhi, L.; Teh, J.; Lai, C.M.; Salem, M. Predictive Adaptive Filter for Reducing Total Harmonics Distortion in PV Systems. Energies 2020, 13, 3286. [Google Scholar] [CrossRef]
- Ibrahim, A.; Fudholi, A.; Sopian, K.; Othman, M.Y.; Ruslan, M.H. Efficiencies and improvement potential of building integrated photovoltaic thermal (BIPVT) system. Energy Convers. Manag. 2014, 77, 527–534. [Google Scholar] [CrossRef]
- Bosshard, P.; Hermann, W.; Hung, E.; Hunt, R.; Simon, A. An assessment of solar energy conversion technologies and research opportunities. Gcep Energy Assess. Anal. 2006, 45. [Google Scholar]
- Peumans, P.; Forrest, S. Very-high-efficiency double-heterostructure copper phthalocyanine/C 60 photovoltaic cells. Appl. Phys. Lett. 2001, 79, 126–128. [Google Scholar] [CrossRef]
- Masuko, K.; Shigematsu, M.; Hashiguchi, T.; Fujishima, D.; Kai, M.; Yoshimura, N.; Yamaguchi, T.; Ichihashi, Y.; Mishima, T.; Matsubara, N.; et al. Achievement of More Than 25% Conversion Efficiency With Crystalline Silicon Heterojunction Solar Cell. IEEE J. Photovolt. 2014, 4, 1433–1435. [Google Scholar] [CrossRef]
- Mitzi, D.B.; Yuan, M.; Liu, W.; Kellock, A.J.; Chey, S.J.; Deline, V.; Schrott, A.G. A high-efficiency solution-deposited thin-film photovoltaic device. Adv. Mater. 2008, 20, 3657–3662. [Google Scholar] [CrossRef]
- Kouro, S.; Leon, J.I.; Vinnikov, D.; Franquelo, L.G. Grid-connected photovoltaic systems: An overview of recent research and emerging PV converter technology. IEEE Ind. Electron. Mag. 2015, 9, 47–61. [Google Scholar] [CrossRef]
- Hassaine, L.; OLias, E.; Quintero, J.; Salas, V. Overview of power inverter topologies and control structures for grid connected photovoltaic systems. Renew. Sustain. Energy Rev. 2014, 30, 796–807. [Google Scholar] [CrossRef]
- Monfared, M.; Golestan, S. Control strategies for single-phase grid integration of small-scale renewable energy sources: A review. Renew. Sustain. Energy Rev. 2012, 16, 4982–4993. [Google Scholar] [CrossRef]
- Daher, S.; Schmid, J.; Antunes, F.L. Multilevel inverter topologies for stand-alone PV systems. IEEE Trans. Ind. Electron. 2008, 55, 2703–2712. [Google Scholar] [CrossRef]
- Omer, P.; Kumar, J.; Surjan, B.S. A Review on Reduced Switch Count Multilevel Inverter Topologies. IEEE Access 2020, 8, 22281–22302. [Google Scholar] [CrossRef]
- Baker, R.H.; Bannister, L.H. Electric Power Converter. U.S. Patent 386,743A, 18 February 1975. [Google Scholar]
- Nabae, A.; Takahashi, I.; Akagi, H. A new neutral-point-clamped PWM inverter. IEEE Trans. Ind. Appl. 1981, 5, 518–523. [Google Scholar] [CrossRef]
- Aiello, M.F.; Hammond, P.W.; Rastogi, M. Modular Multi-Level Adjustable Supply with Series Connected Active Inputs. U.S. Patent 6,236,580B1, 22 May 2001. [Google Scholar]
- Peng, F.; Lai, J.-S. Multilevel Cascade Voltage Source Inverter with Separate Dc Sources. U.S. Patent 5,642,275A, 24 June 1997. [Google Scholar]
- Abd Halim, W.; Ganeson, S.; Azri, M.; Azam, T.T. Review of multilevel inverter topologies and its applications. J. Telecommun. Electron. Comput. Eng. 2016, 8, 51–56. [Google Scholar]
- Tolbert, L.M.; Shi, X. Multilevel power converters. In Power Electronics Handbook; Elsevier: Amsterdam, The Netherlands, 2018; pp. 385–416. [Google Scholar]
- Prabaharan, N.; Palanisamy, K. A comprehensive review on reduced switch multilevel inverter topologies, modulation techniques and applications. Renew. Sustain. Energy Rev. 2017, 76, 1248–1282. [Google Scholar] [CrossRef]
- Danandeh, M. Comparative and comprehensive review of maximum power point tracking methods for PV cells. Renew. Sustain. Energy Rev. 2018, 82, 2743–2767. [Google Scholar] [CrossRef]
- Motahhir, S.; El Ghzizal, A.; Sebti, S.; Derouich, A. Shading effect to energy withdrawn from the photovoltaic panel and implementation of DMPPT using C language. Int. Rev. Autom. Control 2016, 9, 88–94. [Google Scholar] [CrossRef]
- Wang, Y.; Li, Y.; Ruan, X. High-accuracy and fast-speed MPPT methods for PV string under partially shaded conditions. IEEE Trans. Ind. Electron. 2015, 63, 235–245. [Google Scholar] [CrossRef]
- Belhachat, F.; Larbes, C. A review of global maximum power point tracking techniques of photovoltaic system under partial shading conditions. Renew. Sustain. Energy Rev. 2018, 92, 513–553. [Google Scholar] [CrossRef]
- Sivachandran, P.; Lakshmi, D.; Janani, R. Survey of maximum power point tracking techniques in solar PV system under partial shading conditions. ARPN J. Eng. Appl. Sci. 2015, 10, 256–264. [Google Scholar]
- Karami, N.; Moubayed, N.; Outbib, R. General review and classification of different MPPT Techniques. Renew. Sustain. Energy Rev. 2017, 68, 1–18. [Google Scholar] [CrossRef]
- Subudhi, B.; Pradhan, R. A Comparative Study on Maximum Power Point Tracking Techniques for Photovoltaic Power Systems. IEEE Trans. Sustain. Energy 2013, 4, 89–98. [Google Scholar] [CrossRef]
- Baba, A.O.; Liu, G.; Chen, X. Classification and Evaluation Review of Maximum Power Point Tracking Methods. Sustain. Futures 2020, 2, 100020. [Google Scholar] [CrossRef]
- Salam, Z.; Ahmed, J.; Merugu, B.S. The application of soft computing methods for MPPT of PV system: A technological and status review. Appl. Energy 2013, 107, 135–148. [Google Scholar] [CrossRef]
- Çelik, Ö.; Teke, A. A Hybrid MPPT method for grid connected photovoltaic systems under rapidly changing atmospheric conditions. Electr. Power Syst. Res. 2017, 152, 194–210. [Google Scholar] [CrossRef]
- Rodriguez, J.; Lai, J.-S.; Peng, F.Z. Multilevel inverters: A survey of topologies, controls, and applications. IEEE Trans. Ind. Electron. 2002, 49, 724–738. [Google Scholar] [CrossRef]
- Pharne, I.; Bhosale, Y. A Review on Multilevel Inverter Topology. In Proceedings of the 2013 International Conference on Power, Energy and Control (ICPEC), Dindigul, India, 6–8 February 2013; pp. 700–703. [Google Scholar]
- Rodríguez, J.; Bernet, S.; Wu, B.; Pontt, J.O.; Kouro, S. Multilevel voltage-source-converter topologies for industrial medium-voltage drives. IEEE Trans. Ind. Electron. 2007, 54, 2930–2945. [Google Scholar] [CrossRef]
- Rodriguez, J.; Franquelo, L.G.; Kouro, S.; Leon, J.I.; Portillo, R.C.; Prats, M.A.M.; Perez, M.A. Multilevel converters: An enabling technology for high-power applications. Proc. IEEE 2009, 97, 1786–1817. [Google Scholar] [CrossRef]
- Kouro, S.; Malinowski, M.; Gopakumar, K.; Pou, J.; Franquelo, L.G.; Wu, B.; Rodriguez, J.; Pérez, M.A.; Leon, J.I. Recent advances and industrial applications of multilevel converters. IEEE Trans. Ind. Electron. 2010, 57, 2553–2580. [Google Scholar] [CrossRef]
- Sira-Ramirez, H.J.; Silva-Ortigoza, R. Control Design Techniques in Power Electronics Devices; Springer Science & Business Media: Berlin/Heidelberg, Germany, 2006. [Google Scholar]
- Murugesan, M.; Pari, R.; Sivakumar, R.; Sivaranjani, S. Different types of multilevel inverter topologies-A technical Review. Int. J. Adv. Engg. Tech. 2016, 7, 155. [Google Scholar]
- Hasan, N.S.; Rosmin, N.; Osman, D.A.A.; Musta’amal, A.H. Reviews on multilevel converter and modulation techniques. Renew. Sustain. Energy Rev. 2017, 80, 163–174. [Google Scholar] [CrossRef]
- Kala, P.; Arora, S. A comprehensive study of classical and hybrid multilevel inverter topologies for renewable energy applications. Renew. Sustain. Energy Rev. 2017, 76, 905–931. [Google Scholar] [CrossRef]
- Shehu, G.S.; Kunya, A.B.; Shanono, I.H.; Yalçınöz, T. A review of multilevel inverter topology and control techniques. J. Autom. Control Eng. 2016, 4. [Google Scholar] [CrossRef]
- Peng, F.; McKeever, J.; Adams, D. Cascade multilevel inverters for utility applications. In Proceedings of the IECON’97 23rd International Conference on Industrial Electronics, Control, and Instrumentation (Cat. No. 97CH36066), New Orleans, LA, USA, 14 November 1997; pp. 437–442. [Google Scholar] [CrossRef]
- Escalante, M.F.; Vannier, J.-C.; Arzandé, A. Flying capacitor multilevel inverters and DTC motor drive applications. IEEE Trans. Ind. Electron. 2002, 49, 809–815. [Google Scholar] [CrossRef]
- Yuan, X.; Barbi, I. Fundamentals of a new diode clamping multilevel inverter. IEEE Trans. Power Electron. 2000, 15, 711–718. [Google Scholar] [CrossRef]
- Sumithira, T.; Nirmal Kumar, A. Elimination of harmonics in multilevel inverters connected to solar photovoltaic systems using ANFIS: An experimental case study. J. Appl. Res. Technol. 2013, 11, 124–132. [Google Scholar] [CrossRef]
- Hassan, A.; Yang, X.; Chen, W.; Houran, M.A. A State of the Art of the Multilevel Inverters with Reduced Count Components. Electronics 2020, 9, 1924. [Google Scholar] [CrossRef]
- Rivera, S.; Kouro, S.; Wu, B.; Leon, J.I.; Rodríguez, J.; Franquelo, L. Cascaded H-Bridge Multilevel Converter Multistring Topology for Large Scale Photovoltaic Systems. In Proceedings of the 2011 IEEE International Symposium on Industrial Electronics, Gdansk, Poland, 27–30 June 2011; pp. 1837–1844. [Google Scholar]
- Saeedian, M.; Adabi, J.; Hosseini, S.M. Cascaded multilevel inverter based on symmetric–asymmetric DC sources with reduced number of components. IET Power Electron. 2017, 10, 1468–1478. [Google Scholar] [CrossRef]
- Tolbert, L.M.; Peng, F.Z.; Habetler, T.G. Multilevel inverters for electric vehicle applications. In Proceedings of the Power Electronics in Transportation (Cat. No. 98TH8349), Gdansk, Poland, 27–30 June 2011; pp. 79–84. [Google Scholar]
- Panda, A.K.; Suresh, Y. Research on cascade multilevel inverter with single DC source by using three-phase transformers. Int. J. Electr. Power Energy Syst. 2012, 40, 9–20. [Google Scholar] [CrossRef]
- Meynard, T.; Foch, H. Multi-level conversion: High voltage choppers and voltage-source inverters. In Proceedings of the PESC’92 Record. 23rd Annual IEEE Power Electronics Specialists Conference, Toledo, Spain, 29 June–3 July 1992; pp. 397–403. [Google Scholar]
- Chen, A.; He, X. Research on hybrid-clamped multilevel-inverter topologies. IEEE Trans. Ind. Electron. 2006, 53, 1898–1907. [Google Scholar] [CrossRef]
- Rodriguez, J.; Bernet, S.; Steimer, P.K.; Lizama, I.E. A Survey on Neutral-Point-Clamped Inverters. IEEE Trans. Ind. Electron. 2010, 57, 2219–2230. [Google Scholar] [CrossRef]
- El-Hosainy, A.; Hamed, H.A.; Azazi, H.Z.; El-Kholy, E. A review of multilevel inverter topologies, control techniques, and applications. In Proceedings of the 2017 Nineteenth International Middle East Power Systems Conference (MEPCON), Cairo, Egypt, 19–21 December 2017; pp. 1265–1275. [Google Scholar]
- Balamurugan, C.; Natarajan, S.; Arumugam, M. A review on various multilevel inverter topologies. Glob. J. Adv. Res. 2015, 2, 11. [Google Scholar]
- Vijeh, M.; Rezanejad, M.; Samadaei, E.; Bertilsson, K. A general review of multilevel inverters based on main submodules: Structural point of view. IEEE Trans. Power Electron. 2019, 34, 9479–9502. [Google Scholar] [CrossRef]
- Krishna, R.A.; Suresh, L.P. A brief review on multi level inverter topologies. In Proceedings of the 2016 International Conference on Circuit, Power and Computing Technologies (ICCPCT), Nagercoil, India, 18–19 March 2016; pp. 1–6. [Google Scholar]
- Kieferndorf, F.; Basler, M.; Serpa, L.; Fabian, J.-H.; Coccia, A.; Scheuer, G. A new medium voltage drive system based on ANPC-5L technology. In Proceedings of the 2010 IEEE International Conference on Industrial Technology, Via del Mar, Chile, 14–17 March 2010; pp. 643–649. [Google Scholar]
- Subarnan, J.G. Multilevel inverters: An enabling technology. In Hybrid-Renewable Energy Systems in Microgrids; Elsevier: Amsterdam, The Netherlands, 2018; pp. 61–80. [Google Scholar]
- McGrath, B.P.; Holmes, D.G. Analytical Modelling of Voltage Balance Dynamics for a Flying Capacitor Multilevel Converter. IEEE Trans. Power Electron. 2008, 23, 543–550. [Google Scholar] [CrossRef]
- Suneel, T. Multi Level Inverters: A Review Report. Int. J. New Technol. Sci. Eng. 2014, 1, 82–109. [Google Scholar]
- Deepak, P.C.; Rao, S.N. Cascaded H-Bridge Multilevel Inverter Using Inverted Sine Wave PWM Technique. Int. J. Emerg. Trends Electr. Electron. 2013, 6, 39–44. [Google Scholar]
- Malinowski, M.; Gopakumar, K.; Rodriguez, J.; Pérez, M.A. A Survey on Cascaded Multilevel Inverters. IEEE Trans. Ind. Electron. 2010, 57, 2197–2206. [Google Scholar] [CrossRef]
- Venkataramanaiah, J.; Suresh, Y.; Panda, A.K. A review on symmetric, asymmetric, hybrid and single DC sources based multilevel inverter topologies. Renew. Sustain. Energy Rev. 2017, 76, 788–812. [Google Scholar] [CrossRef]
- Masoudina, F.; Babaei, E.; Sabahi, M.; Alipour, H. New Cascaded Multilevel Inverter With Reduced Power Electronic Components. Iran. J. Electr. Electron. Eng. 2020, 16, 107–113. [Google Scholar]
- Lee, J.; Sim, H.; Kim, J.; Lee, K. Combination Analysis and Switching Method of a Cascaded H-Bridge Multilevel Inverter Based on Transformers With the Different Turns Ratio for Increasing the Voltage Level. IEEE Trans. Ind. Electron. 2018, 65, 4454–4465. [Google Scholar] [CrossRef]
- KJ, P.; Jagadanand, G.; Ramchand, R. A generalized space vector modulation scheme based on a switch matrix for cascaded H-bridge multilevel inverters. J. Power Electron. 2018, 18, 522–532. [Google Scholar]
- Prabaharan, N.; Palanisamy, K. Modeling and analysis of a quasi-linear multilevel inverter for photovoltaic application. Energy Procedia 2016, 103, 256–261. [Google Scholar] [CrossRef]
- Prabaharan, N.; Palanisamy, K. Analysis of cascaded H-bridge multilevel inverter configuration with double level circuit. IET Power Electron. 2017, 10, 1023–1033. [Google Scholar] [CrossRef]
- Shuvo, S.; Hossain, E.; Islam, T.; Akib, A.; Padmanaban, S.; Khan, M.Z.R. Design and hardware implementation considerations of modified multilevel cascaded H-bridge inverter for photovoltaic system. IEEE Access 2019, 7, 16504–16524. [Google Scholar] [CrossRef]
- Kangarlu, M.F.; Babaei, E. Cross-switched multilevel inverter: An innovative topology. IET Power Electron. 2013, 6, 642–651. [Google Scholar] [CrossRef]
- Pozzebon, G.G.; Machado, R.Q.; Buso, S.; Spiazzi, G. A grid-connected multilevel converter for interfacing PV arrays and energy storage devices. In Proceedings of the IECON 2013—39th Annual Conference of the IEEE Industrial Electronics Society, Vienna, Austria, 10–14 November 2013; pp. 6158–6163. [Google Scholar]
- Buticchi, G.; Lorenzani, E.; Franceschini, G. A five-level single-phase grid-connected converter for renewable distributed systems. IEEE Trans. Ind. Electron. 2012, 60, 906–918. [Google Scholar] [CrossRef]
- Balikci, A.; Akpinar, E. A multilevel converter with reduced number of switches in STATCOM for load balancing. Electr. Power Syst. Res. 2015, 123, 164–173. [Google Scholar] [CrossRef]
- Lezana, P.; Rodríguez, J.; Oyarzún, D.A. Cascaded multilevel inverter with regeneration capability and reduced number of switches. IEEE Trans. Ind. Electron. 2008, 55, 1059–1066. [Google Scholar] [CrossRef]
- Babaei, E.; Hosseini, S.H. New cascaded multilevel inverter topology with minimum number of switches. Energy Convers. Manag. 2009, 50, 2761–2767. [Google Scholar] [CrossRef]
- Prabaharan, N.; Palanisamy, K. Comparative analysis of symmetric and asymmetric reduced switch MLI topologies using unipolar pulse width modulation strategies. IET Power Electron. 2016, 9, 2808–2823. [Google Scholar] [CrossRef]
- Natarajan, P.; Palanisamy, K. Investigation of single phase reduced switch count asymmetric multilevel inverter using advanced pulse width modulation technique. Int. J. Renew. Energy Res. 2015, 5, 879–890. [Google Scholar]
- Prabaharan, N.; Arun, V.; Chinnadurai, T.; Arulkumar, K.; Jerin, A.R.A.; Palanisamy, K. Analysis of symmetric multilevel inverter using unipolar pulse width modulation for photovoltaic application. Comptes Rendus De L’academie Bulg. Des Sci. 2018, 71, 252–260. [Google Scholar]
- Bassi, H.M.; Salam, Z. A new hybrid multilevel inverter topology with reduced switch count and dc voltage sources. Energies 2019, 12, 977. [Google Scholar] [CrossRef]
- Prabaharan, N.; Palanisamy, K. A new hybrid asymmetric multilevel inverter with reduced number of switches. In Proceedings of the 2016 IEEE International Conference on Power Electronics, Drives and Energy Systems (PEDES), Trivandrum, India, 14–17 December 2016; pp. 1–4. [Google Scholar]
- Hinago, Y.K.; Hirotaka, K. A single-phase multilevel inverter using switched series/parallel dc voltage sources. IEEE Trans. Ind. Electron. 2010, 57, 2643–2650. [Google Scholar] [CrossRef]
- Prabaharan, N.; Palanisamy, K. A single phase grid connected hybrid multilevel inverter for interfacing photo-voltaic system. Energy Procedia 2016, 103, 250–255. [Google Scholar] [CrossRef]
- Prabaharan, N.; Saravanan, S.; Jerin, A.R.A.; Palanisamy, K. A Reduced Switch Asymmetric Multilevel Inverter Topology Using Unipolar Pulse Width Modulation Strategies for Photovoltaic Application. In Recent Developments on Power Inverters; Intechopen: London, UK, 2017; pp. 29–48. [Google Scholar]
- Gupta, K.K.; Jain, S. A novel multilevel inverter based on switched DC sources. IEEE Trans. Ind. Electron. 2014, 61, 3269–3278. [Google Scholar] [CrossRef]
- Alatai, S.; Salem, M.; Ishak, D.; Kamarol, M.; Jamil, M.; Bughneda, A. Design and Analysis of Five-level cascaded LLC Resonant Converter. In Proceedings of the 2020 IEEE International Conference on Power and Energy (PECon), Penang, Malaysia, 7–8 December 2020; pp. 66–70. [Google Scholar]
- Mahalakshmi, R.; Thampatty, K.S. Grid connected multilevel inverter for renewable energy applications. Procedia Technol. 2015, 21, 636–642. [Google Scholar] [CrossRef]
- Samuel, P.; Gupta, R.; Chandra, D. Grid interface of wind power with large split-winding alternator using cascaded multilevel inverter. IEEE Trans. Energy Convers. 2011, 26, 299–309. [Google Scholar] [CrossRef]
- Debnath, S.; Saeedifard, M. A new hybrid modular multilevel converter for grid connection of large wind turbines. IEEE Trans. Sustain. Energy 2013, 4, 1051–1064. [Google Scholar] [CrossRef]
- Wang, L.; Wu, Q.; Tang, W. Novel cascaded switched-diode multilevel inverter for renewable energy integration. IEEE Trans. Energy Convers. 2017, 32, 1574–1582. [Google Scholar] [CrossRef]
- Parker, M.A.; Ran, L.; Finney, S.J. Distributed Control of a Fault-Tolerant Modular Multilevel Inverter for Direct-Drive Wind Turbine Grid Interfacing. IEEE Trans. Ind. Electron. 2013, 60, 509–522. [Google Scholar] [CrossRef]
- Seyezhai, R.; Mathur, B. Hybrid multilevel inverter using ISPWM technique for fuel cell applications. Int. J. Comput. Appl. 2010, 9, 41–47. [Google Scholar] [CrossRef]
- Rahul, J.R.; Kirubakaran, A.; Vijayakumar, D. A new multilevel DC-DC boost converter for fuel cell based power system. In Proceedings of the 2012 IEEE Students’ Conference on Electrical, Electronics and Computer Science, Bhopal, India, 1–2 March 2012; pp. 1–5. [Google Scholar]
- Seyezhai, R.; Mathur, B. Hybrid cascaded H-bridge multilevel inverter for fuel cell power conditioning systems. In Proceedings of the 2008 43rd International Universities Power Engineering Conference, Padua, Italy, 1–4 September 2008; pp. 1–5. [Google Scholar]
- Singh, R.; Nakka, J. Design, simulation and performance analysis of Fuel Cell based energy system with Cascaded H-Bridge Multilevel Inverter. In Proceedings of the 2016 IEEE 1st International Conference on Power Electronics, Intelligent Control and Energy Systems (ICPEICES), Delhi, India, 4–6 July 2016; pp. 1–6. [Google Scholar]
- Kumar, L.S.; Teja, O.S. Harmonic analysis of diode clamped multilevel inverter base PEM fuel cell energy system. In Proceedings of the 2017 International Conference on Energy, Communication, Data Analytics and Soft Computing (ICECDS), Chennai, India, 1–2 August 2017; pp. 2801–2806. [Google Scholar]
- Cossutta, P.; Aguirre, M.P.; Cao, A.; Raffo, S.; Valla, M.I. Single-stage fuel cell to grid interface with multilevel current-source inverters. IEEE Trans. Ind. Electron. 2015, 62, 5256–5264. [Google Scholar] [CrossRef]
- Maharjan, L.; Yamagishi, T.; Akagi, H.; Asakura, J. Fault-tolerant operation of a battery-energy-storage system based on a multilevel cascade PWM converter with star configuration. IEEE Trans. Power Electron. 2010, 25, 2386–2396. [Google Scholar] [CrossRef]
- Maharjan, L.; Yamagishi, T.; Akagi, H. Active-Power Control of Individual Converter Cells for a Battery Energy Storage System Based on a Multilevel Cascade PWM Converter. IEEE Trans. Power Electron. 2012, 27, 1099–1107. [Google Scholar] [CrossRef]
- Zheng, Z.; Wang, K.; Xu, L.; Li, Y. A Hybrid Cascaded Multilevel Converter for Battery Energy Management Applied in Electric Vehicles. IEEE Trans. Power Electron. 2014, 29, 3537–3546. [Google Scholar] [CrossRef]
- Quraan, M.; Yeo, T.; Tricoli, P. Design and Control of Modular Multilevel Converters for Battery Electric Vehicles. IEEE Trans. Power Electron. 2016, 31, 507–517. [Google Scholar] [CrossRef]
- Quraan, M.; Tricoli, P.; D’Arco, S.; Piegari, L. Efficiency Assessment of Modular Multilevel Converters for Battery Electric Vehicles. IEEE Trans. Power Electron. 2017, 32, 2041–2051. [Google Scholar] [CrossRef]
- Gadalla, A.S.; Yan, X.; Hasabelrasul, H. Performance of the battery energy storage systems based on cascaded H-bridge multilevel converter. J. Eng. 2019, 2019, 779–783. [Google Scholar] [CrossRef]
- Gao, Z.; Lu, Q. A Hybrid Cascaded Multilevel Converter Based on Three-Level Cells for Battery Energy Management Applied in Electric Vehicles. IEEE Trans. Power Electron. 2019, 34, 7326–7349. [Google Scholar] [CrossRef]
- Diong, B.; Basireddy, S.; Corzine, K.; Familiant, Y. Multilevel inverters with equal or unequal sources for dual-frequency induction heating. In Proceedings of the Nineteenth Annual IEEE Applied Power Electronics Conference and Exposition, Anaheim, CA, USA, 22–26 February 2004; pp. 825–831. [Google Scholar]
- Qingfeng, L.; Huamin, W.; Zhaoxia, L. Discuss on the application of multilevel inverter in high frequency induction heating power supply. In Proceedings of the TENCON 2006–2006 IEEE Region 10 Conference, Hong Kong, China, 14–17 November 2006; pp. 1–4. [Google Scholar]
- Flayyih, B.M.; Ahmed, M.Z.; Ambroze, M. A novel hybrid votage-current fed induction heating power supply system using multilevel neutral point clamped inverter. In Proceedings of the 2014 IEEE International Energy Conference (ENERGYCON), Cavtat, Croatia, 13–16 May 2014; pp. 189–194. [Google Scholar]
- Flayyih, B.M.; Ahmed, M.Z.; Ambroze, M. An Optimum Harmonic Control of induction heating power supply system using multilevel neutral point clamped inverter. In Proceedings of the 2016 IEEE Transportation Electrification Conference and Expo, Asia-Pacific (ITEC Asia-Pacific), Busan, Korea, 1–4 June 2016; pp. 531–536. [Google Scholar]
- Yue, Y.; Xu, Q.; Luo, A.; Guo, P.; He, Z.; Li, Y. Analysis and control of tundish induction heating power supply using modular multilevel converter. IET Gener. Transm. Distrib. 2018, 12, 3452–3460. [Google Scholar] [CrossRef]
- Flayyih, B.M.; Ahmed, M.Z.; MacVeigh, S. A comprehensive power analysis of induction heating power supply system using multilevel neutral point clamped inverter with optimum control algorithm. In Proceedings of the 2015 IEEE 11th International Conference on Power Electronics and Drive Systems, Sydney, NSW, Australia, 9–12 June 2015; pp. 727–731. [Google Scholar]
- Gopi, R.R.; Sreejith, S. Converter topologies in photovoltaic applications–A review. Renew. Sustain. Energy Rev. 2018, 94, 1–14. [Google Scholar] [CrossRef]
- Bhatnagar, P.; Nema, R. Maximum power point tracking control techniques: State-of-the-art in photovoltaic applications. Renew. Sustain. Energy Rev. 2013, 23, 224–241. [Google Scholar] [CrossRef]
- Kamarzaman, N.A.; Tan, C.W. A comprehensive review of maximum power point tracking algorithms for photovoltaic systems. Renew. Sustain. Energy Rev. 2014, 37, 585–598. [Google Scholar] [CrossRef]
- Ahmad, R.; Murtaza, A.F.; Sher, H.A. Power tracking techniques for efficient operation of photovoltaic array in solar applications–A review. Renew. Sustain. Energy Rev. 2019, 101, 82–102. [Google Scholar] [CrossRef]
- Femia, N.; Petrone, G.; Spagnuolo, G.; Vitelli, M. A technique for improving P&O MPPT performances of double-stage grid-connected photovoltaic systems. IEEE Trans. Ind. Electron. 2009, 56, 4473–4482. [Google Scholar]
- Brambilla, A.; Gambarara, M.; Garutti, A.; Ronchi, F. New approach to photovoltaic arrays maximum power point tracking. In Proceedings of the 30th Annual IEEE Power Electronics Specialists Conference. Record.(Cat. No. 99CH36321), Charleston, SC, USA, 1 July 1999; pp. 632–637. [Google Scholar]
- Elgendy, M.A.; Zahawi, B.; Atkinson, D.J. Assessment of the incremental conductance maximum power point tracking algorithm. IEEE Trans. Sustain. Energy 2012, 4, 108–117. [Google Scholar] [CrossRef]
- Xiao, W.; Dunford, W.G. A modified adaptive hill climbing MPPT method for photovoltaic power systems. In Proceedings of the 2004 IEEE 35th Annual Power Electronics Specialists Conference (IEEE Cat. No. 04CH37551), Aachen, Germany, 20–25 June 2004; pp. 1957–1963. [Google Scholar]
- Miyatake, M.; Veerachary, M.; Toriumi, F.; Fujii, N.; Ko, H. Maximum power point tracking of multiple photovoltaic arrays: A PSO approach. IEEE Trans. Aerosp. Electron. Syst. 2011, 47, 367–380. [Google Scholar] [CrossRef]
- Ahmed, J.; Salam, Z. A critical evaluation on maximum power point tracking methods for partial shading in PV systems. Renew. Sustain. Energy Rev. 2015, 47, 933–953. [Google Scholar] [CrossRef]
- Dounis, A.I.; Kofinas, P.; Alafodimos, C.; Tseles, D. Adaptive fuzzy gain scheduling PID controller for maximum power point tracking of photovoltaic system. Renew. Energy 2013, 60, 202–214. [Google Scholar] [CrossRef]
- Messalti, S.; Harrag, A.; Loukriz, A. A new variable step size neural networks MPPT controller: Review, simulation and hardware implementation. Renew. Sustain. Energy Rev. 2017, 68, 221–233. [Google Scholar] [CrossRef]
- Hadji, S.; Gaubert, J.-P.; Krim, F. Theoretical and experimental analysis of genetic algorithms based MPPT for PV systems. Energy Procedia 2015, 74, 772–787. [Google Scholar] [CrossRef]
- Liu, Y.-H.; Huang, S.-C.; Huang, J.-W.; Liang, W.-C. A particle swarm optimization-based maximum power point tracking algorithm for PV systems operating under partially shaded conditions. IEEE Trans. Energy Convers. 2012, 27, 1027–1035. [Google Scholar] [CrossRef]
- Ishaque, K.; Salam, Z.; Taheri, H.; Shamsudin, A. A critical evaluation of EA computational methods for Photovoltaic cell parameter extraction based on two diode model. Sol. Energy 2011, 85, 1768–1779. [Google Scholar] [CrossRef]
- Lian, K.; Jhang, J.; Tian, I. A maximum power point tracking method based on perturb-and-observe combined with particle swarm optimization. IEEE J. Photovolt. 2014, 4, 626–633. [Google Scholar] [CrossRef]
- Yüksek, G.; Mete, A.N. A hybrid variable step size MPPT method based on P&O and INC methods. In Proceedings of the 2017 10th International Conference on Electrical and Electronics Engineering (ELECO), Bursa, Turkey, 30 November–2 December 2017; pp. 949–953. [Google Scholar]
- Jiang, L.L.; Nayanasiri, D.; Maskell, D.L.; Vilathgamuwa, D. A hybrid maximum power point tracking for partially shaded photovoltaic systems in the tropics. Renew. Energy 2015, 76, 53–65. [Google Scholar] [CrossRef]
- Karatepe, E.; Hiyama, T. Artificial neural network-polar coordinated fuzzy controller based maximum power point tracking control under partially shaded conditions. IET Renew. Power Gener. 2009, 3, 239–253. [Google Scholar]
- Lashab, A.; Sera, D.; Martins, J.; Guerrero, J.M. Multilevel DC-link converter-based photovoltaic system with integrated energy storage. In Proceedings of the 2018 5th International Symposium on Environment-Friendly Energies and Applications (EFEA), Rome, Italy, 24–26 September 2018; pp. 1–6. [Google Scholar]
- Zhao, W.; Choi, H.; Konstantinou, G.; Ciobotaru, M.; Agelidis, V.G. Cascaded H-bridge multilevel converter for large-scale PV grid-integration with isolated DC-DC stage. In Proceedings of the 2012 3rd IEEE International Symposium on Power Electronics for Distributed Generation Systems (PEDG), Aalborg, Denmark, 25–28 June 2012; pp. 849–856. [Google Scholar]
- Jain, S.; Sonti, V. A Highly Efficient and Reliable Inverter Configuration Based Cascaded Multilevel Inverter for PV Systems. IEEE Trans. Ind. Electron. 2017, 64, 2865–2875. [Google Scholar] [CrossRef]
- Lashab, A.; Sera, D.; Hahn, F.; Camurca, L.; Terriche, Y.; Liserre, M.; Guerrero, J.M. Cascaded Multilevel PV Inverter with Improved Harmonic Performance during Power Imbalance Between Power Cells. IEEE Trans. Ind. Appl. 2020, 56, 2788–2798. [Google Scholar] [CrossRef]
- Shen, K.; Zhao, D.; Zhao, G.; Wang, S. Photovoltaic supplied grid-connected modular multilevel converter with active power injection and reactive power compensation capability. In Proceedings of the IECON 2017–43rd Annual Conference of the IEEE Industrial Electronics Society, Beijing, China, 29 October–1 November 2017; pp. 7837–7842. [Google Scholar]
- Behera, R.R.; Thakur, A.N. Hybrid modular multilevel converter based single-phase Grid connected photovoltaic system. Int. J. Renew. Energy Res. 2017, 7, 1245–1249. [Google Scholar]
- Bettawar, P.A.; Punam, S.R. A Comparative Study of Different Multilevel Converter Topologies for High Power Photovoltaic Applications. In Proceedings of the the 2016 7th Power Electronics and Drive Systems Technologies Conference (PEDSTC), Tehran, Iran, 16–18 February 2016. [Google Scholar]
- Jiang, X.; Doumbia, M.L. Comparative Study of Grid-Connected Multilevel Inverters for High Power Phtovoltaic Systems. In Proceedings of the IEEE 7th International Conference on Smart Energy Grid Engineering (SEGE), Oshawa, ON, Canada, 12–14 August 2019; pp. 184–190. [Google Scholar]
- Vahedi, H.; Sharifzadeh, M.; Al-Haddad, K. Modified seven-level pack U-cell inverter for photovoltaic applications. IEEE J. Emerg. Sel. Top. Power Electron. 2018, 6, 1508–1516. [Google Scholar] [CrossRef]
- Abdoli, H.; Khorsandi, A.; Eskandari, B.; Moghani, J.S. A new reduced switch multilevel inverter for pv applications. In Proceedings of the 11th Power Electronics, Drive Systems, and Technologies Conference (PEDSTC), Tehran, Iran, 4–6 February 2020; pp. 1–5. [Google Scholar]
- Hamidi, M.N.; Ishak, D.; Zainuri, M.A.A.M.; Ooi, C.A. An asymmetrical multilevel inverter with optimum number of components based on new basic structure for photovoltaic renewable energy system. Sol. Energy 2020, 204, 13–25. [Google Scholar] [CrossRef]
- Agrawal, R.; Jain, S. Comparison of reduced part count multilevel inverters (RPC-MLIs) for integration to the grid. Int. J. Electr. Power Energy Syst. 2017, 84, 214–224. [Google Scholar] [CrossRef]
- Xiao, B.; Tolbert, L.M. Efficiency improved and current balanced three-phase modular cascaded H-bridge multilevel PV inverter for grid-connected applications. In Proceedings of the 2014 IEEE Energy Conversion Congress and Exposition (ECCE), Pittsburgh, PA, USA, 14–18 September 2014; pp. 4661–4669. [Google Scholar] [CrossRef]
- Bana, P.R.; Panda, K.P.; Naayagi, R.; Siano, P.; Panda, G. Recently developed reduced switch multilevel inverter for renewable energy integration and drives application: Topologies, comprehensive analysis and comparative evaluation. IEEE Access 2019, 7, 54888–54909. [Google Scholar] [CrossRef]
- Alhamrouni, I.; Rahmat, M.K.; Ismail, F.A.; Salem, M.; Jusoh, A.; Sutikno, T. Design and development of SEPIC DC-DC boost converter for photovoltaic application. Int. J. Pow. Elec. Dri. Syst. 2019, 1, 406–413. [Google Scholar] [CrossRef]
- Basu, T.S.; Maiti, S. A hybrid modular multilevel converter for solar power integration. IEEE Trans. Ind. Appl. 2019, 55, 5166–5177. [Google Scholar] [CrossRef]
- Mahfuz-Ur-Rahman, A.; Islam, M.R.; Muttaqi, K.M.; Sutanto, D. Model Predictive Control for a New Magnetic Linked Multilevel Inverter to Integrate Solar Photovoltaic Systems With the Power Grids. IEEE Trans. Ind. Appl. 2020, 56, 7145–7155. [Google Scholar] [CrossRef]
- Bana, P.R.; Panda, K.P.; Padmanaban, S.; Mihet-Popa, L.; Panda, G.; Wu, J. Closed-loop control and performance evaluation of reduced part count multilevel inverter interfacing grid-connected PV system. IEEE Access 2020, 8, 75691–75701. [Google Scholar] [CrossRef]
- Taghvaie, A.; Haque, M.E.; Saha, S.; Mahmud, M.A. A new step-up switched-capacitor voltage balancing converter for NPC multilevel inverter-based solar PV system. IEEE Access 2020, 8, 83940–83952. [Google Scholar] [CrossRef]
- Tayari, M.; Guermazi, A.; Ghariani, M. Cascaded Multilevel Inverter for PV-Active Power Filter Combination into the Grid-Tied Solar System. Int. J. Renew. Energy Res. 2020, 10, 1810–1819. [Google Scholar]
- Keddar, M.; Doumbia, M.L.; Della, M.; Belmokhtar, K.; Midoun, A. Interconnection Performance Analysis of Single Phase Neural Network Based NPC and CHB Multilevel Inverters for Grid-connected PV Systems. Int. J. Renew. Energy Res. 2019, 9, 1451–1461. [Google Scholar]
- Sharma, B.; Nakka, J. Single-phase cascaded multilevel inverter topology addressed with the problem of unequal photovoltaic power distribution in isolated dc links. IET Power Electron. 2018, 12, 284–294. [Google Scholar] [CrossRef]
- Xiao, B.; Hang, L.; Mei, J.; Riley, C.; Tolbert, L.M.; Ozpineci, B. Modular cascaded H-bridge multilevel PV inverter with distributed MPPT for grid-connected applications. IEEE Trans. Ind. Appl. 2014, 51, 1722–1731. [Google Scholar] [CrossRef]
- Kumar, A.; Verma, V. Performance enhancement of single-phase grid-connected PV system under partial shading using cascaded multilevel converter. IEEE Trans. Ind. Appl. 2018, 54, 2665–2676. [Google Scholar] [CrossRef]
- Karthikeyan, D.; Vijayakumar, K.; Sathik, J. Generalized cascaded symmetric and level doubling multilevel converter topology with reduced THD for photovoltaic applications. Electronics 2019, 8, 161. [Google Scholar]
- Kadam, A.; Shukla, A. A multilevel transformerless inverter employing ground connection between PV negative terminal and grid neutral point. IEEE Trans. Ind. Electron. 2017, 64, 8897–8907. [Google Scholar] [CrossRef]
- Xiao, H.F.; Liu, X.P.; Lan, K. Zero-voltage-transition full-bridge topologies for transformerless photovoltaic grid-connected inverter. IEEE Trans. Ind. Electron. 2014, 61, 5393–5401. [Google Scholar] [CrossRef]
- Ji, B.; Wang, J.; Zhao, J. High-efficiency single-phase transformerless PV H6 inverter with hybrid modulation method. IEEE Trans. Ind. Electron. 2013, 60, 2104–2115. [Google Scholar] [CrossRef]
- Guo, X.; Jia, X. Hardware-based cascaded topology and modulation strategy with leakage current reduction for transformerless PV systems. IEEE Trans. Ind. Electron. 2016, 63, 7823–7832. [Google Scholar] [CrossRef]
- Kukade, P.; Sonti, V.; Jain, S. A cascaded HERIC based multilevel inverter for reducing leakage current in the PV applications. In Proceedings of the IECON -43rd Annual Conference of the IEEE Industrial Electronics Society, Beijing, China, 29 October–1 November 2017; pp. 4203–4208. [Google Scholar]
- Valderrama, G.E.; Guzman, G.V.; Pool-Mazún, E.I..; Martinez-Rodriguez, P.R.; Lopez-Sanchez, M.J.; Zuñiga, J.M.S. A single-phase asymmetrical T-type five-level transformerless PV inverter. IEEE J. Emerg. Sel. Top. Power Electron. 2018, 6, 140–150. [Google Scholar] [CrossRef]
- Grigoletto, F.B. Five-level transformerless inverter for single-phase solar photovoltaic applications. IEEE J. Emerg. Sel. Top. Power Electron. 2019, 8, 3411–3422. [Google Scholar] [CrossRef]
- Shaffer, B.; Hassan, H.A.; Scott, M.J.; Hasan, S.U.; Town, G.E.; Siwakoti, Y. A common-ground single-phase five-level transformerless boost inverter for photovoltaic applications. In Proceedings of the IEEE Applied Power Electronics Conference and Exposition (APEC), San Antonio, TX, USA, 4–8 March 2018; pp. 368–374. [Google Scholar]
- Li, W.; Gu, Y.; Luo, H.; Cui, W.; He, X.; Xia, C. Topology review and derivation methodology of single-phase transformerless photovoltaic inverters for leakage current suppression. IEEE Trans. Ind. Electron. 2015, 62, 4537–4551. [Google Scholar] [CrossRef]
- Yue, X.; Wang, H.; Zhu, X.; Wei, X.; Liu, Y.-F. A Topology Synthetization Method for Single-Phase, Full-Bridge, Transformerless Inverter with Leakage Current Suppression—Part II. Energies 2020, 13, 446. [Google Scholar] [CrossRef]
- Sonti, V.; Dhara, S.; Kukade, P.; Jain, S.; Agarwal, V. Analysis for the minimization of leakage and common mode currents in cascaded half-bridge PV fed multilevel inverter. IEEE J. Emerg. Sel. Top. Power Electron. 2018, 7, 2443–2452. [Google Scholar] [CrossRef]
- Zhu, X.; Wang, H.; Sun, R.; Wang, H.; Zhang, W.; Deng, X.; Yue, X. Leakage Current Suppression of Single-Phase Five-Level Inverter for Transformer-less PV System. IEEE Trans. Ind. Electron. 2020. [CrossRef]
- Venkatramanan, D.; John, V. A modified common-mode filter with enhanced attenuation performance in single-phase grid-tied solar pv inverters. In Proceedings of the IEEE International Conference on Power Electronics, Smart Grid and Renewable Energy (PESGRE2020), Cochin, India, 2–4 January 2020; pp. 1–6. [Google Scholar]
- Jebaselvi, G.A.; Paramasivam, S. Analysis on renewable energy systems. Renew. Sustain. Energy Rev. 2013, 28, 625–634. [Google Scholar] [CrossRef]
- Kurtoğlu, M.; Eroğlu, F.; Arslan, A.O.; Vural, A.M. Recent contributions and future prospects of the modular multilevel converters: A comprehensive review. Int. Trans. Electr. Energy Syst. 2019, 29, e2763. [Google Scholar] [CrossRef]
- Zhang, L.; Zou, Y.; Yu, J.; Qin, J.; Vittal, V.; Karady, G.G.; Shi, D.; Wang, Z. Modeling, control, and protection of modular multilevel converter-based multi-terminal HVDC systems: A review. CSEE J. Power Energy Syst. 2017, 3, 340–352. [Google Scholar] [CrossRef]
- Huang, J.; Yang, B.; Guo, F.; Wang, Z.; Tong, X.; Zhang, A.; Xiao, J. Priority Sorting Approach for Modular Multilevel Converter Based on Simplified Model Predictive Control. IEEE Trans. Ind. Electron. 2018, 65, 4819–4830. [Google Scholar] [CrossRef]
- Priya, M.; Ponnambalam, P.; Muralikumar, K. Modular-multilevel converter topologies and applications–a review. IET Power Electron. 2018, 12, 170–183. [Google Scholar] [CrossRef]
- Mao, M.; Cui, L.; Zhang, Q.; Guo, K.; Zhou, L.; Huang, H. Classification and summarization of solar photovoltaic MPPT techniques: A review based on traditional and intelligent control strategies. Energy Rep. 2020, 6, 1312–1327. [Google Scholar] [CrossRef]








| Types of MLI | Advantages | Disadvantages |
|---|---|---|
| DC-MLI [18,35,41,55,57,58,59,60,61] |
|
|
| FC-MLI [22,35,41,57,59,62,63] |
|
|
| CHB-MLI [22,23,59,64,65,66,67] |
|
|
| Ref. | Inverter Type | Voltage Level | MPPT | No. of Switches | THD |
|---|---|---|---|---|---|
| [148] | Nine-Level Active Neutral Point Clamp Inverter | 9 | Predictive Control Technique | 10 | 13.99% |
| [149] | Voltage Level Boost (VLB) MLI | 15 | Distributed Maximum Power Point Tracking (DMPPT) Control. | 10 | 5.54% |
| [150] | Neutral-Point-Clamped (NPC) Multilevel Inverter | 4 | Incremental Conductance MPPT Algorithm | 11 | 4.61% |
| [151] | Cascaded Multilevel Inverter (CHB) | 17 | Perturbation-Observation (P&O) | 3.23% | |
| [152] | Neutral-Point-Clamped Multilevel Inverter (NPC) | 5 | Artificial Neural Network (ANN) | 6 | 2.35% |
| [152] | Cascaded Multilevel Inverter (CHB) | 5 | Artificial Neural Network (ANN) | 8 | 2.75% |
| [135] | Cascaded Multilevel Inverter (CHB) | 7 | Perturb and Observe (P&O) | 24 (6H) | 10.75% |
| [153] | Cascaded Multilevel Inverter (CHB) | 5 | Perturb and Observe (P&O) | 8 | 3.2% |
| [154] | Modular Cascaded H-Bridge Multilevel inverter (MMC) | 7 | Distributed MPPT Control Scheme | 12 per phase | 4.2% |
| [140] | Modified Cascaded Multilevel Inverter | 7 | Perturb and Observe (P&O) | 6 | 3.1% |
| [155] | Cascaded H-Bridge Multilevel inverter | 7 | Distributed Maximum Point Tracking (DMPPT) | 12 | 3.3% |
| [156] | Modified Cascaded Multilevel Inverter | 7 | Perturb and Observe (P&O) | 6 | 11.81% |
Publisher’s Note: MDPI stays neutral with regard to jurisdictional claims in published maps and institutional affiliations. |
© 2021 by the authors. Licensee MDPI, Basel, Switzerland. This article is an open access article distributed under the terms and conditions of the Creative Commons Attribution (CC BY) license (http://creativecommons.org/licenses/by/4.0/).
Share and Cite
Bughneda, A.; Salem, M.; Richelli, A.; Ishak, D.; Alatai, S. Review of Multilevel Inverters for PV Energy System Applications. Energies 2021, 14, 1585. https://doi.org/10.3390/en14061585
Bughneda A, Salem M, Richelli A, Ishak D, Alatai S. Review of Multilevel Inverters for PV Energy System Applications. Energies. 2021; 14(6):1585. https://doi.org/10.3390/en14061585
Chicago/Turabian StyleBughneda, Ali, Mohamed Salem, Anna Richelli, Dahaman Ishak, and Salah Alatai. 2021. "Review of Multilevel Inverters for PV Energy System Applications" Energies 14, no. 6: 1585. https://doi.org/10.3390/en14061585
APA StyleBughneda, A., Salem, M., Richelli, A., Ishak, D., & Alatai, S. (2021). Review of Multilevel Inverters for PV Energy System Applications. Energies, 14(6), 1585. https://doi.org/10.3390/en14061585

