Free Switching Control Strategy for Multi-Operation Modes of Multi-Port Energy Router in Distribution Area
Abstract
:1. Introduction
2. Multi-Port ER
2.1. High-Voltage Side Topology
2.2. Low-Voltage Side Topology
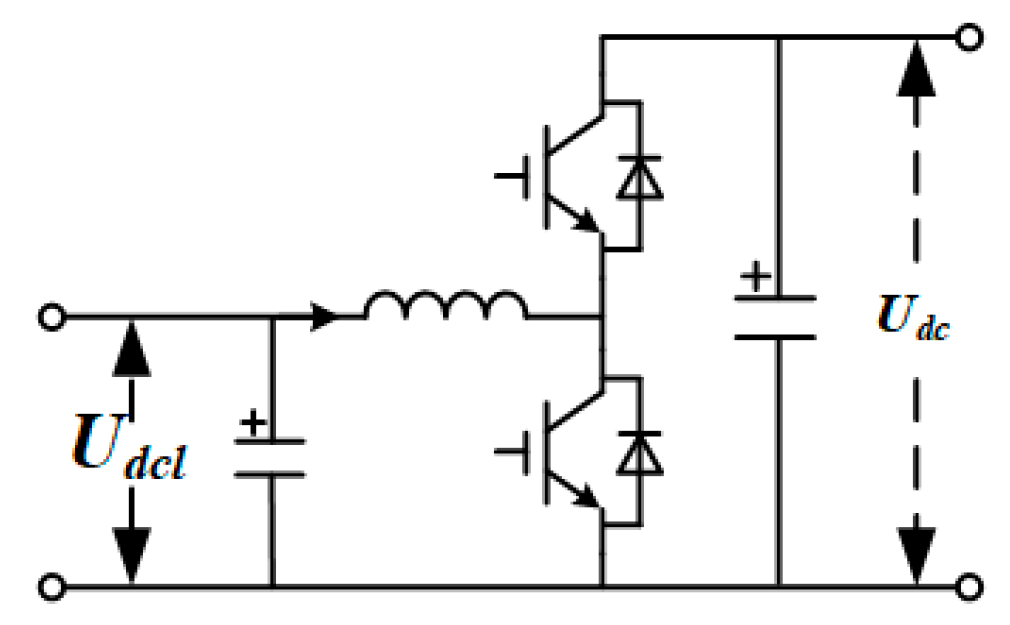
2.2.1. DC/DC Converter
2.2.2. DC/AC Converter
3. Operation Modes of Distribution Area
3.1. Grid-Connected Operation Mode
3.2. Grid Support Operation Mode
3.3. New Energy Feed Operation Mode
3.4. Isolated Operation Mode
4. Control Strategy
4.1. Control Strategy of DC/DC Converter
4.2. Free Switching Control Strategy for High-Voltage Side
5. Simulation and Experimental Results
5.1. Simulation Results
5.1.1. Single Mode Simulation Results
5.1.2. Simulation Results of Free Switching Control Strategy
5.1.3. Simulation Results for Performance Comparison
5.2. Experimental Results
5.2.1. Single Mode Experimental Results
5.2.2. Experimental Results of Free Switching Control Strategy
5.2.3. Experimental Results for Performance Comparison
6. Conclusions
Author Contributions
Funding
Data Availability Statement
Conflicts of Interest
References
- Razi, R.; Pham, M.-C.; Hably, A.; Bacha, S.; Tran, Q.-T.; Iman-Enin, H. A Novel Graph-Based Routing Algorithm in Residential Multimicrogrid System. IEEE Trans. Ind. Inform. 2021, 17, 1774–1784. [Google Scholar]
- Shi, X.; Xu, Y.; Sun, H. A Biased Min-Consensus-Based Approach for Optimal Power Transaction in Multi-Energy-Router System. IEEE Trans. Sustain. Energy 2020, 11, 217–228. [Google Scholar] [CrossRef]
- Li, P.; Sheng, W.; Duan, Q.; Li, Z.; Zhu, C.; Zhang, X. A Lyapunov Optimization-Based Energy Management Strategy for Energy Hub with Energy Router. IEEE Trans. Smart Grid 2020, 11, 4860–4870. [Google Scholar] [CrossRef]
- Matko, V.; Brezovec, B. Improved Data Center Energy Efficiency and Availability with Multilayer Node Event Processing. Energies 2018, 11, 2478. [Google Scholar] [CrossRef] [Green Version]
- Hussain, S.M.S.; Aftab, M.A.; Nadeem, F.; Ali, I.; Ustun, T.S. Optimal Energy Routing in Microgrids with IEC 61850 Based Energy Routers. IEEE Trans. Ind. Electron. 2019, 67, 5161–5169. [Google Scholar] [CrossRef]
- Guo, H.; Wang, F.; Li, L.; Zhang, L.; Luo, J. A Minimum Loss Routing Algorithm Based on Real-Time Transaction in Energy Internet. IEEE Trans. Ind. Inform. 2019, 15, 6446–6456. [Google Scholar] [CrossRef]
- Naseem, N.; Cha, H. Quad-Active-Bridge Converter with Current Balancing Coupled Inductor for SST Application. IEEE Trans. Power Electron. 2021, 36, 12528–12539. [Google Scholar] [CrossRef]
- Yun, C.G.; Cho, Y. Active Hybrid Solid State Transformer Based on Multi-Level Converter Using SiC MOSFET. Energies 2019, 12, 66. [Google Scholar] [CrossRef] [Green Version]
- Roasto, I.; Husev, O.; Najafzadeh, M.; Jalakas, T.; Rodriguez, J. Voltage Source Operation of the Energy-Router Based on Model Predictive Control. Energies 2019, 12, 1892. [Google Scholar] [CrossRef] [Green Version]
- Zhao, T.; Jie, Z.; Bhattacharya, S.; Baran, M.; Huang, A. An Average Model of Solid State Transformer for Dynamic System Simulation. In Proceedings of the 2009 IEEE Power & Energy Society General Meeting, Calgary, AB, Canada, 26–30 July 2009. [Google Scholar]
- Li, J.; Cai, H.; Yang, P.; Wei, W. A Bus-Sectionalized Hybrid AC/DC Microgrid: Concept, Control Paradigm, and Implementation. Energies 2021, 14, 3508. [Google Scholar] [CrossRef]
- Chen, Y.; Wang, P.; Elasser, Y.; Chen, M. Multicell Reconfigurable Multi-Input Multi-Output Energy Router Architecture. IEEE Trans. Power Electron. 2020, 35, 13210–13224. [Google Scholar] [CrossRef]
- Wu, T.; Zhao, C.; Zhang, Y. Distributed AC-DC Optimal Power Dispatch of VSC-Based Energy Routers in Smart Microgrids. IEEE Trans. Power Syst. 2021, 36, 4457–4470. [Google Scholar] [CrossRef]
- Guo, H.; Wang, F.; Zhang, L.; Luo, J. A Hierarchical Optimization Strategy of the Energy Router-Based Energy Internet. IEEE Trans. Power Syst. 2019, 34, 4177–4185. [Google Scholar] [CrossRef]
- Tu, C.; Xiao, F.; Lan, Z.; Guo, Q.; Shuai, Z. Analysis and Control of a Novel Modular-Based Energy Router for DC Microgrid Cluster. IEEE J. Emerg. Sel. Topics Power Electron. 2019, 7, 331–342. [Google Scholar] [CrossRef]
- Zhao, G.; Jiang, C.; Liu, J. Research on the System and Control Strategy of an AC-DC Hybrid Single-Phase Electric Energy Router. Electronics 2019, 8, 970. [Google Scholar] [CrossRef] [Green Version]
- Sheng, W.; Liu, H.; Zeng, Z.; Lv, Z.; Tan, Q.; Duan, Q.; Ran, L. An Energy HUB Based on Virtual-Machine Control. Proc. CSEE 2015, 35, 3541–3550. [Google Scholar]
- Wang, J.; Jin, C.; Wang, P. A Uniform Control Strategy for the Interlinking Converter in Hierarchical Controlled Hybrid AC/DC Microgrids. IEEE Trans. Ind. Electron. 2018, 65, 6188–6197. [Google Scholar] [CrossRef]
- Xia, Y.; Wei, W.; Yu, M.; Wang, X.; Peng, Y. Power Management for a Hybrid AC/DC Microgrid with Multiple Subgrids. IEEE Trans. Power Electron. 2017, 33, 3520–3533. [Google Scholar] [CrossRef]
- Saleh, M.; Esa, Y.; Mohamed, A. Communication-Based Control for DC Microgrids. IEEE Trans. Smart Grid 2018, 10, 2180–2195. [Google Scholar] [CrossRef] [Green Version]
- Chen, D.; Xu, L.; Yao, L. DC Voltage Variation Based Autonomous Control of DC Microgrids. IEEE Trans. Power Del. 2013, 28, 637–648. [Google Scholar] [CrossRef]
- Nguyen, T.H.; Van, T.L.; Nawaz, A.; Natsheh, A. Feedback Linearization-Based Control Strategy for Interlinking Inverters of Hybrid AC/DC Microgrids with Seamless Operation Mode Transition. Energies 2021, 14, 5613. [Google Scholar] [CrossRef]
- Liu, B.; Wu, W.; Zhou, C.; Mao, C.; Wang, D.; Duan, Q.; Sha, G. An AC–DC Hybrid Multi-Port Energy Router with Coordinated Control and Energy Management Strategies. IEEE Access 2019, 7, 109069–109082. [Google Scholar] [CrossRef]
- Liu, G.; Caldognetto, T.; Mattavelli, P.; Magnone, P. Power-Based Droop Control in DC Microgrids Enabling Seamless Disconnection from Upstream Grids. IEEE Trans. Power Electron. 2018, 34, 2039–2051. [Google Scholar] [CrossRef] [Green Version]
- Messo, T.; Jokipii, J.; Puukko, J.; Suntio, T. Determining the Value of DC-Link Capacitance to Ensure Stable Operation of a Three-Phase Photovoltaic Inverter. IEEE Trans. Power Electron. 2014, 29, 665–673. [Google Scholar] [CrossRef]
- Geng, Y.; Yun, Y.; Chen, R.; Wang, K.; Bai, H.; Wu, X. Parameters Design and Optimization for LC-Type Off-Grid Inverters with Inductor-Current Feedback Active Damping. IEEE Trans. Power Electron. 2018, 33, 703–715. [Google Scholar] [CrossRef]
- Zhong, Q.; Weiss, G. Synchronverters: Inverters That Mimic Synchronous Generators. IEEE Trans. Ind. Electron. 2011, 58, 1259–1267. [Google Scholar] [CrossRef]
- Wu, H.; Ruan, X.; Yang, D.; Chen, X.; Zhao, W.; Lv, Z.; Zhong, Q. Small-Signal Modeling and Parameters Design for Virtual Synchronous Generators. IEEE Trans. Ind. Electron. 2016, 63, 4292–4303. [Google Scholar] [CrossRef]
- Gao, H.; Zhang, G.; Wang, W.; Liu, X. Research on an Improved Sliding Mode Sensorless Six-Phase PMSM Control Strategy Based on ESO. Electronics 2021, 10, 1292. [Google Scholar] [CrossRef]
- Han, J. From PID to Active Disturbance Rejection Control. IEEE Trans. Ind. Electron. 2009, 56, 900–906. [Google Scholar] [CrossRef]
- Li, J.; Qi, X.; Xia, Y.; Gao, Z. On Linear/Nonlinear Active Disturbance Rejection Switching Control. Acta Autom. Sin. 2016, 42, 202–212. [Google Scholar]
- Chen, Q.; Pan, Y.; Ji, Y.; Wang, J.; Yang, N. Power Electronic Transformer Based on LLC Resonant Converter. In Proceedings of the 2014 9th IEEE Conference on Industrial Electronics and Applications, Hangzhou, China, 9–11 June 2014; pp. 1543–1548. [Google Scholar]
- Wei, X.; Xie, Y.; Lu, Y.; Liu, P.; Yue, F. Control Strategy of Cascaded Power Electronic Transformer for Island Distribution Networks. High Volt. Eng. 2021, 47, 917–926. [Google Scholar]
- Rouhani, M.; Kish, G.J. Multiport DC–DC–AC Modular Multilevel Converters for Hybrid AC/DC Power Systems. IEEE Trans. Power Del. 2020, 35, 408–419. [Google Scholar] [CrossRef]
- Li, X.; Li, G.; Li, Y.; Guo, Z.; Hong, C.; Zhang, Y.; Wang, C. A Unified Control for the DC–AC Interlinking Converters in Hybrid AC/DC Microgrids. IEEE Trans. Smart Grid 2018, 9, 6540–6553. [Google Scholar] [CrossRef]
- Wang, C.; Li, X.; Guo, L.; Li, Y.W. A Nonlinear-Disturbance-Observer-Based DC-Bus Voltage Control for a Hybrid AC/DC Microgrid. IEEE Trans. Power Electron. 2014, 29, 6162–6177. [Google Scholar] [CrossRef]
























| Parameter | Value |
|---|---|
| Rated voltage of medium-voltage DC bus Udc | 750 V |
| Rated voltage of low-voltage AC bus u(t) | 220 V |
| Grid voltage E(t) | 10 kV |
| Filter inductor on low-voltage AC side | 3 mH |
| Filter capacitance of low-voltage AC side | 70 μF |
| Capacitance of medium-voltage DC side | 1000 μF |
| Inductor on low-voltage DC side | 1 mH |
| Capacitance of low-voltage DC side | 20 μF |
| Virtual moment of inertia J | 0.5 kg·m2 |
| Virtual damping Dp | 300 N·m·s/rad |
| ESO control parameter β1 | 104 |
| ESO control parameter β2 | 108 |
| Parameter of fak function α | 0.6 |
| Parameter of fak function μ | 5000 |
| Operation Mode | Module | Power Flow |
|---|---|---|
| Grid-connected operation mode | New energy | Absorb power (10 kW) |
| Load | Full load (100 kW) | |
| Grid | Output power (110 kW) | |
| Grid support operation mode | New energy | Output power (20 kW) |
| Load | Full load (100 kW) | |
| Grid | Output power (80 kW) | |
| New energy feed operation mode | New energy | Output power (120 kW) |
| Load | Full load (100 kW) | |
| Grid | Absorb power (20 kW) | |
| Isolated operation mode | New energy | Output power (50 kW) |
| Load | Half load (50 kW) | |
| Grid | No power flows |
Publisher’s Note: MDPI stays neutral with regard to jurisdictional claims in published maps and institutional affiliations. |
© 2021 by the authors. Licensee MDPI, Basel, Switzerland. This article is an open access article distributed under the terms and conditions of the Creative Commons Attribution (CC BY) license (https://creativecommons.org/licenses/by/4.0/).
Share and Cite
Chi, S.; Lv, Z.; Liu, L.; Shan, Y. Free Switching Control Strategy for Multi-Operation Modes of Multi-Port Energy Router in Distribution Area. Energies 2021, 14, 7860. https://doi.org/10.3390/en14237860
Chi S, Lv Z, Liu L, Shan Y. Free Switching Control Strategy for Multi-Operation Modes of Multi-Port Energy Router in Distribution Area. Energies. 2021; 14(23):7860. https://doi.org/10.3390/en14237860
Chicago/Turabian StyleChi, Shumei, Zhipeng Lv, Lan Liu, and Yang Shan. 2021. "Free Switching Control Strategy for Multi-Operation Modes of Multi-Port Energy Router in Distribution Area" Energies 14, no. 23: 7860. https://doi.org/10.3390/en14237860
APA StyleChi, S., Lv, Z., Liu, L., & Shan, Y. (2021). Free Switching Control Strategy for Multi-Operation Modes of Multi-Port Energy Router in Distribution Area. Energies, 14(23), 7860. https://doi.org/10.3390/en14237860
