DC Fault Current Analyzing, Limiting, and Clearing in DC Microgrid Clusters
Abstract
:1. Introduction
- Implementing AC CB at the AC side of the AC/DC converter for faults at the interconnection line between the AC grid and DC MG cluster: Several AC CB strategies have been investigated for LV AC MGs protection systems [26,27]. However, the slow response time of the AC CBs makes them unsuitable for implementation in the clustered DC MGs.
- Integrating FCL functionality into the converter of interconnection lines: FCL is deactivated during the normal operation of the system; however, during the fault, it adds a high resistance to the fault path to limit the value of the fault current [28]. In the literature, both AC FCL [29] and DC FCL [30] have been proposed for converter-based LV systems. However, the implementation of conventional FCLs in DC MG clusters suffers from high response time, cost, size, and installation complexity [31].
- Implementing DC CB in series to the DC/DC converter for faults at the interconnection line between the two adjacent DC MGs: In [32], a hybrid DC CB has been presented to break the DC fault current up to 9 kA within 5 ms. However, existing DC CBs have some disadvantages, such as low technology maturity and high manufacturing cost.
- Implementing fault limiting capability in the converter control: Some of the reported strategies have suggested active FCL strategies for the AC/DC converters to limit the fault current and enhance the fault-ride-through (FRT) capability of MGs [33,34]. Converter limits the fault current to two times the nominal value to prevent overheating. Therefore, for adopting this option in the converters, more powerful electronic devices are required, and the power losses and the cost of the system increase [35].
- A detailed analysis of converters during short circuit faults is investigated, which allows the better design of converters during faults. It can also model the converter behavior during different stages of fault by transient equations.
- An accurate transient analysis of DC MG clusters during fault by considering the characteristic of converters is presented. Therefore, the importance of the current limiting of interconnected lines between converters is highlighted and investigated.
- A DC FCL is proposed for interconnected DC MG clusters, which has a higher speed, lower coordination problems, and power losses make it different from existing FCL strategies. Moreover, the proposed method is designed and specified for DC MG clusters, which have a few studies on the protection of these systems.
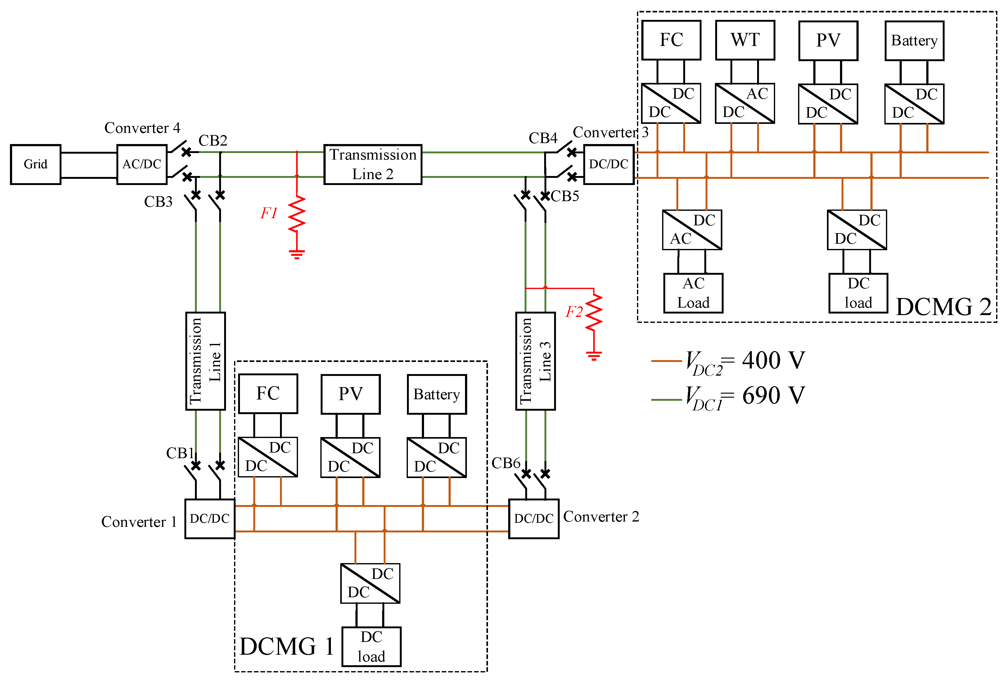
2. DC MG Cluster
3. DC Fault Analysis of AC/DC Converter
4. DC Fault Analysis of DC/DC Converter
4.1. Analysis of Capacitor Discharge
4.2. Freewheeling Diode Operation
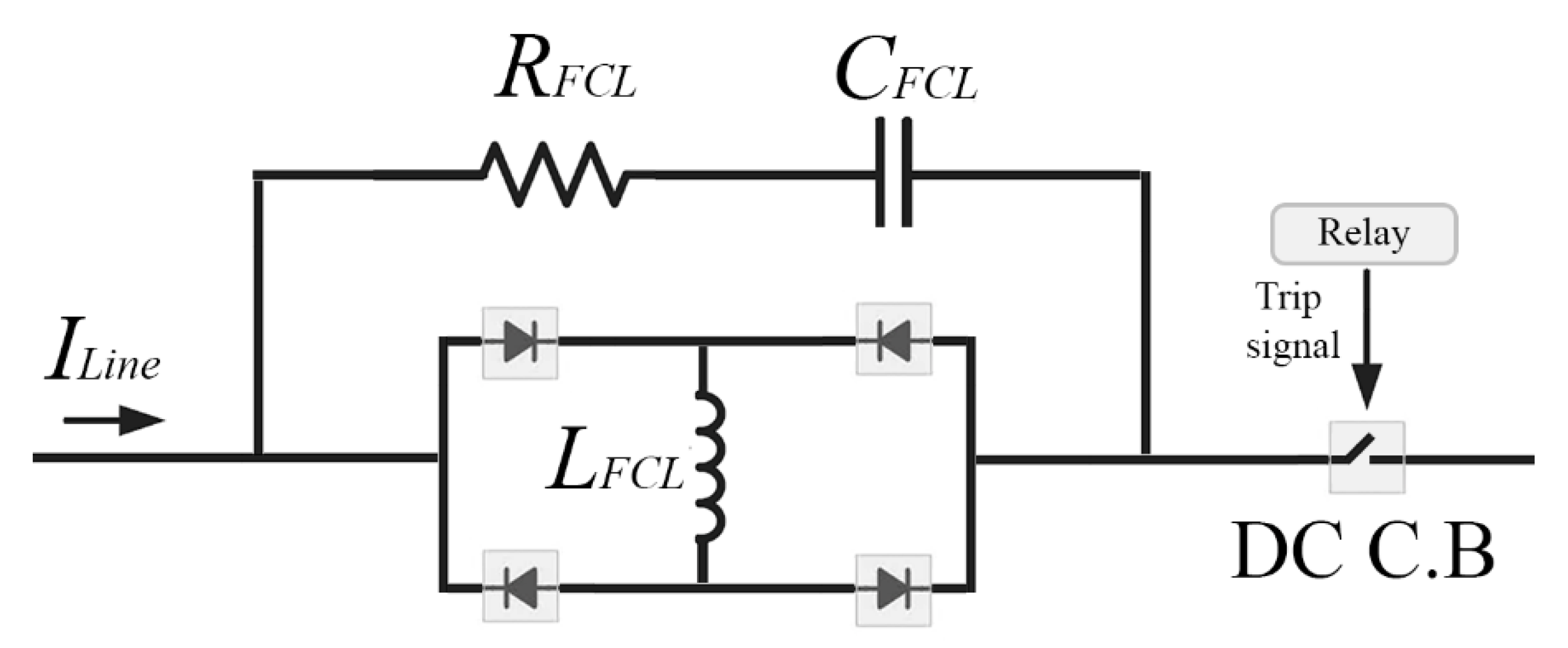
5. DC Fault Clearing and Limiting Solution
- A diode rectifier bridge;
- A series inductor;
- A shunt RC branch for fault current reduction.
6. Simulation and Real-Time Validation Results
6.1. Behavior of AC/DC Converter during the Fault
6.2. Behavior of DC/DC Converter during the Fault
6.3. Characteristics of DC FCL-Based CB during the Fault
6.4. Real-Time Validation
6.5. Comparison between the Proposed DC FCL and Existing FCL Strategies
7. Conclusions
Author Contributions
Funding
Institutional Review Board Statement
Informed Consent Statement
Data Availability Statement
Acknowledgments
Conflicts of Interest
References
- Bayati, N.; Hajizadeh, A.; Soltani, M. Protection in DC microgrids: A comparative review. IET Smart Grid 2018, 1, 66–75. [Google Scholar] [CrossRef]
- Martirano, L.; Rotondo, S.; Kermani, M.; Massarella, F.; Gravina, R. Power Sharing Model for Energy Communities of Buildings. IEEE Trans. Ind. Appl. 2020, 57, 170–178. [Google Scholar] [CrossRef]
- Bayati, N.; Baghaee, H.R.; Hajizadeh, A.; Soltani, M. A Fuse Saving Scheme for DC Microgrids with High Penetration of Renew-able Energy Resources. IEEE Access 2020, 8, 137407–137417. [Google Scholar] [CrossRef]
- Beheshtaein, S.; Cuzner, R.M.; Forouzesh, M.; Savaghebi, M.; Guerrero, J.M. DC microgrid protection: A comprehensive review. IEEE J. Emerg. Sel. Top. Power Electron. 2019, 12. [Google Scholar] [CrossRef]
- Aghaee, F.; Dehkordi, N.M.; Bayati, N.; Hajizadeh, A. Distributed Control Methods and Impact of Communication Failure in AC Microgrids: A Comparative Review. Electronics 2019, 8, 1265. [Google Scholar] [CrossRef] [Green Version]
- Bayati, N.; Baghaee, H.R.; Hajizadeh, A.; Soltani, M. Localized protection of radial DC microgrids with high penetration of con-stant power loads. IEEE Syst. J. 2020, 8, 4145–4156. [Google Scholar]
- Bayati, N.; Baghaee, H.R.; Hajizadeh, A.; Soltani, M.; Lin, Z. Mathematical morphology-based local fault detection in DC Mi-crogrid clusters. Electr. Power Syst. Res. 2020, 1, 106981. [Google Scholar]
- Kumar, M.; Srivastava, S.C.; Singh, S.N.; Ramamoorty, M. Development of a control strategy for interconnection of islanded di-rect current microgrids. IET Renew. Power Gener. 2014, 9, 284–296. [Google Scholar] [CrossRef]
- Marquardt, R. Stromrichterschaltungen Mit Verteilten Energiespeichern. German Patent DE10103031A1, 1 December 2001. [Google Scholar]
- Yang, H.; Saeedifard, M.; Yazdani, A. An Enhanced Closed-Loop Control Strategy with Capacitor Voltage Elevation for the DC–DC Modular Multilevel Converter. IEEE Trans. Ind. Electron. 2019, 66, 2366–2375. [Google Scholar] [CrossRef]
- Bayat, H.; Yazdani, A. A Hybrid MMC-Based Photovoltaic and Battery Energy Storage System. IEEE Power Energy Techn. Syst. J. 2019, 6, 32–40. [Google Scholar] [CrossRef]
- Saeedifard, M.; Iravani, R. Dynamic performance of a modular multilevel back-to-back HVDC system. IEEE Trans. Power Deliv. 2010, 25, 2903–2912. [Google Scholar] [CrossRef]
- Westerweller, T.; Friedrich, K.; Armonies, U.; Orini, A.; Parquet, D.; Wehn, S. Trans bay cable-world’s first HVDC system using multilevel voltage-sourced converter. In Proceedings of the CIGRE Session, Paris, France, 22–27 August 2010. [Google Scholar]
- Tu, C.; Xiao, F.; Lan, Z.; Guo, Q.; Shuai, Z. Analysis and Control of a Novel Modular-Based Energy Router for DC Microgrid Cluster. IEEE J. Emerg. Sel. Top. Power Electron. 2018, 7, 331–342. [Google Scholar] [CrossRef]
- Qiao, L.; Li, X.; Di, H.; Guo, L.; Xu, Y,; Tan, Z.; Wang, C. Coordinated control for medium voltage DC dis-tribution centers with flexibly interlinked multiple microgrids. J. Mod. Power Syst. Clean Energy 2019, 7, 599–611. [Google Scholar]
- Mudaliyar, S.; Duggal, B.; Mishra, S. Distributed Tie-Line Power Flow Control of Autonomous DC Microgrid Clusters. IEEE Trans. Power Electron. 2020, 35, 11250–11266. [Google Scholar] [CrossRef]
- Chen, Z.; Yu, X.; Xu, W.; Wen, G. Modeling and Control of Islanded DC Microgrid Clusters With Hierarchical Event-Triggered Consensus Algorithm. IEEE Trans. Circuits Syst. I Regul. Pap. 2020, 68, 376–386. [Google Scholar] [CrossRef]
- Lu, X.; Lai, J. Distributed Cluster Cooperation for Multiple DC MGs Over Two-Layer Switching Topologies. IEEE Trans. Smart Grid 2020, 11, 4676–4687. [Google Scholar] [CrossRef]
- Wahid, A.; Iqbal, J.; Qamar, A.; Ahmed, S.; Basit, A.; Ali, H.; Aldossary, O. A Novel Power Scheduling Mechanism for Islanded DC Microgrid Cluster. Sustainability 2020, 12, 6918. [Google Scholar] [CrossRef]
- John, B.; Ghosh, A.; Goyal, M.; Zare, F. A DC Power Exchange Highway Based Power Flow Management for Interconnected Microgrid Clusters. IEEE Syst. J. 2019, 13, 3347–3357. [Google Scholar] [CrossRef]
- Simonov, M. Dynamic Partitioning of DC Microgrid in Resilient Clusters Using Event-Driven Approach. IEEE Trans. Smart Grid 2014, 5, 2618–2625. [Google Scholar] [CrossRef]
- Yaqobi, M.A.; Matayoshi, H.; Danish, M.S.S.; Lotfy, M.E.; Howlader, A.M.; Tomonobu, S. Low-Voltage Solid-State DC Breaker for Fault Protection Applications in Isolated DC Microgrid Cluster. Appl. Sci. 2019, 9, 723. [Google Scholar] [CrossRef] [Green Version]
- Corti, M.; Tironi, E.; Ubezio, G. DC networks including multiport DC/DC converters: Fault analysis. IEEE Trans. Dustry Appl. 2016, 52, 3655–3662. [Google Scholar] [CrossRef] [Green Version]
- Chen, Q.; Li, R.; Cai, X. Analysis and Fault Control of Hybrid Modular Multilevel Converter with Integrated Battery Energy Storage System. IEEE J. Emerg. Sel. Top. Power Electron. 2016, 5, 64–78. [Google Scholar] [CrossRef]
- Mohanty, R.; Pradhan, A.K. Protection of Smart DC Microgrid With Ring Configuration Using Parameter Estimation Approach. IEEE Trans. Smart Grid 2017, 9, 6328–6337. [Google Scholar] [CrossRef]
- Tang, G.; Xu, Z.; Zhou, Y. Impacts of three MMC-HVDC configurations on AC system stability under DC line faults. IEEE Trans. Power Syst. 2014, 29, 3030–3040. [Google Scholar] [CrossRef]
- Song, S.-M.; Kim, J.-Y.; Choi, S.-S.; Kim, I.-D.; Choi, S.-K. New Simple-Structured AC Solid-State Circuit Breaker. IEEE Trans. Ind. Electron. 2018, 65, 8455–8463. [Google Scholar] [CrossRef]
- Jalilian, A.; Hagh, M.T.; Abapour, M.; Muttaqi, K.M. DC-link fault current limiter-based fault ride-through scheme for invert-er-based distributed generation. IET Renew. Power Gener. 2015, 9, 690–699. [Google Scholar] [CrossRef] [Green Version]
- Alam, S.; Abido, M.A.Y.; Hussein, A.E.-D. Non-Linear Control for Variable Resistive Bridge Type Fault Current Limiter in AC-DC Systems. Energies 2019, 12, 713. [Google Scholar] [CrossRef] [Green Version]
- Li, B.; He, J.; Li, Y.; Wen, W.; Li, B. A Novel Current-Commutation-Based FCL for the Flexible DC Grid. IEEE Trans. Power Electron. 2019, 35, 591–606. [Google Scholar] [CrossRef]
- Arani, A.A.; Bayati, N.; Mohammadi, R.; Gharehpetian, G.B.; Sadeghi, S.H. Fault Current Limiter optimal sizing considering dif-ferent Microgrid operational modes using Bat and Cuckoo Search Algorithm. Arch. Electr. Eng. 2018, 67, 321–332. [Google Scholar]
- Callavik, M.; Blomberg, A.; Häfner, J.; Jacobson, B. The Hybrid HVDC Breaker; ABB Grid Systems Technical Paper; ABB: Zurich, Switzerland, 2012. [Google Scholar]
- Lin, W.; Jovcic, D.; Nguefeu, S.; Saad, H. Full-bridge MMC converter optimal design to HVDC operational requirements. IEEE Trans. Power Deliv. 2015, 31, 1342–1350. [Google Scholar] [CrossRef] [Green Version]
- Baghaee, H.R.; Mirsalim, M.; Gharehpetian, G.B.; Talebi, H.A. A new current limiting strategy and fault model to improve fault ride-through capability of inverter interfaced DERs in autonomous microgrids. Sustain. Energy Technol. Assess. 2017, 24, 71–81. [Google Scholar] [CrossRef]
- Modeer, T.; Nee, H.P.; Norrga, S. Loss comparison of different sub-module implementations for modular multilevel con-verters in HVDC applications. In Proceedings of the 2011 14th European Conference on Power Electronics and Applications, Birmingham, UK, 30 August–1 September 2011. [Google Scholar]
- He, Y.; Zheng, X.; Nengling, T.; Wang, J.; Nadeem, M.H.; Liu, J. A DC Line Protection Scheme for MMC-Based DC Grids Based on AC/DC Transient Information. IEEE Trans. Power Deliv. 2020, 35, 2800–2811. [Google Scholar] [CrossRef]
- Gowaid, I.A. A Low-Loss Hybrid Bypass for DC Fault Protection of Modular Multilevel Converters. IEEE Trans. Power Deliv. 2016, 32, 599–608. [Google Scholar] [CrossRef] [Green Version]
- Xu, Z.; Xiao, H.; Xiao, L.; Zhang, Z. DC Fault Analysis and Clearance Solutions of MMC-HVDC Systems. Energies 2018, 11, 941. [Google Scholar] [CrossRef] [Green Version]
- Ilves, K.; Antonopoulos, A.; Norrga, S.; Nee, H.-P. Steady-State Analysis of Interaction Between Harmonic Components of Arm and Line Quantities of Modular Multilevel Converters. IEEE Trans. Power Electron. 2011, 27, 57–68. [Google Scholar] [CrossRef]
- Rashid, G.; Ali, M.H. Nonlinear Control-Based Modified BFCL for LVRT Capacity Enhancement of DFIG-Based Wind Farm. IEEE Trans. Energy Convers. 2016, 32, 284–295. [Google Scholar] [CrossRef]
- Steurer, M.; Frohlich, K.; Holaus, W.; Kaltenegger, K. A novel hybrid current-limiting circuit breaker for medium volt-age: Principle and test results. IEEE Trans. Power Deliv. 2003, 18, 460–467. [Google Scholar] [CrossRef]
- Zyborski, J.; Lipski, T.; Czucha, J.; Hasan, S. Hybrid arcless low-voltage AC/DC current limiting interrupting device. IEEE Trans. Power Deliv. 2000, 15, 1182–1187. [Google Scholar] [CrossRef]
- Lee, B.W. Complex Superconducting Fault Current Limiter. U.S. Patent 11/616 458, 2006. [Google Scholar]
- Keshavarzi, D.; Farjah, E.; Ghanbari, T. Hybrid DC circuit breaker and fault current limiter with optional interruption capa-bility. IEEE Trans. Power Electron. 2017, 33, 2330–2338. [Google Scholar] [CrossRef]
- Tang, Y.; Duarte, J.L.; Smeets, R.P.P.; Motoasca, T.E.; Lomonova, E.A. Multi-stage dc hybrid switch with slow switching. In Proceedings of the 37th Annual Conference of the IEEE Industrial Electronics Society, Melbourne, VIC, Australia, 7–10 November 2011; pp. 1462–1467. [Google Scholar]
- Maitra, A.; McGranaghan, M.; Lai, J.S.; Short, T.; Goodman, F. Multifunction Hybrid Solid-State Switchgear. U.S. Patent 7 405 910, 29 July 2008. [Google Scholar]
















| Reported Study | Focusing Area | Operation Mode |
|---|---|---|
| [14] | Communication-based control | Grid-connected |
| [15] | Coordinated control | Islanded and grid-connected |
| [16] | Power flow control | Islanded |
| [17] | Modeling and control | Islanded |
| [18] | Switching network topology | Islanded |
| [19] | Power scheduling mechanism | Islanded |
| [20] | Power exchange management | Islanded |
| [21] | Resiliency | Grid-connected |
| Component | Rated Value |
|---|---|
| Inductor of DC/DC converter | 5 mH |
| Capacitor of DC/DC converter, C1 | 500 µF |
| Capacitor of DC/DC converter, C2 | 5000 µF |
| Resistance of DC/DC converter | 1.358 mΩ |
| Capacitor of AC/DC converter | 600 µF |
| Inductance of AC/DC converter | 76 mH |
| Resistance of DC/DC converter | 1.5 mΩ |
| Nominal voltage of VDC1 | 690 V |
| Nominal voltage of VDC2 | 400 V |
| Line resistance | 1.6 mΩ/m |
| Line inductance | 0.1 mH/m |
| Parameter | Value (s−1) | |
|---|---|---|
| Capacitor discharge | α | 2153 |
| λ | 76 | |
| µ | 604 | |
| Freewheeling diode | υ | 102 × 103 |
| η | 2.157 | |
| Ψ | 88.5 |
| Type | Cost | Size | Speed | Complexity | Coordination Problem | Power Losses |
|---|---|---|---|---|---|---|
| [32] | High | Large | High | High | Medium | Low |
| [41] | High | Large | Low | High | Low | Low |
| [42] | High | Large | Medium | High | Miscoordination | Medium |
| [43] | High | Large | Medium | High | Miscoordination | Medium |
| [44] | Low | Large | Medium | High | Miscoordination | High |
| [45] | Low | Large | Low | Low | Medium | Low |
| [46] | Low | Small | High | High | Medium | High |
| proposed method | Moderate | Small | High | Low | Low | Low |
| Type | Fault Current Limiting Component | Installed Power System |
|---|---|---|
| [32] | Arrester bank | High voltage |
| [41] | Ultrafast switch, diode bridge, a resistor with a high positive temperature | Medium Voltage |
| [42] | Switch, diode bridge, inductor capacitor branch | Low Voltage |
| [43] | Superconductor resistance bank | Medium Voltage |
| [44] | Diode bridge, two parallel RC thyristors, two series inductor diodes | Medium Voltage |
| [45] | Resistor, two IGBTs, switch | Low Voltage |
| [46] | Metal oxide varistor, diode bridge, IGBT, parallel RC | Medium Voltage |
| proposed method | Diode bridge, parallel RC, inductor | Low and Medium Voltage |
Publisher’s Note: MDPI stays neutral with regard to jurisdictional claims in published maps and institutional affiliations. |
© 2021 by the authors. Licensee MDPI, Basel, Switzerland. This article is an open access article distributed under the terms and conditions of the Creative Commons Attribution (CC BY) license (https://creativecommons.org/licenses/by/4.0/).
Share and Cite
Bayati, N.; Baghaee, H.R.; Savaghebi, M.; Hajizadeh, A.; N. Soltani, M.; Lin, Z. DC Fault Current Analyzing, Limiting, and Clearing in DC Microgrid Clusters. Energies 2021, 14, 6337. https://doi.org/10.3390/en14196337
Bayati N, Baghaee HR, Savaghebi M, Hajizadeh A, N. Soltani M, Lin Z. DC Fault Current Analyzing, Limiting, and Clearing in DC Microgrid Clusters. Energies. 2021; 14(19):6337. https://doi.org/10.3390/en14196337
Chicago/Turabian StyleBayati, Navid, Hamid Reza Baghaee, Mehdi Savaghebi, Amin Hajizadeh, Mohsen N. Soltani, and Zhengyu Lin. 2021. "DC Fault Current Analyzing, Limiting, and Clearing in DC Microgrid Clusters" Energies 14, no. 19: 6337. https://doi.org/10.3390/en14196337
APA StyleBayati, N., Baghaee, H. R., Savaghebi, M., Hajizadeh, A., N. Soltani, M., & Lin, Z. (2021). DC Fault Current Analyzing, Limiting, and Clearing in DC Microgrid Clusters. Energies, 14(19), 6337. https://doi.org/10.3390/en14196337

