Aggregation of Radial Distribution System Bus with Volt-Var Control
Abstract
:1. Introduction
- To propose an offline bus aggregation method, which is free from the convergence problem, that can appropriately handle the DS models with many DERs implementing volt-var control and;
- To validate the effectiveness of the proposed method in terms of the voltage error and relative computational time as well as the versatility of the proposed method, that is, whether the aggregated model built by using historical data pertaining to a limited number of days is applicable to the rest of the days.
2. Aggregation of DS Buses with DERs Operationg with Volt-Var Control
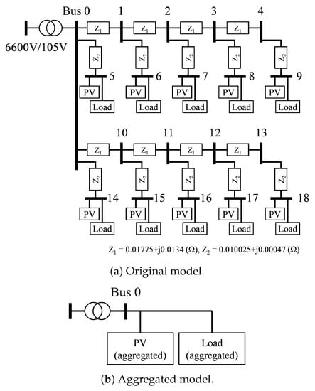
2.1. Original Circuit Model with Volt-Var Control
2.2. Bus Aggregation and Determination of Aggregated Volt-Var Curve
3. Numerical Simulation
3.1. Simulation Outline
3.2. Simulation Results
- Case 1: Original model with the default volt-var curve on all PV inverters, that is, the original condition as a reference.
- Case 2: Aggregated model with the default volt-var curve on aggregated PV at bus 0, that is, the conventional and straightforward aggregation method.
- Case 3: Aggregated model with the aggregated volt-var curve on aggregated PV at bus 0, that is, our proposed aggregation method.
4. Conclusions
Author Contributions
Funding
Conflicts of Interest
Nomenclature
| Acronyms | |
| DER | Distributed energy resource. |
| DS | Distribution system. |
| HIL | Hardware-in-the-loop. |
| LVDS | Low-voltage distribution system. |
| MAE | Mean absolute error. |
| OLTC | On-load tap changer. |
| PV | Photovoltaic. |
| QSTS | Quasi-static time-series. |
| Symbols | |
| n | . Index of bus. |
| N | Total number of bus index. |
| P | Scalar value of active power. |
| Q | Scalar value of reactive power. |
| S | Scalar value of apparent power. |
| t | . Index of simulation time. |
| T | Total simulation time. |
| V | Scalar value of voltage. |
| . Volt-var curve. | |
| Aggregated volt-var curve. | |
| Default volt-var curve. | |
| Set of volt-var curve candidate within the practical usage range. | |
| Subscripts and superscripts | |
| Of active part. | |
| Of default. | |
| Of distributed energy resource (DER). | |
| At bus . | |
| Of passive part. | |
| At time . | |
| Of historical data. | |
| Of aggregated model. | |
References
- IEA. World Energy Outlook 2018; IEA: Paris, France, 2018; Available online: https://www.iea.org/reports/world-energy-outlook-2018 (accessed on 1 June 2021).
- IEEE Standard for Interconnecting Distributed Resources with Electric Power Systems; IEEE Std 1547-2003; IEEE: Piscataway, NJ, USA, 2003; pp. 1–28.
- IEEE Standard for Interconnection and Interoperability of Distributed Energy Resources with Associated Electric Power Systems Interfaces; IEEE Std 1547-2018 (Revision of IEEE Std 1547-2003); IEEE: Piscataway, NJ, USA, 2018; pp. 1–138.
- Akagi, S.; Takahashi, R.; Kaneko, A.; Ito, M.; Yoshinaga, J.; Hayashi, Y.; Asano, H.; Konda, H. Upgrading Voltage Control Method Based on Photovoltaic Penetration Rate. IEEE Trans. Smart Grid 2018, 9, 3994–4003. [Google Scholar] [CrossRef]
- Kikusato, H.; Kobayashi, M.; Yoshinaga, J.; Fujimoto, Y.; Hayashi, Y.; Kusagawa, S.; Motegi, N. Coordinated voltage control of load tap changers in distribution networks with photovoltaic system. In Proceedings of the 2016 IEEE PES Innovative Smart Grid Technologies Conference Europe (ISGT-Europe), Ljubljana, Slovenia, 9–12 October 2016; pp. 1–6. [Google Scholar]
- Zeraati, M.; Hamedani Golshan, M.E.; Guerrero, J.M. A Consensus-Based Cooperative Control of PEV Battery and PV Active Power Curtailment for Voltage Regulation in Distribution Networks. IEEE Trans. Smart Grid 2019, 10, 670–680. [Google Scholar] [CrossRef] [Green Version]
- Kikusato, H.; Fujimoto, Y.; Hanada, S.; Isogawa, D.; Yoshizawa, S.; Ohashi, H.; Hayashi, Y. Electric Vehicle Charging Management Using Auction Mechanism for Reducing PV Curtailment in Distribution Systems. IEEE Trans. Sustain. Energy 2020, 10, 1394–1403. [Google Scholar] [CrossRef] [Green Version]
- Smith, J.W.; Sunderman, W.; Dugan, R.; Seal, B. Smart inverter volt/var control functions for high penetration of PV on distribution systems. In Proceedings of the 2011 IEEE/PES Power Systems Conference and Exposition, Phoenix, AZ, USA, 20–23 March 2011; pp. 1–6. [Google Scholar]
- Ustun, T.S.; Aoto, Y. Analysis of Smart Inverter’s Impact on the Distribution Network Operation. IEEE Access 2019, 7, 9790–9804. [Google Scholar] [CrossRef]
- Ku, T.; Lin, C.; Chen, C.; Hsu, C. Coordination of Transformer On-Load Tap Changer and PV Smart Inverters for Voltage Control of Distribution Feeders. IEEE Trans. Ind. Appl. 2019, 55, 256–264. [Google Scholar] [CrossRef]
- Fujimoto, Y.; Kikusato, H.; Yoshizawa, S.; Kawano, S.; Yoshida, A.; Wakao, S.; Murata, N.; Amano, Y.; Tanabe, S.; Hayashi, Y. Distributed Energy Management for Comprehensive Utilization of Residential Photovoltaic Outputs. IEEE Trans. Smart Grid 2018, 9, 1216–1227. [Google Scholar] [CrossRef]
- IEEE Guide for Conducting Distribution Impact Studies for Distributed Resource Interconnection; IEEE Std 1547.7-2013; IEEE: Piscataway, NJ, USA, 2014; pp. 1–137.
- Reno, M.J.; Deboever, J.; Mather, B. Motivation and requirements for quasi-static time series (QSTS) for distribution system analysis. In Proceedings of the 2017 IEEE Power & Energy Society General Meeting, Chicago, IL, USA, 16–20 July 2017; pp. 1–5. [Google Scholar]
- Qureshi, M.U.; Grijalva, S.; Reno, M.J.; Deboever, J.; Zhang, X.; Broderick, R.J. A Fast Scalable Quasi-Static Time Series Analysis Method for PV Impact Studies Using Linear Sensitivity Model. IEEE Trans. Sustain. Energy 2018, 10, 301–310. [Google Scholar] [CrossRef]
- Mahmoud, K.; Abdel-Nasser, M. Fast yet Accurate Energy-Loss-Assessment Approach for Analyzing/Sizing PV in Distribution Systems Using Machine Learning. IEEE Trans. Sustain. Energy 2019, 10, 1025–1033. [Google Scholar] [CrossRef]
- Valdivia, V.; Gonzalez-Espin, F.; Diaz, D.; Foley, R. Low-frequency reduced-order modeling approach and implementation of grid emulation in hardware-in-the-loop platforms. In Proceedings of the 2015 17th European Conference on Power Electronics and Applications (EPE’15 ECCE-Europe), Geneva, Switzerland, 8–10 September 2015; pp. 1–7. [Google Scholar]
- Nagarajan, A.; Nelson, A.; Prabakar, K.; Hoke, A.; Asano, M.; Ueda, R.; Nepal, S. Network reduction algorithm for developing distribution feeders for real-time simulators. In Proceedings of the 2017 IEEE Power & Energy Society General Meeting, Chicago, IL, USA, 16–20 July 2017; pp. 1–5. [Google Scholar]
- Purba, V.; Johnson, B.B.; Jafarpour, S.; Bullo, F.; Dhople, S.V. Dynamic Aggregation of Grid-Tied Three-Phase Inverters. IEEE Trans. Power Syst. 2020, 35, 1520–1530. [Google Scholar] [CrossRef]
- Leung, J.; Kinnaert, M.; Maun, J.C.; Villella, F. Model reduction in power systems using a structure-preserving balanced truncation approach. Electrric Power Syst. Res. 2020, 177, 106002. [Google Scholar] [CrossRef]
- Zhu, Z.; Geng, G.; Jiang, Q. Power System Dynamic Model Reduction Based on Extended Krylov Subspace Method. IEEE Trans. Power Syst. 2016, 31, 4483–4494. [Google Scholar] [CrossRef]
- Pecenak, Z.K.; Disfani, V.R.; Reno, M.J.; Kleissl, J. Multiphase Distribution Feeder Reduction. IEEE Trans. Power Syst. 2018, 33, 1320–1328. [Google Scholar] [CrossRef]
- Pecenak, Z.K.; Disfani, V.R.; Reno, M.J.; Kleissl, J. Inversion Reduction Method for Real and Complex Distribution Feeder Models. IEEE Trans. Power Syst. 2019, 34, 1161–1170. [Google Scholar] [CrossRef]
- Santos-Martin, D.; Lemon, S. Simplified Modeling of Low Voltage Distribution Networks for PV Voltage Impact Studies. IEEE Trans. Smart Grid 2016, 7, 1924–1931. [Google Scholar] [CrossRef]
- Reiman, A.P.; McDermott, T.E.; Akcakaya, M.; Reed, G.F. Electric Power Distribution System Model Simplification Using Segment Substitution. IEEE Trans. Power Syst. 2018, 33, 2874–2881. [Google Scholar] [CrossRef]
- Casolino, G.M.; Losi, A. Reduced Modeling of Unbalanced Radial Distribution Grids in Load Area Framework. IEEE Access 2020, 8, 179931–179941. [Google Scholar] [CrossRef]
- Pecenak, Z.K.; Haghi, H.V.; Li, C.; Reno, M.J.; Disfani, V.R.; Kleissl, J. Aggregation of Voltage-Controlled Devices During Distribution Network Reduction. IEEE Trans. Smart Grid 2020, 12, 33–42. [Google Scholar] [CrossRef]
- Kikusato, H.; Ustun, T.S.; Hashimoto, J.; Otani, K. Aggregate Modeling of Distribution System with Multiple Smart Inverters. In Proceedings of the 2019 International Conference on Smart Energy Systems and Technologies (SEST), Porto, Portugal, 9–11 September 2019; pp. 1–6. [Google Scholar]
- IEC/TR 61850-90-7. Communication Networks and Systems for Power Utility Automation, Part 90-7: Object Models for Power Converters in Distributed Energy Resources (DER) Systems; International Electrotechnical Commission (IEC): Geneva, Switzerland, 2013. [Google Scholar]
- Smith, J. Modeling High-Penetration PV for Distribution Interconnection Studies, Smart Inverter Function Modeling in OpenDSS, Rev. 2, 3002002271; Electric Power Research Institure (EPRI): Palo Alto, CA, USA, 2013; Available online: https://www.epri.com/research/products/000000003002002271 (accessed on 1 June 2021).
- Brodén, D.A.; Paridari, K.; Nordström, L. Matlab applications to generate synthetic electricity load profiles of office buildings and detached houses. In Proceedings of the 2017 IEEE Innovative Smart Grid Technologies-Asia (ISGT-Asia), Auckland, New Zealand, 4–7 December 2017; pp. 1–6. [Google Scholar]










| Active Power (kW) | Reactive Power (kvar) | Voltage (pu) | |
|---|---|---|---|
| Case 2 | 0.241 | 1.30 | 0.00330 |
| Case 3 | 0.239 | 0.412 | 0.000891 |
Publisher’s Note: MDPI stays neutral with regard to jurisdictional claims in published maps and institutional affiliations. |
© 2021 by the authors. Licensee MDPI, Basel, Switzerland. This article is an open access article distributed under the terms and conditions of the Creative Commons Attribution (CC BY) license (https://creativecommons.org/licenses/by/4.0/).
Share and Cite
Kikusato, H.; Ustun, T.S.; Orihara, D.; Hashimoto, J.; Otani, K. Aggregation of Radial Distribution System Bus with Volt-Var Control. Energies 2021, 14, 5390. https://doi.org/10.3390/en14175390
Kikusato H, Ustun TS, Orihara D, Hashimoto J, Otani K. Aggregation of Radial Distribution System Bus with Volt-Var Control. Energies. 2021; 14(17):5390. https://doi.org/10.3390/en14175390
Chicago/Turabian StyleKikusato, Hiroshi, Taha Selim Ustun, Dai Orihara, Jun Hashimoto, and Kenji Otani. 2021. "Aggregation of Radial Distribution System Bus with Volt-Var Control" Energies 14, no. 17: 5390. https://doi.org/10.3390/en14175390
APA StyleKikusato, H., Ustun, T. S., Orihara, D., Hashimoto, J., & Otani, K. (2021). Aggregation of Radial Distribution System Bus with Volt-Var Control. Energies, 14(17), 5390. https://doi.org/10.3390/en14175390

