Real Fault Location in a Distribution Network Using Smart Feeder Meter Data
Abstract
1. Introduction
2. The Proposed Methodology
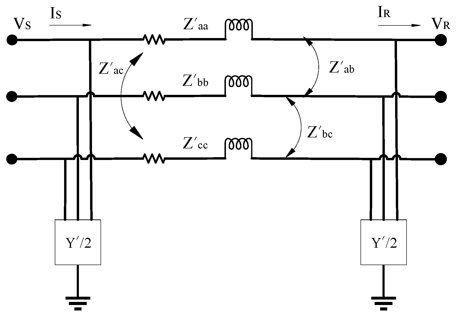
2.1. Fault Location Method
2.2. Equivalent Load Impedance Determination
2.3. Real Faulty Section Detection
| Algorithm 1. Impedance-based FL algorithm | |
| Input—recorded data of voltage, current at the beginning of feeder, and the constant power of SFMs. | |
| 1: | Check if the fault is detected in the network or not |
| 2: | Determine the fault type (one or two) |
| 3: | The protection relay sends pulse to gather the recorded information of all SMs, SFMs, and substation measurement |
| 4: | Estimate the accurate load impedance of each node |
| 5: | if there are adequate SM then |
| 6: | Calculate the load impedance of each node using the recorded information of each SM at the low-voltage side of the network |
| 7: | else |
| 8: | Estimate the load value of each node using the method of [39] |
| 9: | end if |
| 10: | Calculate the equivalent impedance load at the end of each section |
| 11: | Determine post fault input voltage and current of each section |
| 12: | While there is a section for analyzing do |
| 13: | Calculate the fault current using (6) |
| 14: | Calculate the fault distance (1) or (2) |
| 15: | if the answer is not converged then |
| 16: | Calculate the fault point voltage using (3) |
| 17: | Update fault current using (4), (5), and (6) |
| 18: | Go to step 13 |
| 19: | else |
| 20: | Fault distance is determined |
| 21: | end if |
| 22: | Go to the next section |
| 23: | end while |
| 24: | if there is only one acceptable answer then |
| 25: | fault distance and faulty section are determined |
| 26: | else |
| 27: | Use the recorded active power of the branch related to the fault point |
| 28: | Set the section with the largest active power as a real faulty section |
| 29: | end if |
| 30: | Print the index of the actual faulty section and fault distance |
3. Simulation Results
- Different fault resistance (0-, 20-, 50-, 100-ohm).
- Different fault types (single-phase, two-phase and three-phase to ground).
- Different fault inception angles (0-, 30-, 70- and 150-degree).
- Different fault distances (sections (3–9), (4–10) and (5–11)).
- Laboratory single-phase fault experiment.
3.1. Different Fault Distances
3.2. Different Fault Resistances
3.3. Different Fault Inception Angles
3.4. Different Fault Types
3.5. Laboratory Single Phase Experiment
4. Conclusions
Author Contributions
Funding
Conflicts of Interest
References
- Celli, G.; Ghiani, E.; Pilo, F.; Soma, G.G. Reliability assessment in smart distribution networks. Electr. Power Syst. Res. 2013, 104, 164–175. [Google Scholar] [CrossRef]
- Mirshekali, H.; Dashti, R.; Shaker, H.R.; Samsami, R.; Torabi, A.J. Linear and Nonlinear Fault Location in Smart Distribution Network under Line Parameter Uncertainty. IEEE Trans. Ind. Inform. 2021. [Google Scholar] [CrossRef]
- Yu, K.; Zeng, J.; Zeng, X.; Xu, F.; Ye, Y.; Ni, Y. A Novel Traveling Wave Fault Location Method for Transmission Network Based on Directed Tree Model and Linear Fitting. IEEE Access 2020, 8, 122610–122625. [Google Scholar] [CrossRef]
- Yu, J.J.Q.; Hou, Y.; Lam, A.Y.S.; Li, V.O.K. Intelligent fault detection scheme for microgrids with wavelet-based deep neural networks. IEEE Trans. Smart Grid 2019, 10, 1694–1703. [Google Scholar] [CrossRef]
- Dehghanpour, K.; Wang, Z.; Wang, J.; Yuan, Y.; Bu, F. A survey on state estimation techniques and challenges in smart distribution systems. IEEE Trans. Smart Grid 2019, 10, 2312–2322. [Google Scholar] [CrossRef]
- Dashti, R.; Daisy, M.; Shaker, H.R.; Tahavori, M. Impedance-Based Fault Location Method for Four-Wire Power Distribution Networks. IEEE Access 2017, 6, 1342–1349. [Google Scholar] [CrossRef]
- Aftab, M.A.; Hussain, S.M.S.; Ali, I.; Ustun, T.S. Dynamic protection of power systems with high penetration of renewables: A review of the traveling wave based fault location techniques. Int. J. Electr. Power Energy Syst. 2020, 114, 105410. [Google Scholar] [CrossRef]
- Xie, L.; Luo, L.; Li, Y.; Zhang, Y.; Cao, Y. A Traveling Wave-Based Fault Location Method Employing VMD-TEO for Distribution Network. IEEE Trans. Power Deliv. 2020, 35, 1987–1998. [Google Scholar] [CrossRef]
- Shi, S.; Zhu, B.; Lei, A.; Dong, X. Fault location for radial distribution network via topology and reclosure-generating traveling waves. IEEE Trans. Smart Grid 2019, 10, 6404–6413. [Google Scholar] [CrossRef]
- Liang, R.; Yang, Z.; Peng, N.; Liu, C.; Zare, F. Asynchronous fault location in transmission lines considering accurate variation of the ground-mode traveling wave velocity. Energies 2017, 10, 1957. [Google Scholar] [CrossRef]
- Tashakkori, A.; Wolfs, P.J.; Islam, S.; Abu-Siada, A. Fault Location on Radial Distribution Networks via Distributed Synchronized Traveling Wave Detectors. IEEE Trans. Power Deliv. 2020, 35, 1553–1562. [Google Scholar] [CrossRef]
- Shi, Y.; Zheng, T.; Yang, C. Reflected Traveling Wave Based Single-Ended Fault Location in Distribution Networks. Energies 2020, 13, 3917. [Google Scholar] [CrossRef]
- Qiao, J.; Yin, X.; Wang, Y.; Xu, W.; Tan, L. A multi-terminal traveling wave fault location method for active distribution network based on residual clustering. Int. J. Electr. Power Energy Syst. 2021, 131, 107070. [Google Scholar] [CrossRef]
- Liang, R.; Wang, F.; Fu, G.; Xue, X.; Zhou, R. A general fault location method in complex power grid based on wide-area traveling wave data acquisition. Int. J. Electr. Power Energy Syst. 2016, 83, 213–218. [Google Scholar] [CrossRef]
- Jianwen, Z.; Hui, H.; Yu, G.; Yongping, H.; Shuping, G.; Jianan, L. Single-phase ground fault location method for distribution network based on traveling wave time-frequency characteristics. Electr. Power Syst. Res. 2020, 186, 106401. [Google Scholar] [CrossRef]
- Mamuya, Y.D.; Lee, Y.-D.; Shen, J.-W.; Shafiullah, M.; Kuo, C.-C. Application of Machine Learning for Fault Classification and Location in a Radial Distribution Grid. Appl. Sci. 2020, 10, 4965. [Google Scholar] [CrossRef]
- Shafiullah, M.; Abido, M.A.; Al-Hamouz, Z. Wavelet-based extreme learning machine for distribution grid fault location. IET Gener. Transm. Distrib. 2017, 11, 4256–4263. [Google Scholar] [CrossRef]
- Liang, J.; Jing, T.; Niu, H.; Wang, J. Two-Terminal Fault Location Method of Distribution Network Based on Adaptive Convolution Neural Network. IEEE Access 2020, 8, 54035–54043. [Google Scholar] [CrossRef]
- Dashtdar, M.; Dashtdar, M. Fault Location in Radial Distribution Network Based on Fault Current Profile and the Artificial Neural Network. Mapta J. Electr. Comput. Eng. 2020, 2, 30–41. [Google Scholar] [CrossRef]
- Shafiullah, M.; Abido, M.A.; Abdel-Fattah, T. Distribution grids fault location employing ST based optimized machine learning approach. Energies 2018, 11, 2328. [Google Scholar] [CrossRef]
- Deng, X.; Yuan, R.; Xiao, Z.; Li, T.; Wang, K.L.L. Fault location in loop distribution network using SVM technology. Int. J. Electr. Power Energy Syst. 2015, 65, 254–261. [Google Scholar] [CrossRef]
- Zhang, C.; Yuan, X.; Shi, M.; Yang, J.; Miao, H. Fault Location Method Based on SVM and Similarity Model Matching. Math. Probl. Eng. 2020, 2020, 2898479. [Google Scholar] [CrossRef]
- Akmaz, D.; Mamiş, M.S.; Arkan, M.; Tağluk, M.E. Transmission line fault location using traveling wave frequencies and extreme learning machine. Electr. Power Syst. Res. 2018, 155, 1–7. [Google Scholar] [CrossRef]
- Mirshekali, H.; Dashti, R.; Shaker, H.R. An Accurate Fault Location Algorithm for Smart Electrical Distribution Systems Equipped with Micro Phasor Mesaurement Units. In Proceedings of the 2019 International Symposium on Advanced Electrical and Communication Technologies (ISAECT), Rome, Italy, 27–29 November 2019; Institute of Electrical and Electronics Engineers Inc.: Interlaken, Switzerland, 2019. [Google Scholar] [CrossRef]
- Jamali, S.; Bahmanyar, A.; Bompard, E. Fault location method for distribution networks using smart meters. Meas. J. Int. Meas. Conf. 2017, 102, 150–157. [Google Scholar] [CrossRef]
- Gholami, M.; Abbaspour, A.; Moeini-Aghtaie, M.; Fotuhi-Firuzabad, M.; Lehtonen, M. Detecting the Location of Short-Circuit Faults in Active Distribution Network Using PMU-Based State Estimation. IEEE Trans. Smart Grid 2019, 11, 1396–1406. [Google Scholar] [CrossRef]
- Pignati, M.; Zanni, L.; Romano, P.; Cherkaoui, R.; Paolone, M. Fault Detection and Faulted Line Identification in Active Distribution Networks Using Synchrophasors-Based Real-Time State Estimation. IEEE Trans. Power Deliv. 2017, 32, 381–392. [Google Scholar] [CrossRef]
- Usman, M.U.; Omar Faruque, M. Validation of a PMU-based fault location identification method for smart distribution network with photovoltaics using real-time data. IET Gener. Transm. Distrib. 2018, 12, 5824–5833. [Google Scholar] [CrossRef]
- Jamali, S.; Bahmanyar, A. A new fault location method for distribution networks using sparse measurements. Int. J. Electr. Power Energy Syst. 2016, 81, 459–468. [Google Scholar] [CrossRef]
- Ghaedi, A.; Hamedani Golshan, M.E.; Sanaye-Pasand, M. Transmission line fault location based on three-phase state estimation framework considering measurement chain error model. Electr. Power Syst. Res. 2020, 178, 106048. [Google Scholar] [CrossRef]
- Langeroudi, A.T.; Abdelaziz, M.M.A. Preventative high impedance fault detection using distribution system state estimation. Electr. Power Syst. Res. 2020, 186, 106394. [Google Scholar] [CrossRef]
- Jia, K.; Bi, T.; Ren, Z.; Thomas, D.W.P.; Sumner, M. High frequency impedance based fault location in distribution system with DGs. IEEE Trans. Smart Grid 2018, 9, 807–816. [Google Scholar] [CrossRef]
- Gabr, M.A.; Ibrahim, D.K.; Ahmed, E.S.; Gilany, M.I. A new impedance-based fault location scheme for overhead unbalanced radial distribution networks. Electr. Power Syst. Res. 2017, 142, 153–162. [Google Scholar] [CrossRef]
- Orozco-Henao, C.; Bretas, A.S.; Marín-Quintero, J.; Herrera-Orozco, A.; Pulgarín-Rivera, J.D.; Velez, J.C. Adaptive impedance-based fault location algorithm for active distribution networks. Appl. Sci. 2018, 8, 1563. [Google Scholar] [CrossRef]
- Aboshady, F.M.; Thomas, D.W.P.; Sumner, M. A new single end wideband impedance based fault location scheme for distribution systems. Electr. Power Syst. Res. 2019, 173, 263–270. [Google Scholar] [CrossRef]
- Dashti, R.; Salehizadeh, S.M.; Shaker, H.R.; Tahavori, M. Fault location in double circuit medium power distribution networks using an impedance-based method. Appl. Sci. 2018, 8, 1034. [Google Scholar] [CrossRef]
- Dashti, R.; Sadeh, J. Accuracy improvement of impedance-based fault location method for power distribution network using distributed-parameter line model. Int. Trans. Electr. Energy Syst. 2014, 24, 318–334. [Google Scholar] [CrossRef]
- Dashti, R.; Sadeh, J. Fault section estimation in power distribution network using impedance-based fault distance calculation and frequency spectrum analysis. IET Gener. Transm. Distrib. 2014, 8, 1406–1417. [Google Scholar] [CrossRef]
- Mirshekali, H.; Dashti, R.; Keshavarz, A.; Torabi, A.J.; Shaker, H.R. A Novel Fault Location Methodology for Smart Distribution Networks. IEEE Trans. Smart Grid 2020, 12, 1277–1288. [Google Scholar] [CrossRef]








| Fault Locations | First Candidate | Second Candidate | Third Candidate |
|---|---|---|---|
| Section (3–9) 3.663 km | Section (4–5) 3.6567 km | Section (3–9) 3.6585 km | Section (4–10) 3.6571 km |
| Section (4–10) 4.063 km | Section (3–9) 3.3547 km | Section (4–5) 4.7575 km | Section (4–10) 4.0555 km |
| Section (5–11) 12.926 km | Section (5–11) 12.8973 km | Section (4–10) 5.1364 km | - |
| Fault Resistances | First Candidate | Second Candidate | Third Candidate |
|---|---|---|---|
| 0 | Section (4–5) 3.6373 km | Section (3–9) 3.6126 km | Section (4–10) 3.6271 km |
| 20 | Section (4–5) 3.543 km | Section (3–9) 3.6629 km | Section (4–10) 3.5792 km |
| 50 | Section (4–5) 3.3776 km | Section (3–9) 3.6649 km | Section (4–10) 3.4424 km |
| 100 | Section (4–5) 3.1899 km | Section (3–9) 3.6722 km | Section (4–10) 3.2388 km |
| Fault Resistances | First Candidate | Second Candidate | Third Candidate |
|---|---|---|---|
| 0 | Section (4–5) 3.9419 km | Section (3–9) 3.9463 km | Section (4–10) 3.9434 km |
| 30 | Section (4–5) 4.0021 km | Section (3–9) 4.0066 km | Section (4–10) 4.0037 km |
| 70 | Section (4–5) 4.1302 km | --- | Section (4–10) 4.1319 km |
| 150 | Section (4–5) 4.3144 km | --- | Section (4–10) 4.3161 km |
| Test Type | First Candidate | Second Candidate | Third Candidate |
|---|---|---|---|
| Simulation | Section (3–6) 101.4 km | Section (3–8) 101.1 km | Section (3–4) 100.96 km |
| Laboratory | Section (3–6) 105.56 km | Section (3–8) 106 km | Section (3–4) 104.2 km |
Publisher’s Note: MDPI stays neutral with regard to jurisdictional claims in published maps and institutional affiliations. |
© 2021 by the authors. Licensee MDPI, Basel, Switzerland. This article is an open access article distributed under the terms and conditions of the Creative Commons Attribution (CC BY) license (https://creativecommons.org/licenses/by/4.0/).
Share and Cite
Mirshekali, H.; Dashti, R.; Handrup, K.; Shaker, H.R. Real Fault Location in a Distribution Network Using Smart Feeder Meter Data. Energies 2021, 14, 3242. https://doi.org/10.3390/en14113242
Mirshekali H, Dashti R, Handrup K, Shaker HR. Real Fault Location in a Distribution Network Using Smart Feeder Meter Data. Energies. 2021; 14(11):3242. https://doi.org/10.3390/en14113242
Chicago/Turabian StyleMirshekali, Hamid, Rahman Dashti, Karsten Handrup, and Hamid Reza Shaker. 2021. "Real Fault Location in a Distribution Network Using Smart Feeder Meter Data" Energies 14, no. 11: 3242. https://doi.org/10.3390/en14113242
APA StyleMirshekali, H., Dashti, R., Handrup, K., & Shaker, H. R. (2021). Real Fault Location in a Distribution Network Using Smart Feeder Meter Data. Energies, 14(11), 3242. https://doi.org/10.3390/en14113242

