Next Article in Journal
Selection Guidelines for Wind Energy Technologies
Previous Article in Journal
Real Fault Location in a Distribution Network Using Smart Feeder Meter Data
 
 
Font Type:
Arial Georgia Verdana
Font Size:
Aa Aa Aa
Line Spacing:
Column Width:
Background:
Article

Impedance Modeling and Stability Analysis of DFIG-Based Wind Energy Conversion System Considering Frequency Coupling

School of Electrical Engineering, Guangxi University, Nanning 530004, China
*
Author to whom correspondence should be addressed.
Energies 2021, 14(11), 3243; https://doi.org/10.3390/en14113243
Submission received: 10 May 2021 / Revised: 27 May 2021 / Accepted: 28 May 2021 / Published: 1 June 2021
(This article belongs to the Topic Power System Modeling and Control)

Abstract

:
Impedance-based stability analysis is an effective method for addressing a new type of SSO accidents that have occurred in recent years, especially those caused by the control interaction between a DFIG and the power grid. However, the existing impedance modeling of DFIGs is mostly focused on a single converter, such as the GSC or RSC, and the influence between the RSC and GSC, as well as the frequency coupling effect inside the converter are usually overlooked, reducing the accuracy of DFIG stability analysis. Hence, the entire impedance is proposed in this paper for the DFIG-based WECS, taking coupling factors into account (e.g., DC bus voltage dynamics, asymmetric current regulation in the dq frame, and PLL). Numerical calculations and HIL simulations on RT-Lab were used to validate the proposed model. The results indicate that the entire impedance model with frequency coupling is more accurate, and it is capable of accurately predicting the system’s possible resonance points.

1. Introduction

With the rapid advancement of wind energy technology, DFIG-based systems have become increasingly popular, and they have become the predominant power generation form in wind farms [1]. When the DFIG interacts with the power grid, it is more likely to trigger a SSCI, a new form of SSO/SSR issue [2,3,4,5]. For example, at the Ercot wind farm in Texas, the SSCI phenomenon was triggered by the interaction between the DFIG unit and the series compensation network [6]. When SSO/SSR occurred in July 2015 in the Hami area of Xinjiang, China., resonance components with frequencies of 19.28 Hz and 80.72 Hz were observed simultaneously [7,8]. This new type of SSO/SSR significantly jeopardizes the protection of electrical equipment and the power system’s stability.
Currently, the approaches for evaluating such new SSO/SSR problems fall into two broad categories: time-domain analysis [9,10,11] and frequency domain analysis. Among them, time-domain analysis method can be subdivided into simulation-based analysis and analysis based on an electromagnetic transient model [9] and the eigenvalue analysis method based on the system state-space model [10,11]. This approach can be used to determine the system’s stability by performing an eigenvalue analysis on the system’s state-space model, and then verifying the accuracy of the analysis results via electromagnetic transient simulation. However, the eigenvalue analysis method based on the state-space model has the following demerits: (1) The eigenvalue analysis method usually needs to create a complete model of the power grid and wind energy generation system. And if the system undergoes slight local changes, the whole model must be redeveloped. (2) State-space models require thorough knowledge of the system’s configuration and parameters, which is typically difficult to achieve in realistic engineering due to commercial confidentiality. On the contrary, in the frequency domain analysis [12,13,14,15], the frequency scanning [15] and impedance-based stability analysis method [16,17,18] are two effective ways to analyze SSO/SSR problems since impedance-based stability analysis allows for the creation of independent impedance models for the grid-connected converter and the AC power grid, and then the impedance ratio Nyquist criterion for the grid-connected converter to the power grid is used to evaluate the system’s stability. As a result, when a system is modified in part, the impedance model of the modified part is altered, making it relatively simple to re-analyze the system’s stability. Additionally, even if the precise configuration and parameters of the system are unavailable for developing the system’s impedance model, the system’s impedance can be determined by frequency scanning experiments, which increases the feasibility and accuracy of the analysis of the SSCI problem [19]. Establishing the frequency domain small signal impedance model of DFIG-based WECS which is used to analyze the internal mechanism of the new SSR/SSO, and then the resonance can be suppressed by improving the control method or additional damping control. This research method and technical route have become the mainstream and hot direction of the current new SSR/SSO [20,21,22]. Thus, the stability analysis method based on impedance becomes an effective tool to analyze the SSCI problems in the DFIG system [23,24].
Small-signal impedance modeling is usually divided into two methods: small-signal linearized modeling in dq frame and harmonic linearized small-signal modeling in natural coordinate system (i.e., abc frame). In [25,26,27], by ignoring the coupling effect between the d- and q-axes during the modeling process and using a linearization approach in the dq frame, the developed model’s accuracy is compromised, which is generally applicable to the three-phase balance system. In contrast to dq domain impedance modeling, small-signal impedance modeling through harmonic linearization usually involves injecting a positive (negative) sequence voltage perturbation directly into the three-phase AC system, and then computing the positive (negative) impedance of the system by sampling the positive (negative) sequence voltage and current changes. Since positive and negative sequences are usually decoupled in a three-phase system, the harmonic linearization method can be applied on both three-phase balanced and unbalanced systems [28,29]. In [30,31], the impedance model of DFIG is developed by harmonic linearization methods; In [32], the positive and negative sequence impedance models of the DFIG are developed, as well as the effects of the PLL, transformer, and grid impedance on DFIG’s impedance are taken into account. However, only the rotor-side impedance is addressed, which is insufficiently precise.
Due to the fact that the resonant frequency of DFIGs is highly dependent on the wind turbine controller, the operating mode, the grid impedance, the series complement of the transmission line, and a variety of other variables, there is a complex frequency coupling relationship in the DC side voltage bus, PLL, and unbalanced current control in dq frame, among other places [18]. However, the modeling method described above [30,31,32] considered only the effect of a single disturbance frequency, thus disregarding the disturbance frequency’s coupling effect.
As a result, the established model’s accuracy was poor, impairing the accuracy of the stability analysis conclusion. As a result, an analytical model for analyzing the stability of DFIGs capable of implementing weak grid connections is proposed in [33]. The coupling effect between the wind turbine and the grid impedance is considered, but the frequency coupling effect between the DC bus and the unbalanced current control is ignored. In [34], in the case of an ideal DC bus, an impedance model is developed that takes into account the frequency coupling effect induced by PLL and asymmetric rotor current control. However, the voltage of the DC bus fluctuation during normal operations, and the effect of the system’s frequency coupling characteristics should be considered. In [35], the impedance modeling of photovoltaic grid-connected inverter system with frequency coupling is developed, and the effects of capacitance and bandwidth changes on the DC bus on the system’s stability are quantitatively analyzed, however, the effect of PLL and unbalanced current control coupling factors on the system is not discussed.
It is found that the aforementioned literatures continue to have the following issues: (1) The modeling and stability of RSC or GSC in DFIGs was studied separately, and the interaction of back-to-back RSC and GSC is rarely discussed. Furthermore, the impedance modeling and stability analysis of the entire system in DFIGs has not been performed; (2) Under non-ideal conditions, the effect of partial frequency coupling factors such as DC bus dynamics, PLL, and unbalanced current control is addressed separately, resulting in significant deviations and even incorrect conclusions in the stability analysis of DFIGs.
In order to analyze the interaction more accurately between DFIGs and the power grid, and reveal the cause of the SSCI problem in DFIGs, this paper adopts the small-signal impedance modeling method based on multi-harmonic linearization to develop the sequence impedance model of the entire DFIGs which taking into account the frequency coupling. The effect of different control strategies of DC bus, asymmetric current control, and PLL on frequency coupling under non-ideal conditions are discussed separately. Then, the corresponding relationship between the potential resonance points of the DFIG’s impedance model and the resonance frequency in the time-domain is found out by comparing with the simulation results in the time-domain. Finally, the effectiveness of the proposed DFIG’s impedance model considering frequency coupling is verified.
In comparison to the current literature, major contributions are follows.
(1)
The sequence impedance model for the DFIG system is developed by using multi-harmonic linearization, which takes into account the frequency coupling between the AC and DC sides of the converter.
(2)
The sequence impedance model of the entire DFIG including RSC and GSC is developed. The entire DFIG system’s sequence impedance model is created, including the induction generator, RSC, and GSC. This model is more robust and capable of evaluating the control interaction between a DFIG system and the power grid with greater accuracy. Additionally, a cross-coupling term YZ is used to explain the coupling effects, which benefits the DFIG system’s stability analysis via Bode diagram for the controller designer, as opposed to performing it using the generalized Nyquist criterion.
(3)
The effects of the DC bus, asymmetric current control, and PLL parameters on the frequency coupling characteristics of DFIGs under non-ideal conditions have been thoroughly studied, and the DFIG system’s stability has been cross-validated by frequency-domain and time-domain simulations.
The remainder of this paper is organized as follows: The impedance modeling of the DFIG system is carried out in Section 2. To begin, the GSC and RSC are modeled independently. The modeling method takes into account the effects of the PLL, current control loop, and DC bus voltage control, and then the entire DFIG impedance model is obtained through model equivalent measurement of RSC and GSC. Section 3 discusses the effect of different frequency coupling on the output impedance via cross-validation of frequency domain and time domain simulations. The reliability of entire DFIG model is evaluated. Section 4 summarizes the findings of the experiment.

2. Modeling of Frequency Coupling Characteristics in DFIGs

As shown in Figure 1, a typical DFIG system is generally composed of the wind turbine, doubly-fed asynchronous induction generator, RSC, GSC, filtering circuits, and DFIG controller, etc. The main control objectives of the RSC are to adjust active power/(speed control of wind turbine), and reactive power control/(voltage control), while the GSC’s primary control objectives are to maintain the stability of the DC bus voltage between the RSC and GSC, and to maintain the sinusoidal shape of the grid-connected current. Usually, the RSC adopts a two-loop control in the dq frame, and since the response of the current control in the inner loop is much faster than that of the active power/(speed control) or the reactive power/(voltage control) in the outer loop, the dynamic characteristics of the DFIG shaft system can be overlooked during the RSC’s stability analysis. The interaction behavior between the rotor winding and stator winding in the RSC, GSC, and the grid impedance at the PCC is mainly considered.
According to Figure 1, Park’s transformation and Inverse-Park’s transformation are important parts of the decoupling control for RSC and GSC in the dq frame. Park’s and Inverse-Park’s transformations are both examples of common nonlinear transformations. Due to the asymmetry of the internal structure in the SRF-PLL, and it only controls the q-axis voltage, which results in the asymmetric dynamics of the d- and q-axis controllers, therefore, the voltage perturbation at the PCC will lead the phase angle of PLL to change with Δθ, and the phase angle(θ) changing will affect the result of coordinate transformations in the current control loop, affecting the output of the current control loop. However, the voltage bus on the DC side and the current control loop are closely coupled. Thus, the DC side voltage perturbation affects the current control loop as well, manifesting itself in the current control loop’s modulation signal. Therefore, frequency coupling induced by DC bus voltage modulation, PLL, asymmetric current control, and other factors have multiple effects on the stability of DFIGs [18]. As a result, the stability of the DFIG system is more precisely studied by establishing an impedance model of the overall DFIGs that incorporates the frequency coupling characteristics.

2.1. The Average Equivalent Model of Induction Generator and RSC

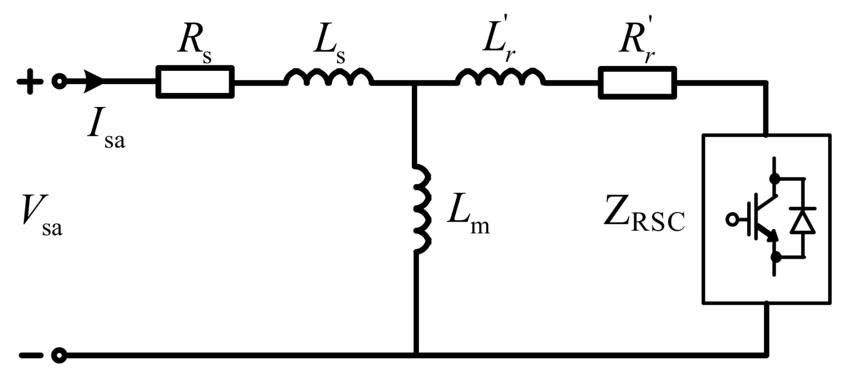
The equivalent circuit of the asynchronous generator is first given out to develop the average circuit model on the rotor side of DFIGs as shown in Figure 2. The equilibrium equation of the phase-A can be obtained by the equivalent circuit [20]:
I sa ( R s + j ω L s ) + j ω L m I m = V sa I ra ( R r + j ω L r ) + j ω L m I m = V dc σ p N s r m ra R r = N s r 2 R r L r = N s r 2 L r
where Rs is the stator resistance; Rr is rotor resistance; Rr is the equivalent value of rotor resistance on the stator side; Ls is stator leakage inductance; Lr is rotor leakage inductance; Lr is the equivalent value of rotor leakage inductance at the stator side; Lm is the excitation inductance; Vdc is the DC voltage of the rotor side converter; mra is the phase-A PWM control signal of the RSC. Vsa is the phase-A voltage in the stator side; Isa is the current of the phase-A in the stator; Im is the excitation current; Ira is rotor current; Nsr is the ratio of the number of turns between the stator and rotor; σp is the slip of the machine at frequency fp (positive sequence perturbation), and ZRSC is the impedance of the RSC.
The RSC is driven by DC voltage, and the average circuit model on the rotor side can be obtained from Equations (1) and (2), as shown in Equation (2):
L s + L r d d t i sa i sb i sc + R s + R r σ p ( s ) i sa i sb i sc = V dc σ p ( s ) N s r m ra m rb m rc v sa v sb v sc
Considering the frequency of the power supply and the perturbation frequency on the stator, the positive sequence and negative sequence slip of the rotor for each frequency can be obtained, as shown in Equation (3):
σ p ( s ) = s j ω r s σ n ( s ) = s j 2 ω 1 + j ω r s j 2 ω 1
where σn is the slip of the machine at frequency fn (negative sequence perturbation), ω 1 is the fundamental angular frequency, and ω r is the rotor angular frequency.
Assuming that the phase-A voltage at PCC is superimposed with a positive voltage perturbation at frequency ω p and a negative sequence voltage perturbation at angular frequency ω n , the phase-A voltage and current can be expressed as follows:
v a ( t ) = V 1 cos ( ω 1 t ) + V p cos ( ω p t + φ v p ) + V n cos ( ω n t + φ v n ) i a ( t ) = I 1 cos ( ω 1 t + φ i 1 ) + I p cos ( ω p t + φ i p ) + I n cos ( ω n t + φ i n )
where V1,(I1, and φi1 are amplitudes of the voltage, current, and phase at fundamental frequency respectively; Vp, Vn, Ip and In are the amplitude of positive and negative sequence voltage perturbations and their current responses respectively; Φvp, Φvn, φip and φin are phases of positive and negative sequence voltage perturbations and their current responses respectively.
In the frequency domain, the phase-A voltage and current with a small-signal perturbation can be expressed as follows:
V a f = V 1 , f = ± f 1 V p , f = ± f p V n , f = ± f n
I a f = I 1 , f = ± f 1 I p , f = ± f p I n , f = ± f n
where, the variables V p = V p / 2 e ± j φ v p , I p = I p / 2 e ± j φ i p , the rest of the variables in Equations (5) and (6) are defined similarly.
It is known that, as for AC systems, there is a conjugate relationship between positive sequence and negative sequence admittance, as shown in Equation (7) [35]:
Y 22 ( s ) = Y 11 * ( s )
where, Y11 and Y22 represent positive sequence admittance and negative sequence admittance respectively, and the superscript * means conjugate operation.
It can be assumed that the voltage perturbation is positive sequence and the frequency is ωp, then the perturbation current component is positive sequence, and the frequency is ωp, and then the coupling current component is negative sequence and the frequency is 2ω1ωp. Thus, the equation can be expressed as:
Y 12 ( s ) = Y 21 * ( j 2 ω 1 s )
where Y12 and Y21 are positive sequence coupled admittance and negative sequence coupled admittance, respectively.
Thus, the frequency coupling characteristics of the main circuit of DFIGs can be described by the following admittance matrix:
I p I p 2 = Y 11 Y 12 Y 21 Y 22 V p V p 2
where Y11, Y12, Y21, and Y22 in the admittance matrix reflect the coupling relationship between Vp (positive sequence voltage perturbation), Vp2 (negative sequence voltage perturbation), IP (positive sequence current response), and IP2 (negative sequence current response). Y11(s) reflects the effect of positive sequence voltage perturbation Vp on positive sequence current response component IP; Y22(s) is the effect of negative sequence voltage perturbation VP2 on the negative sequence current response component IP2. Y12(s) reflects the effect of negative sequence voltage perturbation VP2 on positive sequence current response component IP; Y21(s) reflects the effect of positive sequence voltage perturbation Vp on negative sequence current response component IP2. These four admittances represent the effect of voltage perturbation on current response, so the ratio of the off-diagonal element to the diagonal element can verify the degree of frequency coupling [33].
To simplify the definition of the impedance modeling method, the following sections discuss only the positive sequence and negative sequence frequency coupling responses produced by positive sequence voltage perturbation at PCC. Thus, the positive sequence subsystem’s impedance model is developed.
Due to the fact that DFIGs have a slip between the stator and rotor, the frequency of rotor components such as voltage, current, and flux can vary according to the slip frequency.
The phase domain current components of phase-A, B, and C need to be transformed to the dq frame with an angle θPLLθr, then the rotor phase-A current expression in the frequency domain can be described as:
I ra f = I r 1 , f = ± f s I rp , f = ± ( f p f r ) I rp 2 , f = ± ( f p 2 f 1 + f r )
where, Ir1, Irp, and Irp2 are the frequency domain forms of the fundamental rotor current components, positive and negative sequence components, respectively. fr is the rotor frequency, and fs = f1fr is the slip frequency.

2.2. Small-Signal Modeling for the PLL

At the moment, the converter’s actual control mechanism is normally conducted in the dq frame. The Park’s transformation process, on the other hand, requires the use of voltage phase angle information at the PCC. PLL can be used to achieve synchronization between the converter and the power grid, as well as to gain phase angle knowledge about the Park’s transformation in the control method. When PLL is stable, Δθ is zero. When the voltage at PCC is disturbed, the PLL will produce a phase angle deviation Δθ because of the existence of grid impedance, where Δθ(t) = θPLL(t) − θ1(t), θ1(t) = 1·t = j2πf1·t. Thus, the dynamic characteristic model of the PLL should be developed. The block diagram of the PLL has been shown in Figure 1. The three-phase rotor current needs to be transformed into the dq domain through Park’s transformation:
T d q 0 ( θ PLL ( t ) θ r ( t ) ) = 2 3 cos ( θ PLL ( t ) θ r ( t ) ) cos ( θ PLL ( t ) θ r ( t ) 2 π 3 ) cos ( θ PLL ( t ) θ r ( t ) + 2 π 3 ) sin ( θ PLL ( t ) θ r ( t ) ) sin ( θ PLL ( t ) θ r ( t ) 2 π 3 ) sin ( θ PLL ( t ) θ r ( t ) + 2 π 3 ) 1 2 1 2 1 2
where θr is the mechanical angle of the rotor (θr(t) = r·t = j2πft) and θPLL is the PLL output angle.
The relation between Δθ and voltage disturbance at PCC is shown as follows:
Δ θ f = j T PLL ( s ) V p , f = ± ( f p f 1 )
T PLL ( s ) = H P L L ( s ) 1 + H P L L ( s ) V 1
where T PLL ( s ) and H PLL ( s ) is close loop and open loop transfer functions of the PLL respectively.

2.3. Current Control Loop

The PI controller is used to regulate the rotor current in the RSC, and the current decoupling control system in the dq frame is usually used. After Park’s transformation, the three-phase rotor current is obtained. The component of rotor current in dq frame is shown as follows:
{ I rd [ f ] = { I r 1 cos φ i r 1      , f = 0 I p + I n j I 1 sin φ i r 1 T PLL ( s ) V p , f = ± ( f p f 1 ) I rq [ f ] = { I r 1 sin φ i r 1       , f = 0 I rp ± I rn ± j I r 1 cos φ i r 1 T PLL ( s ) V p , f = ± ( f p f 1 )
where φir1 is the fundamental phase angle. It can be seen from the current control strategy in Figure 1, the sum of dq components of the modulated signal can be calculated.
In the frequency domain, their harmonic components at frequency satisfy the following equations:
M rd [ ± ( f p f 1 ) ] = ( I rd [ ± ( f p f 1 ) ] ) · H rdi ( s ) K rd · I rq [ ± ( f p f 1 ) ] M rq [ ± ( f p f 1 ) ] = ( I rq [ ± ( f p f 1 ) ] ) · H rqi ( s ) K rd · I rd [ ± ( f p f 1 ) ]
where, Hrdi(s) and Hrqi(s) are the transfer functions of the rotor current controller in d-axis and q-axis, respectively, and Krd is the decoupling gain in current control loop.
Then, the rotor voltage is obtained by pulse width modulation, and the frequency domain form of phase-A output voltage for the rotor is as follows:
V ra [ f ] = { K m V dc M r 1      , f = ± f s K m V dc · T PLL ( s j 2 π f s ) V p [ I r 1 ( H ri α j K rd ) H ri β I r 1 * + M r 1 ] H ri β I rp 2 + ( H ¯ ri j K rd ) I rp , f = ± ( f p f r ) K m V dc · T PLL ( s ± j 2 π f s ) V p [ I r 1 * ( H ri α ± j K rd ) H ri β I r 1 + M r 1 * ] H ri β I rp + I rp 2 ( H ri α j K rd ) , f = ± ( f p 2 f 1 + f r )
in Equation (16), H ri α = ( H rdi + H rqi ) / 2 , H ri β = ( H rdi H rqi ) / 2 , Mr1 can be obtained by the frequency domain convolution operation of Mrd and Mrq [18], Km is modulator gain.

2.4. Equivalent Impedance Model at the Rotor-Side

The voltage and magnetic flux equation of DFIGs can be formulated as:
u sd = R s i sd + p ψ sd ω 1 ψ sq u sq = R s i sq + p ψ sq ω 1 ψ sd u rd N s r = R r i rd / N s r + p ψ rd ω s ψ rq u rq N s r = R r i rq / N s r + p ψ rq ω s ψ rd ψ sd = L s i sd + L m i rd / N s r ψ sq = L s i sq + L m i rq / N s r ψ rd = L m i sd + L r i rd / N s r ψ rq = L m i sq + L r i rq / N s r
where p is denoted as the differential operator and ωs is the frequency of the slip angle. usd, usq, urd, urq, ψsd, ψsq, ψrd, ψrq are the components of stator voltage, rotor voltage, stator flux, and rotor flux in dq frame respectively; isd, isq, ird, irq are the components of stator current, and rotor current in dq frame respectively.
Frequency conversion is adopted to combine the rotor side with the stator side. According to Equation (3), the rotor side frequency is reflected to the stator side through the following transfer function: After frequency transformation, Equation (16) is substituted into Equation (17) to calculate the harmonic components of stator and rotor voltages:
I p = V p ( I rp · s L m ) / N s r R s + s L s I p 2 = V p 2 ( I rp · s L m ) / N s r R s + s L s u r p s N s r σ p ( s ) = s L m I p + I rp N s r ( R r σ p ( s ) + s L r ) u rp 2 s N s r σ n ( s + 2 j ω 1 ) = s L m I p 2 + I rp 2 N s r ( R r σ n ( s + 2 j ω 1 ) + s L r )
The superscript “s” is used to distinguish the rotor current and voltage which are reflected to the stator side. Substituting Equation (16) into Equation (18), the equivalent admittance model of RSC is shown as below:
Y 11 R ( s ) = C pp R P pp R R s + s L s C pp R s 2 L m 2 Y 21 R s = C pp R P pp R R s + ( s j 4 π f 1 ) L s C pp R ( s j 4 π f 1 ) 2 L m 2
where Y 11 R represent the positive equivalent admittance (including induction generator and RSC); Y 21 R represent the positive equivalent coupling admittance (including induction generator and RSC); P PP R and P PP R represent a group of expressions related to the PLL of RSC; C PP R and C PP R are a group of expressions related to the current controller of RSC.
P pp R P pn R = s L m N s r σ p ( s ) K m V dc T PLL ( s j 2 π f 1 ) [ I r 1 [ H r i ( s j 2 π f 1 ) ] j K dq + V r 1 ( s j 4 π f 1 ) L m N s r σ n ( s ) K m V dc T PLL ( s j 2 π f 1 ) [ I r 1 * [ H r i ( s j 2 π f 1 ) ] j K dq V r 1 *
C pp R C pn R = ( R r σ p ( s ) + s L r ) N s r 2 σ p ( s ) ( H r i ( s j 2 π f 1 ) ± j K rd ) ( R r σ n ( s ) + ( s j 4 π f 1 ) L r ) N s r 2 σ n ( s ) ( H r i ( s j 2 π f 1 ) j K rd )
It is shown that there is a conjugate relationship between Y 11 R and Y 22 R , and between Y 12 R and Y 22 R in Equations (7) and (8). Y 12 R denote the negative equivalent admittance (including induction generator and RSC); Y 12 R is the negative equivalent coupling admittance (including induction generator and RSC). Therefore Y 12 R and Y 22 R can be calculated simultaneously by Equations (7), (8) and (19).

2.5. Impedance Modeling of the GSC

To simplify the modeling process, the DC bus voltage is typically treated as the ideal voltage source in the impedance modeling of most inverters, with the AC/DC sides of the converter considered decoupled.
However, in actual engineering, the dynamic characteristics of the DC bus cannot be overlooked. Voltage control of the DC bus is a critical factor in generating frequency coupling. Thus, the sequence impedance model must be developed while taking into account the effect of frequency coupling induced by the DC voltage control loop. According to the average model of the grid-connected inverter system and the relationship between the three-phase current and voltage of the parallel node, the voltage equation of the DC bus in the form of frequency domain can be obtained [35]:
V dc [ ± f p ] = 3 [ ( V 1 + 2 I 1 ) I p + I 1 V p ] 2 ( I dc C dc s V rd 0 ( s ) )
where Vrd0 is the reference voltage of the DC bus, and I*1 is the conjugate of the fundamental current.
According to the DC bus control in the block diagram in Figure 1, Ird can be formulated as:
I rd [ ± f p ] = V dc [ ± f p ] H v ( s )
where Hv(s) is the transfer function of the DC voltage controller.
The output current of GSC are denoted as iga, igb, and igc respectively. Similar with the process of impedance modeling in the rotor-side, we can obtain the impedance model in the GSC as follows:
Y 11 G ( s ) = 1 P pp D pp R v C pp D pp R i Y 21 G s = P pn D pn R v C pn D pn R i
where Y 11 G represent the positive admittance of the GSC; Y 21 G represent the positive coupling admittance of the GSC; P pp G and P pp G represent a group of expressions related to the PLL of GSC; C pp G and C pp G are a group of expressions related to the current controller of GSC; Dpp, Dpn, Rv, and Ri are two groups of expressions related to the DC bus as follows.
P pp G P pn G = 1 2 K m V dc T PLL s j 2 π f 1 H i s j 2 π f 1 j K d I 1 + M 1 1 2 K m V dc T PLL s ± j 2 π f 1 H i s j 2 π f 1 + j K d I 1 * + M 1 *
C pp G C pn G = K m V dc H i s j 2 π f 1 j K d + s L s + R s s j 4 π f 1 L s
D pp D pn = 1 2 K m V dc H v s j 2 π f 1 H i s j 2 π f 1 + K m M 1 1 2 K m V dc H v s j 2 π f 1 H i s j 2 π f 1 + K m M 1 *
R i R v = 3 s L s I 1 * + V 1 2 I dc s C dc V rd 0 3 I 1 * 2 I dc s C dc V rd 0
Similarly, there is a conjugate relationship between Y 11 G and Y 12 G , and between Y 21 G and Y 12 G in Equations (7) and (8). Y 12 G represent the negative coupling admittance of the GSC; Y 22 G represent the negative admittance of the GSC. The Y 12 G and Y Y 22 G can be calculated simultaneously by Equations (7), (8) and (24).

2.6. Overall Admittance Model of DFIG Wind Energy Conversion System

The stator windings of the DFIG are connected to the power grid, while the rotor windings are driven by RSC and GSC back-to-back converters. As a result, the DFIG system’s entire impedance model can be represented as a parallel model of DFIG, RSC, and GSC [7]. According to the admittance formula of the equivalent aforementioned RSC and GSC, the overall admittance matrix of the DFIG is shown as:
Y 11 Z Y 12 Z Y 21 Z Y 22 Z = Y 11 R Y 12 R Y 21 R Y 22 R + Y 11 G Y 12 G Y 21 G Y 22 G
in Equation (29), Y 11 Z , Y 12 Z , Y 21 Z , and Y 22 Z represent the overall admittance of DFIG system including RSC and GSC, respectively. Specifically, Y 11 Z and Y 22 Z represent the positive, negative admittance respectively; Y 12 Z and Y 21 Z represent the positive, negative coupling admittance respectively.
Due to the fact that the model of DFIG-based WECS is a traditional multiple-input- multiple-output system, while frequency coupling is considered, its stability is usually evaluated using the generalized Nyquist criterion or the impedance matrix eigenvalues [36]. However, since it is difficult to determine the potential resonance frequency from the multiple-input-multiple-output impedance model, we account for the effects of frequency coupling characteristics by paralleling additional impedance to the original impedance [35,37], and then the traditional Nyquist criterion still can be used for stability analysis. The coupling characteristics are taken into account for the developed coupling impedance model:
Y Z ( s ) = Y 12 Z ( s ) Y 21 Z ( s ) Y g ( s j 2 ω 1 ) + Y 22 Z ( s j 2 ω 1 )
it can be seen from Equation (29) that admittance YZ combines the effects of Yg, Y 12 Z , Y 21 Z , and Y 22 Z to represent coupling characteristics, thus YZ is a cross-coupling term. Thus, the final entire admittance YT(s) of grid-connected DFIG system is described as the sum of Y 11 Z and YZ:
Y T ( s ) = Y 11 Z ( s ) + Y Z ( s )
where YT(s) is the entire admittance of the DFIG system considering the coupling factors and taking into account the DC bus voltage dynamics, asymmetric current regulation in the dq frame, and PLL with the cross-coupling term.

3. Model Validation

This section uses a 1.5 MW DFIG-based WECS as an example to demonstrate the validity and advancements of the proposed impedance model, with the basic parameter settings shown in Table 1. To begin, the impedance model was developed using the harmonic linearization process, and the frequency domain characteristic curves of positive and negative sequence impedances, including frequency coupling terms, were analyzed using the Bode diagram. Then, using RT-Lab, the time-domain simulation model was developed, and the effects of various DC bus capacitances, different control bandwidths for DC bus voltage control and PLL, and asymmetric current control on the frequency coupling characteristics and stability of the DFIG system were cross-verified. Finally, it is demonstrated that the impedance model with frequency coupling can more accurately estimate the potential resonance point.

3.1. Impedance and Frequency Coupling Characteristics of DFIG-Based System

The positive and negative sequence characteristic curves of the entire impedance and its frequency coupling term can be obtained by calculated their reciprocals at different frequency according to the DFIG impedance admittance Formulas (29)–(31), as shown in Figure 3.
As can be shown, the amplitude of total impedance is very similar to the amplitude of the frequency coupling term in the middle and low frequency bands. In the high-frequency bands, there is a significant difference between the amplitudes of the frequency coupling terms and the total impedance. As a result, the effect of frequency coupling on the total impedance is concentrated primarily in the middle and low frequency bands. The frequency coupling term’s curve is similar to the grid impedance.

3.2. Effects of DC Bus Voltage Dynamics

The DC bus capacitor’s aim is to stabilize the voltage on the DC side. The bigger the capacitor, the more stable the DC bus voltage is. When the current controller is symmetrical and the PLL bandwidth is small enough, the DC bus dynamics cause the GSC to experience frequency coupling. The effect of DC bus voltage control on the frequency coupling term is due to two factors, the capacitance sizes on the DC bus and the bandwidth of the DC bus voltage controller [35]. To begin, we will discuss the effect of the DC bus capacitor on the frequency coupling term. The DC voltage controller’s comprehensive parameters are listed in Table 1, and the d- and q-axis current controllers are symmetrical, with only the DC bus capacitance modified. As shown in Figure 4, when the DC bus capacitance is 8 mF and 10 mF, the frequency coupling characteristic curves and output impedance curves of the inverter for various DC capacitance sizes can be obtained:
As shown in Figure 4, the lower the DC bus capacitance, the closer the amplitude of the frequency coupling term and the total impedance are, and the greater the effect on the total impedance.
While the capacitance of the DC bus is set to 10 mF, the rest parameters are set as same as in Table 1. An effect is observed by changing the proportional coefficient of the DC voltage controller. As shown in Figure 5, when the control bandwidth is set to 56 Hz or 63 Hz, we can find the effect of the DC voltage controller with different bandwidth on the frequency coupling characteristic curve and the total impedance.
The Figure 5 demonstrates that as the bandwidth of the DC bus voltage controller increases in the low-frequency band, the difference between the amplitude of the frequency coupling term and the total impedance increases, as does the influence on the impedance. The greater the bandwidth of the PI controller, the faster the system’s stability response, but also the more unstable the system becomes. The findings indicate that as the capacitance of the DC bus decreases, the width of the DC bus voltage controller increases and the frequency coupling increases.

3.3. Effects of PLL Bandwidth

When the current controller is symmetrical and the DC bus is perfect, the grid-connected inverter’s frequency coupling is solely induced by the PLL. Additionally, the PLL is operated by a PI controller, and the proportional component affects the PLL’s bandwidth [18].
H PLL ( s ) = ( K p p + K p i s ) 1 s
The transfer function of the PLL is shown in Equation (32). The parameters of the DC voltage controller and the size of the DC bus capacitance remains unchanged. Under the condition that the current control is balanced, the system’s parameter settings are shown in Table 1. When the proportional coefficient of the PLL is modified and the bandwidth of the PLL is set to 7 Hz and 10 Hz, the accuracy is verified using time-domain simulation, and the frequency coupling characteristic curve and model verification can be obtained using only the PLL. As shown in Figure 6, increasing the proportional parameter of the PLL results in a wider PLL bandwidth and a greater effect of frequency coupling.

3.4. Asymmetric Current Control

When the PLL control bandwidth is small and the DC bus is ideal, the inverter’s frequency coupling is induced by the current controller’s asymmetry in the dq frame. The primary control goal of the RSC in a DFIG-based system is to control the wind turbine’s speed in order to achieve maximum power point tracking, active power control, and reactive power (voltage) control, both of which have a significant effect on the system’s stability. This section discusses the RSC’s current control [18].
The transfer functions of the d-axis and q-axis current controllers are shown in Equation (33):
H rdi ( s ) = K dpi + K dii s H rqi ( s ) = K qpi + K qii s
When the PLL control bandwidth is small and the DC bus is ideal, the higher the current controller’s asymmetry degree, the greater the difference in the transfer function between the d-axis and q-axis current controllers. Keeping the average value of the current controller’s transfer function constant on the d- and q-axis, Kdpi/Kqpi can be modified to alter the current controller’s asymmetry degree. The values of d-axis and q-axis are set as Kdpi/Kqpi = 5.5/4.5 and Kdpi/Kqpi = 9.5/0.5. The results of unbalanced current control are shown in Figure 7. It can be seen that the greater the asymmetry of the d-axis and q-axis is, the greater frequency coupling is.

3.5. DFIG-Based WECS Stability Analysis

To demonstrate the improved model accuracy and the benefits of predicting the possible resonance frequency in DFIG-based WECS, we will set up a hardware-in-loop environment to evaluate output under various grid conditions with varying stiffness (generally defined by SCR; typically, SCR < 3 is cataloged as weak grid). Cross-validation of the Bode diagram in the frequency domain and time-domain HIL simulations was used to determine the system’s stability. The RT-Lab experimental platform set-up is shown in Figure 8. It consists of three parts: (1) the Host computer installed with MATLAB/Simulink (R2011b), (2) OPAL-RT Lab simulator including the OP5600 module and RT-Lab workbench (v10.7.0.361), and (3) DFIG controller hardware contains the TMS320F28335PGFA DSP digital controller, DC bus capacitor, an oscilloscope and etc.
First, the simulation model of the DFIG-based WECS is developed in MATLAB/Simulink installed in the host computer. The host computer compiles the simulation model and then transfer to the RT-Lab simulator by Ethernet cables. The DFIG controller hardware is responsible for collecting the input commands from the RT-Lab simulator and perform real-time operation. The parameter refers to the real-time DFIG-based WECS setting is shown in Table 1.
Equations (19), (24), (29) and (31) can be used to obtain the overall DFIG impedance curve, the GSC and RSC output impedance curves (including induction generator), and the power grid impedance curve with/without considering the frequency coupling term. When the grid impedance Lg = 0.28 mH (SCR = 4), the effective output impedance curve of the DFIG-based system and the grid impedance curve can be obtained, as shown in Figure 9.
As shown in Figure 10, The current waveform at PCC point is a stable sinusoidal waveform without obvious distortion. When combined with FFT analysis, it is clear that the harmonic content is very low (THD = 0.49%) and the system is stable, which is consistent with the analysis in the medium frequency domain shown in Figure 9. There is no point of intersection between the impedance curve and the grid impedance in the medium and low-frequency bands, and no apparent frequency coupling phenomenon is produced.
However, as shown in Figure 11, when the grid impedance is increased to Lg = 0.56 mH (SCR = 2), the entire impedance, with taking into account the frequency coupling term, intersects with the grid impedance at 64 Hz.
As can be shown, the point of intersection between the entire impedance curve and the grid impedance curve is 70 Hz when the frequency coupling term is ignored. At 57 Hz, there is a point of intersection between the GSC impedance with coupling and the grid impedance. The amplitude difference between the rotor side converter impedance and the power grid impedance is important, and there is no point of intersection in the mid- and low-frequency bands. This suggests the possibility of system resonance points at 57 Hz, 64 Hz, and 70 Hz frequencies, which should be further studied and tested in conjunction with the time-domain simulation in Figure 12.
As shown in Figure 12, through FFT analysis, when SCR = 2, the harmonic content is increases (THD = 36.16%). The current waveform at PPC is distorted obviously. Experiments show that DFIG system is unstable and SSCI phenomenon is evident. The two frequencies with the highest harmonic content on the left and right sides of the fundamental frequency, respectively, are 56 Hz and 64 Hz. 64 Hz is the same frequency as the intersection point of the entire impedance curve of DFIG with frequency coupling and the grid impedance curve in Figure 11, meaning that 64 Hz is the low-frequency band’s resonant frequency and 56 Hz is the coupling frequency of the resonant point.
However, some unknown harmonics may occur in the HIL experiment caused by the capacitors or inductors between the signal transmission cables and the DFIG controller, thus the stability of DFIG-based system need to be analyzed through cross-validation of the Bode diagram in the frequency domain and time-domain HIL simulations. By using the frequency coupling term, the impedance model of the entire system becomes more precise, allowing for more accurate prediction of the potential resonance point. The sequence impedance model with frequency coupling can provide a more accurate theoretical foundation for predicting the SSO/SSR of DFIG-based systems.

4. Discussion and Conclusions

The sequence impedance model for a DFIG-based system is developed in this paper, and the effects of DC bus voltage dynamics (different capacitor size and control bandwidth), PLL bandwidth, and unbalanced current control on the impedance model are quantified. The stability of the DFIG-based WECS is evaluated under various grid conditions, and the following main conclusions are drawn:
(1) The sequence impedance model of DFIG system becomes more reliable and can more accurately predict the SSO/SSR resonance point when the frequency coupling are taken into account. On the contrary, the output impedance model with no frequency coupling or the output impedance model with only one side converter may not be able to get the accurate resonance point, thus unable to accurately analyze the SSO/SSR problems.
(2) The smaller the DC bus capacitor on DFIGs, the wider the bandwidth and the greater the degree of frequency coupling, increasing the likelihood of SSO/SSR problems in the system.
(3) The wider the PLL bandwidth, the more asymmetry exists between the d- and q-axes of the unbalanced current control, and the greater the frequency coupling degree of the inverter.
Consequently, compared with the similar methods in [7,9,13,30,31,32,33,35], the sequence impedance model of DFIG-based WECS has more advantages in more accurate model, predicting the potential resonance point, and stability analysis. This provides a theoretical basis for the DFIG controller optimization design and resonance suppression technology research.

Author Contributions

Conceptualization, S.S. and P.G.; methodology, S.S. and P.G.; software, S.S., B.L. and Y.L.; validation, S.S. and P.G.; investigation, P.G. and S.S.; resources, S.S., B.L. and Y.L.; writing—original draft preparation, S.S., P.G. and H.G.; writing—review and editing, S.S., P.G. and H.G.; visualization, S.S., P.G., B.L. and Y.L.; supervision, S.S.; project administration, S.S. All authors have read and agreed to the published version of the manuscript.

Funding

This research was funded by National Natural Science Foundation of China, grant number 61863003 and Natural Science Foundation of Guangxi Province, grant number 2016GXNSF AA380327.

Institutional Review Board Statement

Not applicable.

Informed Consent Statement

Not applicable.

Data Availability Statement

Data sharing not applicable.

Acknowledgments

This work was supported in part by the National Natural Science Foundation of China, and in part by the Natural Science Foundation of Guangxi Province.

Conflicts of Interest

The authors declare no conflict of interest.

Abbreviations

DFIGdoubly-fed induction generator
GSCgrid-side converter
HILhardware-in- loop
PCCpoint of common coupling
PLLphase-locked loop
PWMpulse-width modulation
RSCrotor-side converter
SCRShort Circuit Ratio
SRF-PLLsynchronous reference frame phase- locked loop
SSCIsub-synchronous control interaction
SSOsub-/super-synchronous oscillation
SSRsub-/super-synchronous resonance
WECSwind energy conversion system

References

  1. Shair, J.; Xie, X.; Li, Y.; Terzija, V. Hardware-in-the-Loop and Field Validation of a Rotor-Side Subsynchronous Damping Controller for a Series Compensated DFIG System. IEEE Trans. Power Deliv. 2021, 36, 698–709. [Google Scholar] [CrossRef]
  2. Xu, Y.; Zhao, S.; Cao, Y.; Sun, K. Understanding subsynchronous oscillations in dfig-based wind farms without series compensation. IEEE Access 2019, 7, 107201–107210. [Google Scholar] [CrossRef]
  3. Xie, X.; Zhan, Y.; Liu, H.; Li, W.; Wu, C. Wide-area monitoring and early-warning of subsynchronous oscillation in power systems with high-penetration of renewables. Int. J. Electr. Power Energy Syst. 2019, 108, 31–39. [Google Scholar] [CrossRef]
  4. Robin, N.D.; Yongju, S.; Myungseok, Y.; Sung-Yul, K.; Sungyun, C. Subsynchronous Oscillation and Advanced Analysis: A Review. IEEE Access 2020, 8, 224020–224032. [Google Scholar]
  5. Xie, X.; Zhan, Y.; Shair, J.; Ka, Z.; Chang, X. Identifying the Source of Subsynchronous Control Interaction via Wide-Area Monitoring of Sub/Super-Synchronous Power Flow. IEEE Trans. Power Deliv. 2020, 35, 2177–2185. [Google Scholar] [CrossRef]
  6. Shair, J.; Xie, X.; Wang, L.; Liu, W.; He, J.; Liu, H. Overview of emerging subsynchronous oscillations in practical wind power systems. Renew. Sustain. Energy Rev. 2019, 99, 159–168. [Google Scholar] [CrossRef]
  7. Wang, L.; Xie, X.; Jiang, Q.; Liu, H.; Li, Y.; Liu, H. Investigation of SSR in Practical DFIG-Based Wind Farms Connected to a Series-Compensated Power System. IEEE Trans. Power Syst. 2015, 30, 2772–2779. [Google Scholar] [CrossRef]
  8. Xie, X.; Liu, H.; He, J.; Zhang, C.; Qiao, Y. Mechanism and characteristics of subsynchronous oscillation caused by the interaction between full-converter wind turbines and ac systems. Proc. Chinese Soc. Electr. Eng. 2016, 36, 2366–2372. [Google Scholar]
  9. Liu, H.; Xie, X. Comparative Studies on the Impedance Models of VSC-Based Renewable Generators for SSI Stability Analysis. IEEE Trans. Energy Conv. 2019, 34, 1442–1453. [Google Scholar] [CrossRef]
  10. Godinez-Delgado, J.C.; Medina-Rios, A.; Tapia-Sanchez, R. A time-domain companion-circuit newton-based methodology applied to the harmonic analysis of electrical networks with pv systems. IEEE Access 2020, 8, 129108–129122. [Google Scholar] [CrossRef]
  11. Wang, W.; Zhang, C.; Guoqing, H.E.; Guanghui, L.I.; Zhang, J.; Wang, H. Overview of Research on Subsynchronous Oscillations in Large-Scale Wind Farm Integrated System. Power Syst. Technol. 2017, 41, 1050–1060. [Google Scholar]
  12. Qiang, F.U.; Wenjuan, D.U.; Wang, H. Small Signal Stability Analysis of AC/DC Hybrid Power System: An Overview. Proc. Chinese Soc. Electr. Eng. 2020, 38, 2829–2840. [Google Scholar]
  13. Miao, Z. Impedance-model-based ssr analysis for type 3 wind generator and series-compensated network. IEEE Trans. Energy Conv. 2012, 27, 984–991. [Google Scholar] [CrossRef]
  14. Hu, B.; Nian, H.; Yang, J.; Li, M.; Xu, Y.Y. High-Frequency Resonance Analysis and Reshaping Control Strategy of DFIG System Based on DPC. IEEE Trans. Power Electr. 2021, 36, 7810–7819. [Google Scholar] [CrossRef]
  15. Annakkage, M.S.; Karawita, C.; Annakkage, U.D. Frequency scan-based screening method for device dependent sub-synchronous oscillations. IEEE Trans. Power Syst. 2016, 31, 1872–1878. [Google Scholar] [CrossRef]
  16. Nian, H.; Chen, L.; Xu, Y.; Huang, H.Y.; Ma, J.C. Sequences Domain Impedance Modeling of Three-Phase Grid-Connected Converter Using Harmonic Transfer Matrices. IEEE Trans. Energy Conv. 2018, 33, 627–638. [Google Scholar] [CrossRef]
  17. Wang, R.; He, G.; Zhang, B. Impedance stability analysis and impedance remodelling of matrix converter grid-connected system. J. Eng. 2020, 2020, 1131–1138. [Google Scholar] [CrossRef]
  18. Xu, Y.; Nian, H.; Wang, T.; Chen, L.; Zheng, T. Frequency coupling characteristic modeling and stability analysis of doubly fed induction generator. IEEE Trans. Energy Conv. 2018, 33, 1475–1486. [Google Scholar] [CrossRef]
  19. Johansson, N.; Ängquist, L.; Nee, H.P. A Comparison of Different Frequency Scanning Methods for Study of Subsynchronous Resonance. IEEE Trans. Power Syst. 2011, 26, 356–363. [Google Scholar] [CrossRef]
  20. Zhan, Y.; Xie, X.; Wang, Y. Impedance Network Model Based Modal Observability and Controllability Analysis for Renewable Integrated Power Systems. IEEE Trans. Power Deliv. 2020. [Google Scholar] [CrossRef]
  21. Shah, S.; Parsa, L. Impedance Modeling of Three-Phase Voltage Source Converters in DQ, Sequence, and Phasor Domains. IEEE Trans. Energy Conv. 2017, 32, 1139–1150. [Google Scholar] [CrossRef]
  22. Zhang, X.; Zhang, Y.; Fang, R.; Xu, D. Impedance Modeling and SSR Analysis of DFIG Using Complex Vector Theory. IEEE Access 2019, 7, 155860–155870. [Google Scholar] [CrossRef]
  23. Sun, K.; Yao, W.; Fang, J.; Ai, X.; Wen, J.; Cheng, S. Impedance Modeling and Stability Analysis of Grid-Connected DFIG-Based Wind Farm With a VSC-HVDC. IEEE J. Emerg. Select. Top. Power Electr. 2020, 8, 1375–1390. [Google Scholar] [CrossRef]
  24. Chai, Z.; Li, H.; Xie, X.; Abdeen, M.; Yang, T.; Wang, K. Output impedance modeling and grid-connected stability study of virtual synchronous control-based doubly-fed induction generator wind turbines in weak grids. Int. J. Electr. Power Energy Syst. 2021, 126, 106601. [Google Scholar] [CrossRef]
  25. Neumann, J.; Hénaux, C.; Fadel, M.; Prieto, D.; Fournier, E.; Yamdeu, M.T. Improved dq model and analytical parameters determination of a Permanent Magnet Assisted Synchronous Reluctance Motor (PMa-SynRM) under saturation using Frozen Permeability Method. In Proceedings of the 2020 International Conference on Electrical Machines (ICEM), Gothenburg, Sweden, 23–26 August 2020; Volume 1, pp. 481–487. [Google Scholar]
  26. Wen, B.; Boroyevich, D.; Mattavelli, P.; Burgos, R.; Shen, Z. Impedance-Based Analysis of Grid-Synchronization Stability for Three-Phase Paralleled Converters. IEEE Trans. Power Electr. 2016, 31, 26–38. [Google Scholar] [CrossRef]
  27. Wen, B.; Boroyevich, D.; Burgos, R.; Mattavelli, P.; Shen, Z. Analysis of D-Q small-signal impedance of grid-tied inverters. IEEE Trans. Power Electr. 2016, 31, 675–687. [Google Scholar] [CrossRef]
  28. Zhang, Y.; Chen, X.; Sun, J. Sequence Impedance Modeling and Analysis of MMC in Single-Star Configuration. IEEE Trans. Power Electr. 2020, 35, 334–346. [Google Scholar] [CrossRef]
  29. Ji, K.; Tang, G.; Yang, J.; Li, Y.; Liu, D. Harmonic Stability Analysis of MMC-Based DC System Using DC Impedance Model. IEEE J. Emerg. Select. Top. Power Electr. 2020, 8, 1152–1163. [Google Scholar] [CrossRef]
  30. Sun, J.; Vieto, I. Development and Application of Type-III Turbine Impedance Models Including DC Bus Dynamics. IEEE Open J. Power Electr. 2020, 1, 513–528. [Google Scholar] [CrossRef]
  31. Vieto, I.; Jian, S. Refined Small-Signal Sequence Impedance Models of Type-III Wind Turbines. In Proceedings of the 2018 IEEE Energy Conversion Congress and Exposition (ECCE), Portland, OR, USA, 23–27 September 2018; pp. 2242–2249. [Google Scholar]
  32. Song, S.; Wang, Z.; Lin, B.; Liao, B.; Wu, Y. Modeling of Rotor-side Impedance of Doubly-fed Wind Turbine Taking Transformer and Line Impedance into Consideration. Power Syst. Technol. 2020, 44, 208–215. [Google Scholar]
  33. Liu, B.; Hu, Y.; Su, W.; Li, G.; Li, Z. Stability Analysis of DFIG Wind Turbine Connected to Weak Grid based on Impedance Modeling. In Proceedings of the 2019 IEEE Power & Energy Society General Meeting (PESGM), Atlanta, GA, USA, 4–8 August 2019; pp. 1–5. [Google Scholar]
  34. Ma, J.; Shen, Y.; Phadke, A.G. Stability Assessment of DFIG Subsynchronous Oscillation Based on Energy Dissipation Intensity Analysis. IEEE Trans. Power Electr. 2020, 35, 8074–8087. [Google Scholar] [CrossRef]
  35. Song, S.; Wei, Z.; Lin, Y.; Liu, B.; Liu, H. Impedance modeling and stability analysis of PV grid-connected inverter systems considering frequency coupling. CSEE J. Power Energy Syst. 2020, 6, 279–290. [Google Scholar]
  36. Yahyaie, F.; Lehn, P.W. Using Frequency Coupling Matrix Techniques for the Analysis of Harmonic Interactions. IEEE Trans. Power Deliv. 2016, 31, 112–121. [Google Scholar] [CrossRef]
  37. Vieto, I.; Jian, S. Sequence impedance modeling and converter grid resonance analysis considering DC bus dynamics and mirrored harmonics. In Proceedings of the 2018 IEEE 19th Workshop on Control and Modeling for Power Electronics, Padua, Italy, 25–28 June 2018; pp. 1–8. [Google Scholar]

Short Biography of Authors

Energies 14 03243 i001Shaojian Song (IEEE Member’2018) received B.S. and M.S. degrees from Guangxi University, Nanning, China, in 1994 and 2001, respectively. Since 1994, he has been with the school of Electrical Engineering at Guangxi University, where he became a Professor in 2010. He worked at the New York State Center for Future Energy Systems of the Rensselaer Polytechnic Institute, USA, from 2014 to 2015. His current research interests include power electronics and energy conversion, active distribution networks, state estimation, optimal control and machine learning.
Energies 14 03243 i002Peichen Guan received his B.S. degree from the Changsha University of Science & Technology, Changsha, China, in 2017. He is currently pursuing his M.S. degree in Control Science and Engineering at Guangxi University, Nanning, China. His main research direction is the conversion and control of new energy sources.
Energies 14 03243 i003Bin Liu received a Ph.D. degree from the School of Information Science and Engineering, Central South University, Changsha, China, in 2014. He is currently a Lecturer at the School of Electrical Engineering, Guangxi University. His research interests are in the general area of power electronics and energy conversion, with particular emphasis on converter topologies, modeling, control, and various applications.
Energies 14 03243 i004Yimin Lu received her B.S. degree in Measurement Technology and Instrumentation from Southeast University, Nanjing, China, in 1992; her M.S. degree in Control Theory and Control Engineering from Guangxi University, Nanning, China, in 2000; and her Ph.D. degree in Control Theory and Control Engineering from the South China University of Technology, Guangzhou, China, in 2004. In 1992, she became a Teaching Assistant at the School of Electrical Engineering, Guangxi University, where she is presently working as a Professor of Electrical Engineering. From 2007 to 2008, she was a Postdoctoral Researcher at the Department of Electronic and Electrical Engineering, University of Sheffield, Sheffield, UK. From 2014 to 2015, she was a Visiting Research Scholar at the Department of Mechanical Engineering and WEMPEC, University of Wisconsin-Madison, Madison, WI, USA. Her current research interests include control theory and its applications in power electronics.
Energies 14 03243 i005Hui-Hwang GOH (IEEE Senior Member’2012) received B.S. (Hons.), M.S., and Ph.D. degrees in electrical engineering from the Universiti Teknologi Malaysia, Johor Bahru, Malaysia, in 1998, 2002, and 2007, respectively. He is currently a Professor of Electrical Engineering at the School of Electrical Engineering, Guangxi University, Nanning, China. His research interests include embedded power generation modeling and simulation, power quality studies, wavelet analysis, multicriteria decision-making, renewable energies, and dynamic equivalence. He is also a Fellow of the Institution of Engineering and Technology (IET), UK, the ASEAN Academy of Engineering and Technology (AAET), and the Institution of Engineers, Malaysia (IEM), a Chartered Engineer of the Engineering Council United Kingdom (ECUK), and a Professional Engineer of the Board of Engineers, Malaysia (BEM).
Figure 1. Circuit topology and control block diagram of DFIGs.
Figure 1. Circuit topology and control block diagram of DFIGs.
Energies 14 03243 g001
Figure 2. Equivalent circuit of induction generator and RSC.
Figure 2. Equivalent circuit of induction generator and RSC.
Energies 14 03243 g002
Figure 3. Positive/negative sequence impedance and frequency coupling term ( Z 11 Z and Z 22 Z are the entire impedances of the positive and negative sequence perturbation; Z 12 Z and Z 21 Z are the frequency coupling terms caused by positive or negative sequence perturbation).
Figure 3. Positive/negative sequence impedance and frequency coupling term ( Z 11 Z and Z 22 Z are the entire impedances of the positive and negative sequence perturbation; Z 12 Z and Z 21 Z are the frequency coupling terms caused by positive or negative sequence perturbation).
Energies 14 03243 g003
Figure 4. Impedance curves with different sizes DC capacitor ( Z 11 Z is the entire impedance of posi- tive sequence perturbation without frequency coupling. ZT is the entire impedance of DFIG system considering the cross-coupling term).
Figure 4. Impedance curves with different sizes DC capacitor ( Z 11 Z is the entire impedance of posi- tive sequence perturbation without frequency coupling. ZT is the entire impedance of DFIG system considering the cross-coupling term).
Energies 14 03243 g004
Figure 5. Impedance curves with different bandwidth of DC bus voltage control ( Z 11 Z is the entire impedance of positive sequence perturbation without frequency coupling. ZT is the entire impedance of DFIG system considering the cross-coupling term).
Figure 5. Impedance curves with different bandwidth of DC bus voltage control ( Z 11 Z is the entire impedance of positive sequence perturbation without frequency coupling. ZT is the entire impedance of DFIG system considering the cross-coupling term).
Energies 14 03243 g005
Figure 6. Impedance curves with different PLL bandwidths ( Z 11 Z is the entire impedance of positive sequence perturbation without frequency coupling. ZT is the entire impedance of DFIG system considering the cross-coupling term).
Figure 6. Impedance curves with different PLL bandwidths ( Z 11 Z is the entire impedance of positive sequence perturbation without frequency coupling. ZT is the entire impedance of DFIG system considering the cross-coupling term).
Energies 14 03243 g006
Figure 7. Impedance curves with different current control ( Z 11 Z is the entire impedance of positive sequence perturbation without frequency coupling. ZT is the entire impedance of DFIG system considering the cross-coupling term).
Figure 7. Impedance curves with different current control ( Z 11 Z is the entire impedance of positive sequence perturbation without frequency coupling. ZT is the entire impedance of DFIG system considering the cross-coupling term).
Energies 14 03243 g007
Figure 8. Experimental platform.
Figure 8. Experimental platform.
Energies 14 03243 g008
Figure 9. Entire impedance with/without the frequency coupling under Lg = 0.28 mH (SCR = 4) ( Z 11 Z is the entire impedance of positive sequence without coupling. Z 11 G is the GSC output impedance of positive sequence without coupling. Z 11 R is the GSC output impedance of positive sequence. Zg is the grid impedance. ZT is the entire impedance of DFIG-based system considering coupling term.).
Figure 9. Entire impedance with/without the frequency coupling under Lg = 0.28 mH (SCR = 4) ( Z 11 Z is the entire impedance of positive sequence without coupling. Z 11 G is the GSC output impedance of positive sequence without coupling. Z 11 R is the GSC output impedance of positive sequence. Zg is the grid impedance. ZT is the entire impedance of DFIG-based system considering coupling term.).
Energies 14 03243 g009
Figure 10. (a) Experimental waveforms of three-phase current and DC bus voltage at PCC under Lg = 0.28 mH (SCR = 4); (b) THD of PCC current under Lg = 0.28 mH (SCR = 4).
Figure 10. (a) Experimental waveforms of three-phase current and DC bus voltage at PCC under Lg = 0.28 mH (SCR = 4); (b) THD of PCC current under Lg = 0.28 mH (SCR = 4).
Energies 14 03243 g010
Figure 11. Entire impedance with/without the frequency coupling under Lg = 0.56 mH (SCR = 2) ( Z 11 Z is the entire impedance of positive sequence without coupling. Z 11 G is the GSC output impedance of positive sequence perturbation without coupling. Z 11 R is the GSC output impedance of positive sequence. Zg is the grid impedance. ZT is the entire impedance of DFIG-based system considering coupling term.).
Figure 11. Entire impedance with/without the frequency coupling under Lg = 0.56 mH (SCR = 2) ( Z 11 Z is the entire impedance of positive sequence without coupling. Z 11 G is the GSC output impedance of positive sequence perturbation without coupling. Z 11 R is the GSC output impedance of positive sequence. Zg is the grid impedance. ZT is the entire impedance of DFIG-based system considering coupling term.).
Energies 14 03243 g011
Figure 12. (a) Experimental waveforms of three-phase current and DC bus voltage at PCC under Lg = 0.56 mH (SCR = 2); (b) THD of PCC current under Lg = 0.56 mH (SCR = 2).
Figure 12. (a) Experimental waveforms of three-phase current and DC bus voltage at PCC under Lg = 0.56 mH (SCR = 2); (b) THD of PCC current under Lg = 0.56 mH (SCR = 2).
Energies 14 03243 g012
Table 1. DFIG system simulation parameters.
Table 1. DFIG system simulation parameters.
ParameterSymbolValueParameterSymbolValue
Rated PowerS1.5 MWMutual InductanceLm2.9 H
DC bus VoltageVdc1150 VModulator GainKm8.69 × 10−4
DC capacitorCdc10 mFGrid inductorLg0.56 mH
Filter inductorLdc0.52 mHStator LeakageLs0.18 pu
DC control proportional gainKvp8Rotor LeakageLr0.16 pu
DC control integral gainKvi400Stator ResistanceRs0.023 pu
GSC current control proportional gainKip0.83Rotor ResistanceRr0.016 pu
GSC current control integral gainKii5Transformer primary voltageV1161 kV
RSC current control proportional gainKrpi5Transformer primary resistanceR10.003 pu
RSC current control integral gainKrii50Transformer primary inductorL10.1 pu
PLL control proportional gainKpp5Transformer secondary voltageV2575 V
PLL control integral gainKpi1Transformer secondary resistanceR20.003 pu
Fundamental Frequencyf160 HzTransformer secondary inductorL20.05 pu
Rotor Frequencyfr45 HzTurns RatioNsr0.33
Publisher’s Note: MDPI stays neutral with regard to jurisdictional claims in published maps and institutional affiliations.

Share and Cite

MDPI and ACS Style

Song, S.; Guan, P.; Liu, B.; Lu, Y.; Goh, H. Impedance Modeling and Stability Analysis of DFIG-Based Wind Energy Conversion System Considering Frequency Coupling. Energies 2021, 14, 3243. https://doi.org/10.3390/en14113243

AMA Style

Song S, Guan P, Liu B, Lu Y, Goh H. Impedance Modeling and Stability Analysis of DFIG-Based Wind Energy Conversion System Considering Frequency Coupling. Energies. 2021; 14(11):3243. https://doi.org/10.3390/en14113243

Chicago/Turabian Style

Song, Shaojian, Peichen Guan, Bin Liu, Yimin Lu, and Huihwang Goh. 2021. "Impedance Modeling and Stability Analysis of DFIG-Based Wind Energy Conversion System Considering Frequency Coupling" Energies 14, no. 11: 3243. https://doi.org/10.3390/en14113243

APA Style

Song, S., Guan, P., Liu, B., Lu, Y., & Goh, H. (2021). Impedance Modeling and Stability Analysis of DFIG-Based Wind Energy Conversion System Considering Frequency Coupling. Energies, 14(11), 3243. https://doi.org/10.3390/en14113243

Note that from the first issue of 2016, this journal uses article numbers instead of page numbers. See further details here.

Article Metrics

Back to TopTop