Next Article in Journal
D-PMU and 5G-Network-Based Coordination Control Method for Three-Phase Imbalance Mitigation Units in the LVDN
Next Article in Special Issue
Study of the Influence of the Lack of Contact in Plate and Fin and Tube Heat Exchanger on Heat Transfer Efficiency under Periodic Flow Conditions
Previous Article in Journal
Time-Dependent Seismic Hazard Analysis for Induced Seismicity: The Case of St Gallen (Switzerland), Geothermal Field
Previous Article in Special Issue
Techno-Economic Analysis of Waste Heat Utilization in Data Centers: Application of Absorption Chiller Systems
 
 
Font Type:
Arial Georgia Verdana
Font Size:
Aa Aa Aa
Line Spacing:
Column Width:
Background:
Article

New Deterministic Mathematical Model for Estimating the Useful Energy Output of a Medium-Sized Solar Domestic Hot Water System

by
Miroslaw Zukowski
1,* and
Walery Jezierski
2
1
Department of HVAC Engineering, Faculty of Civil Engineering and Environmental Sciences, Bialystok University of Technology, Wiejska 45E Street, 15-351 Bialystok, Poland
2
Department of Energy Efficient Construction and Geodesy, Faculty of Civil Engineering and Environmental Sciences, Bialystok University of Technology, Wiejska 45E Street, 15-351 Bialystok, Poland
*
Author to whom correspondence should be addressed.
Energies 2021, 14(10), 2753; https://doi.org/10.3390/en14102753
Submission received: 7 April 2021 / Revised: 26 April 2021 / Accepted: 10 May 2021 / Published: 11 May 2021
(This article belongs to the Special Issue Heat Transfer and Heat Recovery Systems)

Abstract

According to the authors of this paper, the mathematical point of view allows us to see what sometimes cannot be seen from the designer’s point of view. The aim of this study was to estimate the influence of the most important parameters (volume of heat storage tanks, daily consumption of domestic hot water, optical efficiency, heat loss coefficient, and total area of a solar collector) on the thermal power output of solar domestic hot water (SDHW) system in European climatic conditions. Three deterministic mathematical models of these relationships for Madrid, Budapest, and Helsinki were created. The database for the development of these models was carried out using computer simulations made in the TRNSYS software environment. The SDHW system located at the Bialystok University of Technology (Poland) was the source of the measurement results used to validate the simulation model. The mathematical optimization procedure showed that the maximum annual useful energy output that can be obtained from 1 m2 of gross collector area is 1303 kWh in the case of Madrid, 918.5 kWh for Budapest, and 768 kWh for Helsinki weather conditions.

1. Introduction

The effects of climate change are becoming more and more visible around the world. It manifests itself mainly in extreme weather events, loss of biodiversity and acidification of waters. The continuous increase in the global mean temperature directly affects the global rise in sea level. The global action plan to combat far-reaching climate change was set out in the Paris Agreement and signed by 195 countries in December 2015 [1]. The next step towards achieving climate neutrality was the decision of the European Commission (EC) taken in December 2020 [2]. EC proposed a 55% reduction in CO2 emissions in 2030 compared to 1990 levels.
One way to achieve this difficult goal is the widespread use of the conversion of solar radiation into heat and electricity. The most effective devices implementing this process are thermal solar collectors, which support the heating of domestic hot water (DHW). It is difficult to achieve optimal performance of these systems at the design stage and later in the operating conditions. This is due to the large number of components in this system combined with the time-varying effects of weather conditions. Therefore, there are many methods of designing solar domestic hot water (SDHW) systems. Generally, we can divide them into two groups [3]. The first type of methods are based on analytical formulas describing the heat exchange phenomena occurring in these systems. An example might be one of the most frequently used method, i.e., the f-Chart [4,5]. Based on the value of solar radiation intensity, ambient temperature, and DHW demand, the amount of energy that can be provided by the designed system is calculated. The calculation algorithm of this method is based on the function of two variables whose values are influenced by the design and operational parameters. The error of the f-Chart method largely depends on the accuracy of the data describing a given system and ranges from 5% to 10% [6].
The second way to determine the performance of SDHW systems are computer energy simulations. They allow for very accurate modelling of the equipment characteristics, the system of pipes connecting them, and weather conditions. A large number of parameters describing the entire system requires the use of specialized software. TRNSYS, DesignBuilder (based on a computing engine EnergyPlus), GetSolar, T*SOL, RETScreenl, and Polysun are the most popular computer programs often used in scientific analysis.
The authors of this paper focused the most attention on the application of the TRNSYS (Transient System Simulation Program) software package to simulate the operation of the SDHW system during the literature review. This computer program was used in this study.
Essabbani et al. [7] simulated the operation of a SDHW system consisting of 20 m2 of flat plate solar collectors (FPC), a 300-L storage tank, and an electric heater. The testing facility was located in Oujda (Morocco) and the period of analysis was from the December 2011 to March 2012. The influence of total solar radiation, ambient temperature, and daily DHW consumption on the system performance was analyzed experimentally. Additionally, a numerical simulation of this installation was applied using the TRNSYS software. As a result of this research, it was found that the average share of solar energy in the total energy demand was 45% in the winter season. In March, the solar fraction was higher than in other months. However, the maximum required auxiliary energy was 740 MJ in December.
Ayompe et al. [8] developed and validated a model of a solar water heating system with forced circulation used in typical European residential homes. The tested rig consisted of two flat plate collectors (a total area of 4 m2), an evacuated tube collector (ETC) with 30 heat pipe tubes, two 300 L hot water storage tanks, a control unit, and a pump station. A quasi-steady state simulation of this SDHW system were made using the TRNSYS software. This model was validated based on the results of measurements performed on a bench located in Dublin (Ireland). As it turned out, the mean absolute error in calculations of the heat collected by the collectors was 14.1% in the case of FPC circuit and 16.8% in the case of ETC loop.
The optimization of SDHW systems intended for single-family housing was performed by Hobbi and Siddiqui [9]. In this analysis, a forced indirect circulation system with a heat exchanger separating the solar circuit from the DHW circuit was considered. A south-facing flat collector with a slope equal to Montreal’s latitude (45.5 degrees) was assumed. The share of energy obtained from solar collectors in the total energy demand for water heating was used as the optimization parameter. Computer simulations using TRNSYS software were used in this study. It was found that the designed system can satisfy 83% to 97% (in summer) and 30% to 62% (in winter) of the demand for DHW. It should be noted that the authors of this article did not use any special optimization methods.
The model of the SDHW system consisting of two FPC (5 m2 of the absorber area), a heat storage tank (volume of 0.4 m3), and a coil heat exchanger was developed by Mongibello et al. [10]. The operation of this system was simulated using the code written in MatLab environment and using TRNSYS software. The input data was the results of the measurements made at the ENEA Portici Research Center. The results of the calculations from both solvers were compared and it turned out that they are characterized by the good accordance.
Lima et al. [11] simulated a thermosiphon water heating system equipped with FPC, a storage tank, and an auxiliary heater in the climate conditions of Sao Paulo (Brazil). The hourly meteorological data collected by the Institute of Astronomy and Geosciences of the University of de Sao Paulo were used in the calculations. The main conclusion of this analysis was the following: the optimal configuration of this kind of thermosiphon system depends on the investor’s concerns and local electricity prices.
The model of the SDHW system equipped with a heat pipe ETC and cooperating with an additional gas heater was made by Mehmood et al. [12] in the TRNSYS software environment. An experimental setup installed at National University of Sciences and Technology, Islamabad (Pakistan) was developed to validate the simulation model. A comparison of the results of calculations and experimental tests showed that the discrepancy between them ranges from 5 to 9%. Based on the computational analysis, it was found that the modelled system can replace conventional gas water heaters, providing 23% to 56% fossil fuel savings annually.
The performance of the ETC and FPC collectors were compared by Mohasseb and Kasaeian [13] in two different climatic conditions: cold weather-Tabriz (Iran) and hot-Bandar-Abbas (Iran). The operation of two SDHW systems with different collectors was simulated using the TRNSYS software. Based on the results of the calculations, it was found that the climatic conditions and inlet temperature had a greater influence on the operation of FPC than ETC. Besides, the annual useful energy from ETC is 30% higher than from FPC in cold climate, and 15% in hot weather conditions.
Mathematical equations that give relationships between the characteristic parameters of the SDHW system were not developed in the analyses described above. Additionally, optimization algorithms were not used to solve the issues related to the selection of the optimal variant.
The main disadvantages of computer simulations is the relatively long time needed for creating a model of the system and the large number of input data. They are dedicated to scientific analysis rather than being a tool used by designers. Therefore, it was decided to apply a deterministic mathematical modelling in order to simplify the method of the energy yield estimation from thermal solar collectors. The article presents a new approach for determining the annual useful energy output based on a multivariable function of volume of heat storage tanks, daily consumption of DHW, and the basic parameters of a solar collector. Climatic conditions are not included as one of the variables because they consist of many factors and cannot be described by one coherent indicator. In optimization analysis, this type of parameter is called uncontrollable and heterogeneous. That is why the numerical experiment was performed separately for three European weather zones. This is a drawback of the method presented here, but on the other hand, the development of a model for a specific climate zone allows to achieve high accuracy of the modelling results.

2. Materials and Methods

2.1. Model of SDHW System Developed in the TRNSYS Software Environment

The development of a simplified method of determining the energy yield from thermal collectors consisted of three main stages. First, the SDHW model of the system was created using the TRNSYS software. The second step was to validate this model based on a measurement database. Deterministic mathematical modelling was the third stage of this study. The selected TRNSYS simulation results created a database for this modelling. The selection of appropriate variants was based on the symmetrical three-level plan.
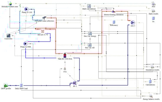
The modelled system consisted of a circuit with a battery of solar collectors (glycol solution as a heat transfer medium (HTM)) and a DHW circuit (water as a HTM). Both loops were separated by a plate compact heat exchanger. The other elements were heat storage tanks, separate pumps for each loop, a control and regulation system, and an auxiliary water heater. The schematic diagram of the model is shown in Figure 1. The list of the main modules creating this model is presented in Table 1. The model was built on the basis of an example solution presented in [14].
An important parameter that must be considered when creating this type of model is the consumption profile of DHW for occupants in the housing sector. An example of hourly prediction of DHW consumption was presented in [15]. This research work was based on data from the historical time series of DHW heat use in hotels in Norway. In the review of existing studies on hot water demand [16], we can find structured information on the DHW consumption patterns specified in technical standards for different types of buildings. The authors also noted the important impact of the mains water temperature on the energy consumption for DHW heating. A Time Dependent Forcing Function (TDFF) that allowed to employ the DHW consumption profile was used in this simulation. The repeated pattern of this function is established by a set of time-dependent data points shown for this case in Table 2. In order to reduce the time step during the calculations, linear interpolation is used.
Three different locations are considered in in the current analysis. These are Madrid (Spain), Budapest (Hungary), and Helsinki (Finland) for which different mean annual values of the main water temperatures were assumed: 17 °C, 15 °C, and 12 °C, respectively. On the other hand, the temperature of the hot water collected in the storage tank was constant for each variant and amounted to 55 °C.
Presented above the model of SDHW system, due to its characteristics, is the most dedicated to typical multi-family apartment buildings. That is why the title of the article uses the term “medium size”.

2.2. Validation of the SDHW System Model

As is well known, even a precisely developed numerical model may be inaccurate. Therefore, it was decided to compare the results of computer simulations with the measurement results. The source of the measurement database was the SDHW system located at the Bialystok University of Technology (Poland). The screenshot of the automatic operating parameters recording system is shown in Figure 2. A more detailed description of this measuring stand can be found in [17].
This active solar heating system consists of:
  • Seven rows of flat plate collectors, five connected in series in each row, with a total gross area of 71.9 m2;
  • Seven rows of evacuated tube collectors, three connected in series in each row, with an active total area of 74.45 m2;
  • Eight heat storage tanks with a volume of 1 m3 each (four for each type of collectors).
The set of FPC was selected for comparative analysis. These solar panels have the following characteristics:
  • Coefficient of collector efficiency—0.784 (-);
  • Heat loss coefficient—3.64 W/(m2K);
  • Temperature dependence heat loss coefficient—0.00185 W/(m2K2);
  • Maximum flow rate—0.000033 m3/s;
  • Gross area of single panel—2.054324 m2.
In order to estimate the accuracy of the model, the measurement results of an annual useful energy output QSC (in kWh/m2) from 5 years (2016–2020), were selected. The measurement of this value was made using a heat meter placed on the solar loop next to the heat exchanger. Figure 3 shows the amount of energy supplied by the solar collectors during the year as a function of the intensity of solar radiation QSR (in kWh/m2) incident perpendicular to the plane of the collectors (blue rhombus).
The results of these measurements can be approximated (dashed line in Figure 3) by the following equation: Q S C = 0.2685 · Q S C + 98.946 .
The error resulting from comparing the result of the computer simulation (circle in Figure 3) for a typical meteorological year (TMY) with the value calculated from the above equation for TMY conditions is 5.87%. Therefore, it should be considered that the developed model of SDHW system reflects the trend of the real complex physical process with relatively good accuracy.

2.3. Mathematical Model for Determining the Solar Collector Useful Energy Output

Mathematical modelling was used as the research method. It allows to describe the operation of the tested object, determine the necessary output data, and determine the optimal values of the input parameters using mathematical relationships. The use of mathematical modelling allows you to resign from physical modelling, reduce the number of samples, and the labor intensity compared to the physical experiment [18]. The main component in such procedure is the mathematical model. Utilitarianism, efficiency, and practical usefulness of this type of model can be ensured by developing short algorithms. In order to obtain the desired information, the most important factors/parameters describing the object under study or phenomenon should be used.
The main goal of this research was to determine the influence of the most important parameters on thermal performance of SDHW systems in European climatic conditions. Thus, it was assumed that the annual useful energy output QSC of the solar collectors is an objective function Y, and the value of Y depends on the following parameters:
  • Volume of heat storage tanks VST [m3] (variable X1),
  • Solar collector total area FSC [m2] (variable X2),
  • Intercept (maximum) efficiency of solar collector ηo [-] (variable X3),
  • Heat loss coefficient a1 [W/(m2K)] (variable X4),
  • Daily consumption of DHW m [kg/day] (variable X5).
The useful energy output makes a clear physical sense and is strongly explicit. The selected factors (X1X5) are measurable, controllable, independent, and consistent, i.e., they meet the basic requirements of mathematical modelling [19]. It should be noted that climatic conditions cannot be considered as a parameter in such mathematical models. This factor is presented by a set of various meteorological indicators, which are difficult to combine with one coherent parameter. In optimization, this is the so-called heterogeneous and uncontrollable parameter. As mentioned before, it was decided to choose three different locations: (group I) Madrid (Spain)—(QI,SC = YI,i), (group II) Budapest (Hungary)—(QII,SC = YII,i), and (group III) Helsinki (Finland)—(QIII,SC = YIII,i), the characteristics of which are shown in Table 3. The parameters listed in this table were calculated using the TRNSYS software using the data for a typical meteorological year. Additionally, three charts that show the variability of the basic meteorological parameters during the year for three selected locations are created. Figure 4 shows the average daily air temperature, Figure 5 shows wind velocity, and the distribution of total horizontal solar radiation is presented in Figure 6.
As can be seen from the characteristics presented in Table 3, the best conditions for converting solar energy into the heat exist in Madrid. This location is characterized by a high average annual temperature of the outside air, relatively low windiness, and a high value of solar radiation with a higher share of beam fraction (61%). Budapest is a city with moderate weather conditions. In this case, the total intensity of solar radiation is relatively high, but a predominance of the diffusion fraction (56%) is observed. The worst conditions in terms of installation of solar collectors are in Helsinki. There is a low outside air temperature, the lowest insolation value, and a relatively high average wind velocity.
Each of these locations differs in latitude and the share of direct and diffused solar radiation. Therefore, the optimal solar panel inclination angle β has been determined for each city separately. The results of the multivariate calculations are presented in the form of three graphs in Figure 7 for Madrid, Figure 8 for Budapest, and Figure 9 for Helsinki. The maximum annual useful energy output allowed to determine the optimal value of β, which is 36 degrees for Madrid, 39.5 degrees for Budapest, and 47.5 degrees for Helsinki. In the case of Madrid, we can observe an interesting phenomenon. It consists in the fact that the optimal inclination of the collector is in a wide range from 35 to 44 degrees with only small deviations. The opposite is Budapest, where we have a very clearly marked maximum.
Thus, due to the heterogeneous nature of the weather factors, three new mathematical models for each of the groups of climatic conditions were developed. It was assumed that the relationship Y = f·(X1, X2, X3, X4, X5) can be described as a second-degree polynomial equation in the following form:
Υ = a 0 + a 1 X 1 + a 2 X 2 + a 3 X 3 + a 4 X 4 + a 5 X 5 + a 12 X 1 X 2 + a 13 X 1 X 3 + a 14 X 1 X 4 + a 15 X 1 X 5 + a 23 X 2 X 3 + a 24 X 2 X 4 + a 25 X 2 X 5 + a 34 X 3 X 4 + a 35 X 3 X 5 + a 45 X 4 X 5 + a 11 X 1 X 1 + a 22 X 2 X 2 + a 33 X 3 X 3 + a 44 X 4 X 4 + a 55 X 5 X 5
The ranges of variability for each of the factors were assumed at three levels:
  • Low-marked as (−1),
  • Medium-marked as (0),
  • High-marked as (1).
Table 4 presents the natural values of the factors X ˙ 1 ÷ X ˙ 5 and the corresponding normalized values (X1) ÷ (X5), which are defined by the following formula [19]:
X i = X ˙ i 0.5 · ( X ˙ i , m a x + X ˙ i , m i n ) 0.5 · ( X ˙ i , m a x X ˙ i , m i n )
where: X ˙ i ,   X ˙ i , m a x ,   X ˙ i , m i n —current, maximum and minimum natural values of the i-th factor, respectively.
The range of collector surfaces, volumes of accumulation tanks, and consumption of DHW have been selected to represent the SDHW medium-sized system.
In order to create a database for the description of Y relationship (Equation (1)), a series of computer simulations were performed in TRNSYS environment software. Based on a symmetrical three-level plan [18], only 26 series of calculations were made. The QSC,i (Yi) estimation results for three different locations are shown in Table 5.
The results of these calculations QI,SC, QII,SC, QIII,SC (Table 5) were used to approximate the functions of the examined objects. The least squares method was chosen for this approximation. This procedure was performed using matrix calculus A = (XT X)−1 XT Y. In this vector notation: A denotes the column vector of the coefficients ai, X-experiment plan matrix, Y-column vector of the calculation results, and superscript T means matrix transpose. In this way, the three mathematical models were developed:
Madrid
Υ ^ I = 444.07 + 40.28 X 1 222.80 X 2 + 84.39 X 3 115.50 X 4 + 149.27 X 5 20.56 X 1 X 2 16.43 X 1 X 3 24.18 X 1 X 4 + 21.19 X 1 X 5 54.68 X 2 X 3 + 24.31 X 2 X 4 23.56 X 2 X 5 2.31 X 3 X 4 + 38.81 X 3 X 5 44.43 X 4 X 5 31.07 X 1 X 1 + 99.42 X 2 X 2 7.08 X 3 X 3 + 40.92 X 4 X 4 93.07 X 5 X 5 ,
Budapest
Υ ^ I I = 313.51 + 16.72 X 1 152.33 X 2 + 71.56 X 3 96.83 X 4 + 98.89 X 5 13.3 X 1 X 2 20.56 X 1 X 3 8.94 X 1 X 4 + 12.06 X 1 X 5 39.56 X 2 X 3 + 14.81 X 2 X 4 9.94 X 2 X 5 11.43 X 3 X 4 + 26.06 X 3 X 5 24.81 X 4 X 5 22.51 X 1 X 1 + 61.98 X 2 X 2 8.02 X 3 X 3 + 45.48 X 4 X 4 51.01 X 5 X 5 ,
Helsinki
Υ ^ I I I = 262.68 + 12.83 X 1 127.66 X 2 + 62.02 X 3 82.94 X 4 + 81.67 X 5 9.75 X 1 X 2 17.37 X 1 X 3 6.63 X 1 X 4 + 10.10 X 1 X 5 34.12 X 2 X 3 + 11.38 X 2 X 4 9.25 X 2 X 5 11.25 X 3 X 4 + 20.63 X 3 X 5 18.62 X 4 X 5 18.18 X 1 X 1 + 51.31 X 2 X 2 6.19 X 3 X 3 + 38.81 X 4 X 4 44.68 X 5 X 5 .
A characteristic feature of deterministic models is their unambiguous agreement between the external influence and the reaction to that influence. This principle was applied when the adequacy of the model was checked. The relevance of the Equations (3)–(5) were assessed by comparing the variance of the mean value S y 2 and the residual variance S r 2 :
S y 2 = ( Υ i Υ ¯ ) 2 N 1 ,
S r 2 = ( Υ ^ i Υ ¯ ) 2 N N b ,
where N is the number of calculations (N = 26) and Nb is the number of coefficients in the regression equation (Nb = 21).
The Fisher criterion [18,20], commonly known as the F-test, was used to exam the above models:
F = S y 2 ( N 1 ) S r 2 ( N N b ) .
The regression equation approximates the calculation results correctly if the Fisher criterion F is much higher than the tabular value Ft. For Equations (3)–(5), the value of F is 152.47, 30.98, and 32.38 for Madrid, Budapest, and Helsinki, respectively. However, the tabular value of Ft [19] is smaller and equal to 4.52. Therefore, it can be concluded that the developed models are adequate because Ft is many times lower than F. A particularly good fit of the regression predictions to the calculation results is confirmed by the coefficient of determinations R2, which are in the range from 0.9935 to 0.9942. Additionally, the significance of the coefficients of the regression equations was also checked using the t-criterion [19], with a positive result. The description of this procedure was omitted due to its complexity. Therefore, it was found that the models (Equations (3)–(5) should be considered useful for further analysis.
In conclusion, it should be mentioned that the data set for the development of the mathematical model and its subsequent testing was created using the TRNSYS software. The model was validated on the basis of the measurement data collected by the corresponding author of this paper.

3. Results and Discussion

The analysis of the influence of the examined factors X1 ÷ X5 on the annual useful energy output QSC of the collector was performed on mathematical models described by equations Equations (3)–(5). The center of the multivariate-space is formed by the average level of coefficients, i.e., in this case:
  • Volume of heat storage tanks VST = 7 m3 (X1 = 0),
  • Solar collector total area FSC = 100 m2 (X2 = 0),
  • Intercept (maximum) efficiency of solar collector ηo = 0.78 (X3 = 0),
  • Heat loss coefficient a1 = 6 W/(m2K) (X4 = 0),
  • Daily consumption of DHW m = 4800 kg/day (X5 = 0).
The annual useful energy output of the collector for selected groups of weather conditions are as follows: for Madrid (group I) QI.SC= 444 kWh/m2, for Budapest (group II) QII.SC= 313 kWh/m2, and for Helsinki (III group) QIII.SC= 263 kWh/m2. As can be seen from the above results, the QSC value for the same solar collector fluctuates significantly, i.e., compared to Madrid it decreases by 29.5% for Budapest and as much as 41.0% for Helsinki. It is caused by changes in various climatic parameters, especially by total tilted surface solar radiation, which decrease by 27.6% for Budapest and 38.1% for Helsinki. However, when comparing the decrease in solar radiation on a horizontal plane, these values are slightly different: 27.9% for Budapest and 43.0% for Helsinki. This proves that the use of simple mathematical equations where QSC is only a function of the radiation intensity can cause some errors in designing SDHW systems.
The influence of each factor on the QSC was then estimated from a mathematical point of view. In each of the considered models, the level of parameters impact varies. When changing the selected factors from the lower to the higher level, as could be expected, the energy output increases with the increase of the VST(X1), ηo(X3), m(X5) and decreases with increasing factors FSC (X2) and a1(X4). The effects of changes in ∆Qi.SC (natural and percentage) for each model are given in Table 5. As can be seen, weather conditions do not change the nature of the influence of the factors under consideration, but strongly change the degree of this influence. The most interesting and useful information for designers is the data on the interaction of factors in the obtained models. When analyzing the signs and values of the coefficients with double interactions certain regularities were noticed. They apply to all locations because the nature of the influence of the factors does not change in them.
Analysis of the results from Table 6 shows that increasing the capacity of the storage tank from 2 m3 to 12 m3 causes a change in QSC: the highest increase by 21.6% is achieved in hot weather conditions (Madrid) and the smallest by 11.1% in more severe climatic conditions (Helsinki).
Furthermore, it can be stated that increasing the collector area from 30 to 170 m2 strongly reduces the collector’s energy output and shows the highest negative effect among the factors under consideration. Despite the fact that the natural values of this decrease strongly fluctuate in various weather conditions, the percentage decrease in all locations is around −58%.
While change the optical efficiency of the collector ηo from 0.58 to 0.98 significantly increases the collector’s energy production, which ranges from 48% for Madrid to 64% for Helsinki. The increase in heat loss of the collector, characterized by the a1 coefficient, significantly reduces the QSC value. The average percentage change in this value is about 41% and slightly differs for all meteorological conditions.
The daily DHW consumption has the highest (positive) impact on the collector’s energy yield. QSC increases from 148% (Madrid) to 120% (Helsinki) with a change of m from 1200 kg/day to 8400 kg/day.
The interactions between the five parameters tested in this study are discussed below. Regarding the VST(X1), it can be observed that the positive effect of this factor decreases with the increase of the factors FSC(X2), ηo(X3), a1(X4), but increases with the increase of m(X5). For the two factors VST(X1) and m(X5) there is a synergism phenomenon, because when increasing them together, it affects more strongly than it would be when increasing them separately. The large negative effect of FSC(X2) increases with the increase of the factors VST(X1), ηo(X3), m(X5), but it decreases with the increase of a1(X4).
For the factor ηo(X3), its positive effect decreases with the increase of the factors VST(X1), FSC(X2), a1(X4), but increases with the increase of m(X5). For the two factors ηo(X3) and m(X5) there is also a synergy, as when each of them increase together the influence is stronger than it would be with a separate increase. For the factor m(X5), the high positive impact will be the stronger, with the greater factors VST(X1) and ηo(X3). For these two pairs of factors VST(X1)−m(X5) and ηo(X3)−m(X5) there is synergism, as each of them influences more strongly when increased together than with their separate increased. The positive influence of factor m(X5) will be smaller if the factors FSC(X2) and a1(X4) increase.
Next, the procedure of optimizing the value of energy produced by the collectors was carried out. As could be expected, the optimal values of the SDHW system parameters occur on the boundaries of the factor space. The maximum of the examined functions was achieved with the extreme values of the factors X2 = −1, X3 = +1, X4 = −1, X5 = +1. Only factor X1 changed the optimal value in different locations.
Thus, the maximum annual useful energy output (YI) is 1303 kWh/m2 for Madrid. YI, max is achieved with the following parameters: the storage tank capacity VST = 12m3, the collector area FSC = 30m2, the collector’s optical efficiency ηo = 0.98, the linear heat loss coefficient a1 = 2 W/m2·K, and the daily DHW consumption m = 8400 kg/day. In the case of Budapest weather zone, the function YII has a maximum of 918.5 kWh/m2 for storage tank capacity VST = 10.5m3, and for the function YIII (Helsinki weather conditions) the maximum of 768 kWh/m2 is obtained for VST = 10 m3.
It should be noted that the above analysis makes perfect sense from the point of view of mathematical relations. However, in design practice, sometimes a slightly different approach to such issues is needed. It often happens that in practical conditions we cannot obtain the maximum or optimal value of an objective function Yi, max estimated as a result of solving the optimization problem. In the case of SDHW systems, this may be due to the inability to install the appropriate number of collectors due to the insufficient roof area. Sometimes it also happens that it is not possible to design an appropriate volume of hot water storage tanks due to the lack of space in the district heating substations.
Using mathematical models, Equations (3)–(5), we can check whether the designed system is far from the optimal parameters in a given situation. To visualize this issue, three charts have been drawn up. The first one shows the effect of changing the amount of accumulated hot water on the useful energy output of the collectors (Figure 10). The second one shows the change of DHW consumption effects on the same parameter characterizing the collectors (Figure 11). The impact of the collector surface on their performance is presented in Figure 12. The calculations were made for the parameters located in the center of the multivariate-space that is formed by the average level of coefficients, i.e., equal to 0.
The trend of the influence of the storage tanks capacity on the collector performance (Figure 10) clearly shows that an increase in tank volume above 8 m3 does not make any practical sense in the case of Madrid, although the optimum is 10 m3. For the other two locations (Budapest, Helsinki), the maximum volume is between 8 m3 and 9 m3. However, as in the previous case, reducing the storage tank capacity by 2 m3 causes a decrease in useful energy output only by about 2.5%.
As can be seen in Figure 11, the change in the DHW consumption has a significant impact on the useful energy output of the collectors. An almost linear increase in the QSC of solar collectors in 70% of the range of DHW consumption change can be observed. In operating conditions, it often happens that the energy efficiency of the SDHW system is lower in summer, when the demand for DHW decreases due to holiday trips.
Sometimes it happens that an excessive number of collectors is designed when, for example, there is a large roof area to be used. As can be seen from the charts presented in Figure 12, the amount of energy converted into the heat by 1 m2 of solar panels significantly decreases with increasing their surface area. So, as we can see, the oversizing of the SDHW system significantly reduces its efficiency.
Figure 13 shows the effect of DHW consumption on the outlet temperature TOUT of the solar collectors. The calculations were made for Madrid, 30 m3 of collector area and 4 m3 of storage tank capacity in the period from 1 to 15 September. As could be expected, the highest temperature is achieved with the lowest DHW demand of 1200 kg/day. A 3.5-fold increase in daily consumption lowers TOUT value by an average of 21.2%, while its 7-fold increase reduces this temperature by slightly less, i.e., by 25%. Lowering the temperature of the water flowing out of the solar collectors will be associated of course with the need to provide more energy from a supplementary heat source.

4. Conclusions

This article presents a mathematical approach to the issue of the influence of selected parameters on the thermal performance of a solar collector. Based on the results of the computational experiment for hot (Madrid), moderate (Budapest) and cold (Helsinki) climatic zones, three new deterministic mathematical models (Equations (3)–(5) were developed. These equations can be used to determine the influence of five factors: volume of heat storage tanks, solar collector total area, maximum efficiency, and heat loss coefficient of solar collector, and daily consumption of DHW on the annual useful energy output. Based on these models, the degree and nature of the influence of the examined factors were estimated. It should be noted that the analysis presented in this article is the most appropriate for medium-sized SDHW systems.
The change of the examined factors from the lower to the upper level showed significant fluctuations in their impact both for individual factors and for the weather zones (Table 5). The useful energy output QSC of thermal solar collectors to a large extent depends on the weather conditions and, above all, the intensity of solar radiation. The QSC value is 29.5% lower for Budapest and 41% lower for Helsinki compared to the most suitable solar conversion zone in which Madrid is located.
The results of the optimization procedure according to the energy criterion showed that the maximum annual useful energy output, which is possible to supply from solar collectors, is 1303 kWh/m2 for Madrid weather conditions, 918.5 kWh/m2 for Budapest, and 768 kWh/m2 for Helsinki conditions.
The above results can be obtained at the optimum collector inclination β for a particular location, i.e., 36 degrees for Madrid, 39.5 degrees for Budapest, and 47.5 degrees for Helsinki. These values were not calculated based on the latitude that designers usually estimate it at. The novelty is the determination of the β value using the method described in this article.
It is planned to develop similar models for selected main cities in Europe. The obtained dependencies will allow to write a simple application that can be used for a relatively precise determination of the annual useful energy output of thermal collectors. It is also planned to carry out a similar mathematical experiment using Solar Fraction as the objective function.

Author Contributions

Conceptualization, M.Z. and W.J.; methodology, M.Z. and W.J.; energy simulations, M.Z.; mathematical modelling, W.J.; validation, M.Z.; formal analysis, W.J. and M.Z.; investigation, M.Z. and W.J.; writing—original draft preparation, M.Z. and W.J.; writing—review and editing, M.Z. and W.J.; project administration, M.Z.; funding acquisition, M.Z. and W.J. All authors have read and agreed to the published version of the manuscript.

Funding

This work was supported by the Bialystok University of Technology and financed by the Ministry of Science and Higher Education of the Republic of Poland [grant numbers WZ/WB-IIS/9/2019, WZ/WB-IIL/5/2019].

Institutional Review Board Statement

Not applicable.

Informed Consent Statement

Not applicable.

Data Availability Statement

Not applicable.

Conflicts of Interest

The authors declare no conflict of interest.

References

  1. Paris Agreement. Available online: https://unfccc.int/process-and-meetings/the-paris-agreement/the-paris-agreement (accessed on 15 March 2021).
  2. Decision of the European Commission. Available online: https://ec.europa.eu/clima/policies/eu-climate-action/2030_ctp_en (accessed on 15 March 2021).
  3. Kulkarni, G.N.; Kedare, S.B.; Bandyopadhyay, S. Determination of design space and optimization of solar water heating systems. Sol. Energy 2007, 81, 958–968. [Google Scholar] [CrossRef]
  4. Klein, S.A.; Beckman, W.A.; Duffie, J.A. Design Procedure for Solar Heating Systems. Sol. Energy 1976, 18, 113–126. [Google Scholar] [CrossRef]
  5. Beckman, W.A.; Klein, S.A.; Duffie, J.A. Solar Heating Design by the F-Chart Method; Wiley & Sons, Inc.: New York, NY, USA, 1977. [Google Scholar]
  6. Haberl, J.S.; Cho, S. Literature Review of Uncertainty of Analysis Methods (F-Chart Program); Report to the Texas Commission on Environmental Quality; Energy Systems Laboratory, Texas A&M University: College Station, TX, USA, 2004. [Google Scholar]
  7. Essabbani, T.; Moufekkir, F.; Mezrhab, A.; Naji, H. Numerical Computation of Thermal Performance of a Simulation of a Solar Domestic Hot Water System. Appl. Sol. Energy 2015, 51, 22–33. [Google Scholar] [CrossRef]
  8. Ayompe, L.M.; Duffy, A.; McCormack, S.J.; Conlon, M. Validated TRNSYS model for forced circulation solar water heating systems with flat plate and heat pipe evacuated tube collectors. Appl. Therm. Eng. 2011, 31, 1536–1542. [Google Scholar] [CrossRef]
  9. Hobbi, A.; Siddiqui, K. Optimal design of a forced circulation solar water heating system for a residential unit in cold climate using TRNSYS. Sol. Energy 2009, 83, 700–714. [Google Scholar] [CrossRef]
  10. Mongibello, L.; Bianco, N.; Caliano, M.; de Lucad, A.; Graditi, G. Transient analysis of a solar domestic hot water system using two different solvers. Energy Procedia 2015, 81, 89–99. [Google Scholar] [CrossRef]
  11. Lima, J.B.A.; Prado, R.T.A.; Taborianski, V.M. Optimization of tank and flat-plate collector of solar water heating system for single-family households to assure economic efficiency through the TRNSYS program. Renew. Energy 2006, 31, 1581–1595. [Google Scholar] [CrossRef]
  12. Mehmood, A.; Waqas, A.; Said, Z.; Rahman, S.M.A.; Akram, M. Performance evaluation of solar water heating system with heat pipe evacuated tubes provided with natural gas backup. Energy Rep. 2019, 5, 1432–1444. [Google Scholar] [CrossRef]
  13. Mohasseb, S.; Kasaeian, A. Comparing the Performance of Flat Plate Collector and Evacuated Tube Collector for Building and Industrial Usage in Hot and Cold Climate in Iran with TRNSYS Software. In Proceedings of the Ninth International Conference on Engineering Computational Technology, Napoli, Italy, 2–5 September 2014. [Google Scholar]
  14. TRNSYS 18. TRaNsient SYstem Simulation Program; Tutorials; Solar Energy Laboratory, University of Wisconsin-Madison: Madison, WI, USA, 2020; Volume 9. [Google Scholar]
  15. Ivanko, D.; Sorensen, A.L.; Nord, N. Selecting the model and influencing variables for DHW heat use prediction in a hotel in Norway. Energy Build. 2020, 228, 110441. [Google Scholar] [CrossRef]
  16. Fuentes, E.; Arce, L.; Salom, J. A review of domestic hot water consumption profiles for application in systems and buildings energy performance analysis. Renew. Sustain. Energy Rev. 2018, 81, 1530–1547. [Google Scholar] [CrossRef]
  17. Zukowski, M.; Radzajewska, P. A New Method to Determine the Annual Energy Output of Liquid-Based Solar Collectors. Energies 2019, 12, 4586. [Google Scholar] [CrossRef]
  18. Durakovic, B. Design of Experiments Application, Concepts, Examples: State of the Art. Period. Eng. Nat. Sci. 2017, 5, 421–439. [Google Scholar] [CrossRef]
  19. Korzynski, M. Metodyka eksperymentu. In Planowanie, Realizacja i Statystyczne Opracowanie Wynikow Eksperymentow Technologicznych; WNT: Warszawa, Poland, 2006. [Google Scholar]
  20. Hartmann, K.; Lezki, E.; Schär, W. Statistische Versuchsplanung und—Auswertung in der Stoffwirtschaft; VEB: Leipzig, Germany, 1977. [Google Scholar]
Figure 1. Scheme of the model of SDHW system developed in the TRNSYS software environment.
Figure 1. Scheme of the model of SDHW system developed in the TRNSYS software environment.
Energies 14 02753 g001
Figure 2. The screenshot of the scheme of the of SDHW system and working online data acquisition system.
Figure 2. The screenshot of the scheme of the of SDHW system and working online data acquisition system.
Energies 14 02753 g002
Figure 3. Dependence of annual useful energy output on the intensity of solar radiation for the FPC collector system.
Figure 3. Dependence of annual useful energy output on the intensity of solar radiation for the FPC collector system.
Energies 14 02753 g003
Figure 4. Average daily dry bulb temperature.
Figure 4. Average daily dry bulb temperature.
Energies 14 02753 g004
Figure 5. Average daily wind velocity.
Figure 5. Average daily wind velocity.
Energies 14 02753 g005
Figure 6. Average daily global solar radiation incident on a horizontal plane.
Figure 6. Average daily global solar radiation incident on a horizontal plane.
Energies 14 02753 g006
Figure 7. Dependence of the inclination angle of the solar collector on annual useful energy output for Madrid.
Figure 7. Dependence of the inclination angle of the solar collector on annual useful energy output for Madrid.
Energies 14 02753 g007
Figure 8. Dependence of the inclination angle of the solar collector on an annual useful energy output for Budapest.
Figure 8. Dependence of the inclination angle of the solar collector on an annual useful energy output for Budapest.
Energies 14 02753 g008
Figure 9. Dependence of the inclination angle of the solar collector on an annual useful energy output for Helsinki.
Figure 9. Dependence of the inclination angle of the solar collector on an annual useful energy output for Helsinki.
Energies 14 02753 g009
Figure 10. Dependence of the volume of heat storage tanks on an annual useful energy output.
Figure 10. Dependence of the volume of heat storage tanks on an annual useful energy output.
Energies 14 02753 g010
Figure 11. Dependence of the daily consumption of DHW on an annual useful energy output.
Figure 11. Dependence of the daily consumption of DHW on an annual useful energy output.
Energies 14 02753 g011
Figure 12. The influence of the collector surface area on an annual useful energy output.
Figure 12. The influence of the collector surface area on an annual useful energy output.
Energies 14 02753 g012
Figure 13. Outlet temperature from the solar collectors depending on the DHW consumption.
Figure 13. Outlet temperature from the solar collectors depending on the DHW consumption.
Energies 14 02753 g013
Table 1. List of the main modules of the SDHW system model.
Table 1. List of the main modules of the SDHW system model.
Type NumberModule Name
1Solar Collector; Quadratic Efficiency, 2nd Order Incidence Angle Modifiers
11Controlled flow diverter
14Time Dependent Forcing Function
15Weather Data Processor; Combines data reading, radiation processing and sky temperature calculations
24Quantity Integrator
91Heat Exchanger with Constant Effectiveness
114Single Speed Pump
115Controller for Tempering Valves-Heating Mode
138Auxiliary Fluid Heater
158Cylindrical Storage Tank
165ON/OFF Differential Controller
Table 2. DHW profile assumed in the model.
Table 2. DHW profile assumed in the model.
Hour0–78910111213–17181920212223–24
Fraction00.20.200.10.1000.10.10.10.10
Table 3. List of the main modules of the SDHW system model.
Table 3. List of the main modules of the SDHW system model.
Group NumberTownAverage Annual Outside Temperature [°C]Average Annual Wind Velocity [m/s]Solar Beam Radiation on Horizontal Surface [kWh/m2]Solar Diffuse Radiation on Horizontal Surface [kWh/m2]
IMadrid13.92.61006654
IIBudapest10.43.0529668
IIIHelsinki4.53.6463483
Table 4. Natural and standardized values of the factors.
Table 4. Natural and standardized values of the factors.
Factor Level X ˙ i VST [m3]
(X1)
FSC [m2]
(X2)
ηo [-]
(X3)
a1 [W/(m2K)]
(X4)
m [kg/d]
(X5)
Low (−1)2.030.00.582.01200
Medium (0)7.0100.00.786.04800
High (+1)12.0170.00.9810.08400
Range of variability ΔXi5.070.00.204.03600
Table 5. Planning matrix and calculation results of annual useful energy output [kWh/m2].
Table 5. Planning matrix and calculation results of annual useful energy output [kWh/m2].
NoVSTFSCηoa1mQI,SCQII,SCQIII,SC
X1X2X3X4X5YI,iYII,iYIII,i
12
−1
30
−1
0.58
−1
2
−1
8400
+1
721504425
212
+1
30
−1
0.58
−1
2
−1
1200
−1
570407339
32
−1
170
+1
0.58
−1
2
−1
1200
−1
11810898
412
+1
170
+1
0.58
−1
2
−1
8400
+1
500349293
52
−1
30
−1
0.98
+1
2
−1
1200
−1
641545474
612
+1
30
−1
0.98
+1
2
−1
8400
+1
1289901758
72
−1
170
+1
0.98
+1
2
−1
8400
+1
505438373
812
+1
170
+1
0.98
+1
2
−1
1200
−1
145141133
92
−1
30
−1
0.58
−1
10
+1
1200
−1
286192161
1012
+1
30
−1
0.58
−1
10
+1
8400
+1
570391331
112
−1
170
+1
0.58
−1
10
+1
8400
+1
1339985
1212
+1
170
+1
0.58
−1
10
+1
1200
−1
755245
132
−1
30
−1
0.98
+1
10
+1
8400
+1
799575490
1412
+1
30
−1
0.98
+1
10
+1
1200
−1
508355300
152
−1
170
+1
0.98
+1
10
+1
1200
−1
977564
1612
+1
170
+1
0.98
+1
10
+1
8400
+1
294203171
172
−1
100
0
0.78
0
6
0
4800
0
376272229
1812
+1
100
0
0.78
0
6
0
4800
0
450310260
197
0
30
−1
0.78
0
6
0
4800
0
791544455
207
0
170
+1
0.78
0
6
0
4800
0
296207173
217
0
100
0
0.58
−1
6
0
4800
0
330227191
227
0
100
0
0.98
+1
6
0
4800
0
544384322
237
0
100
0
0.78
0
2
−1
4800
0
661505425
247
0
100
0
0.78
0
10
+1
4800
0
309213178
257
0
100
0
0.78
0
6
0
1200
−1
193159139
267
0
100
0
0.78
0
6
0
8400
+1
509354297
Table 6. Effects of changing X1 ÷ X5 factors from lower to higher level on annual useful energy output [kWh/m2/%].
Table 6. Effects of changing X1 ÷ X5 factors from lower to higher level on annual useful energy output [kWh/m2/%].
Group NumberVSTFSCηoa1m
X2X3X4X5
I+80.56
(21.6%)
−445.60
(−58.2%)
+168.78
(+47.9%)
−231.00
(−38.5%)
+298.54
(+148%)
II+33.44
(+12.2%)
−304.66
(−57.7%)
+143.12
(+61.2%)
−193.66
(−42.5%)
+197.78
(+120.9%)
III+25.66
(+11.1%)
−255.32
(−57.8%)
+124.12
(+63.8%)
−165.88
(−43.1%)
+163.34
(+119.8%)
Publisher’s Note: MDPI stays neutral with regard to jurisdictional claims in published maps and institutional affiliations.

Share and Cite

MDPI and ACS Style

Zukowski, M.; Jezierski, W. New Deterministic Mathematical Model for Estimating the Useful Energy Output of a Medium-Sized Solar Domestic Hot Water System. Energies 2021, 14, 2753. https://doi.org/10.3390/en14102753

AMA Style

Zukowski M, Jezierski W. New Deterministic Mathematical Model for Estimating the Useful Energy Output of a Medium-Sized Solar Domestic Hot Water System. Energies. 2021; 14(10):2753. https://doi.org/10.3390/en14102753

Chicago/Turabian Style

Zukowski, Miroslaw, and Walery Jezierski. 2021. "New Deterministic Mathematical Model for Estimating the Useful Energy Output of a Medium-Sized Solar Domestic Hot Water System" Energies 14, no. 10: 2753. https://doi.org/10.3390/en14102753

APA Style

Zukowski, M., & Jezierski, W. (2021). New Deterministic Mathematical Model for Estimating the Useful Energy Output of a Medium-Sized Solar Domestic Hot Water System. Energies, 14(10), 2753. https://doi.org/10.3390/en14102753

Note that from the first issue of 2016, this journal uses article numbers instead of page numbers. See further details here.

Article Metrics

Back to TopTop