Zero-Sequence Differential Current Protection Scheme for Converter Transformer Based on Waveform Correlation Analysis
Abstract
:1. Introduction
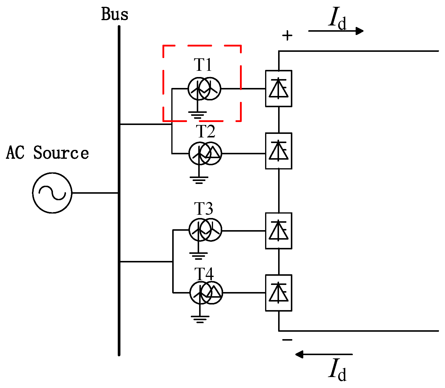
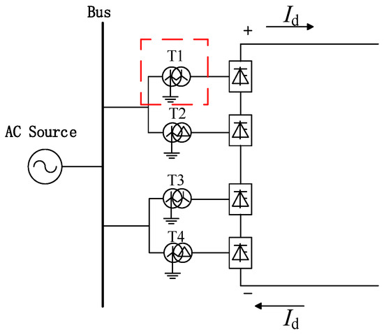
2. Principle of Zero-Sequence Differential Current Protection for Converter Transformer
3. Impact of Recovery Inrush Current on the Zero-sequence Differential Current Protection
3.1. The Mechanism of Recovery Inrush Current of Fault on the Converter Transformer
3.2. Effect of CT Saturation Caused by Recovery Inrush in Zero-Sequence Differential Current Protection
4. A New Principle of Zero-Sequence Differential Current Protection Based on Waveform Correlation Analysis
4.1. The Basic Principle of Waveform Correlation
4.2. A New Criterion for Zero-Sequence Differential Current Protection Based on Waveform Correlation Analysis
5. The Simulation Analysis
5.1. External Fault of Converter Transformer (Excluding CT Saturation)
5.2. External Fault of Converter Transformer (Taking CT Saturation into Account)
5.3. Recovery Inrush Current (Taking CT Saturation into Account)
5.4. Internal Fault of Converter Transformer (Excluding CT Saturation)
5.5. Internal Fault of Converter Transformer (Taking CT Saturation into Account)
6. Conclusions
Author Contributions
Funding
Conflicts of Interest
References
- Wang, W. Necessity of zero-sequence differential protection for large-sized transformer. Electr. Power Autom. Equip. 2003, 23, 1–5. [Google Scholar]
- Zhang, X.; Shan, Q.; Zhang, X. Several problems on zero-sequence differential protection for transformer. Relay 2005, 33, 13–17. [Google Scholar]
- Zhu, S. Discussion on transformer zero-sequence current differential protection. Electr. Power Autom. Equip. 2003, 23, 5–8. [Google Scholar]
- Shi, H. Analysis of a 500 kV transformer zero-sequence differential protection mis-operation accident. In Proceedings of the 13th national symposium on protection and control, Nanjing, China, 1 December 2011; pp. 62–64. [Google Scholar]
- Zhan, Q.; Wang, S.; Zhang, S. Analysis of a 500 kV transformer zero-sequence differential protection fault and its prevention. Relay 2007, 35, 71–73. [Google Scholar]
- Shan, Y. Analysis of a 220 kV autotransformer zero-sequence differential protection fault and its prevention. In Proceedings of the 2011 Yunnan Electric Power Technology Forum, Yunnan, China, 15 November 2011. [Google Scholar]
- Luo, Y.; Chen, Z. On the algorithm of resisting current of transformer’s zero-sequence differential protection. South. Power Syst. Technol. 2011, 5, 77–80. [Google Scholar]
- Wu, D.; Yin, X.; Zhang, Z.; Bao, K.P. Zero-sequence current automatic compensation of transformer differential protection based on negative-sequence current. Electr. Power Autom. Equip. 2007, 27, 28–31. [Google Scholar]
- Ding, S.; Lin, X.; Zhang, Z. Mal-operation risk analysis and countermeasure on ze-ro-sequence differential protection of converter substation during existence of recovery inrush due to fault removal. Proc. CSEE 2017, 33, 13–17. [Google Scholar]
- Lu, J. Operation Performance Analyses and Novel Principles Studies on Differential-Type Protections of Power Transformer Under AC-DC Deeply Coupling Interactions; Huazhong University of Science and Technology: Wuhan, China, 2016. [Google Scholar]
- Zheng, T.; Wang, Z.; Wong, H.; Lin, X. Key Technology and New Principle of Differential Protection for EHV / UHV Transformers; Beijing Science Press: Beijing, China, 2017. [Google Scholar]
- Lei, Y.; Duan, J.; Zhang, X.; Li, Y.G.; Zhang, Y.Y.; Zhang, W.C.; Jin, Z.T. Identification of current transformer J-A model parameters with large current dynamic simulation experiments. Proc. CSEE 2016, 36, 240–245. [Google Scholar]
- Wong, H.; Liu, L.; Lin, X.; Jin, N.; Li, Z.; Huang, J. Mechanism and countermeasures of mal-operation of converter transformer zero-sequence overcurrent protection casused by inrush currents. Autom. Electr. Power Syst. 2019, 43, 171–182. [Google Scholar]
- Li, X.; Luan, Q.; Wang, Y.; Tan, L.; Hao, H. Bus-bar protection scheme based on correlation of coefficients of sampled current values. Autom. Electr. Power Syst. 2014, 38, 107–111. [Google Scholar]
- Chen, D.; Huang, J.; Zhang, L. Identification of transformer excitation inrush based on correlation analysis between two Fourier algorithms. Electr. Power Autom. Equip. 2010, 30, 71–74. [Google Scholar]
- Zou, G.; Huang, Q.; Song, S.; Tong, B.; Gao, H. Novel transient-energy-based directional pilot protection method for HVDC line. PCMP 2017, 2, 15. [Google Scholar] [CrossRef]
- Zheng, T.; Guo, X.; Hu, X.; Yu, Y.; Zheng, X.; Wang, X. Mechanism of fault inrush current of inverter-side converter transformer and its influence on differential protection. Electr. Power Autom. Equip. 2019, 39, 39–45. [Google Scholar]
- Wu, Z.; Zeng, G.; Li, Y.; Wang, F.; Tu, Q.; Yang, Y.; Zhao, Q. A novel criterion for fast protection of transformer based on Hausdorff distance and double threshold. Power Syst. Prot. Control. 2019, 47, 128–135. [Google Scholar]
- Zhang, K.; Qi, X.; Hu, W.; Zhang, S.; Chen, K.; Yin, X. Impact of the CT saturation of the delta winding on the HVDC protection and its countermeasure. Power Syst. Prot. Control. 2016, 44, 99–105. [Google Scholar]
- Guzman, A.; Zocholl, S.; Benmouyal, G.; Altuve, H.J. A current-based solution for transformer differential protection, part II: Description and evaluation. IEEE Trans. Power Deliv. 2002, 17, 886–893. [Google Scholar] [CrossRef]
- Angel, R.; Juan, C.B. Influence of tertiary stabilizing windings on zero-sequence performance of three-Phase three-Legged YNynd transformers. part II: Tank overheating hazard and short-circuit duty. Electr. Power Syst. Res. 2017, 145, 149–156. [Google Scholar]
- Suonan, J.-L.; Zhang, J.-M.; Xu, L.-Q.; Tan, S.-F. Study of zero-sequence differential protection for transformer with Yn/Δ connection. Power Syst. Prot. Control. 2010, 38, 54–61. [Google Scholar]
- Wang, B.; Li, B.; Song, X. Verification method for transformer CT wiring based on instantaneous power theory. Power Syst. Prot. Control. 2019, 47, 173–179. [Google Scholar]
- Cao, W.; Qi, X.; Zhang, K.; Yin, X.; Zhang, Z.; Guo, Q. The impact of the CT saturation on the HVDC protection and its countermeasure. IEEJ Trans. Electr. Electron. Eng. 2017, 12, 834–840. [Google Scholar] [CrossRef]
- Li, S.; Ding, R. An identification method for low-frequency oscillation based on signal correlation. Power Syst. Prot. Control. 2018, 46, 46–54. [Google Scholar]



















| Parameters | Value |
|---|---|
| Rated Capacity (MW) | 760 |
| Rated Ratio (kV) | 525/170 |
| Connection Method | Y0/Y |
| Positive Sequence Linkage (p.u.) | 0.18 |
| Hollow Reactance (p.u.) | 0.2 |
| Saturation Point (p.u.) | 1.25 |
| Excitation Current (p.u.) | 1% |
| Fault Type | Traditional Zero-Sequence Differential Protection Criterion | New Criterion of Zero-Sequence Differential Protection Based on Waveform Correlation | |||
|---|---|---|---|---|---|
| Amplitude of Differential Current (p.u.) | Action Situation | Minimum Value of Correlation Coefficient rab.min (p.u.) | Action Situation | ||
| Internal Fault | Metallic grounding without CT saturation | 1.6 | √ | −1 | √ |
| Grounding through a 10Ω transition resistor without CT saturation | 1.1 | √ | −1 | √ | |
| Grounding through a 100Ω transition resistor without CT saturation | 0.62 | √ | −1 | √ | |
| Metallic grounding with CT saturation | 1.15 | √ | −1 | √ | |
| External Fault | Metallic grounding without CT saturation | 0 | × | 1 | × |
| Metallic grounding with CT saturation | 0.49 | * | 0.96 | × | |
| Recovery Inrush Current | External fault removal without CT saturation | 0 | × | 0.99 | × |
| External fault removal with CT saturation | 0.51 | * | 0.57 | × | |
© 2020 by the authors. Licensee MDPI, Basel, Switzerland. This article is an open access article distributed under the terms and conditions of the Creative Commons Attribution (CC BY) license (http://creativecommons.org/licenses/by/4.0/).
Share and Cite
Zheng, T.; Yang, X.; Guo, X.; Wang, X.; Zhang, C. Zero-Sequence Differential Current Protection Scheme for Converter Transformer Based on Waveform Correlation Analysis. Energies 2020, 13, 1814. https://doi.org/10.3390/en13071814
Zheng T, Yang X, Guo X, Wang X, Zhang C. Zero-Sequence Differential Current Protection Scheme for Converter Transformer Based on Waveform Correlation Analysis. Energies. 2020; 13(7):1814. https://doi.org/10.3390/en13071814
Chicago/Turabian StyleZheng, Tao, Xinhui Yang, Xingchao Guo, Xingguo Wang, and Chengqi Zhang. 2020. "Zero-Sequence Differential Current Protection Scheme for Converter Transformer Based on Waveform Correlation Analysis" Energies 13, no. 7: 1814. https://doi.org/10.3390/en13071814
APA StyleZheng, T., Yang, X., Guo, X., Wang, X., & Zhang, C. (2020). Zero-Sequence Differential Current Protection Scheme for Converter Transformer Based on Waveform Correlation Analysis. Energies, 13(7), 1814. https://doi.org/10.3390/en13071814
