Design of Microgrid Protection Schemes Using PSCAD/EMTDC and ETAP Programs
Abstract
1. Introduction
2. Protection Theory
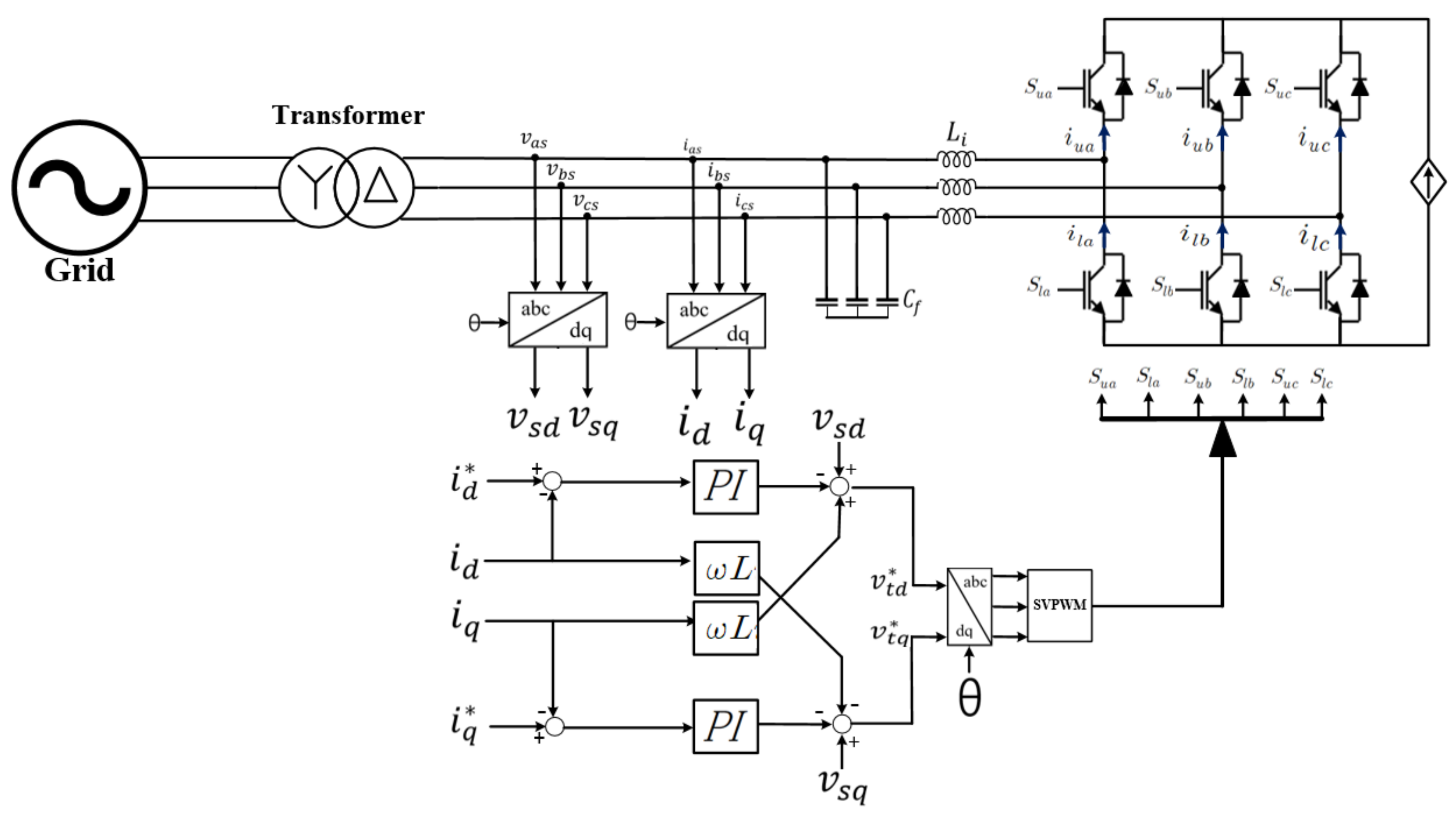
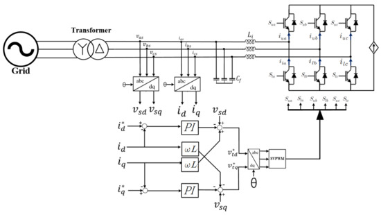
2.1. LVRT Control Method
2.2. Fault Current Calculation
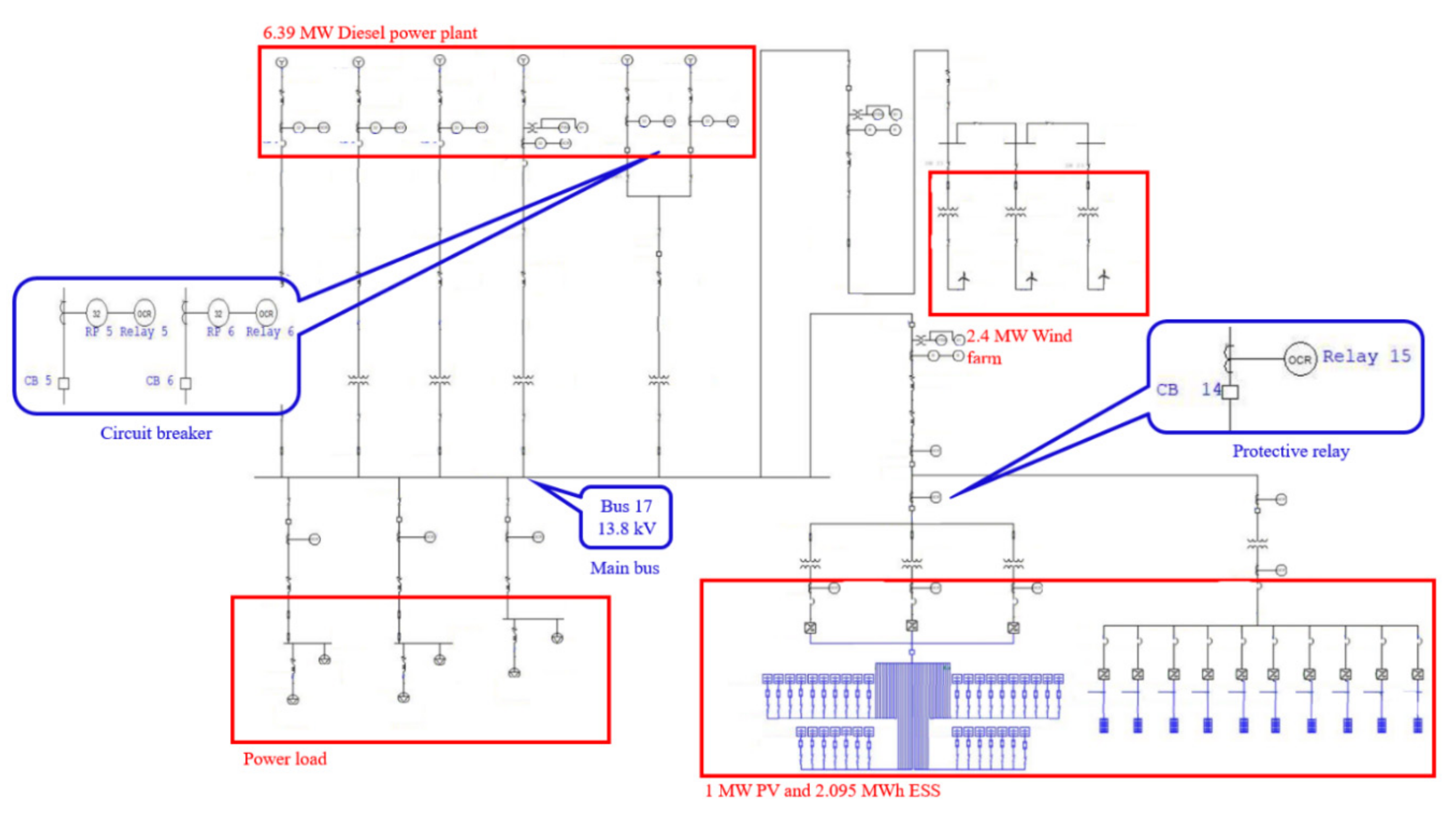
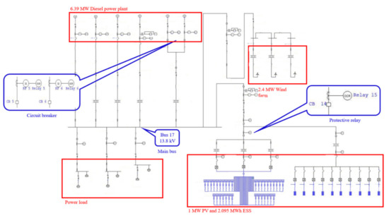
3. Power System Modeling of a Microgrid
3.1. Power System Modeling Using PSCAD/EMTDC
3.2. Power System Modeling Using ETAP
4. Simulation Results
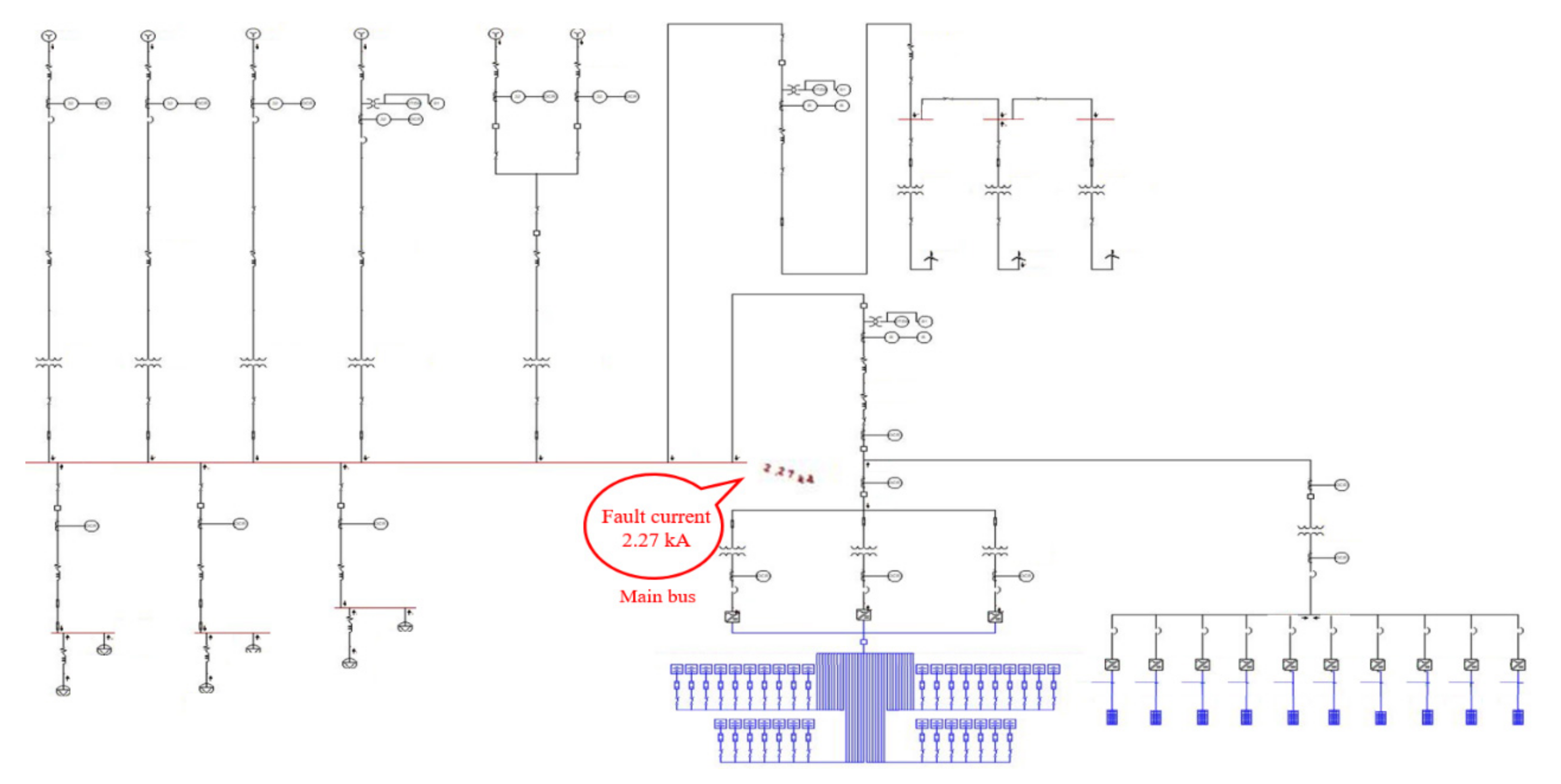
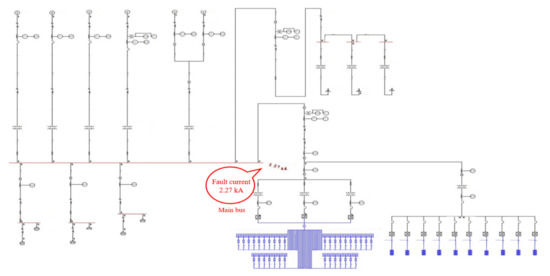
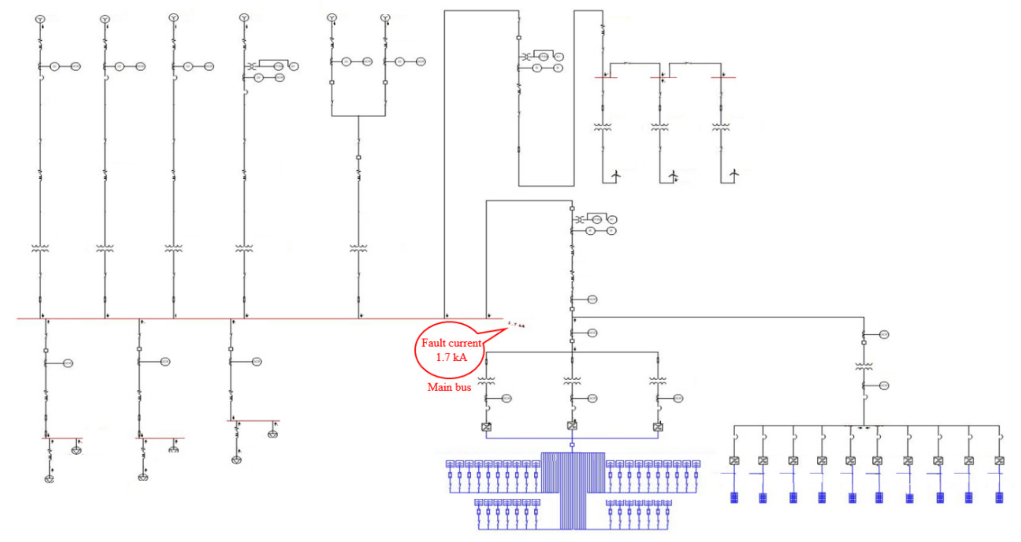
4.1. Scenario 1—Ground Fault Accident of Main Power Plant Bus (13.8 kV)
4.1.1. Using PSCAD/EMTDC
4.1.2. Using ETAP
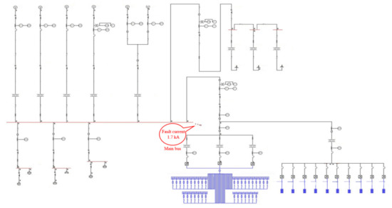
4.2. Scenario 2—Three-Phase Fault Accident of Main Power Plant Bus (13.8 kV)
4.2.1. Using PSCAD/EMTDC
4.2.2. Using ETAP
5. Discussion
6. Conclusions
Author Contributions
Funding
Acknowledgments
Conflicts of Interest
Nomenclature
| d-axis terminal voltage | |
| q-axis terminal voltage | |
| d-axis grid voltage | |
| q-axis grid voltage | |
| d-axis current | |
| q-axis current | |
| Upper arm IGBT ( | |
| Lower arm IGBT ( | |
| Upper arm current ( | |
| Lower arm current ( | |
| Filter inductance | |
| Proportional gain | |
| Integral gain | |
| Grid’s angular frequency | |
| Voltage error | |
| Reference of active power | |
| Reference of reactive power | |
| Initial symmetrical short-circuit current | |
| Nominal voltage | |
| Equivalent impedance | |
| Peak short-circuit current | |
| IEC | International Electrotechnical Commission |
| RMS | Root mean square |
| AC | Alternating current |
| DC | Direct current |
| ESS | Energy storage system |
| PCS | Power conversion system |
| LVRT | Low voltage ride through |
| IGBT | Insulated gate bipolar transistor |
| PV | Photovoltaic |
| WT | Wind turbine |
References
- Hay, S.; Ferguson, A. A Review of Power System Modelling Platforms and Capabilities; IET Special Interest Publication for the Council for Science and Technology on, 2015. Available online: https://www.theiet.org/media/1291/pnjv-3-15.pdf (accessed on 4 November 2020).
- Mohammadhassani, A.; Teymouri, A.; Mehrizi-Sani, A.; Tehrani, K. Performance Evaluation of an Inverter-Based Microgrid under Cyberattacks. In Proceedings of the 2020 IEEE 15th International Conference of System of Systems Engineering (SoSE), Budapest, Hungary, 2–4 June 2020. [Google Scholar]
- Kazerani, M.; Tehrani, K. Grid of Hybrid AC/DC Microgrids: A New Paradigm for Smart City of Tomorrow. In Proceedings of the 2020 IEEE 15th International Conference of System of Systems Engineering (SoSE), Budapest, Hungary, 2–4 June 2020. [Google Scholar]
- Brucoli, M.; Green, T.C.; McDonald, J.D.F. Modelling and Analysis of Fault Behaviour of Inverter Microgrids to Aid Future Fault Detection. In Proceedings of the System of Systems Engineering, San Antonio, TX, USA, 16–18 September 2007. [Google Scholar]
- Niewind, J.; Hemdan, N.G.A.; Klosinski, C.; Kurrat, M.; Gerdinand, F.; Meisner, J.; Passon, S. PSCAD/EMTDC-based simulations for fault analysis and fault identification in 380V ring DC systems. In Proceedings of the 2017 IEEE Second International Conference on DC Microgrids, Nuremburg, Germany, 27–29 June 2017. [Google Scholar]
- Zhang, Z.; Xiang, M.; Liu, Y.; Zhou, M. PSCAD/EMTDC based SVPWM inverter simulation. In Proceedings of the International Conference on Sustainable Power Generation and Supply, 2012., Hangzhou, China, 8–9 September 2012. [Google Scholar]
- Farrokhabadi, M.; Canizares, C.; Bhattacharya, K. A voltage-based frequency controller for inverter-based systems in microgrids. In Proceedings of the 2016 IEEE Power and Energy Society General Meeting, Boston, MA, USA, 17–21 July 2016. [Google Scholar]
- Farkhani, J.S.; Zareein, M.; Soroushmehr, H.; Mortazavi, H. Coordination of Directional Overcurrent Protection Relay for Distribution Network with Embedded DG. In Proceedings of the 2019 5th Conference on Knowledge Based Engineering and Innovation, Tehran, Iran, 28 February–1 March 2019. [Google Scholar]
- Pathan, M.; Shah, A. Co-ordination of protective relays for 16MW load system using ETAP. In Proceedings of the 2017 International Conference on Energy, Communication, Data Analytics and Soft Computing, Chennai, India, 1–2 August 2017. [Google Scholar]
- Freitas, W.; Morelato, A. Comparative Study between Power System Blockset and PSCAD / EMTDC for Transient Analysis of Custom Power Devices Based on Voltage Source Converter. In Proceedings of the 2003 International Conference on Power Systems Transients, New Orleans, USA, 28 September–2 October 2003. [Google Scholar]
- Awalin, L.J.; Tasnim, T.; Tien, T.L.; Suyono, H. Comparison study of fault location on distribution network using PSCAD and DIgSILENT power factory by using matching approaches. Indones. J. Electr. Eng. Comput. Sci. 2020, 17, 78–85. [Google Scholar] [CrossRef]
- Yang, S.; Franklin, G.A. Switching transient overvoltage study simulation comparison using PSCAD/EMTDC and EMTP-RV. In Proceedings of the IEEE Southeastcon, Orlando, FL, USA, 15–18 March 2012. [Google Scholar]
- Li, Y.; Meng, K.; Dong, Z.Y.; Zhang, W. Sliding Framework for Inverter-Based Microgrid Control. IEEE Trans. Power Syst. 2020, 35, 1657–1660. [Google Scholar] [CrossRef]
- Sahoo, A.K. Protection of microgrid through coordinated directional over-current relays. In Proceedings of the 2014 IEEE Global Humanitarian Technology Conference—South Asia Satellite, Trivandrum, India, 26–27 September 2014. [Google Scholar]
- Sharma, A.; Panigrahi, B.K. Phase Fault Protection Scheme for Reliable Operation of Microgrids. IEEE Trans. Ind. Appl. 2017, 54, 2646–2655. [Google Scholar] [CrossRef]
- Kadukar, P.R.; Shete, P.S.; Gawande, S.P. Transient Analysis of Distributed Generation AC Microgrid using ETAP. In Proceedings of the 2018 International Conference on Current Trends towards Converging Technologies, Coimbatore, India, 1–3 March 2018. [Google Scholar]
- Dewadasa, M.; Ghosh, A.; Ledwich, G. Protection of microgrids using differential relays. In Proceedings of the 2011 the Australasian Universities Power Engineering Conference, Brisbane, QLD, Australia, 25–28 September 2011. [Google Scholar]
- Lee, W.G.; Nguyen, T.T.; Yoo, H.J.; Kim, H.M. Low-Voltage Ride-Through Operation of Grid-Connected Microgrid Using Consensus-Based Distributed Control. Energies 2018, 11, 2867. [Google Scholar] [CrossRef]
- Shin, H.; Jung, H.S.; Sul, S.K. Low Voltage Ride through(LVRT) control strategy of grid-connected variable speed Wind Turbine Generator System. In Proceedings of the 8th International Conference on Power Electronics—ECCE Asia, Jeju, Korea, 30 May–3 June 2011. [Google Scholar]
- Peng, X.; Wang, W. A new lvrt method applied on the integration of distributed wind power generation. In Proceedings of the 2012 China International Conference on Electricity Distribution, Shanghai, China, 10–14 September 2012. [Google Scholar]
- Micallef, A.; Staines, C.S. Voltage rise mitigation and low voltage ride through capabilities for grid-connected low voltage microgrids. In Proceedings of the 2017 19th European Conference on Power Electronics and Applications, Warsaw, Poland, 11–14 September 2017. [Google Scholar]
- Georgious, R.; Garcia, J.; Sumner, M.; Saeed, S.; Garcia, P. Fault Ride-Through Power Electronic Topologies for Hybrid Energy Storage Systems. Energies 2020, 13, 257. [Google Scholar] [CrossRef]
- Liu, W.; Gong, Y.; Geng, G.; Jiang, Q. Optimal control of PV ramp rate using multiple energy storage system. Refined ramp event characterisation for wind power ramp control using energy storage system. IET Renew. Power Gener. 2019, 13, 1731–1740. [Google Scholar] [CrossRef]
- Senarathna, T.S.S.; Hemapala, K.T.M.U. Optimized Adaptive Overcurrent Protection Using Hybridized Nature-Inspired Algorithm and Clustering in Microgrids. Energies 2020, 13, 3324. [Google Scholar] [CrossRef]
- Baloch, S.; Jamali, S.Z.; Mehmood, K.K.; Bukhari, S.B.A.; Zaman, M.S.U.; Hussain, A.; Kim, C. Microgrid Protection Strategy Based on the Autocorrelation of Current Envelopes Using the Squaring and Low-Pass Filtering Method. Energies 2020, 13, 2350. [Google Scholar] [CrossRef]
- Dogruer, T.; Tan, N. Design of PI Controller using Optimization Method in Fractional Order Control System. IFAC 2018, 51, 841–846. [Google Scholar] [CrossRef]
- Yaniv, O.; Nagurka, M. Robust pi controller design satisfying sensitivity and uncertainty specifications. IEEE Trans. Autom. Control 2003, 48, 2069–2072. [Google Scholar] [CrossRef]
- Operation Technology, Inc. ETAP 16 User Guide 2016; Operation Technology, Inc.: Irvine, CA, USA, 2016. [Google Scholar]
- Ntare, R.; Abbasy, N.H.; Youssef, K.H.M. Low Voltage Ride through Control Capability of a Large Grid Connected PV System Combining DC Chopper and Current Limiting Techniques. J. Power Energy Eng. 2019, 7, 62–79. [Google Scholar] [CrossRef]
- Jin, Y.; Wu, D.; Ju, P.; Rehtanz, C.; Wu, F.; Pan, X. Modeling of Wind Speeds Inside a Wind Farm with Application to Wind Farm Aggregate Modeling Considering LVRT Characteristic. IEEE Trans. Energy Convers. 2020, 35, 508–519. [Google Scholar] [CrossRef]



























| Items | Values | |
|---|---|---|
| Common parameters | Grid frequency | 60 Hz |
| Primary side transformer voltage | 13.8 kV | |
| PV | Secondary side transformer voltage | 0.38 kV |
| Rated converter capacity | 100 kW | |
| Filter inductance | 0.89 mH | |
| Filter capacitance | 90 uF | |
| Switching frequency | 5000 Hz | |
| Controller bandwidth DC link voltage | 2000 rad/s 0.8 kV | |
| ESS | Secondary side transformer voltage | 0.38 kV |
| Rated converter capacity | 500 kW | |
| Filter inductance | 0.36 mH | |
| Filter capacitance | 459 uF | |
| Switching frequency | 2500 Hz | |
| Controller bandwidth DC link voltage | 1000 rad/s 0.8 kV | |
| Wind turbine | Secondary side transformer voltage | 0.44 kV |
| Rated converter capacity | 800 kW | |
| Filter inductance | 0.22 mH | |
| Filter capacitance | 734 uF | |
| Switching frequency | 2500 Hz | |
| Controller bandwidth DC link voltage | 1000 rad/s 1 kV | |
| PCS | Single Ground Fault Current (kA) | Three-Phase Fault Current (kA) |
|---|---|---|
| 100 kW (PV) | 0.6 | 0.5 |
| 500 kW (ESS) | 0.7 | 0.6 |
| 800 kW (Wind turbine) | 2.5 | 2.2 |
| Items | Single Ground Fault Current (kA) | Three-Phase Fault Current (kA) |
|---|---|---|
| PV plant side bus | 0.58 | 0.50 |
| ESS side bus | 1.28 | 1.07 |
| Wind farm side bus | 0.68 | 0.98 |
Publisher’s Note: MDPI stays neutral with regard to jurisdictional claims in published maps and institutional affiliations. |
© 2020 by the authors. Licensee MDPI, Basel, Switzerland. This article is an open access article distributed under the terms and conditions of the Creative Commons Attribution (CC BY) license (http://creativecommons.org/licenses/by/4.0/).
Share and Cite
Shin, H.; Chae, S.H.; Kim, E.-H. Design of Microgrid Protection Schemes Using PSCAD/EMTDC and ETAP Programs. Energies 2020, 13, 5784. https://doi.org/10.3390/en13215784
Shin H, Chae SH, Kim E-H. Design of Microgrid Protection Schemes Using PSCAD/EMTDC and ETAP Programs. Energies. 2020; 13(21):5784. https://doi.org/10.3390/en13215784
Chicago/Turabian StyleShin, Hyun, Sang Heon Chae, and Eel-Hwan Kim. 2020. "Design of Microgrid Protection Schemes Using PSCAD/EMTDC and ETAP Programs" Energies 13, no. 21: 5784. https://doi.org/10.3390/en13215784
APA StyleShin, H., Chae, S. H., & Kim, E.-H. (2020). Design of Microgrid Protection Schemes Using PSCAD/EMTDC and ETAP Programs. Energies, 13(21), 5784. https://doi.org/10.3390/en13215784

