Adaptive Single-Pole Auto-Reclosing Scheme Based on Secondary Arc Voltage Harmonic Signatures
Abstract
:1. Introduction
2. Basic Concepts
2.1. Principle of Adaptive Single-Pole Auto-Reclosing
2.2. Secondary Arc
2.3. Short-Time Fourier Transform
3. Fault Characteristics Based on Harmonic Analysis
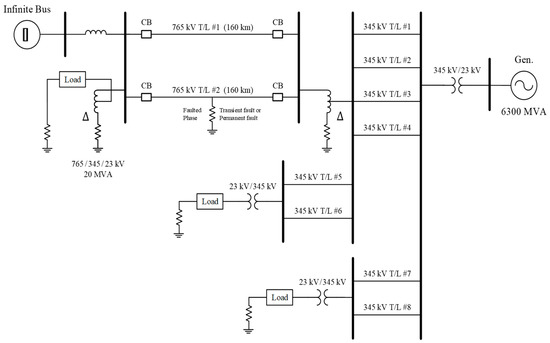
3.1. Study System Conditions
3.2. Harmonic Analysis of the Faulted-Phase Voltage (Transient/Permanent)
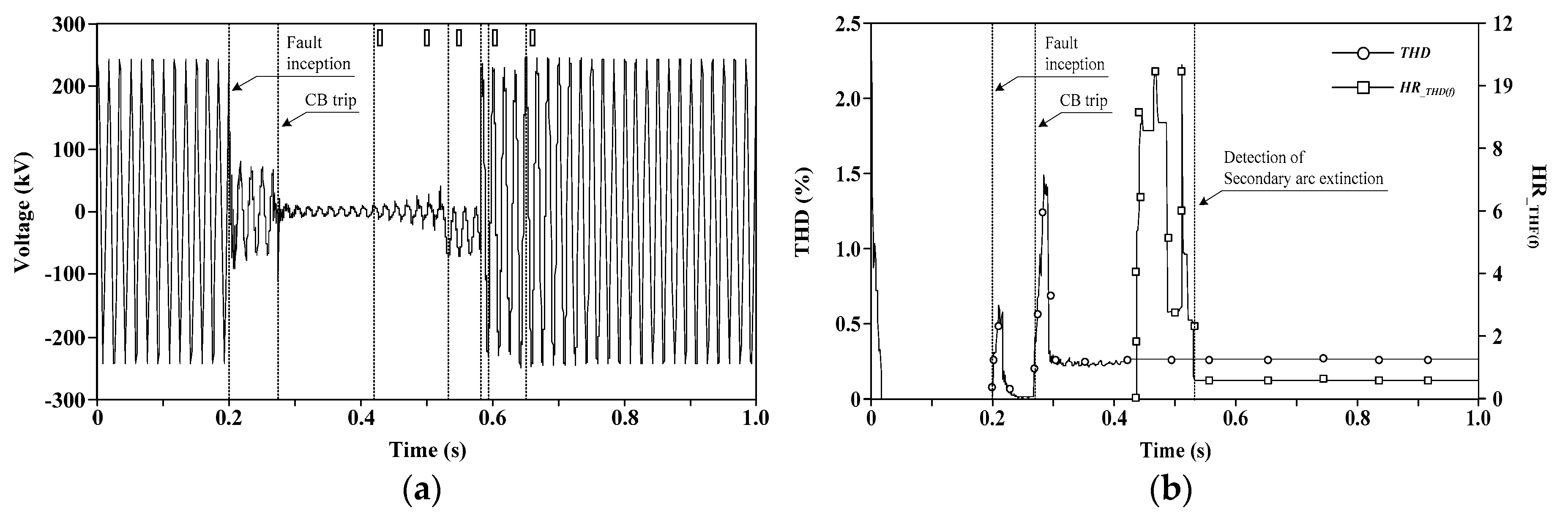
- The THD of the faulted-phase voltage during the transient fault exhibits a sharp increase and decrease at the time when the CB is tripped, after which it gradually increases until the final extinction of the secondary arc.
- The THD of the faulted phase voltage during the transient fault depicts a drastic decrease immediately after the final extinction of the secondary arc.
- In the case of the permanent fault, the THD of the faulted-phase voltage shows a rapid increase only at the time when the CB is tripped and then continues to decrease.
- In the case of even-order harmonics of the faulted phase, the harmonics is quite large near the extinction point of the secondary arc, while the magnitude is considerably small before that.
- The odd-order harmonics of the faulted phase are not only relatively large around the extinction point of the secondary arc, but also have a certain value before that.
- After secondary arc extinction, there is a significant difference in the harmonic variation between the odd- and even-order harmonics.
- A common characteristic is that the higher the order of the harmonics, the lower the number of harmonics included in the voltage waveform will be. In other words, most of the harmonic components tend to be distributed toward the low-order harmonics.
- Therefore, when analyzing and utilizing the harmonic components contained in the secondary arc voltage during the transient fault condition, it is sufficient to consider the low-order harmonics.
4. New Adaptive Auto-Reclosing Scheme
4.1. Algorithm for Discrimination of the Fault Type—Sequence 1
4.2. Algorithm for Detection of the Secondary Arc Extinction—Sequence 2
5. Simulations and Results
5.1. Simulations in a 345 kV Power Transmission System
- Discrimination of a transient fault (Sequence 1 algorithm);
- Detection of the final extinction of the secondary arc (Sequence 2 algorithm);
- Reclosing of the leader-end CB;
- Voltage check;
- Reclosing of the follower-end CB.
5.2. Simulations in a 765 kV Power Transmission System
6. Conclusions
Author Contributions
Funding
Institutional Review Board Statement
Informed Consent Statement
Data Availability Statement
Conflicts of Interest
References
- Ahn, S.-P.; Kim, C.-H.; Aggarwal, R.; Johns, A. An alternative approach to adaptive single pole auto-reclosing in high voltage transmission systems based on variable dead time control. IEEE Trans. Power Deliv. 2001, 16, 676–686. [Google Scholar] [CrossRef]
- Jamali, S.; Baayeh, A.G. Detection of secondary arc extinction for adaptive single phase auto-reclosing based on local voltage behaviour. IET Gener. Transm. Distrib. 2017, 11, 952–958. [Google Scholar] [CrossRef]
- Jamali, S.; Parham, A. New approach to adaptive single pole auto-reclosing of power transmission lines. IET Gener. Transm. Distrib. 2010, 4, 115. [Google Scholar] [CrossRef]
- Elmore, W.A. Protective Relaying Theory and Applications; ABB Power T&D Company Inc.: New York, NY, USA, 1994. [Google Scholar]
- Milne, K. Single-Pole Reclosing Tests on Long 275-Kv Transmission Lines. IEEE Trans. Power Appar. Syst. 1963, 82, 658–661. [Google Scholar] [CrossRef]
- Peterson, H.A.; Dravid, N.V. A Method for Reducing Dead Time for Single-Phase Reclosing in EHV Transmission. IEEE Trans. Power Appar. Syst. 1969, 286–292. [Google Scholar] [CrossRef]
- Kappenman, J.G.; Sweezy, G.A.; Koschik, V.; Mustaphi, K.K. Staged fault tests with single phase reclosing on the Winnipeg-Twin cities 500 kV interconnection. IEEE Trans. Power Appar. Syst. 1982, PAS-101, 662–673. [Google Scholar] [CrossRef]
- Esztergalyos, J.; Andrichak, J.; Colwell, D.H.; Dawson, D.C.; Jodice, J.A.; Murray, T.J.; Mustaphi, K.K.; Nai1, G.R.; Politis, A.; Pope, J.W.; et al. Single-phase tripping and auto reclosing of transmission-lines IEEE committee report. IEEE Trans. Power Deliv. 1992, 7, 182–192. [Google Scholar]
- Jamali, S.; Ghaffarzadeh, N. Adaptive single pole auto-reclosing using discrete wavelet transform. Eur. Trans. Electr. Power 2010, 21, 973–986. [Google Scholar] [CrossRef]
- Radojevic, Z.M.; Shin, J.R. New digital algorithm for adaptive re-closing based on the calculation of the faulted phase voltage total harmonic distortion factor. IEEE Trans. Power Deliv. 2007, 22, 37–41. [Google Scholar] [CrossRef]
- Zhalefar, F.; Zadeh, M.R.D.; Sidhu, T.S. A High-Speed Adaptive Single-Phase Reclosing Technique Based on Local Voltage Phasors. IEEE Trans. Power Deliv. 2015, 32, 1203–1211. [Google Scholar] [CrossRef]
- Khodadadi, M.; Noori, M.R.; Shahrtash, S.M. A Noncommunication Adaptive Single-Pole Autoreclosure Scheme Based on the ACUSUM Algorithm. IEEE Trans. Power Deliv. 2013, 28, 2526–2533. [Google Scholar] [CrossRef]
- Lin, X.; Liu, H.; Weng, H.; Liu, P.; Wang, B.; Bo, Z.Q. A Dual-Window Transient Energy Ratio-Based Adaptive Single-Phase Reclosure Criterion for EHV Transmission Line. IEEE Trans. Power Deliv. 2007, 22, 2080–2086. [Google Scholar] [CrossRef]
- Zadeh, M.R.D.; Rubeena, R. Communication-Aided High-Speed Adaptive Single-Phase Reclosing. IEEE Trans. Power Deliv. 2012, 28, 499–506. [Google Scholar] [CrossRef]
- Elkalashy, N.I.; Darwish, H.A.; Taalab, A.M.I.; Izzularab, M.A. An adaptive single pole auto-reclosure based on zero sequence power. Electr. Power Syst. Res. 2007, 77, 438–446. [Google Scholar] [CrossRef]
- Yu, I.K.; Song, Y.H. Wavelet analysis and neural network based adaptive single pole auto reclosure scheme for EHV transmission systems. Int. J. Electr. Power Energy Syst. 1998, 20, 465–474. [Google Scholar] [CrossRef]
- Lin, X.; Liu, P. Method of distinguishing between instant and permanent faults of transmission lines based on fuzzy decision. In Proceedings of the Proceedings of EMPD’ 98. 1998 International Conference on Energy Management and Power Delivery (Cat. No.98EX137), Singapore, 5 March 1998. [Google Scholar]
- Aggarwal, R.; Johns, A.; Song, Y.; Dunn, R.; Fitton, S. Neural-network based adaptive single-pole autoreclosure technique for EHV transmission systems. IEE Proc. Gener. Transm. Distrib. 1994, 141, 155–160. [Google Scholar] [CrossRef]
- Yu, I.K.; Song, Y.H. Wavelet transform and neural network approach to developing adaptive single-pole auto-reclosing schemes for EHV transmission systems. IEEE Power Eng. Rev. 1998, 18, 62–64. [Google Scholar] [CrossRef]
- Lin, X.; Weng, H.; Liu, H.; Lu, W.; Liu, P.; Bo, Z. A Novel Adaptive Single-Phase Reclosure Scheme Using Dual-Window Transient Energy Ratio and Mathematical Morphology. IEEE Trans. Power Deliv. 2006, 21, 1871–1877. [Google Scholar] [CrossRef]
- Nikoofekr, I.; Sadeh, J. Determining secondary arc extinction time for single-pole auto-reclosing based on harmonic signatures. Electr. Power Syst. Res. 2018, 163, 211–225. [Google Scholar] [CrossRef]
- Montanari, A.A.; Tavares, M.C.; Portela, C.M. Secondary arc voltage and current harmonic content for field tests results. Int. Conf. Power Syst. Transients 2009. Available online: https://www.ipstconf.org/Proc_IPST2009.php (accessed on 27 February 2021).
- Kostov, M.; Gegov, B.; Atanasovski, M.; Petkovski, M. Short Time Fourier Transform for Power Disturbances Analysis. In Proceedings of the International Scientific Conference on Information, Communication and Energy Systems and Technologies, Sofia, Bulgaria, 24–26 June 2015. [Google Scholar]
- Ashouri, M.; Silva, F.F.D.; Bak, C.L. Application of short-time Fourier transform for harmonic-based protection of meshed VSC-MTDC grids. J. Eng. 2019, 2019, 1439–1443. [Google Scholar] [CrossRef]
- Ingale, R. Harmonic Analysis Using FFT and STFT. Int. J. Signal Process. Image Process. Pattern Recognit. 2014, 7, 345–362. [Google Scholar] [CrossRef]
- Goldberg, S.; Horton, W.; Tziouvaras, D. A computer model of the secondary arc in single phase operation of transmission lines. IEEE Trans. Power Deliv. 1989, 4, 286–295. [Google Scholar] [CrossRef]
- Babaei, E.; Hosseini, S.H.; Gharehpetian, G.B. Reduction of THD and low order harmonics with symmetrical output current for single-phase ac/ac matrix converters. Int. J. Electr. Power Energy Syst. 2010, 32, 225–235. [Google Scholar] [CrossRef]
- Jeevananthan, S.; Nandhakumar, R.; Dananjayan, P. Inverted sine carrier for fundamental fortification in PWM inverters and FPGA based implementations. Serbian J. Electr. Eng. 2007, 4, 171–187. [Google Scholar] [CrossRef]
- IEEE Guide for Automatic Reclosing of Line Circuit Breakers for AC Distribution and Transmission Lines; IEEE Std C37.104-2002; IEEE: New York, NY, USA, 2002; Available online: https://ieeexplore.ieee.org/document/1193340 (accessed on 27 February 2021).
- IEEE Recommended Practice and Requirements for Harmonic Control in Electric Power Systems; IEEE Std 519-2014; IEEE: New York, NY, USA, 2014; Available online: https://ieeexplore.ieee.org/document/6826459 (accessed on 27 February 2021).
















| Parameter | Value | ||
|---|---|---|---|
| Transmission Line Impedance | R | Zero Sequence | 0.2511 Ω/km |
| Positive Sequence | 0.0345 Ω/km | ||
| L | Zero Sequence | 1.0200 Ω/km | |
| Positive Sequence | 0.3666 Ω/km | ||
| C | Zero Sequence | 0.0045 Ω/km | |
| Positive Sequence | 0.0117 Ω/km | ||
| Parameter | Conditions | |
|---|---|---|
| Fault Type | Single-pole-to-ground fault (transient/permanent) | |
| Fault Inception Time | 0.2 s | |
| Fault Clearing Time | Four cycles after fault inception | |
| CB Operation | Single-pole operation | |
| Total Length of T/L | 100, 200 km | |
| Fault Location | 100 km T/L | 10, 20, 30, 40, 50, 60, 70, 80, 90 km |
| 200 km T/L | 20, 40, 60, 80, 100, 120, 140, 160, 180 km | |
| Fault Location [km] | Fault Inception [s] | Transient Fault | Permanent Fault | |||
|---|---|---|---|---|---|---|
| Detection of Transient Fault [s] | Detection of Secondary Arc Extinction [s] | Reclosing Success or Failure | Detection of Permanent Fault [s] | Reclosing Success or Failure | ||
| 10 | 0.2 | 0.41989 | 0.53143 | success | 0.48657 | not operated |
| 20 | 0.38656 | 0.54852 | success | 0.48657 | not operated | |
| 30 | 0.41989 | 0.54810 | success | 0.55324 | not operated | |
| 40 | 0.36989 | 0.55616 | success | 0.46990 | not operated | |
| 50 | 0.40323 | 0.56421 | success | 0.46990 | not operated | |
| 60 | 0.36989 | 0.58907 | success | 0.46990 | not operated | |
| 70 | 0.41989 | 0.57282 | success | 0.48657 | not operated | |
| 80 | 0.38656 | 0.57268 | success | 0.48657 | not operated | |
| 90 | 0.40323 | 0.58074 | success | 0.48657 | not operated | |
| Fault Location [km] | Fault Inception [s] | Transient Fault | Permanent Fault | |||
|---|---|---|---|---|---|---|
| Detection of Transient Fault [s] | Detection of Secondary Arc Extinction [s] | Reclosing Success or Failure | Detection of Permanent Fault [s] | Reclosing Success or Failure | ||
| 20 | 0.2 | 0.40323 | 0.50740 | success | 0.48657 | not operated |
| 40 | 0.43656 | 0.50712 | success | 0.48657 | not operated | |
| 60 | 0.41989 | 0.54060 | success | 0.48657 | not operated | |
| 80 | 0.41989 | 0.54810 | success | 0.48657 | not operated | |
| 100 | 0.41989 | 0.56463 | success | 0.48657 | not operated | |
| 120 | 0.41989 | 0.57268 | success | 0.48657 | not operated | |
| 140 | 0.40323 | 0.58977 | success | 0.48657 | not operated | |
| 160 | 0.40323 | 0.59866 | success | 0.48657 | not operated | |
| 180 | 0.40323 | 0.60699 | success | 0.48657 | not operated | |
| Fault Location [km] | Fault Inception [s] | Transient Fault | Permanent Fault | |||
|---|---|---|---|---|---|---|
| Detection of Transient Fault [s] | Detection of Secondary Arc Extinction [s] | Reclosing Success or Failure | Detection of Permanent Fault [s] | Reclosing Success or Failure | ||
| 10 | 0.2 | 0.51990 | 0.80493 | success | 0.58657 | not operated |
| 20 | 0.45323 | 0.79687 | success | 0.58657 | not operated | |
| 30 | 0.48657 | 0.80506 | success | 0.58657 | not operated | |
| 40 | 0.43656 | 0.81340 | success | 0.58657 | not operated | |
| 50 | 0.45323 | 0.79729 | success | 0.56991 | not operated | |
| 60 | 0.45323 | 0.81298 | success | 0.56991 | not operated | |
| 70 | 0.55324 | 0.81354 | success | 0.56991 | not operated | |
| 80 | 0.48657 | 0.82159 | success | 0.56991 | not operated | |
| 90 | 0.46990 | 0.82951 | success | 0.56991 | not operated | |
| 100 | 0.43656 | 0.81354 | success | 0.56991 | not operated | |
| 110 | 0.46990 | 0.82145 | success | 0.61991 | not operated | |
| 120 | 0.45323 | 0.82965 | success | 0.56991 | not operated | |
| 130 | 0.45323 | 0.83798 | success | 0.56991 | not operated | |
| 140 | 0.43656 | 0.82951 | success | 0.58657 | not operated | |
| 150 | 0.50323 | 0.83798 | success | 0.56991 | not operated | |
Publisher’s Note: MDPI stays neutral with regard to jurisdictional claims in published maps and institutional affiliations. |
© 2021 by the authors. Licensee MDPI, Basel, Switzerland. This article is an open access article distributed under the terms and conditions of the Creative Commons Attribution (CC BY) license (http://creativecommons.org/licenses/by/4.0/).
Share and Cite
Han, J.; Lee, C.-M.; Kim, C.-H. Adaptive Single-Pole Auto-Reclosing Scheme Based on Secondary Arc Voltage Harmonic Signatures. Energies 2021, 14, 1311. https://doi.org/10.3390/en14051311
Han J, Lee C-M, Kim C-H. Adaptive Single-Pole Auto-Reclosing Scheme Based on Secondary Arc Voltage Harmonic Signatures. Energies. 2021; 14(5):1311. https://doi.org/10.3390/en14051311
Chicago/Turabian StyleHan, Joon, Chul-Moon Lee, and Chul-Hwan Kim. 2021. "Adaptive Single-Pole Auto-Reclosing Scheme Based on Secondary Arc Voltage Harmonic Signatures" Energies 14, no. 5: 1311. https://doi.org/10.3390/en14051311
APA StyleHan, J., Lee, C.-M., & Kim, C.-H. (2021). Adaptive Single-Pole Auto-Reclosing Scheme Based on Secondary Arc Voltage Harmonic Signatures. Energies, 14(5), 1311. https://doi.org/10.3390/en14051311

