Hydrogen Injection in a Dual Fuel Engine Fueled with Low-Pressure Injection of Methyl Ester of Thevetia Peruviana (METP) for Diesel Engine Maintenance Application
Abstract
1. Introduction
2. Materials and Methods
2.1. Liquid and Gaseous Fuels Properties
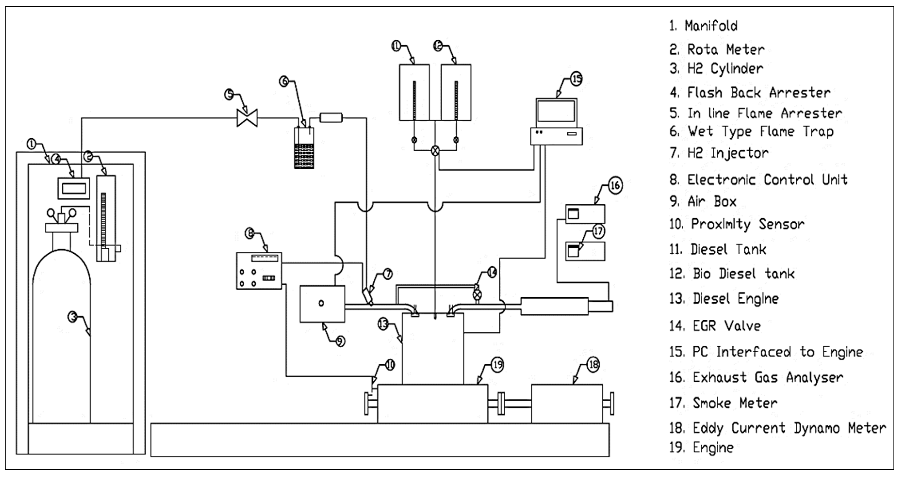
2.2. Engine Test Rig with CMFIS
2.3. Manifold Injection System
- Qa—Apparent heat release rate, J
- V—Instantaneous volume of the cylinder (m3)
- P—Cylinder pressure (bar)
- Qwall—Heat transfer to the wall (J)
- h—Heat transfer coefficient in W/m2 K
- T—Cylinder gas temperature in K
- A—Instantaneous Area (m2)
3. Results and Discussion
3.1. Impact of EGR on the Implementation of METP-Hydrogen-Powered Dual-Fuel Engine with Hydrogen Introduction
3.2. Impact of Hydrogen Start of Injection and its Injection Interval with a Fixed 20% EGR on the Performance of METP-Hydrogen Fueled Dual-Fuel Engine with Hydrogen Using the Manifold Injection Method
4. Conclusions
- Optimized SOI of 10° ATDC and 60 °CA duration provides an enhancement in dual-fuel engine performance with METP and hydrogen fuel mixtures in manifold injection method with CMFIS system.
- Precise injection of gaseous fuels in the manifold injection along with CMFIS amenities can additionally provide further improvement in power characteristics and emission stability.
- Manifold injection provides uniform mixing of air-hydrogen and thereby augments the dual-fuel engine performance in conditions of augmented BTE, diminished smoke, HC and CO emissions. However the study noticed boost in the magnitude of NOx emissions.
- The CMFIS method integrated with manifold injection of gaseous fuel can lead to considerable improvement in engine performance.
Author Contributions
Funding
Conflicts of Interest
Nomenclature
| ASTM | American Society of Testing and Materials |
| ATDC | After top dead center |
| SFC | Specific Fuel Consumption |
| BSFC | Brake Specific Fuel Consumption |
| BSEC | Brake Specific Energy Consumption |
| CC | Combustion chamber |
| °CA | Crank angle (degrees) |
| CO | Carbon monoxide |
| UHC | Unburned Hydrocarbons |
| CP | Cylinder pressure |
| CNG | Compressed Natural Gas |
| LPG | Liquefied Petroleum Gas |
| CRDI | Common Rail Direct Injection |
| CFD | Computational Fluid Dynamics |
| ECU | Electronic control unit |
| H2 | Hydrogen |
| HRR | Heat release rate |
| IP | Injection pressure |
| METP | Methyl Ester Thevetia peruviana |
| PP | Peak Pressure |
| TCC | Toroidal CC |
| BTE | Brake Thermal Efficiency |
| BP | Brake Power |
| TDC | Top dead center |
| BTDC | Before top dead center |
| CD | Combustion duration |
| CI | Compression ignition |
| CO2 | Carbon dioxide |
| CR | Compression ratio |
| CMFIS | Conventional Mechanical Fuel Injection System |
| BMEP | Brake Mean Effective Pressure |
| IMEP | Indicated Mean Effective Pressure |
| EGR | Exhaust gas recirculation |
| HCC | Hemispherical CC |
| HCNG | hydrogenated compressed natural gas |
| ID | Ignition delay |
| IT | Injection timing |
| NOX | Oxides of nitrogen |
| TRCC | Toroidal re-entrant CC |
| UBHC | Unburnt hydrocarbon |
References
- Soudagar, M.E.M.; Nik-Ghazali, N.-N.; Kalam, M.; Badruddin, I.A.; Banapurmath, N.; Ali, M.A.B.; Kamangar, S.; Cho, H.M.; Akram, N. An investigation on the influence of aluminium oxide nano-additive and honge oil methyl ester on engine performance, combustion and emission characteristics. Renew. Energy 2020, 146, 2291–2307. [Google Scholar] [CrossRef]
- Delvi, M.K.; Soudagar, M.E.M.; Khan, H.; Ahmed, Z.; Shariff, I.M. Biodiesel production utilizing diverse sources, classification of oils and their esters, performance and emission characteristics: A research. Int. J. Recent Technol. Eng. 2019, 8, 1–8. [Google Scholar]
- Mujtaba, M.; Masjuki, H.; Kalam, M.; Noor, F.; Farooq, M.; Ong, H.C.; Gul, M.; Soudagar, M.E.M.; Bashir, S.; Rizwanul Fattah, I. Effect of additivized biodiesel blends on diesel engine performance, emission, tribological characteristics, and lubricant tribology. Energies 2020, 13, 3375. [Google Scholar] [CrossRef]
- El-Seesy, A.I.; Hassan, H.; Ibraheem, L.; He, Z.; Soudagar, M.E.M. Combustion, emission, and phase stability features of a diesel engine fueled by jatropha/ethanol blends and n-butanol as co-solvent. Int. J. Green Energy 2020, 17, 1–12. [Google Scholar] [CrossRef]
- Soudagar, M.E.M.; Nik-Ghazali, N.-N.; Badruddin, I.A.; Kalam, M.; Kittur, M.I.; Akram, N.; Ullah, M.A.; Khan, T.Y.; Mokashi, I. Production of Honge Oil Methyl Ester (Home) and Its Performance Test on Four Stroke Single Cylinder vcr Engine. In AIP Conference Proceedings; AIP Publishing LLC: Melville, NY, USA, 2019; p. 200006. [Google Scholar]
- Gavhane, S.R.; Kate, M.A.; Pawar, A.; Safaei, M.R.; M Soudagar, M.E.; Mujtaba Abbas, M.; Muhammad Ali, H.; Banapurmath, R.N.; Goodarzi, M.; Badruddin, I.A. Effect of zinc oxide nano-additives and soybean biodiesel at varying loads and compression ratios on vcr diesel engine characteristics. Symmetry 2020, 12, 1042. [Google Scholar] [CrossRef]
- Márquez, F.P.G.; Karyotakis, A.; Papaelias, M. Renewable Energies: Business Outlook 2050; Springer: Berlin/Heidelberg, Germany, 2018. [Google Scholar]
- Soudagar, M.E.M.; Nik-Ghazali, N.-N.; Kalam, M.A.; Badruddin, I.; Banapurmath, N.; Akram, N. The effect of nano-additives in diesel-biodiesel fuel blends: A comprehensive review on stability, engine performance and emission characteristics. Energy Convers. Manag. 2018, 178, 146–177. [Google Scholar] [CrossRef]
- Pliego Marugán, A.; Garcia Marquez, F.P.; Lev, B. Optimal decision-making via binary decision diagrams for investments under a risky environment. Int. J. Prod. Res. 2017, 55, 5271–5286. [Google Scholar] [CrossRef]
- Marugan, A.P.; Márquez, F.P.G. Decision-Making Management: A Tutorial and Applications; Academic Press: Cambridge, MA, USA, 2017. [Google Scholar]
- Khan, H.; Soudagar, M.E.M.; Kumar, R.H.; Safaei, M.R.; Farooq, M.; Khidmatgar, A.; Banapurmath, N.R.; Farade, R.A.; Abbas, M.M.; Afzal, A. Effect of nano-graphene oxide and n-butanol fuel additives blended with diesel—Nigella sativa biodiesel fuel emulsion on diesel engine characteristics. Symmetry 2020, 12, 961. [Google Scholar] [CrossRef]
- Soudagar, M.E.M.; Nik-Ghazali, N.-N.; Akram, N.; Al-Rashid, M.A.; Badruddin, I.A.; Khan, H.; Kallannavar, V.; Shahpurkar, K.; Afzal, A.; Farade, R. The Potential of Nanoparticle Additives in Biodiesel: A Fundamental Outset. In AIP Conference Proceedings, 2020; AIP Publishing LLC: Melville, NY, USA, 2020; p. 030003. [Google Scholar]
- Soudagar, M.E.M.; Kittur, P.; Parmar, F.; Batakatti, S.; Kulkarni, P.; Kallannavar, V. Production of Mahua Oil Ethyl Ester (Moee) and Its Performance Test on Four Stroke Single Cylinder vcr Engine. In IOP Conference Series: Materials Science and Engineering, 2017; IOP Publishing: Bristol, UK, 2017. [Google Scholar]
- Muñoz, C.Q.G.; Márquez, F.P.G. Future maintenance management in renewable energies. In Renewable Energies; Springer: Berlin/Heidelberg, Germany, 2018; pp. 149–159. [Google Scholar]
- Sadeghian, O.; Moradzadeh, A.; Mohammadi-Ivatloo, B.; Abapour, M.; Garcia Marquez, F.P. Generation units maintenance in combined heat and power integrated systems using the mixed integer quadratic programming approach. Energies 2020, 13, 2840. [Google Scholar] [CrossRef]
- Dey, B.; García Márquez, F.P.; Basak, S.K. Smart energy management of residential microgrid system by a novel hybrid mgwoscacsa algorithm. Energies 2020, 13, 3500. [Google Scholar] [CrossRef]
- ETEnergyWorld. India can generate 18,000 megawatt renewable energy using biomass. The Economic Times, 9 December 2019.
- Yaliwal, V.; Banapurmath, N.; Gireesh, N.; Tewari, P. Production and utilization of renewable and sustainable gaseous fuel for power generation applications: A review of literature. Renew. Sustain. Energy Rev. 2014, 34, 608–627. [Google Scholar] [CrossRef]
- Yaliwal, V.; Banapurmath, N.; Tewari, P. Performance, combustion and emission characteristics of a single-cylinder, four-stroke, direct injection diesel engine operated on a dual-fuel mode using honge oil methyl ester and producer gas derived from biomass feedstock of different origin. Int. J. Sustain. Eng. 2014, 7, 253–268. [Google Scholar] [CrossRef]
- Banapurmath, N.; Gireesh, N.; Basavarajappa, Y.; Hosmath, R.; Yaliwal, V.; Pai, A.; Gopal Navale, K.; Jog, P.; Tewari, P. Effect of hydrogen addition to cng in a biodiesel-operated dual-fuel engine. Int. J. Sustain. Eng. 2015, 8, 332–340. [Google Scholar] [CrossRef]
- Ministry of New and Renewable Energy. Bio Energy; Ministry of New and Renewable Energy: New Delhi, India, 2019. Available online: https://mnre.gov.in/ (accessed on 1 October 2020).
- Das, L. Hydrogen engines: A view of the past and a look into the future. Int. J. Hydrogen Energy 1990, 15, 425–443. [Google Scholar] [CrossRef]
- Das, L. Hydrogen engine: Research and development (r&d) programmes in indian institute of technology (iit), delhi. Int. J. Hydrogen Energy 2002, 27, 953–965. [Google Scholar]
- Raman, V.; Hansel, J.; Fulton, J.; Lynch, F. Hythane-an ultraclean transportation fuel. Hydrog. Energy Prog. 1994, 3, 1797. [Google Scholar]
- Akansu, S.O.; Bayrak, M. Experimental study on a spark ignition engine fueled by ch4/h2 (70/30) and lpg. Int. J. Hydrogrn Energy 2011, 36, 9260–9266. [Google Scholar] [CrossRef]
- Pullagura, G.; BabjiAlapati, M.; Prakash, R. Effect of hydrogen enrichment on the combustion characteristics of a biofuel diesel engine. IosrjenIssn 2012, 2, 2250–3021. [Google Scholar] [CrossRef]
- Gosal, M.; Das, L.; Babu, M.G. Improved efficiency of cng using hydrogen in spark ignition engine. J. Pet. Technol. Altern. Fuels 2013, 4, 99–112. [Google Scholar]
- Liu, J.; Yang, F.; Wang, H.; Ouyang, M.; Hao, S. Effects of pilot fuel quantity on the emissions characteristics of a cng/diesel dual fuel engine with optimized pilot injection timing. Appl. Energy 2013, 110, 201–206. [Google Scholar] [CrossRef]
- Mahla, S.; Das, L.; Babu, M. Effect of egr on performance and emission characteristics of natural gas fueled diesel engine. Jordan J. Mech. Ind. Eng. 2010, 4, 523–530. [Google Scholar]
- Furuhama, S.; Yamane, K.; Yamaguchi, I. Combustion improvement in a hydrogen fueled engine. Int. J. Hydrogen Energy 1977, 2, 329–340. [Google Scholar] [CrossRef]
- Naber, J.; Siebers, D. Hydrogen combustion under diesel engine conditions. Int. J. Hydrogen Energy 1998, 23, 363–371. [Google Scholar] [CrossRef]
- Varde, K.; Frame, G. Hydrogen aspiration in a direct injection type diesel engine-its effects on smoke and other engine performance parameters. Int. J. Hydrogen Energy 1983, 8, 549–555. [Google Scholar] [CrossRef]
- Kitagawa, T.; Kido, H.; Nakamura, N.; Aishima, M. Flame inertia into lean region in stratified hydrogen mixture. Int. J. Hydrogen Energy 2005, 30, 1457–1464. [Google Scholar] [CrossRef]
- Soberanis, M.E.; Fernandez, A. A review on the technical adaptations for internal combustion engines to operate with gas/hydrogen mixtures. Int. J. Hydrogen Energy 2010, 35, 12134–12140. [Google Scholar] [CrossRef]
- Kumar, M.S.; Ramesh, A.; Nagalingam, B. Use of hydrogen to enhance the performance of a vegetable oil fuelled compression ignition engine. Int. J. Hydrogen Energy 2003, 28, 1143–1154. [Google Scholar]
- Geo, V.E.; Nagarajan, G.; Nagalingam, B. Studies on dual fuel operation of rubber seed oil and its bio-diesel with hydrogen as the inducted fuel. Int. J. Hydrogen Energy 2008, 33, 6357–6367. [Google Scholar]
- Saravanan, N.; Nagarajan, G. An experimental investigation on hydrogen fuel injection in intake port and manifold with different egr rates. Int. J. Energy Environ. 2010, 1, 221–248. [Google Scholar]
- Korakianitis, T.; Namasivayam, A.; Crookes, R. Hydrogen dual-fuelling of compression ignition engines with emulsified biodiesel as pilot fuel. Int. J. Hydrogen Energy 2010, 35, 13329–13344. [Google Scholar] [CrossRef]
- Dimitriou, P.; Kumar, M.; Tsujimura, T.; Suzuki, Y. Combustion and emission characteristics of a hydrogen-diesel dual-fuel engine. Int. J. Hydrogen Energy 2018, 43, 13605–13617. [Google Scholar] [CrossRef]
- Serrano, J.; Jiménez-Espadafor, F.; López, A. Analysis of the effect of different hydrogen/diesel ratios on the performance and emissions of a modified compression ignition engine under dual-fuel mode with water injection. Hydrogen-diesel dual-fuel mode. Energy 2019, 172, 702–711. [Google Scholar] [CrossRef]
- Khan, N.; Balunaik, B.; Yousufuddin, S. Performance and emission characteristics of a diesel engine with varying injection pressure and fueled with hydrogen and cottonseed oil methyl ester blends. Mater. Today Proc. 2018, 5, 3369–3377. [Google Scholar] [CrossRef]
- Koten, H. Hydrogen effects on the diesel engine performance and emissions. Int. J. Hydrogen Energy 2018, 43, 10511–10519. [Google Scholar] [CrossRef]
- Liew, C.; Li, H.; Nuszkowski, J.; Liu, S.; Gatts, T.; Atkinson, R.; Clark, N. An experimental investigation of the combustion process of a heavy-duty diesel engine enriched with H2. Int. J. Hydrogen Energy 2010, 35, 11357–11365. [Google Scholar] [CrossRef]
- Chintala, V.; Subramanian, K.A. Assessment of maximum available work of a hydrogen fueled compression ignition engine using exergy analysis. Energy 2014, 67, 162–175. [Google Scholar] [CrossRef]
- Rakopoulos, C.; Kyritsis, D. Hydrogen enrichment effects on the second law analysis of natural and landfill gas combustion in engine cylinders. Int. J. Hydrogen Energy 2006, 31, 1384–1393. [Google Scholar] [CrossRef]
- Sandalcı, T.; Karagöz, Y. Experimental investigation of the combustion characteristics, emissions and performance of hydrogen port fuel injection in a diesel engine. Int. J. Hydrogen Energy 2014, 39, 18480–18489. [Google Scholar] [CrossRef]
- Loganathan, M.; Velmurugan, A.; Page, T.; Gunasekaran, E.J.; Tamilarasan, P. Combustion analysis of a hydrogen-diesel fuel operated di diesel engine with exhaust gas recirculation. Front. Energy 2017, 11, 568–574. [Google Scholar] [CrossRef]
- Santoso, W.; Bakar, R.; Nur, A. Combustion characteristics of diesel-hydrogen dual fuel engine at low load. Energy Procedia 2013, 32, 3–10. [Google Scholar] [CrossRef]
- Masood, M.; Ishrat, M.; Reddy, A. Computational combustion and emission analysis of hydrogen–diesel blends with experimental verification. Int. J. Hydrogen Energy 2007, 32, 2539–2547. [Google Scholar] [CrossRef]
- Banapurmath, N.; Tewari, P.; Hosmath, R. Experimental investigations of a four-stroke single cylinder direct injection diesel engine operated on dual fuel mode with producer gas as inducted fuel and honge oil and its methyl ester (home) as injected fuels. Renew. Energy 2008, 33, 2007–2018. [Google Scholar] [CrossRef]
- Yaliwal, V.; Banapurmath, N.; Hosmath, R.; Khandal, S.; Budzianowski, W.M. Utilization of hydrogen in low calorific value producer gas derived from municipal solid waste and biodiesel for diesel engine power generation application. Renew. Energy 2016, 99, 1253–1261. [Google Scholar] [CrossRef]
- Halewadimath, S.; Yaliwal, V.; Banapurmath, N.; Sajjan, A. Influence of hydrogen enriched producer gas (hpg) on the combustion characteristics of a crdi diesel engine operated on dual-fuel mode using renewable and sustainable fuels. Fuel 2020, 270, 117575. [Google Scholar] [CrossRef]
- Karagöz, Y.; Sandalcı, T.; Yüksek, L.; Dalkılıç, A.S.; Wongwises, S. Effect of hydrogen–diesel dual-fuel usage on performance, emissions and diesel combustion in diesel engines. Adv. Mech. Eng. 2016, 8, 1687814016664458. [Google Scholar] [CrossRef]
- Kostuchowski, J. Direct injection vs port injection remanufactured engines. Tristar: Engine and Transmission, 31 August 2018. [Google Scholar]
- Deka, D.C.; Basumatary, S. High quality biodiesel from yellow oleander (thevetia peruviana) seed oil. Biomass Bioenergy 2011, 35, 1797–1803. [Google Scholar] [CrossRef]
- Deb, M.; Sastry, G.; Panua, R.; Banerjee, R.; Bose, P. Effect of hydrogen-diesel dual fuel combustion on the performance and emission characteristics of a four stroke-single cylinder diesel engine. Int. J. Mech. Aerosp. Ind. Mechatron. Manuf. Eng. 2015, 9, 6–12. [Google Scholar]
- Soudagar, M.E.M.; Mujtaba, M.A.; Safaei, M.R.; Afzal, A.; Raju, V.D.; Ahmed, W.; Banapurmath, N.R.; Hossain, N.; Bashir, S.; Badruddin, I.A.; et al. Effect of Sr@ ZnO nanoparticles and Ricinus communis biodiesel-diesel fuel blends on modified CRDI diesel engine characteristics. Energy 2020, 119094. [Google Scholar] [CrossRef]
- Venu, H.; Raju, V.D.; Lingesan, S.; Soudagar, M.E.M. Influence of Al2O3nano additives in ternary fuel (diesel-biodiesel-ethanol) blends operated in a single cylinder diesel engine: Performance, Combustion and Emission Characteristics. Energy 2020, 119091. [Google Scholar] [CrossRef]
- Soudagar, M.E.M.; Afzal, A.; Safaei, M.R.; Manokar, A.M.; L-Seesy, A.I.E.; Mujtaba, M.A.; Samuel, O.D.; Badruddin, I.A.; Ahmed, W.; Shahpurkar, K.; et al. Investigation on the effect of cottonseed oil blended with different percentages of octanol and suspended MWCNT nanoparticles on diesel engine characteristics. J. Therm. Anal. Calorim. 2020, 1–18. [Google Scholar] [CrossRef]
- Soudagar, M.E.M.; Banapurmath, N.R.; Afzal, A.; Hossain, N.; Abbas, M.M.; Haniffa, M.A.C.M.; Naik, B.; Ahmed, W.; Nizamuddin, S.; Mubarak, N.M. Study of diesel engine characteristics by adding nanosized zinc oxide and diethyl ether additives in Mahua biodiesel–diesel fuel blend. Sci. Rep. 2020, 10, 1–17. [Google Scholar] [CrossRef] [PubMed]
- Mujtaba, M.A.; Kalam, M.A.; Masjuki, H.H.; Gul, M.; Soudagar, M.E.M.; Ong, H.C.; Ahmed, W.; Atabani, A.E.; Razzaq, L.; Yusoff, M. Comparative study of nanoparticles and alcoholic fuel additives-biodiesel-diesel blend for performance and emission improvements. Fuel 2020, 279, 118434. [Google Scholar] [CrossRef]
- Hussain, F.; Soudagar, M.E.M.; Afzal, A.; Mujtaba, M.; Fattah, I.R.; Naik, B.; Mulla, M.H.; Badruddin, I.A.; Khan, T.M.Y.; Raju, V.D.; et al. Enhancement in Combustion, Performance, and Emission Characteristics of a Diesel Engine Fueled with Ce-ZnO Nanoparticle Additive Added to Soybean Biodiesel Blends. Energies 2020, 13, 4578. [Google Scholar] [CrossRef]


















| Property | D100 | B100 | ASTM Standard |
|---|---|---|---|
| Density (kg/m3) | 829 | 892 | ASTM D5052 |
| Viscosity at 40 °C (mm2/s) | 3.52 | 5.748 | ----- |
| Flash point (°C) | 53 | 178 | ASTM D93 |
| Fire point (°C) | 59 | 188 | ASTM D93 |
| Calorific value (MJ/kg) | 42.19 | 39.46 | ASTM D5865 |
| Cetane number | 45–51 | 46 | ASTM D675 |
| Parameters | Values |
|---|---|
| Chemical composition | H2 |
| Auto-ignition temperature (K) | 858 K |
| Minimum Ignition Energy (MJ) | 0.02 |
| Flammability limits (% Volume in Air) | 4–75 |
| Stoichiometric Air/Fuel Ratio on mass basis | 34.3 |
| Density at 15 °C and 1 bar (kg/m3) | 0.0838 |
| Net Heating value (MJ/kg) | 119.93 |
| Flame velocity (cm/s) | 265–325 |
| Octane number | 130 |
| Parameter | Values |
|---|---|
| Make and Model | Kirloskar, TV1 |
| Engine type | Single cylinder, 4-S CI engine |
| Cooling system | water cooled |
| Bore X Stroke | 87.5 mm × 110 mm |
| Displacement Volume | 660 cc |
| Compression Ratio | 17.5 |
| Combustion Chamber | Open Chamber (Direct Injection) |
| Rated Power | 5.2 kW |
| Rated Speed | 1500 rpm |
| Air measurement manometer | |
| Make | MX 201 |
| Type | U-type |
| Range | 100-0-100 mm |
| Eddy current dynamometer | |
| Model | AG-10 |
| Type | Eddy current |
| Maximum Engine Power | 7.5 kW at 1500–3000 rpm |
| Flow | Flow through dynamometer |
| Dynamometer arm length | 0.180 m |
| Fuel measuring unit range | 0–50 mL |
| Make | Quantum Technologies |
|---|---|
| Operating Voltage | 8 V DC~16 V DC |
| Peak Current level | 4.0 A |
| Holding current level | 1.0 A |
| Max. operating pressure | 345 kPa (50 psi) |
| Working Pressure | 103–345 kPa |
Publisher’s Note: MDPI stays neutral with regard to jurisdictional claims in published maps and institutional affiliations. |
© 2020 by the authors. Licensee MDPI, Basel, Switzerland. This article is an open access article distributed under the terms and conditions of the Creative Commons Attribution (CC BY) license (http://creativecommons.org/licenses/by/4.0/).
Share and Cite
Marikatti, M.; Banapurmath, N.R.; Yaliwal, V.S.; Basavarajappa, Y.H.; Soudagar, M.E.M.; Márquez, F.P.G.; Mujtaba, M.; Fayaz, H.; Naik, B.; Khan, T.M.Y.; et al. Hydrogen Injection in a Dual Fuel Engine Fueled with Low-Pressure Injection of Methyl Ester of Thevetia Peruviana (METP) for Diesel Engine Maintenance Application. Energies 2020, 13, 5663. https://doi.org/10.3390/en13215663
Marikatti M, Banapurmath NR, Yaliwal VS, Basavarajappa YH, Soudagar MEM, Márquez FPG, Mujtaba M, Fayaz H, Naik B, Khan TMY, et al. Hydrogen Injection in a Dual Fuel Engine Fueled with Low-Pressure Injection of Methyl Ester of Thevetia Peruviana (METP) for Diesel Engine Maintenance Application. Energies. 2020; 13(21):5663. https://doi.org/10.3390/en13215663
Chicago/Turabian StyleMarikatti, Mahantesh, N. R. Banapurmath, V. S. Yaliwal, Y.H. Basavarajappa, Manzoore Elahi M Soudagar, Fausto Pedro García Márquez, MA Mujtaba, H. Fayaz, Bharat Naik, T.M. Yunus Khan, and et al. 2020. "Hydrogen Injection in a Dual Fuel Engine Fueled with Low-Pressure Injection of Methyl Ester of Thevetia Peruviana (METP) for Diesel Engine Maintenance Application" Energies 13, no. 21: 5663. https://doi.org/10.3390/en13215663
APA StyleMarikatti, M., Banapurmath, N. R., Yaliwal, V. S., Basavarajappa, Y. H., Soudagar, M. E. M., Márquez, F. P. G., Mujtaba, M., Fayaz, H., Naik, B., Khan, T. M. Y., Afzal, A., & EL-Seesy, A. I. (2020). Hydrogen Injection in a Dual Fuel Engine Fueled with Low-Pressure Injection of Methyl Ester of Thevetia Peruviana (METP) for Diesel Engine Maintenance Application. Energies, 13(21), 5663. https://doi.org/10.3390/en13215663

