Control of Hybrid Diesel/PV/Battery/Ultra-Capacitor Systems for Future Shipboard Microgrids
Abstract
1. Introduction
2. Energy Storage Technologies for Shipboard Microgrids
2.1. Comparison of Different Energy Storage Technologies
2.2. Hybridization of Battery and Ultra-Capacitor
3. Model of the Shipboard Microgrid
3.1. Diesel Engine Modeling
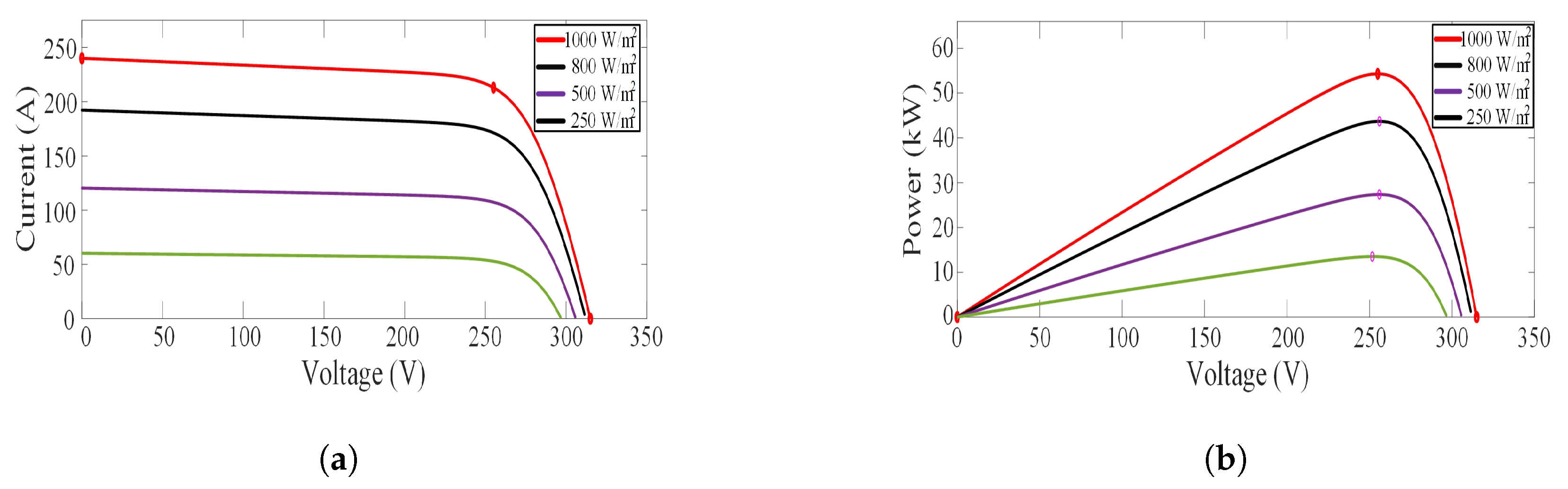
3.2. PV System Modeling
3.3. Battery Modeling
3.3.1. Charge Model (il) < 0
3.3.2. Discharge Model (il) > 0
3.4. Ultra-Capacitor Modeling
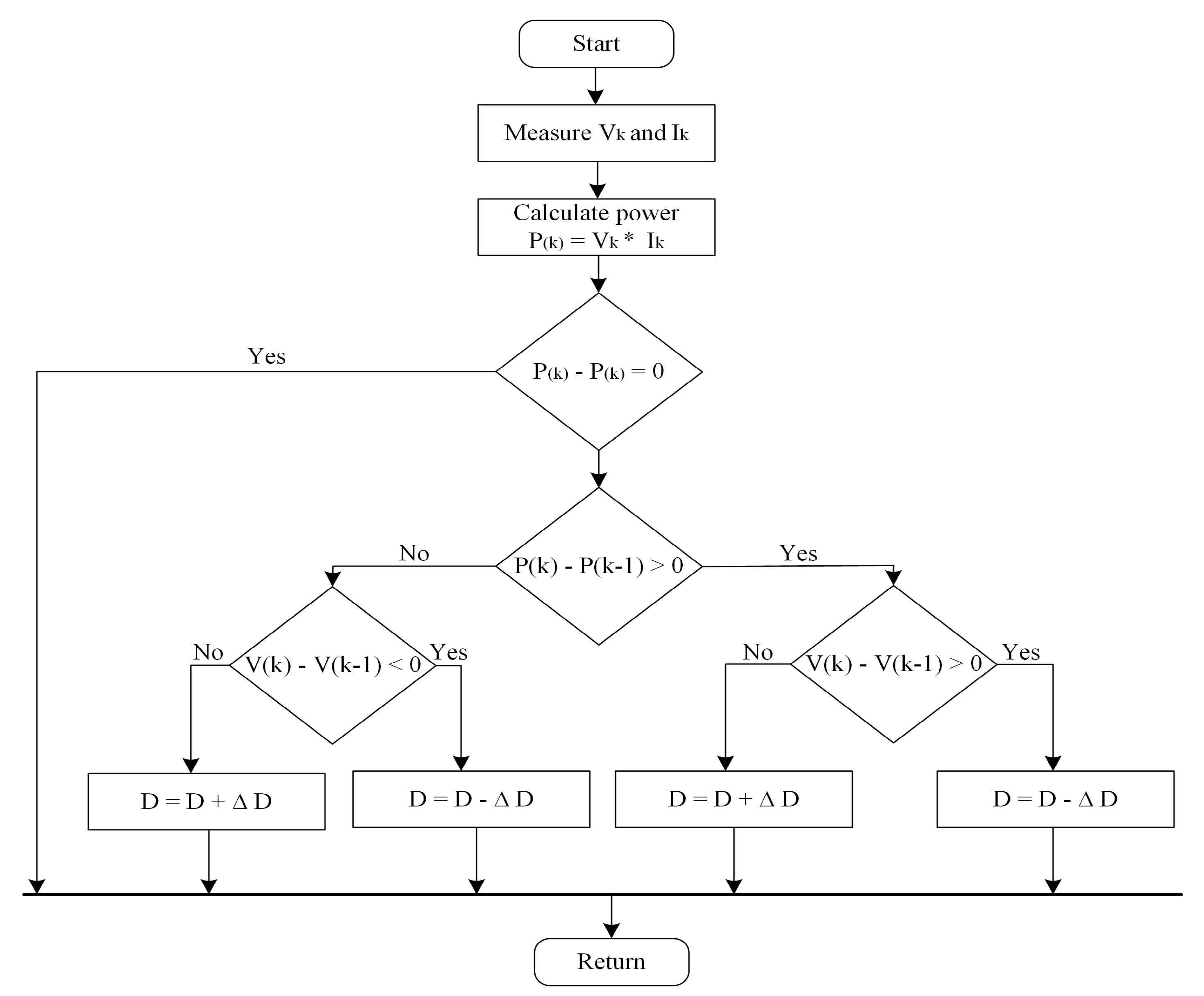
4. Control Strategy of Hybrid Shipboard Microgrids
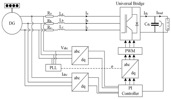
4.1. Active Front End Converter
4.2. Inverter Control
4.3. Frequency Sharing Control
5. Simulation and Verification
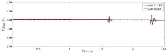
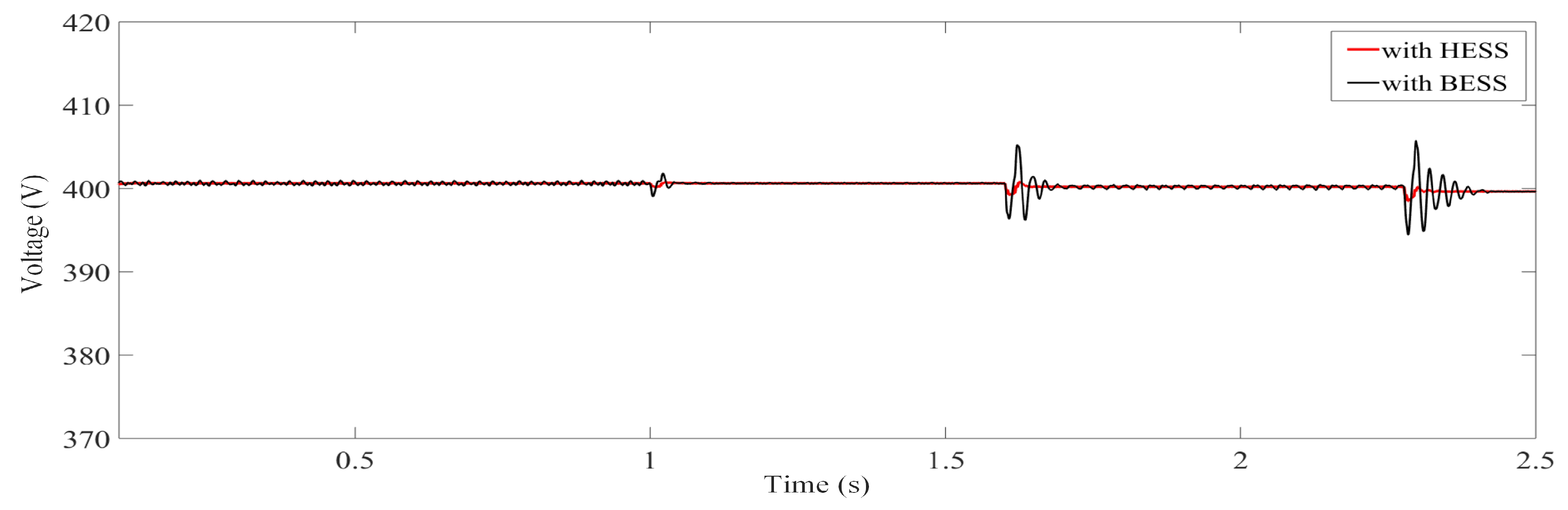
5.1. Case 1
5.2. Case 2
6. Conclusions
Author Contributions
Funding
Conflicts of Interest
Abbreviations
| PV | Photovoltaic |
| IMO | International marine organization |
| ESS | Energy storage system |
| HESS | Hybrid energy storage system |
| IPS | Integrated power system |
| VFD | Variable frequency drives |
| PI | Proportional Integral |
| BESS | Battery energy storage system |
| FESS | Flywheel energy storage system |
| UC | Ultra-capacitor |
| DG | Diesel generator |
| MOPSO | Multi-Objective Particle Swarm Optimization |
| PSO | Particle swarm optimization |
| MPC | Model predictive control |
| LFC | Load frequency control |
| Ipv | Solar generated current at the nominal condition (25 C and 1000 W/m2) |
| Ir | Solar radiation (W/m2) |
| Isc | Short circuit current (A) |
| Ki | Short circuit current of the cell |
| IRs | Reverse saturation current of PV module |
| q | charge of an electron |
| Voc | Open circuit voltage (V) |
| Ns | Number of cells in series |
| n | The ideality factor of diode |
| k | Boltzmann’s constant |
| Io | Saturation current of a PV module |
| Tr | Nominal temperature |
| Ego | Band gap energy of a semiconductor |
| Vt | Thermal voltage of diode (V) |
| Rsh | Shunt resistance (Ω) |
| Ns | Number of modules connected in series |
| Np | Number of modules connected in parallel |
| I | output current of PV module (A) |
| it | Extracted capacity (Ah) |
| i | battery current (A) |
| il | Low frequency current dynamics (A) |
| Eo | Constant voltage (V) |
| K | Polarization constant (V/Ah) |
| Q | Maximum battery capacity (Ah) |
| A | Exponential voltage (V) |
| B | Exponential capacity (Ah−1) |
| Co | Capacity of battery |
| Efficiency of converter | |
| Ai | Interfacial area between electrolyte and electrode |
| QT | Electric charge |
| Permittivity of material | |
| Permittivity of free space | |
| D | Molecular radius |
| R | Ideal gas constant |
| T | Operating temperature |
| F | Faraday constant |
| c | molar concentration |
| RUC | Total resistance of UC |
| iUC | UC current |
References
- McCoy, T.J. Electric ships past, present, and future technology leaders. IEEE Electrif. Mag. 2015, 3, 4–11. [Google Scholar] [CrossRef]
- Zahedi, B.; Norum, L.E.; Ludvigsen, K.B. Optimized efficiency of all-electric ships by dc hybrid power systems. J. Power Sour. 2014, 255, 341–354. [Google Scholar] [CrossRef]
- Doerry, N. Naval Power Systems: Integrated power systems for the continuity of the electrical power supply. IEEE Electrif. Mag. 2015, 3, 12–21. [Google Scholar] [CrossRef]
- Doerry, N.; Amy, J.; Krolick, C. History and the status of electric ship propulsion, integrated power systems, and future trends in the US Navy. Proc. IEEE 2015, 103, 2243–2251. [Google Scholar] [CrossRef]
- The International Convention for the Prevention of Pollution from Ships. Available online: http://www.imo.org/en/About/Conventions/ListOfConventions/Pages/International-Convention-for-the-Prevention-of-Pollution-from-Ships-%28MARPOL%29.aspx (accessed on 5 June 2019).
- Rogelj, J.; Den Elzen, M.; Höhne, N.; Fransen, T.; Fekete, H.; Winkler, H.; Schaeffer, R.; Sha, F.; Riahi, K.; Meinshausen, M. Paris Agreement climate proposals need a boost to keep warming well below 2 ∘C. Nature 2016, 534, 631. [Google Scholar] [CrossRef]
- EU Commission: The Paris Protocol—A Blueprint for Tackling Global Climate Change Beyond 2020. Available online: https://www.eesc.europa.eu/sites/default/files/resources/docs/15_362-ppaper_changement-clim_en.pdf (accessed on 27 August 2018).
- International Maritime Organization: Prevention of Air Pollution from Ships. Available online: http:// www.imo.org/en/OurWork/Environment/PollutionPrevention/AirPollution/Pages/Air-Pollution.aspx (accessed on 5 June 2019).
- Lan, H.; Bai, Y.; Wen, S.; Yu, D.; Hong, Y.Y.; Dai, J.; Cheng, P. Modeling and stability analysis of hybrid pv/diesel/ess in ship power system. Inventions 2016, 1, 5. [Google Scholar] [CrossRef]
- Lan, H.; Wen, S.; Hong, Y.Y.; David, C.Y.; Zhang, L. Optimal sizing of hybrid PV/diesel/battery in ship power system. Appl. Energy 2015, 158, 26–34. [Google Scholar] [CrossRef]
- Lee, K. J.; Shin, D.; Yoo, D.W.; Choi, H.K.; Kim, H. J. Hybrid photovoltaic/diesel green ship operating in standalone and grid-connected mode–Experimental investigation. Energy 2013, 49, 475–483. [Google Scholar] [CrossRef]
- Wen, S.; Lan, H.; Yu, D.C.; Fu, Q.; Hong, Y.Y.; Yu, L.; Yang, R. Optimal sizing of hybrid energy storage sub-systems in PV/diesel ship power system using frequency analysis. Energy 2017, 140, 198–208. [Google Scholar] [CrossRef]
- Bellache, K.; Camara, M.B.; Dakyo, B. Hybrid Electric Boat based on variable speed Diesel Generator and lithium-battery-using frequency approach for energy management. In Proceedings of the 2015 International Aegean Conference on Electrical Machines & Power Electronics (ACEMP), 2015 International Conference on Optimization of Electrical & Electronic Equipment (OPTIM) & 2015 International Symposium on Advanced Electromechanical Motion Systems (ELECTROMOTION), Side, Turkey, 2–4 September 2015; pp. 744–749. [Google Scholar]
- Liu, H.; Zhang, Q.; Qi, X.; Han, Y.; Lu, F. Estimation of PV output power in moving and rocking hybrid energy marine ships. Appl. Energy 2017, 204, 362–372. [Google Scholar] [CrossRef]
- Khan, M.M.S.; Faruque, M.O. Management of hybrid energy storage systems for MVDC power system of all electric ship. In Proceedings of the 2016 North American Power Symposium (NAPS), Denver, CO, USA, 18–20 September 2016; pp. 1–6. [Google Scholar]
- Tang, J.; Xiong, B.; Huang, Y.; Yuan, C.; Su, G. Optimal configuration of energy storage system based on frequency hierarchical control in ship power system with solar photovoltaic plant. J. Eng. 2017, 13, 1511–1514. [Google Scholar] [CrossRef]
- Khooban, M.H.; Dragicevic, T.; Blaabjerg, F.; Delimar, M. Shipboard microgrids: A novel approach to load frequency control. IEEE Trans. Sustain. Energy 2017, 9, 843–852. [Google Scholar] [CrossRef]
- Qiu, Y.; Yuan, C.; Tang, J. Integrating SCESS into a Ship-PV Power System to Mitigate Power Fluctuations and Improve LVRT Capability. Arab. J. Sci. Eng. 2019, 44, 1–13. [Google Scholar] [CrossRef]
- Khan, M.M.S.; Faruque, M.O.; Newaz, A. Fuzzy logic based energy storage management system for MVDC power system of all electric ship. IEEE Trans. Energy Convers. 2017, 32, 798–809. [Google Scholar] [CrossRef]
- Solar-Powered Super Yacht (E-Boat). Available online: http://www.aideenergy.com/index.php?option=module&lang=en&task=showlist&id=74 (accessed on 5 June 2019).
- Greeline 33 Yacht. Available online: https://inoffice.app.box.com/v/greenlineyachtsbrochure (accessed on 5 June 2019).
- Grrenline 39. Available online: https://www.greenlinehybrid.si/yacht/greenline-39/ (accessed on 5 June 2019).
- Greenline 40. Available online: https://www.greenlinehybrid.si/yacht/greenline-40/ (accessed on 5 June 2019).
- Duffy London. Available online: https://duffylondon.com/product/archivenew/solaris-global-cruiser-2/ (accessed on 5 June 2019).
- Silent 80 Yacht. Available online: https://www.silent-yachts.com/silent80/ (accessed on 5 June 2019).
- Silent 64 Yacht. Available online: https://www.silent-yachts.com/silent64/ (accessed on 5 June 2019).
- Silent 55 Ferry. Available online: https://www.silent-yachts.com/silent55-ferry/ (accessed on 5 June 2019).
- PlanetSolar, Solar-Powered Ship. Available online: https://www.ship-technology.com/projects/planetsolar/ (accessed on 5 June 2019).
- Aquarius Eco Ship: Low Emission Green Ship Concept Design with Rigid Sails & Solar Power. Available online: https://www.ecomarinepower.com/en/aquarius-eco-ship (accessed on 5 June 2019).
- M/V Auriga Leader. Available online: https://www.marineinsight.com/types-of-ships/auriga-leader-the-worlds-first-partially-propelled-cargo-ship/ (accessed on 5 June 2019).
- World’s First Solar-Power-Assisted Vessel Further Developed-Car Carrier Auriga Leader. Available online: https://www.nyk.com/english/news/2011/NE_110525.html (accessed on 5 June 2019).
- Dufo-López, R.; Lujano-Rojas, J.M.; Bernal-Agustín, J.L. Comparison of different lead-acid battery lifetime prediction models for use in simulation of stand-alone photovoltaic systems. Appl. Energy 2014, 115, 242–253. [Google Scholar] [CrossRef]
- Křivík, P.; Vaculík, S.; Bača, P.; Kazelle, J. Determination of state of charge of lead-acid battery by EIS. J. Energy Storage 2019, 21, 581–585. [Google Scholar] [CrossRef]
- Mutarraf, M.; Terriche, Y.; Niazi, K.; Vasquez, J.; Guerrero, J. Energy Storage Systems for Shipboard Microgrids—A Review. Energies 2018, 11, 3492. [Google Scholar] [CrossRef]
- Chen, H.; Cong, T.N.; Yang, W.; Tan, C.; Li, Y.; Ding, Y. Progress in electrical energy storage system: A critical review. Prog. Nat. Sci. 2009, 19, 291–312. [Google Scholar] [CrossRef]
- Argyrou, M.C.; Christodoulides, P.; Kalogirou, S.A. Energy storage for electricity generation and related processes: Technologies appraisal and grid scale applications. Renew. Sustain. Energy Rev. 2018, 94, 804–821. [Google Scholar] [CrossRef]
- Zubi, G.; Dufo-López, R.; Carvalho, M.; Pasaoglu, G. The lithium-ion battery: State of the art and future perspectives. Renew. Sustain. Energy Rev. 2018, 89, 292–308. [Google Scholar] [CrossRef]
- Hoffart, F. Proper care extends Li-ion battery life. Power Electron. 2008, 24–28. [Google Scholar]
- Díaz-González, F.; Sumper, A.; Gomis-Bellmunt, O.; Villafáfila-Robles, R. A review of energy storage technologies for wind power applications. Renew. Sustain. Energy Rev. 2012, 16, 2154–2171. [Google Scholar] [CrossRef]
- Zhao, H.; Wu, Q.; Hu, S.; Xu, H.; Rasmussen, C.N. Review of energy storage system for wind power integration support. Appl. Energy 2015, 137, 545–553. [Google Scholar] [CrossRef]
- Chatzivasileiadi, A.; Ampatzi, E.; Knight, I. Characteristics of electrical energy storage technologies and their applications in buildings. Renew. Sustain. Energy Rev. 2013, 25, 814–830. [Google Scholar] [CrossRef]
- Hemmati, R.; Saboori, H. Emergence of hybrid energy storage systems in renewable energy and transport applications—A review. Renew. Sustain. Energy Rev. 2016, 65, 11–23. [Google Scholar] [CrossRef]
- Jing, W.; Lai, C.H.; Wong, W.S.; Wong, M.D. Dynamic power allocation of battery-supercapacitor hybrid energy storage for standalone PV microgrid applications. Sustain. Energy Technol. Assess. 2017, 22, 55–64. [Google Scholar] [CrossRef]
- Zhou, H.; Bhattacharya, T.; Tran, D.; Siew, T.S.T.; Khambadkone, A.M. Composite energy storage system involving battery and ultracapacitor with dynamic energy management in microgrid applications. IEEE Trans. Power Electron. 2010, 26, 923–930. [Google Scholar] [CrossRef]
- Cooper, A.; Furakawa, J.; Lam, L.; Kellaway, M. The UltraBattery—A new battery design for a new beginning in hybrid electric vehicle energy storage. J. Power Sour. 2009, 188, 642–649. [Google Scholar] [CrossRef]
- Waaree Energies WU-120. Available online: https://db.photovoltaikforum.com/PvForum/api/download/1/65646/1/pdf/65644_WS_WU_120_160_EN_05_12 (accessed on 20 August 2019).
- Datasheet PC 2500 Ultra-Capacitor. Available online: http://datasheet.iiic.cc/datasheets-1/maxwell_technologies/PC2500.pdf (accessed on 5 June 2019).
- Panasonic CGR18650AF. Available online: http://www.houseofbatteries.com/documents/CGR18650AF.pdf (accessed on 20 August 2019).
- Benhamed, S.; Ibrahim, H.; Belmokhtar, K.; Hosni, H.; Ilinca, A.; Rousse, D.; Ramdenee, D. Dynamic modeling of diesel generator based on electrical and mechanical aspects. In Proceedings of the 2016 IEEE Electrical Power and Energy Conference (EPEC), Ottawa, ON, Canada, 12–14 October 2016; pp. 1–6. [Google Scholar]
- Hansen, J.F.; Adnanes, A.K.; Fossen, T.I. Mathematical modelling of diesel-electric propulsion systems for marine vessels. Math. Comput. Model. Dyn. Syst. 2001, 7, 323–355. [Google Scholar] [CrossRef]
- Cooper, A.R.; Morrow, D.J.; Chambers, K.D.R. Development of a diesel generating set model for large voltage and frequency transients. In Proceedings of the IEEE PES General Meeting, Providence, RI, USA, 25–29 July 2010; pp. 1–7. [Google Scholar]
- Patel, H.; Agarwal, V. MATLAB-based modeling to study the effects of partial shading on PV array characteristics. IEEE Trans. Energy Convers. 2008, 23, 302–310. [Google Scholar] [CrossRef]
- Noman, A.M.; Addoweesh, K.E.; Mashaly, H.M. DSPACE real-time implementation of MPPT-based FLC method. Int. J. Photoenergy 2013. [Google Scholar] [CrossRef]
- Arianto, S.; Yunaningsih, R.Y.; Astuti, E.T.; Hafiz, S. Development of single cell lithium ion battery model using Scilab/Xcos. AIP Conf. Proc. 2016, 1711, 060007. [Google Scholar]
- Gomadam, P.M.; Weidner, J.W.; Dougal, R.A.; White, R.E. Mathematical modeling of lithium-ion and nickel battery systems. J. Power Sour. 2002, 110, 267–284. [Google Scholar] [CrossRef]
- Abada, S.; Marlair, G.; Lecocq, A.; Petit, M.; Sauvant-Moynot, V.; Huet, F. Safety focused modeling of lithium-ion batteries: A review. J. Power Sour. 2016, 306, 178–192. [Google Scholar] [CrossRef]
- Song, Z.; Tian, Y.; Chen, W.; Zou, Z.; Chen, Z. Predictive duty cycle control of three-phase active-front-end rectifiers. IEEE Trans. Power Electron. 2015, 31, 698–710. [Google Scholar] [CrossRef]
- Banaei, M.R.; Alizadeh, R. Simulation-based modeling and power management of all-electric ships based on renewable energy generation using model predictive control strategy. IEEE Intell. Transp. Syst. Mag. 2016, 8, 90–103. [Google Scholar] [CrossRef]
- Tang, R.; Wu, Z.; Li, X. Optimal operation of photovoltaic/battery/diesel/cold-ironing hybrid energy system for maritime application. Energy 2018, 162, 697–714. [Google Scholar] [CrossRef]
- Dolatabadi, A.; Ebadi, R.; Mohammadi-Ivatloo, B. A two-stage stochastic programming model for the optimal sizing of hybrid PV/diesel/battery in hybrid electric ship system. J. Operation Autom. Power Eng. 2019, 7, 16–26. [Google Scholar]























| Ship’s Name | Solar Power | Battery Type | Power of Battery | Power Generation Sources | Reference |
|---|---|---|---|---|---|
| e-Boat (AIDE Energy) | 105 kW | Li-ion (LiFePO4) | 48 kWh | PV + Battery | [20] |
| Greenline 33 | 1.8 kW | Li-ion (LiPO) | 11.5 kW | Battery + DG + PV | [21] |
| Greenline 39 | 1.2 kW | Li-ion (LiPO) | 3 kW | Battery + DG + PV | [22] |
| Greenline 40 | 1.8 kW | Li-ion (LiPO) | 3 kW | Battery + DG + PV | [23] |
| Duffy London | – | Li-ion | 2380–3400 kWh | PV + Battery | [24] |
| Silent 80 | 26 kWp | – | 240 kW | Battery + DG + PV | [25] |
| Silent 64 | 15 kWp | – | 120 kWh | Battery + DG + PV | [26] |
| Silent 55 Ferry | 10 kWp | – | 120 kWh | Battery + DG + PV | [27] |
| MS Türanor Planet Solar | 93.5 kW | Li-ion | 1130 kWh | PV + Battery | [28] |
| Aquarius Eco Ship | – | Lead acid | – | PV + Battery | [29] |
| M/V Auriga Leader | – | Nickel-hydrogen | – | PV + Battery + Diesel | [30,31] |
| System | Energy Density | Power Density | Efficiency | Life Time | Response Time | Self-Discharge per Day |
|---|---|---|---|---|---|---|
| (kWh/kg) | (kW/kg) | (years) | (%) | % | ||
| Lead Acid | 30–50 | 75–300 | 3–12 | 65–80 | ms | 0.1–0.3 |
| Li-ion | 75–200 | 150–315 | 5–15 | 90–97 | ms–s | 0.1–0.3 |
| Flywheel | 10–30 | 400–1500 | 20–30 | 90–95 | ms–s | 100 |
| Ultra-capacitor | 20+ | 100,000+ | 10–20 | 85–98 | ms | 20–40 |
| ESS | Li-Ion | Ultra-Capacitor |
|---|---|---|
| Advantages | High efficiency (90–97%) [36] | High efficiency (85–98%) [36] |
| Low self-discharge (<5% per month) [36] | Fast response time (<5 ms) [36] | |
| Lower maintenance [37] | Enhanced life cycle [39] | |
| Fast response time (<5 ms) [36] | Broader operating temperature (−40 C to 65 C) [43] | |
| High reliability [37] | More than 500,000 duty cycles [43] | |
| Disadvantages | High cost [37] | High cost [39] |
| Life-cycle shorten by deep discharge [38] | Short charge and discharge time [36] | |
| Require special overcharging and | Low energy density [36] | |
| discharging protection circuit [37] | High rate of self-discharge (14% per month) [36] |
| Device | Parameters | Values |
|---|---|---|
| Synchronous Generator | Nominal Power | 80 kW |
| Line to line voltage | 400 V | |
| Frequency | 50 Hz | |
| PV panel–Single panel (Waaree Energies WU-120) [46] | Rated Power | 120.7 W |
| Open circuit voltage (Voc) | 21 V | |
| Short circuit current (Vsh) | 8 A | |
| Voltage at maximum power (Vmp) | 17 V | |
| Current at maximum power (Imp) | 7.1 A | |
| Number of cells in parallel | 30 | |
| Number of cells in series | 15 | |
| Temperature | 25 C | |
| Ultra-capacitor (PC 2500) [47] | Rated capacity | 2517.54 F |
| Rated voltage | 385 V | |
| Initial voltage | 385 V | |
| Operating temperature | 25 C | |
| Number of series connected Ultra-capacitors | 154 | |
| Number of parallel connected Ultra-capacitor | 1 | |
| Capacity of parallel connected Ultra-capacitor | 2500 F | |
| Equivalent dc series resistance | 0.001 | |
| Li-ion battery (Panasonic CGR18650AF) [48] | Nominal Voltage | 288 V |
| Rated Capacity | 168 Ah | |
| Maximum Capacity | 182 Ah | |
| Fully charge voltage | 339 V | |
| No of cells in series | 87 | |
| No of cells in parallel | 82 |
| Author | Power Generation Sources | ESS | Technique | Scope | Reference |
|---|---|---|---|---|---|
| H. Lan et al. | DG + PV | FESS | PI Control | To smooth fluctuations | [9] |
| H. Lan et al. | DG + PV | BESS | MOPSO | Minimize CO2 emissions | [10] |
| S. Wen et al. | DG + PV | BESS + Ultra-capacitor | PSO | Optimal sizing of several ESS | [12] |
| K. Bellache | DG | BESS | Polynomial control | Load sharing between DG & BESS | [13] |
| J. Tang | PV | BESS + Ultra-capacitor | Frequency hierarchical control | Smooth the fluctuations of PV | [16] |
| M. H. Khooban et al. | DG + PV | BESS + FESS | Fuzzy PD + I Control | Enhance performance of LFC | [17] |
| Y. Qiu et al. | DG + PV | Ultra-capacitor | PI control | Improve LVRT capability & smooth power | [18] |
| M. R. Banaei | DG + PV | FC + BESS | MPC | Stabilize dc-link voltage | [58] |
| R. Tang | DG + PV | BESS | MPC | Power flow scheduling | [59] |
| A. Dolatabadi | DG + PV | BESS | Non-linear programming | Minimize fuel, emissions and maintenance cost of DG | [60] |
| This study | DG + PV | BESS + Ultra-capacitor | PI Control | Frequency components sharing between BESS & UC | – |
© 2019 by the authors. Licensee MDPI, Basel, Switzerland. This article is an open access article distributed under the terms and conditions of the Creative Commons Attribution (CC BY) license (http://creativecommons.org/licenses/by/4.0/).
Share and Cite
Mutarraf, M.U.; Terriche, Y.; Niazi, K.A.K.; Khan, F.; Vasquez, J.C.; Guerrero, J.M. Control of Hybrid Diesel/PV/Battery/Ultra-Capacitor Systems for Future Shipboard Microgrids. Energies 2019, 12, 3460. https://doi.org/10.3390/en12183460
Mutarraf MU, Terriche Y, Niazi KAK, Khan F, Vasquez JC, Guerrero JM. Control of Hybrid Diesel/PV/Battery/Ultra-Capacitor Systems for Future Shipboard Microgrids. Energies. 2019; 12(18):3460. https://doi.org/10.3390/en12183460
Chicago/Turabian StyleMutarraf, Muhammad Umair, Yacine Terriche, Kamran Ali Khan Niazi, Fawad Khan, Juan C. Vasquez, and Josep M. Guerrero. 2019. "Control of Hybrid Diesel/PV/Battery/Ultra-Capacitor Systems for Future Shipboard Microgrids" Energies 12, no. 18: 3460. https://doi.org/10.3390/en12183460
APA StyleMutarraf, M. U., Terriche, Y., Niazi, K. A. K., Khan, F., Vasquez, J. C., & Guerrero, J. M. (2019). Control of Hybrid Diesel/PV/Battery/Ultra-Capacitor Systems for Future Shipboard Microgrids. Energies, 12(18), 3460. https://doi.org/10.3390/en12183460

