A Survey on Microgrid Energy Management Considering Flexible Energy Sources
Abstract
1. Introduction
- Microgrid EMSs have been classified into four categories based on the kind of the reserve system being used including non-renewable energy sources, energy storage system (ESS), demand-side management (DSM) and hybrid.
- Energy management modeling studies have been reviewed in terms of uncertainty modeling techniques, objective functions (OFs), constraints, and optimization techniques.
- The microgrids which are considered as the case study of different EMS papers have been reviewed in this paper.
- The scenarios of the simulation results section have been categorized.
- (1)
- Non-renewable based EMS
- (2)
- ESS-based EMS
- (3)
- DSM-based EMS
- (4)
- Hybrid systems based EMS
2. Classification of EMS Literature
2.1. Category 1: Non-Renewable Based EMS
2.2. Category 2: ESS-Based EMS
2.3. Category 3: DSM-Based EMS
- Energy efficiency: which reduces consumption of the demand side by improving the efficiency of products.
- Demand response (DR): which modifies the usage of end-users in comparison to their normal consumption in response to changes in electricity price or incentive payments which aim to reduce consumption during expensive hours or when system reliability is at risk [32].
2.4. Category 4: Hybrid Systems Based EMS
3. Prediction of Uncertain Parameters
- Operational parameters: These parameters include the amount of generation and load in power systems.
- Economical parameters: Economic parameters have an effect on the economic aspects of the power system and include uncertainty in fuel supply, production cost, economic growth and interest rates [46].
4. Uncertainty Modeling
4.1. Stochastic Methods
4.1.1. Scenario Generation
4.1.2. MCS
4.1.3. Point Estimate Method (PEM)
4.2. Fuzzy Method
4.3. Robust Optimization Method
4.4. Information Gap Decision Theory (IGDT)
5. Mathematical Formulation of EMS
5.1. Objective Functions
5.2. Constraints
6. Optimization Techniques of a Microgrid Performed by an EMS
6.1. Heuristic Approaches
6.2. MAS
6.3. Mathematical Methods
6.3.1. CPLEX Solver
6.3.2. SNOPT Solver
6.3.3. Gurobi Optimizer
7. Microgrid Test Systems
8. EMS Simulation Scenarios
9. Conclusions
Author Contributions
Funding
Conflicts of Interest
Abbreviations
| DG | Distributed Generation | ANN | Artificial Neural Network |
| ESS | Energy Storage System | FNN | Fuzzy Neural Network |
| EMS | Energy Management System | SVR | Support Vector Regression |
| DR | Demand Response | Probability Distribution Function | |
| WT | Wind Turbine | PEM | Point Estimate Method |
| PV | Photo-Voltaic | MF | Membership Function |
| FC | Fuel Cell | IGDT | Information Gap Decision Theory |
| MT | Micro Turbine | MRCGA | Matrix Real-coded Genetic Algorithm |
| GE | Gas Engine | MAS | Multi-agent System |
| DiG | Diesel Generator | MILP | Mixed Integer Linear Programing |
| DSM | Demand-side Management | GARCH | Generalized Auto-regressive Conditional Heteroskedasticity |
| DR | Demand Response | ARIMA | Auto-regressive Integrated Moving Average |
| MCS | Monte Carlo Simulation | PEM | Point Estimate Method |
| MGSA | Multi-period Gravitational Search Algorithm | MPSO | Multi-objective Particle Swarm Optimization |
| MBFO | Multi-objective Bacterial Foraging Optimization | ABCO | Artificial Bee Colony |
| PSO | Particle Swarm Optimization | DCOP | Distributed Constraint Optimization Problems |
References
- Wang, D.; Qiu, J.; Reedman, L.; Meng, K.; Lai, L.L. Two-stage energy management for networked microgrids with high renewable penetration. Appl. Energy 2018, 226, 39–48. [Google Scholar] [CrossRef]
- kianmehr, E.; Nikkhah, S.; Rabiee, A. Multi-objective stochastic model for joint optimal allocation of DG units and network reconfiguration from DG owner’s and DisCo’s perspectives. Renew. Energy 2019, 132, 471–485. [Google Scholar] [CrossRef]
- Aboli, R.; Ramezani, M.; Falaghi, H. Joint optimization of day-ahead and uncertain near real-time operation of microgrids. Int. J. Electr. Power Energy Syst. 2019, 107, 34–46. [Google Scholar] [CrossRef]
- Sedighizadeh, M.; Esmaili, M.; Jamshidi, A.; Ghaderi, M.-H. Stochastic multi-objective economic-environmental energy and reserve scheduling of microgrids considering battery energy storage system. Int. J. Electr. Power Energy Syst. 2019, 106, 1–16. [Google Scholar] [CrossRef]
- Zheng, Y.; Jenkins, B.M.; Kornbluth, K.; Kendall, A.; Træholt, C. Optimization of a biomass-integrated renewable energy microgrid with demand side management under uncertainty. Appl. Energy 2018, 230, 836–844. [Google Scholar] [CrossRef]
- Ahmad Khan, A.; Naeem, M.; Iqbal, M.; Qaisar, S.; Anpalagan, A. A compendium of optimization objectives, constraints, tools and algorithms for energy management in microgrids. Renew. Sustain. Energy Rev. 2016, 58, 1664–1683. [Google Scholar] [CrossRef]
- Fathima, A.H.; Palanisamy, K. Optimization in microgrids with hybrid energy systems—A review. Renew. Sustain. Energy Rev. 2015, 45, 431–446. [Google Scholar] [CrossRef]
- Meng, L.; Sanseverino, E.R.; Luna, A.; Dragicevic, T.; Vasquez, J.C.; Guerrero, J.M. Microgrid supervisory controllers and energy management systems: A literature review. Renew. Sustain. Energy Rev. 2016, 60, 1263–1273. [Google Scholar] [CrossRef]
- Palizban, O.; Kauhaniemi, K.; Guerrero, J.M. Microgrids in active network management—Part I: Hierarchical control, energy storage, virtual power plants, and market participation. Renew. Sustain. Energy Rev. 2014, 36, 428–439. [Google Scholar] [CrossRef]
- Gamarra, C.; Guerrero, J.M. Computational optimization techniques applied to microgrids planning: A review. Renew. Sustain. Energy Rev. 2015, 48, 413–424. [Google Scholar] [CrossRef]
- Rahman, H.A.; Majid, M.S.; Jordehi, A.R.; Kim, G.C.; Hassan, M.Y.; Fadhl, S.O. Operation and control strategies of integrated distributed energy resources: A review. Renew. Sustain. Energy Rev. 2015, 51, 1412–1420. [Google Scholar] [CrossRef]
- Vardakas, J.S.; Zorba, N.; Verikoukis, C.V. A Survey on Demand Response Programs in Smart Grids: Pricing Methods and Optimization Algorithms. IEEE Commun. Surv. Tutor. 2015, 17, 152–178. [Google Scholar] [CrossRef]
- Korolko, N.; Sahinoglu, Z. Robust Optimization of EV Charging Schedules in Unregulated Electricity Markets. IEEE Trans. Smart Grid 2017, 8, 149–157. [Google Scholar] [CrossRef]
- Li, B.; Roche, R.; Paire, D.; Miraoui, A. A price decision approach for multiple multi-energy-supply microgrids considering demand response. Energy 2019, 167, 117–135. [Google Scholar] [CrossRef]
- Dou, C.; Lv, M.; Zhao, T.; Ji, Y.; Li, H. Decentralised coordinated control of microgrid based on multi-agent system. IET Gener. Transm. Distrib. 2015, 9, 2474–2484. [Google Scholar] [CrossRef]
- Katiraei, F.; Iravani, R.; Hatziargyriou, N.; Dimeas, A. Microgrids management. IEEE Power Energy Mag. 2008, 6, 54–65. [Google Scholar] [CrossRef]
- Theo, W.L.; Lim, J.S.; Ho, W.S.; Hashim, H.; Lee, C.T. Review of distributed generation (DG) system planning and optimisation techniques: Comparison of numerical and mathematical modelling methods. Renew. Sustain. Energy Rev. 2017, 67, 531–573. [Google Scholar] [CrossRef]
- Marzband, M.; Ghadimi, M.; Sumper, A.; Domínguez-García, J.L. Experimental validation of a real-time energy management system using multi-period gravitational search algorithm for microgrids in islanded mode. Appl. Energy 2014, 128, 164–174. [Google Scholar] [CrossRef]
- Shokri Gazafroudi, A.; Afshar, K.; Bigdeli, N. Assessing the operating reserves and costs with considering customer choice and wind power uncertainty in pool-based power market. Int. J. Electr. Power Energy Syst. 2015, 67, 202–215. [Google Scholar] [CrossRef]
- Lidula, N.W.A.; Rajapakse, A.D. Microgrids research: A review of experimental microgrids and test systems. Renew. Sustain. Energy Rev. 2011, 15, 186–202. [Google Scholar] [CrossRef]
- Pandit, M.; Srivastava, L.; Sharma, M. Environmental economic dispatch in multi-area power system employing improved differential evolution with fuzzy selection. Appl. Soft Comput. 2015, 28, 498–510. [Google Scholar] [CrossRef]
- Garcia-Gonzalez, J.; Muela, R.M.R.; dl Santos, L.M.; Gonzalez, A.M. Stochastic Joint Optimization of Wind Generation and Pumped-Storage Units in an Electricity Market. IEEE Trans. Power Syst. 2008, 23, 460–468. [Google Scholar] [CrossRef]
- Guo, L.; Liu, W.; Li, X.; Liu, Y.; Jiao, B.; Wang, W.; Wang, C.; Li, F. Energy Management System for Stand-Alone Wind-Powered-Desalination Microgrid. IEEE Trans. Smart Grid 2016, 7, 1079–1087. [Google Scholar] [CrossRef]
- Motevasel, M.; Seifi, A.R. Expert energy management of a micro-grid considering wind energy uncertainty. Energy Convers. Manag. 2014, 83, 58–72. [Google Scholar] [CrossRef]
- Karavas, C.-S.; Kyriakarakos, G.; Arvanitis, K.G.; Papadakis, G. A multi-agent decentralized energy management system based on distributed intelligence for the design and control of autonomous polygeneration microgrids. Energy Convers. Manag. 2015, 103, 166–179. [Google Scholar] [CrossRef]
- Alavi, S.A.; Ahmadian, A.; Aliakbar-Golkar, M. Optimal probabilistic energy management in a typical micro-grid based-on robust optimization and point estimate method. Energy Convers. Manag. 2015, 95, 314–325. [Google Scholar] [CrossRef]
- Chen, C.; Duan, S. Optimal allocation of distributed generation and energy storage system in microgrids. IET Renew. Power Gener. 2014, 8, 581–589. [Google Scholar] [CrossRef]
- Sfikas, E.E.; Katsigiannis, Y.A.; Georgilakis, P.S. Simultaneous capacity optimization of distributed generation and storage in medium voltage microgrids. Int. J. Electr. Power Energy Syst. 2015, 67, 101–113. [Google Scholar] [CrossRef]
- Logenthiran, T.; Srinivasan, D.; Khambadkone, A.M. Multi-agent system for energy resource scheduling of integrated microgrids in a distributed system. Electr. Power Syst. Res. 2011, 81, 138–148. [Google Scholar] [CrossRef]
- Ramin, D.; Spinelli, S.; Brusaferri, A. Demand-side management via optimal production scheduling in power-intensive industries: The case of metal casting process. Appl. Energy 2018, 225, 622–636. [Google Scholar] [CrossRef]
- Behrangrad, M. A review of demand side management business models in the electricity market. Renew. Sustain. Energy Rev. 2015, 47, 270–283. [Google Scholar] [CrossRef]
- Shayeghi, H.; Sobhani, B. Integrated offering strategy for profit enhancement of distributed resources and demand response in microgrids considering system uncertainties. Energy Convers. Manag. 2014, 87, 765–777. [Google Scholar] [CrossRef]
- Shahryari, E.; Shayeghi, H.; Mohammadi-ivatloo, B.; Moradzadeh, M. An improved incentive-based demand response program in day-ahead and intra-day electricity markets. Energy 2018, 155, 205–214. [Google Scholar] [CrossRef]
- Colson, C.M.; Nehrir, M.H. Comprehensive Real-Time Microgrid Power Management and Control with Distributed Agents. IEEE Trans. Smart Grid 2013, 4, 617–627. [Google Scholar] [CrossRef]
- Aghajani, G.R.; Shayanfar, H.A.; Shayeghi, H. Presenting a multi-objective generation scheduling model for pricing demand response rate in micro-grid energy management. Energy Convers. Manag. 2015, 106, 308–321. [Google Scholar] [CrossRef]
- Falsafi, H.; Zakariazadeh, A.; Jadid, S. The role of demand response in single and multi-objective wind-thermal generation scheduling: A stochastic programming. Energy 2014, 64, 853–867. [Google Scholar] [CrossRef]
- Shayeghi, H.; Ghasemi, A.; Moradzadeh, M.; Nooshyar, M. Simultaneous day-ahead forecasting of electricity price and load in smart grids. Energy Convers. Manag. 2015, 95, 371–384. [Google Scholar] [CrossRef]
- Tenfen, D.; Finardi, E.C. A mixed integer linear programming model for the energy management problem of microgrids. Electr. Power Syst. Res. 2015, 122, 19–28. [Google Scholar] [CrossRef]
- Rezaei, N.; Kalantar, M. Stochastic frequency-security constrained energy and reserve management of an inverter interfaced islanded microgrid considering demand response programs. Int. J. Electr. Power Energy Syst. 2015, 69, 273–286. [Google Scholar] [CrossRef]
- Rabiee, A.; Sadeghi, M.; Aghaeic, J.; Heidari, A. Optimal operation of microgrids through simultaneous scheduling of electrical vehicles and responsive loads considering wind and PV units uncertainties. Renew. Sustain. Energy Rev. 2016, 57, 721–739. [Google Scholar] [CrossRef]
- Alharbi, W.; Raahemifar, K. Probabilistic coordination of microgrid energy resources operation considering uncertainties. Electr. Power Syst. Res. 2015, 128, 1–10. [Google Scholar] [CrossRef]
- Zhao, B.; Xue, M.; Zhang, X.; Wang, C.; Zhao, J. An MAS based energy management system for a stand-alone microgrid at high altitude. Appl. Energy 2015, 143, 251–261. [Google Scholar] [CrossRef]
- Talari, S.; Yazdaninejad, M.; Haghifam, M.R. Stochastic-based scheduling of the microgrid operation including wind turbines, photovoltaic cells, energy storages and responsive loads. IET Gener. Transm. Distrib. 2015, 9, 1498–1509. [Google Scholar] [CrossRef]
- Pourmousavi, S.A.; Nehrir, M.H.; Sharma, R.K. Multi-Timescale Power Management for Islanded Microgrids Including Storage and Demand Response. IEEE Trans. Smart Grid 2015, 6, 1185–1195. [Google Scholar] [CrossRef]
- Rosenthal, R.E. GAMS—A User’s Guide; ALS-NSCORT: West Lafayette, IN, USA, 2004. [Google Scholar]
- Soroudi, A.; Amraee, T. Decision making under uncertainty in energy systems: State of the art. Renew. Sustain. Energy Rev. 2013, 28, 376–384. [Google Scholar] [CrossRef]
- Tascikaraoglu, A.; Uzunoglu, M. A review of combined approaches for prediction of short-term wind speed and power. Renew. Sustain. Energy Rev. 2014, 34, 243–254. [Google Scholar] [CrossRef]
- Contreras, J.; Espinola, R.; Nogales, F.J.; Conejo, A.J. ARIMA models to predict next-day electricity prices. IEEE Trans. Power Syst. 2003, 18, 1014–1020. [Google Scholar] [CrossRef]
- Garcia, R.C.; Contreras, J.; Akkeren, M.; Garcia, J.B.C. A GARCH forecasting model to predict day-ahead electricity prices. IEEE Trans. Power Syst. 2005, 20, 867–874. [Google Scholar] [CrossRef]
- Teo, K.K.; Wang, L.; Lin, Z. Wavelet Packet Multi-layer Perceptron for Chaotic Time Series Prediction: Effects of Weight Initialization. In Proceedings of the Computational Science—ICCS 2001: International Conference, San Francisco, CA, USA, 28–30 May 2001; pp. 310–317. [Google Scholar]
- Al-Fattah, S.M. Artificial Neural Network Models for Forecasting Global Oil Market Volatility. SSRN Electron. J. 2013, 112. [Google Scholar] [CrossRef]
- Amjady, N. Day-ahead price forecasting of electricity markets by a new fuzzy neural network. IEEE Trans. Power Syst. 2006, 21, 887–896. [Google Scholar] [CrossRef]
- Che, J.; Wang, J. Short-term electricity prices forecasting based on support vector regression and Auto-regressive integrated moving average modeling. Energy Convers. Manag. 2010, 51, 1911–1917. [Google Scholar] [CrossRef]
- Aien, M.; Hajebrahimi, A.; Fotuhi-Firuzabad, M. A comprehensive review on uncertainty modeling techniques in power system studies. Renew. Sustain. Energy Rev. 2016, 57, 1077–1089. [Google Scholar] [CrossRef]
- Aien, M.; Rashidinejad, M.; Fotuhi-Firuzabad, M. On possibilistic and probabilistic uncertainty assessment of power flow problem: A review and a new approach. Renew. Sustain. Energy Rev. 2014, 37, 883–895. [Google Scholar] [CrossRef]
- Mirakyan, A.; De Guio, R. Modelling and uncertainties in integrated energy planning. Renew. Sustain. Energy Rev. 2015, 46, 62–69. [Google Scholar] [CrossRef]
- Yan, J.; Liu, Y.; Han, S.; Wang, Y.; Feng, S. Reviews on uncertainty analysis of wind power forecasting. Renew. Sustain. Energy Rev. 2015, 52, 1322–1330. [Google Scholar] [CrossRef]
- Marino, C.; Quddus, M.A.; Marufuzzaman, M.; Cowan, M.; Bednar, A.E. A chance-constrained two-stage stochastic programming model for reliable microgrid operations under power demand uncertainty. Sustain. Energy Grids Netw. 2018, 13, 66–77. [Google Scholar] [CrossRef]
- Dantzig, G.B. Linear programming under uncertainty. In Stochastic Programming; Springer: New York, NY, USA, 2011; pp. 1–11. [Google Scholar]
- Xie, S.; Hu, Z.; Zhou, D.; Li, Y.; Kong, S.; Lin, W.; Zheng, Y. Multi-objective active distribution networks expansion planning by scenario-based stochastic programming considering uncertain and random weight of network. Appl. Energy 2018, 219, 207–225. [Google Scholar] [CrossRef]
- Wang, Z.; Shen, C.; Liu, F. A conditional model of wind power forecast errors and its application in scenario generation. Appl. Energy 2018, 212, 771–785. [Google Scholar] [CrossRef]
- Shields, M.D. Adaptive Monte Carlo analysis for strongly nonlinear stochastic systems. Reliab. Eng. Syst. Saf. 2018, 175, 207–224. [Google Scholar] [CrossRef]
- Dufo-López, R.; Pérez-Cebollada, E.; Bernal-Agustín, J.L.; Martínez-Ruiz, I. Optimisation of energy supply at off-grid healthcare facilities using Monte Carlo simulation. Energy Convers. Manag. 2016, 113, 321–330. [Google Scholar] [CrossRef]
- Caralis, G.; Diakoulaki, D.; Yang, P.; Gao, Z.; Zervos, A.; Rados, K. Profitability of wind energy investments in China using a Monte Carlo approach for the treatment of uncertainties. Renew. Sustain. Energy Rev. 2014, 40, 224–236. [Google Scholar] [CrossRef]
- Bordbari, M.J.; Seifi, A.R.; Rastegar, M. Probabilistic energy consumption analysis in buildings using point estimate method. Energy 2018, 142, 716–722. [Google Scholar] [CrossRef]
- Hong, H.P. An efficient point estimate method for probabilistic analysis. Reliab. Eng. Syst. Saf. 1998, 59, 261–267. [Google Scholar] [CrossRef]
- Peik-Herfeh, M.; Seifi, H.; Sheikh-El-Eslami, M.K. Decision making of a virtual power plant under uncertainties for bidding in a day-ahead market using point estimate method. Int. J. Electr. Power Energy Syst. 2013, 44, 88–98. [Google Scholar] [CrossRef]
- Marandi, S.M.; Anvar, M.; Bahrami, M. Uncertainty analysis of safety factor of embankment built on stone column improved soft soil using fuzzy logic α-cut technique. Comput. Geotech. 2016, 75, 135–144. [Google Scholar] [CrossRef]
- Suganthi, L.; Iniyan, S.; Samuel, A.A. Applications of fuzzy logic in renewable energy systems—A review. Renew. Sustain. Energy Rev. 2015, 48, 585–607. [Google Scholar] [CrossRef]
- Soroudi, A.; Ehsan, M. A possibilistic–probabilistic tool for evaluating the impact of stochastic renewable and controllable power generation on energy losses in distribution networks—A case study. Renew. Sustain. Energy Rev. 2011, 15, 794–800. [Google Scholar] [CrossRef]
- Zhang, H.; Yue, D.; Xie, X. Robust Optimization for Dynamic Economic Dispatch Under Wind Power Uncertainty with Different Levels of Uncertainty Budget. IEEE Access 2016, 4, 7633–7644. [Google Scholar] [CrossRef]
- Kuznetsova, E.; Ruiz, C.; Li, Y.-F.; Zio, E. Analysis of robust optimization for decentralized microgrid energy management under uncertainty. Int. J. Electr. Power Energy Syst. 2015, 64, 815–832. [Google Scholar] [CrossRef]
- Zare, K.; Conejo, A.J.; Carrión, M.; Moghaddam, M.P. Multi-market energy procurement for a large consumer using a risk-aversion procedure. Electr. Power Syst. Res. 2010, 80, 63–70. [Google Scholar] [CrossRef]
- Alipour, M.; Zare, K.; Mohammadi-Ivatloo, B. Optimal risk-constrained participation of industrial cogeneration systems in the day-ahead energy markets. Renew. Sustain. Energy Rev. 2016, 60, 421–432. [Google Scholar] [CrossRef]
- Nojavan, S.; Ghesmati, H.; Zare, K. Robust optimal offering strategy of large consumer using IGDT considering demand response programs. Electr. Power Syst. Res. 2016, 130, 46–58. [Google Scholar] [CrossRef]
- Fu, Q.; Nasiri, A.; Bhavaraju, V.; Solanki, A.; Abdallah, T.; Yu, D.C. Transition Management of Microgrids With High Penetration of Renewable Energy. IEEE Trans. Smart Grid 2014, 5, 539–549. [Google Scholar] [CrossRef]
- Liu, Y.; Yu, S.; Zhu, Y.; Wang, D.; Liu, J. Modeling, planning, application and management of energy systems for isolated areas: A review. Renew. Sustain. Energy Rev. 2018, 82, 460–470. [Google Scholar] [CrossRef]
- Mazzola, S.; Astolfi, M.; Macchi, E. A detailed model for the optimal management of a multigood microgrid. Appl. Energy 2015, 154, 862–873. [Google Scholar] [CrossRef]
- Chen, C.; Duan, S.; Cai, T.; Liu, B.; Hu, G. Smart energy management system for optimal microgrid economic operation. IET Renew. Power Gener. 2011, 5, 258–267. [Google Scholar] [CrossRef]
- Patra, S.B.; Mitra, J.; Ranade, S.J. Microgrid architecture: A reliability constrained approach. In Proceedings of the IEEE Power Engineering Society General Meeting, San Francisco, CA, USA, 16 June 2005; pp. 2372–2377. [Google Scholar]
- Mitra, J.; Patra, S.B.; Ranade, S.J. A dynamic programming based method for developing optimal microgrid architectures. In Proceedings of the 15th Power Systems Computational Conference, Liège, Belgium, 22–26 August 2005; pp. 22–26. [Google Scholar]
- Nosratabadi, S.M.; Hooshmand, R.-A.; Gholipour, E. A comprehensive review on microgrid and virtual power plant concepts employed for distributed energy resources scheduling in power systems. Renew. Sustain. Energy Rev. 2017, 67, 341–363. [Google Scholar] [CrossRef]
- Marzband, M.; Azarinejadian, F.; Savaghebi, M.; Guerrero, J.M. An Optimal Energy Management System for Islanded Microgrids Based on Multiperiod Artificial Bee Colony Combined with Markov Chain. IEEE Syst. J. 2015, 11, 1712–1722. [Google Scholar] [CrossRef]
- Huynh, T.D.; Jennings, N.R.; Shadbolt, N.R. An integrated trust and reputation model for open multi-agent systems. Auton. Agents Multi-Agent Syst. 2006, 13, 119–154. [Google Scholar] [CrossRef]
- Vytelingum, P.; Voice, T.D.; Ramchurn, S.D.; Rogers, A.; Jennings, N.R. Agent-based micro-storage management for the smart grid. In Proceedings of the 9th International Conference on Autonomous Agents and Multiagent Systems, Toronto, ON, Canada, 10–14 May 2010; pp. 39–46. [Google Scholar]
- Dehghanpour, K.; Colson, C.; Nehrir, H. A survey on smart agent-based microgrids for resilient/self-healing grids. Energies 2017, 10, 620. [Google Scholar] [CrossRef]
- Lezama, F.; Palominos, J.; Rodríguez-González, A.Y.; Farinelli, A.; de Cote, E.M. Optimal Scheduling of On/Off Cycles: A Decentralized IoT-Microgrid Approach. In Applications for Future Internet; Springer: Berlin, Germany, 2017; pp. 79–90. [Google Scholar]
- Ferdinando, F.; Yeoh, W.; Pontelli, E. Multi-variable agents decomposition for DCOPs. In Proceedings of the Thirtieth AAAI Conference on Artificial Intelligence, Phoenix, AZ, USA, 12–17 February 2016. [Google Scholar]
- Gurobi Optimizer Inc. Gurobi Optimizer Reference Manual; Gurobi Optimization Inc.: Houston, TX, USA, 2014. [Google Scholar]
- Unamuno, E.; Barrena, J.A. Hybrid ac/dc microgrids—Part I: Review and classification of topologies. Renew. Sustain. Energy Rev. 2015, 52, 1251–1259. [Google Scholar] [CrossRef]
- Barnes, M.; Kondoh, J.; Asano, H.; Oyarzabal, J.; Ventakaramanan, G.; Lasseter, R.; Hatziargyriou, N.; Green, T. Real-World MicroGrids-An Overview. In Proceedings of the IEEE International Conference on System of Systems Engineering, San Antonio, TX, USA, 16–18 April 2007; pp. 1–8. [Google Scholar]
- Hossain, E.; Kabalci, E.; Bayindir, R.; Perez, R. Microgrid testbeds around the world: State of art. Energy Convers. Manag. 2014, 86, 132–153. [Google Scholar] [CrossRef]
- Jiang, Q.; Xue, M.; Geng, G. Energy Management of Microgrid in Grid-Connected and Stand-Alone Modes. IEEE Trans. Power Syst. 2013, 28, 3380–3389. [Google Scholar] [CrossRef]
- Tsikalakis, A.G.; Hatziargyriou, N.D. Centralized Control for Optimizing Microgrids Operation. IEEE Trans. Energy Convers. 2008, 23, 241–248. [Google Scholar] [CrossRef]
- Kargarian, A.; Falahati, B.; Fu, Y.; Baradar, M. Multiobjective optimal power flow algorithm to enhance multi-microgrids performance incorporating IPFC. In Proceedings of the IEEE Power and Energy Society General Meeting, San Diego, CA, USA, 22–26 July 2012; pp. 1–6. [Google Scholar]
- Nunna, H.S.V.; Doolla, S. Demand Response in Smart Distribution System with Multiple Microgrids. IEEE Trans. Smart Grid 2012, 3, 1641–1649. [Google Scholar] [CrossRef]
- Wang, Z.; Chen, B.; Wang, J.; Begovic, M.M.; Chen, C. Coordinated Energy Management of Networked Microgrids in Distribution Systems. IEEE Trans. Smart Grid 2015, 6, 45–53. [Google Scholar] [CrossRef]


| Ref. | Objective Function | Const. | Flexible Resources | Optimization Techniques | Microgrid Operational Mode | ||
|---|---|---|---|---|---|---|---|
| DR | ESS | Islanded | Grid-Connected | ||||
| [6] | ✓ | ✓ | ✓ | ✓ | ✓ | ||
| [7] | ✓ | ✓ | ✓ | ✓ | ✓ | ||
| [8] | ✓ | ✓ | ✓ | ||||
| [9] | ✓ | ✓ | ✓ | ||||
| [10] | ✓ | ✓ | ✓ | ✓ | |||
| [11] | ✓ | ✓ | ✓ | ||||
| [12] | ✓ | ✓ | ✓ | ||||
| [13] | ✓ | ✓ | ✓ | ✓ | |||
| Ref | OF Equation | Details | Single Multi | |
|---|---|---|---|---|
| [24] | and represent bids of ith DG and jth storage device. is the emission factor of jth DG. In addition, and represent power generation of ith DG and jth storage device. | ✓ | ||
| [28] | COE is the cost of energy which is computed by the ratio of total annualized cost () to total annual energy served (). | ✓ | ||
| [18] | are the cost of energy produced by renewable and non-renewable sources. represent the cost of ESS charge and discharge. are the DR cost and is the penalty of the energy not supplied. | ✓ | ||
| [25] | NPC is the net present cost for 20 operating years. are the battery, hydrogen, water, water tank and metal hydride tank penalty, respectively. | ✓ | ||
| [26] | and represent the operation, emission and reliability cost of microgrid, respectively. | ✓ | ||
| [27] | The EMS cost composed of as investment cost and as operation cost. | ✓ | ||
| [35] | The objective function is considered as the operating and emission cost. and represent DG cost, start-up and shut-down costs, reserve cost and cost of exchanged power with the grid, respectively. | ✓ | ||
| [36] | The objective function is composed of overall cost and emission functions. | ✓ | ✓ | |
| [38] | represent maintenance cost of MT and FC while expresses the incremental cost of load shedding. | ✓ | ||
| [39] | controls microgrid frequency as the EMS OF. | ✓ | ||
| [40] | and represent non-negative coefficients for adjusting objective functions while is ith price penalty factor. | ✓ | ||
| [41] | The first term represents operating cost of DGs while the latter one is the operating cost of ESS. The expected cost of power interruption and responsive demand are computed by third and last terms, respectively. | ✓ | ||
| [43] | The cost function is composed of generation, trade-off, start-up and shut down costs of DGs as well as up and down reserves of demand response and security cost of the network. | ✓ | ||
| [78] | denote the operation and start-up costs while is the total revenue. The last term represents penalty of the unmet load. | ✓ | ||
| [79] | is the generated power by DGs while and denote the amount of shedded and curtailed load, respectively. | ✓ | ||
| [80,81] | J is the cost of transmission network, Jij denotes the cost of interconnecting nodes. | ✓ | ||
| Ref | Power Balance | Generation | ESS | DR | Technical | ||||||||
|---|---|---|---|---|---|---|---|---|---|---|---|---|---|
| DiG | GE | Biomass | MT | Wind | PV | FC | EV | Grid | |||||
| [24] | ✓ | ✓ | ✓ | ✓ | ✓ | ✓ | ✓ | ||||||
| [28] | ✓ | ✓ | ✓ | ✓ | ✓ | ✓ | ✓ | ||||||
| [18] | ✓ | ✓ | ✓ | ✓ | ✓ | ✓ | |||||||
| [25] | ✓ | ✓ | ✓ | ✓ | ✓ | ✓ | |||||||
| [26] | ✓ | ✓ | ✓ | ✓ | ✓ | ✓ | ✓ | ||||||
| [27] | ✓ | ✓ | ✓ | ✓ | ✓ | ✓ | |||||||
| [35] | ✓ | ✓ | ✓ | ✓ | ✓ | ✓ | ✓ | ✓ | |||||
| [36] | ✓ | ✓ | ✓ | ||||||||||
| [38] | ✓ | ✓ | ✓ | ✓ | |||||||||
| [39] | ✓ | ✓ | ✓ | ✓ | ✓ | ✓ | |||||||
| [40] | ✓ | ✓ | ✓ | ✓ | ✓ | ✓ | ✓ | ✓ | |||||
| [41] | ✓ | ✓ | ✓ | ✓ | ✓ | ||||||||
| [43] | ✓ | ✓ | ✓ | ✓ | ✓ | ✓ | ✓ | ✓ | |||||
| [78] | ✓ | ✓ | ✓ | ✓ | ✓ | ✓ | |||||||
| [79] | ✓ | ✓ | ✓ | ✓ | ✓ | ✓ | |||||||
| Ref | Microgrid Mode | Energy Source | Schematic Diagram of Microgrid | |||||
|---|---|---|---|---|---|---|---|---|
| Islanded | Grid-connected | Type | Min power (kW) | Max power (kW) | ||||
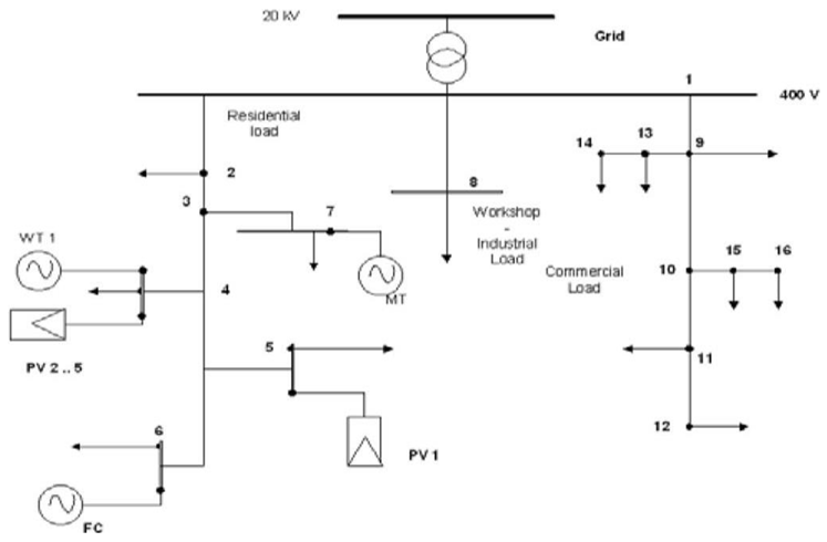
| Single Microgrid | [24] | ✓ | WT PV MT FC ESS Grid | 0 0 6 3 −30 −90 | 20 25 30 30 30 90 | ![]() | ||
| [28] | ✓ | WT PV Biomass Battery | 0 0 0 −4500 | 250 250 1100 6500 | ![]() | |||
| [26] | ✓ | WT PV MT DiG Battery | 0 0 12.74 11.11 30 | 250 200 75 60 90 | ![]() | |||
| [35] | ✓ | WT PV MT FC Battery Grid | 0 0 6 3 −30 −30 | 15 25 30 30 30 30 | ![]() | |||
| Ref. | Microgrid Mode | Energy Source | Schematic Diagram of Microgrid | |||||
| Islanded | Grid-connected | Type | Min power (kW) | Max power (kW) | ||||
| [38] | ✓ | WT PV MT FC Battery Grid | 0 0 6 7 3 −15 | 7 4.5 30 10 15 15 | ![]() | |||
| [39] | ✓ | WT PV MT FC GE | 0 0 25 20 35 | 80 70 150 100 200 | ![]() | |||
| [40] | ✓ | WT PV MT FC DiG EV | 0 0 6 3 2 0 | 15 30 30 30 50 1.5 | ![]() | |||
| [93] | ✓ | ✓ | WT PV MT DiG FC Battery | 0 0 12.74 11.11 14 30 | 250 200 75 60 80 90 | ![]() | ||
| Ref. | Microgrid Mode | Energy Source | Schematic Diagram of Microgrid | |||||
| Islanded | Grid-connected | Type | Min power (kW) | Max power (kW) | ||||
| [94] | ✓ | WT PV FC MT | 0 0 3 6 | 15 2.5 30 30 | ![]() | |||
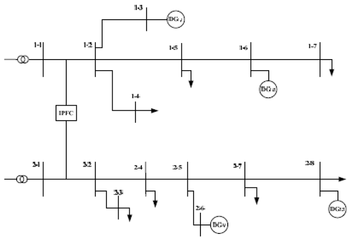
| Multi-Microgrids | [29] | ✓ | A B C | Thermal PV WT Battery | 10 0 0 0 | 45 360 140 500 | ![]() | |
| [95] | ✓ | 1 | 0 0 | 5000 4000 | ![]() | |||
| 2 | 0 0 | 7000 6000 | ||||||
| [96] | ✓ | 1 | 0 0 | 100 100 | ![]() | |||
| 2 | 0 0 | 100 100 | ||||||
| [97] | ✓ | 1 | WT PV MT | 0 0 0 | 60 60 70 | ![]() | ||
| 2 | MT | 0 | 30 | |||||
| 3 | WT MT | 0 0 | 50 60 | |||||
| DS | WT MT Grid | 0 0 −260 | 30 20 260 | |||||
| Ref | Scenario Number | Details |
|---|---|---|
| [24] | 1 | All units operate within their limits and microgrid has limited trades with upper utility. |
| 2 | WT operates at its maximum capacity while the rest are same as scenario 1. | |
| 3 | Unlimited energy is exchanged between microgrid and upper utility. | |
| [28] | 1 | Microgrid losses are compared in islanded and grid-connected mode. |
| 2 | The cost of energy for grid-connected and islanded microgrid are compared. | |
| [18] | 1 | Normal operation. |
| 2 | Sudden load increasing. | |
| 3 | Plug and play ability. | |
| [26] | 1 | Microgrid supplies whole demand from utility grid while DGs and ESSs are neglected. |
| 2 | DGs and ESSs have added to the microgrid while uncertain parameters are deterministic. | |
| 3 | Generated power of WT and PV are probabilistic while the load is deterministic. | |
| 4 | All of the uncertain parameters are probabilistic. | |
| [27] | 1,2 | Microgrid can absorb power from utility grid in absence of ESS while the capacity of DG sources are fixed and variable. |
| 3,4 | Microgrid can absorb power from utility grid in presence of ESS while the capacity of DG sources are fixed and variable. | |
| 5,6 | Microgrid exchanges power by utility grid in absence of ESS while the capacity of DG sources are fixed and variable. | |
| 7,8 | Microgrid exchanges power by utility grid in presence of ESS while the capacity of DG sources are fixed and variable. | |
| [35] | 1,2 | Operating cost is minimized without and with DR program. |
| 3,4 | Pollutant emission is minimized without and with DR program. | |
| 5,6 | Operating cost and pollutant emission are minimized simultaneously, without and with DR program. | |
| [38] | 1 | The base case with the existing data. |
| 2 | Extreme case by multiplying load demands by 2. | |
| 3 | Extreme case by multiplying PV and WT generation by 4 and 5. | |
| 4 | Base case along with classical modeling of MT and FC. | |
| [39] | 1 | Microgrid EMS without DR. |
| 2 | Microgrid EMS with DR. | |
| [40] | 1 | Microgrid EMS without DR and EV. |
| 2 | Microgrid EMS with DR but without EV. | |
| 3 | Microgrid EMS with DR and EV. | |
| [41] | 1 | Base case without ESS and DR to focus on the generation and load uncertainty. |
| 2 | Addition of ESS to scenario 1. | |
| 3 | Addition of DR to scenario 1. | |
| 4 | Addition of ESS and DR to scenario 1. | |
| [43] | 1 | 35% of peak load proportional to each hour is considered as deterministic reserve. |
| 2 | Stochastic management of microgrid is performed without DR. | |
| 3 | DR is added to scenario 2. |
© 2019 by the authors. Licensee MDPI, Basel, Switzerland. This article is an open access article distributed under the terms and conditions of the Creative Commons Attribution (CC BY) license (http://creativecommons.org/licenses/by/4.0/).
Share and Cite
Shayeghi, H.; Shahryari, E.; Moradzadeh, M.; Siano, P. A Survey on Microgrid Energy Management Considering Flexible Energy Sources. Energies 2019, 12, 2156. https://doi.org/10.3390/en12112156
Shayeghi H, Shahryari E, Moradzadeh M, Siano P. A Survey on Microgrid Energy Management Considering Flexible Energy Sources. Energies. 2019; 12(11):2156. https://doi.org/10.3390/en12112156
Chicago/Turabian StyleShayeghi, Hossein, Elnaz Shahryari, Mohammad Moradzadeh, and Pierluigi Siano. 2019. "A Survey on Microgrid Energy Management Considering Flexible Energy Sources" Energies 12, no. 11: 2156. https://doi.org/10.3390/en12112156
APA StyleShayeghi, H., Shahryari, E., Moradzadeh, M., & Siano, P. (2019). A Survey on Microgrid Energy Management Considering Flexible Energy Sources. Energies, 12(11), 2156. https://doi.org/10.3390/en12112156














