A Control Strategy of Modular Multilevel Converter with Integrated Battery Energy Storage System Based on Battery Side Capacitor Voltage Control
Abstract
:1. Introduction
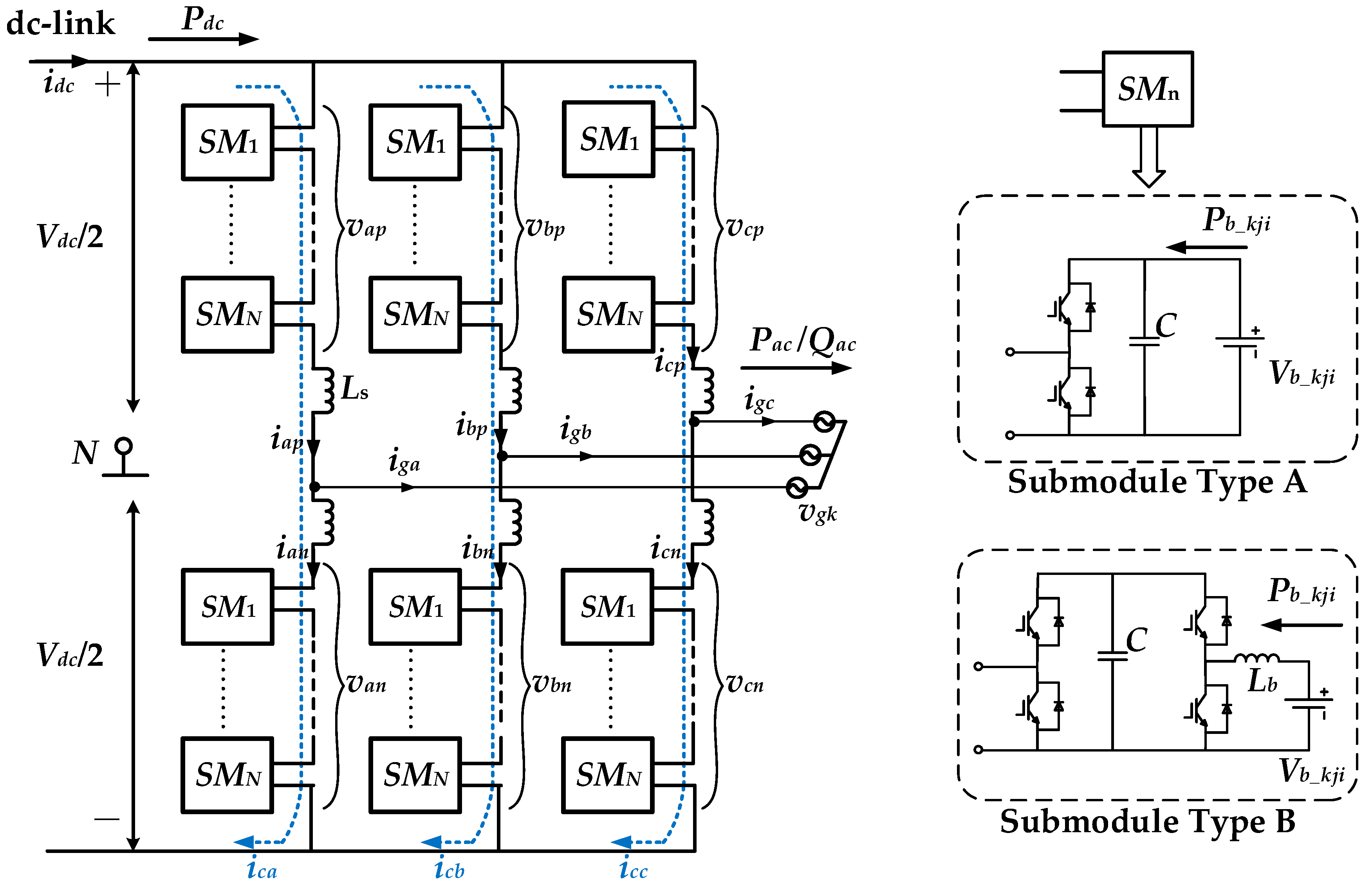
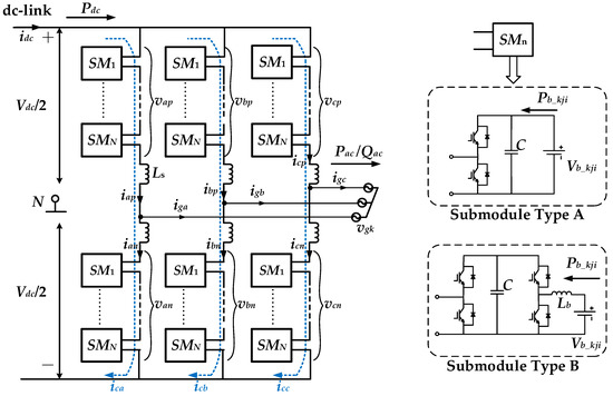
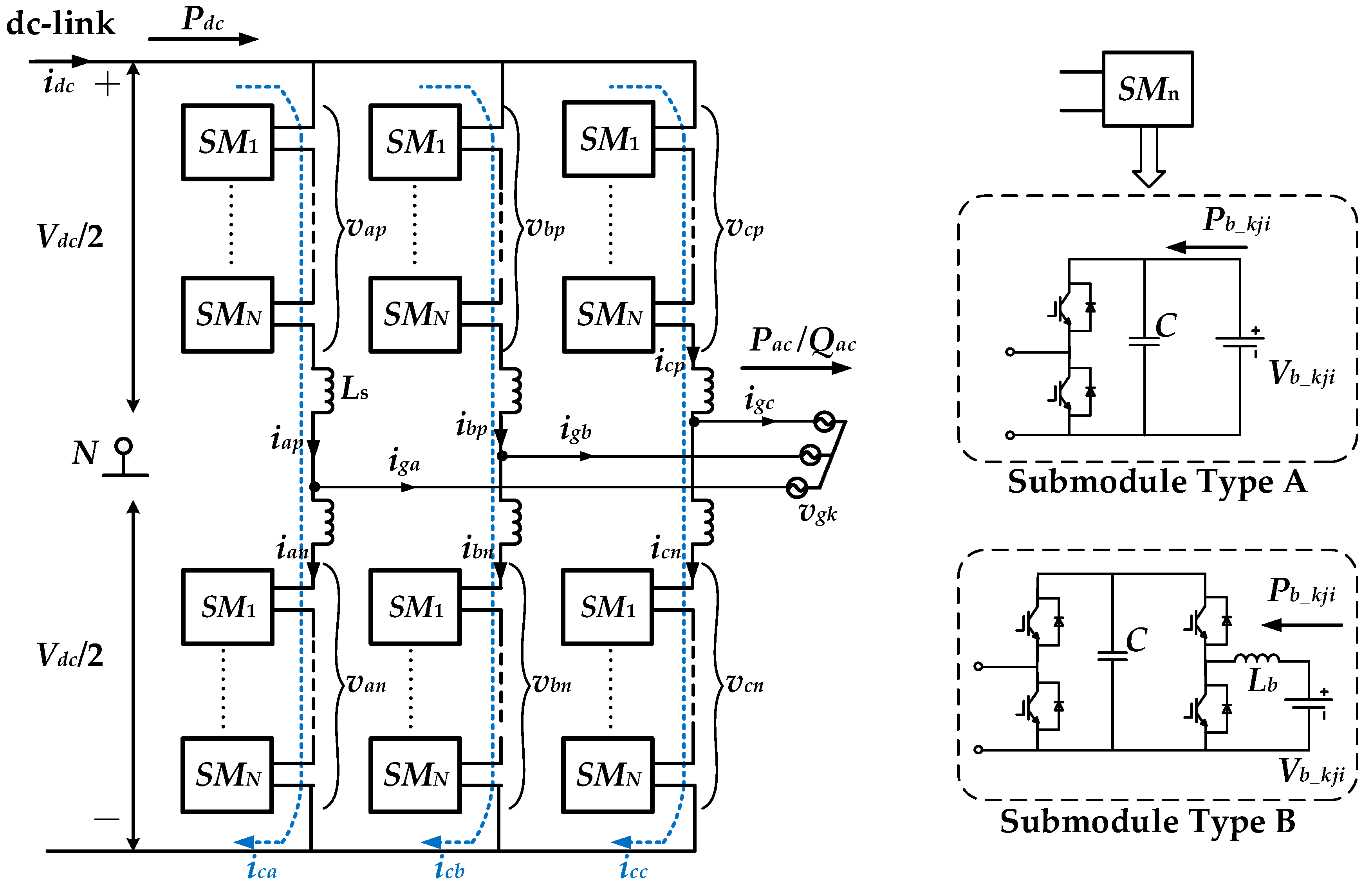
2. Mathematic Model and Principles of MMC-BESS
3. Control Strategy of Rectifier Mode Operation of MMC-BESS
3.1. SOC Equalization of MMC-BESS
3.1.1. SOC Equalization among Three Phases
3.1.2. SOC Equalization between Upper and Lower Arms
3.1.3. SOC Equalization among SMs within Phase Arm
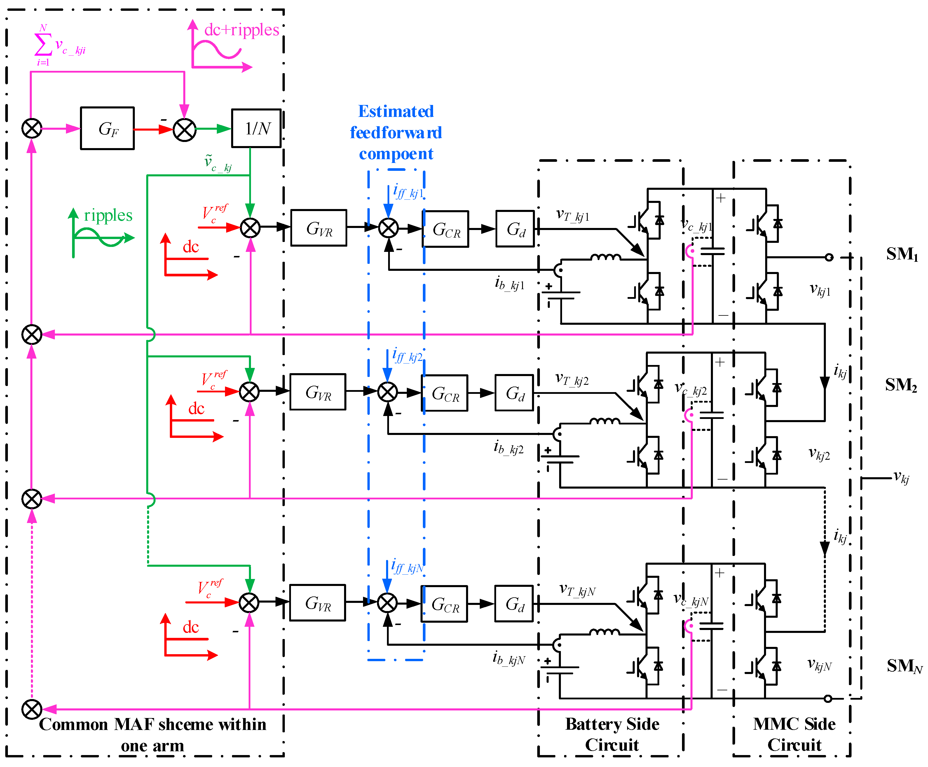
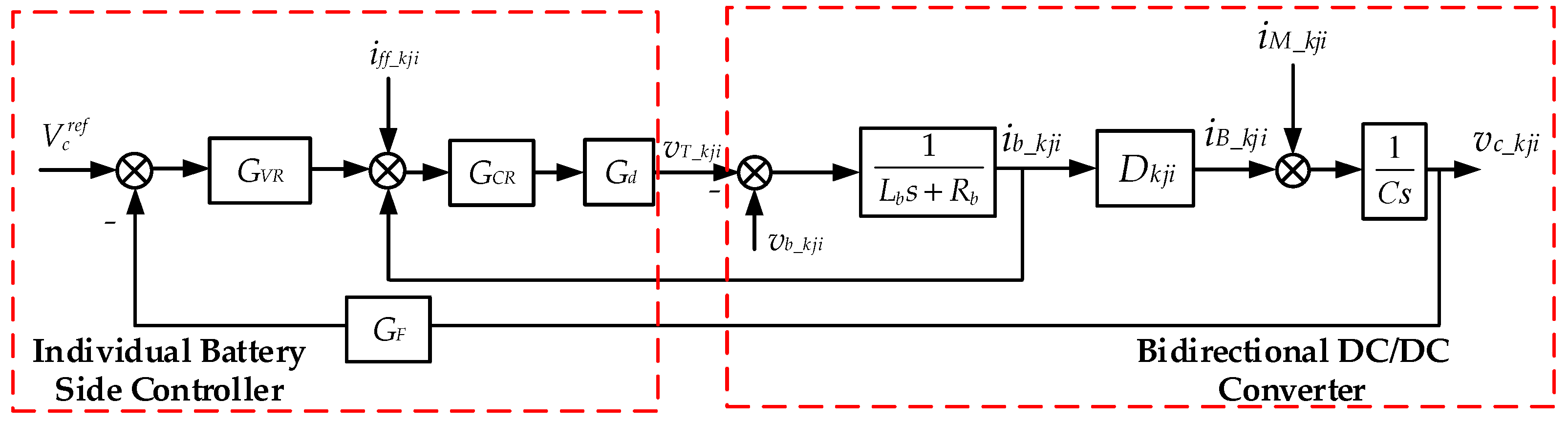
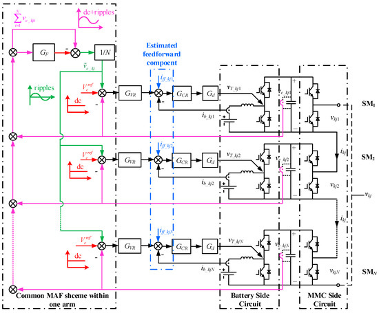
3.2. Control Strategy of MMC-BESS Based on Battery Side Capacitor Voltage Control
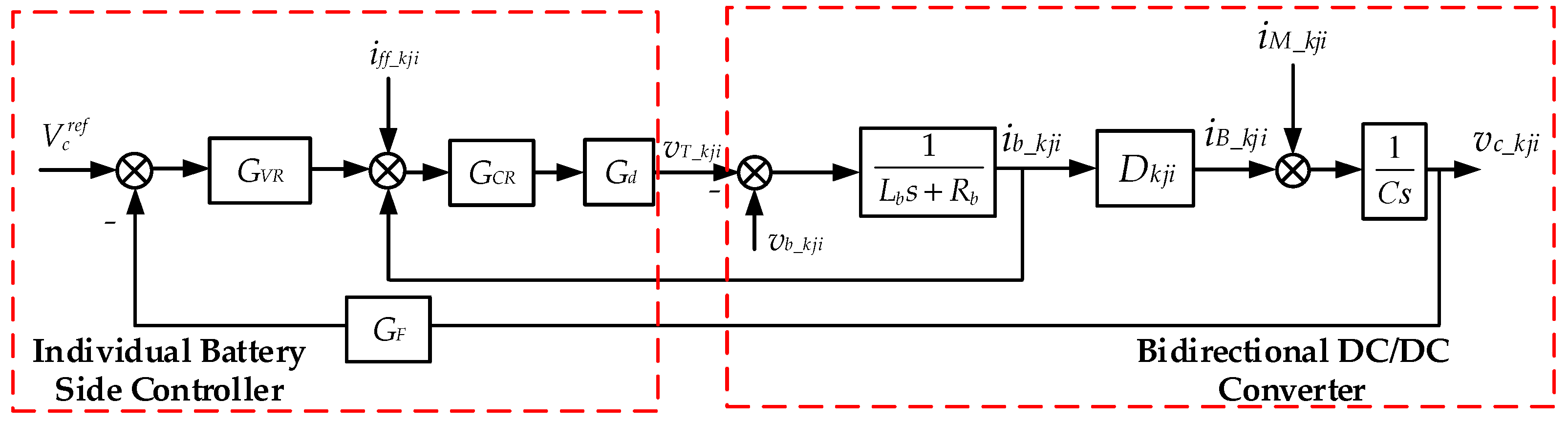
4. Implementation of Battery Side Control Strategy
5. Simulations and Experimental Results
5.1. Simulation Results
5.1.1. Rectifier Mode Operation with Proposed Control Strategy Based on Battery Side Capacitor Voltage Control
5.1.2. Verification of Proposed Battery Side Capacitor Voltage Control Strategy
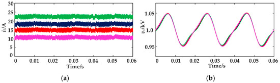
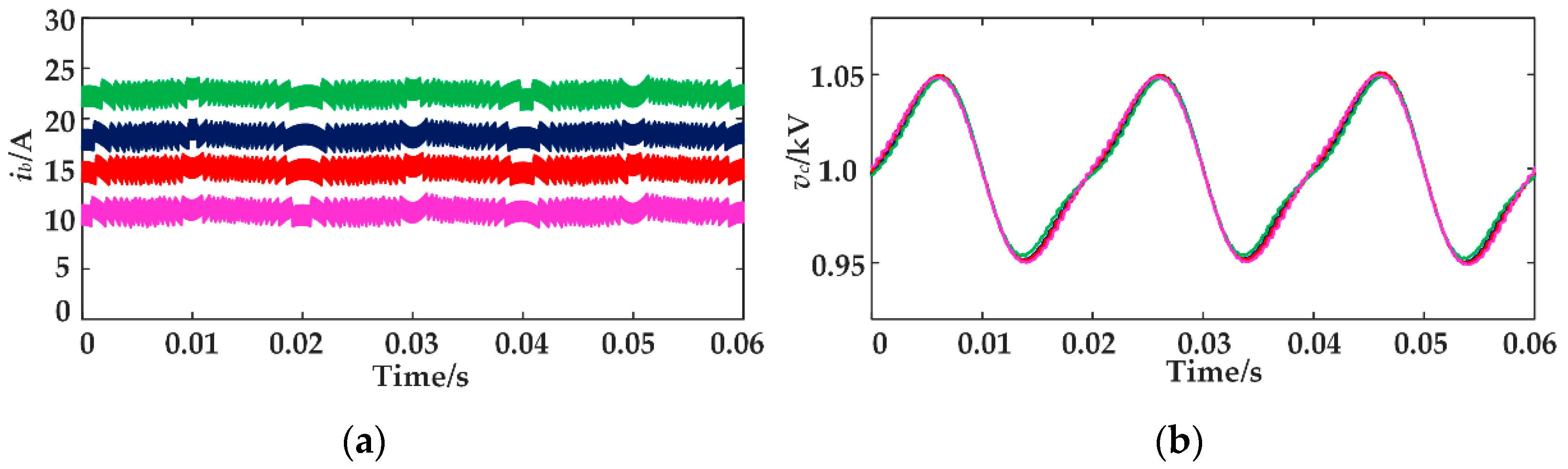
5.2. Experimental Results
5.2.1. Verification of SOC Equalization
5.2.2. Verification of Proposed Battery Side-Based Capacitor Voltage Control
5.2.3. Verification of Dynamics of Rectifier Mode Operation
6. Conclusions
- The reason why the rectifier mode control strategy in conventional MMCs invalidates in the MMC-BESS was analyzed in this paper. The ac power and dc power were decoupled by the battery side control, so it was impossible to control dc-link voltage through ac power. According to the analysis, the control strategy containing dc-link voltage control and SOC equalization was proposed in this paper to achieve the control objective based on battery side capacitor voltage control.
- At battery side, since the capacitor voltage was stabilized by a battery side DC/DC converter, the control strategy of the DC/DC converter was key to the performance of the whole system. Therefore, an improved control strategy for an individual capacitor voltage control was proposed in this paper, enhancing the dynamic performance of capacitor voltage, meanwhile greatly reducing the occupied storage space of the MAF by using a common filter per phase arm. Seen from the simulation and experimental results, the proposed battery side control strategy can satisfy the requirements of rapidity and accuracy, facilitating the application of the MMC-BESS in practice.
Author Contributions
Funding
Conflicts of Interest
References
- Carrasco, J.M.; Franquelo, L.G.; Bialasiewicz, J.; Galván, E.; Guisado, R.C.P.; Prats, M.Á.M.; León, J.I.; Moreno-Alfonso, N. Power-electronic Systems for the Grid Integration of Renewable Energy Sources: A Survey. IEEE Trans. Ind. Electron. 2006, 53, 1002–1016. [Google Scholar] [CrossRef]
- Rodríguez, J.; Bernet, S.; Wu, B.; Pontt, J.; Kouro, S. Multilevel Voltage-Source-Converter Topologies for Industrial Medium-Voltage Drives. IEEE Trans. Ind. Electron. 2007, 54, 2930–2945. [Google Scholar] [CrossRef]
- Lesnicar, A.; Marquardt, R. An Innovative Modular Multilevel Converter Topology Suitable for a Wide Power Range. In Proceedings of the 2003 IEEE Bologna Power Tech Conference Proceedings, Bologna, Italy, 23–26 June 2003; pp. 272–277. [Google Scholar]
- Debnath, S.; Qin, J.; Bahrani, B.; Saeedifard, M.; Barbosa, P. Operation, Control, and Applications of the Modular Multilevel Converter: A Review. IEEE Trans. Power Electron. 2015, 30, 37–53. [Google Scholar] [CrossRef]
- Perez, M.A.; Bernet, S.; Rodriguez, J.; Kouro, S.; Lizana, R. Circuit Topologies, Modeling, Control Schemes, and Applications of Modular Multilevel Converters. IEEE Trans. Power Electron. 2015, 30, 4–17. [Google Scholar] [CrossRef]
- Akagi, H. Classification, Terminology, and Application of the Modular Multilevel Cascade Converter (MMCC). IEEE Trans. Power Electron. 2011, 26, 3119–3130. [Google Scholar] [CrossRef]
- Vidal-Albalate, R.; Beltran, H.; Rolán, A.; Belenguer, E.; Peña, R.; Blasco-Gimenez, R. Analysis of the Performance of MMC under Fault Conditions in HVDC-Based Offshore Wind Farms. IEEE Trans. Power Del. 2016, 31, 839–847. [Google Scholar] [CrossRef]
- Mishra, S.; Palu, I.; Madichetty, S.; Suresh Kumar, L.V. Modelling of Wind Energy-Based Microgrid System Implementing MMC. Int. J. Energy Res. 2016, 40, 952–962. [Google Scholar] [CrossRef]
- Trintis, I.; Munk-Nielsen, S.; Teodorescu, R. A New Modular Multilevel Converter with Integrated Energy Storage. In Proceedings of the IECON 2011—37th Annual Conference of the IEEE Industrial Electronics Society, Melbourne, Australia, 7–10 November 2011; pp. 1075–1080. [Google Scholar]
- Quraan, M.; Tricoli, P.; D’Arco, S.; Piegari, L. Efficiency Assessment of Modular Multilevel Converters for Battery Electric Vehicles. IEEE Trans. Power Electron. 2017, 32, 2041–2051. [Google Scholar] [CrossRef]
- Vasiladiotis, M.; Rufer, A. Analysis and Control of Modular Multilevel Converters with Integrated Battery Energy Storage. IEEE Trans. Power Electron. 2015, 30, 163–175. [Google Scholar] [CrossRef]
- Baruschka, L.; Mertens, A. Comparison of Cascaded H-Bridge and Modular Multilevel Converters for BESS Application. In Proceedings of the 2011 IEEE Energy Conversion Congress and Exposition, Phoenix, AZ, USA, 17–22 September 2011; pp. 909–916. [Google Scholar]
- Hagiwara, M.; Maeda, R.; Akagi, H. Control and Analysis of the Modular Multilevel Cascade Converter Based on Double-Star Chopper-Cells (MMCC-DSCC). IEEE Trans. Power Electron. 2011, 26, 1649–1658. [Google Scholar] [CrossRef]
- Soong, T.; Lehn, P.W. Internal Power Flow of a Modular Multilevel Converter with Distributed Energy Resources. IEEE J. Emerg. Sel. Top. Power Electron. 2014, 2, 1127–1138. [Google Scholar] [CrossRef]
- Liang, H.; Guo, L.; Song, J.; Yang, Y.; Zhang, W.; Qi, H. State-of-Charge Balancing Control of a Modular Multilevel Converter with an Integrated Battery Energy Storage. Energies 2018, 11, 873. [Google Scholar] [CrossRef]
- Quraan, M.; Yeo, T.; Tricoli, P. Design and Control of Modular Multilevel Converters for Battery Electric Vehicles. IEEE Trans. Power Electron. 2016, 31, 507–517. [Google Scholar] [CrossRef]
- Chen, Q.; Li, R.; Cai, X. Analysis and Fault Control of Hybrid Modular Multilevel Converter with Integrated Battery Energy Storage System. IEEE J. Emerg. Sel. Top. Power Electron. 2017, 5, 64–78. [Google Scholar] [CrossRef]
- Li, Y.; Shi, X.; Liu, B.; Lei, W.; Wang, F.; Tolbert, L.M. Development, Demonstration, and Control of a Testbed for Multiterminal HVDC System. IEEE Trans. Power Electron. 2017, 32, 6069–6078. [Google Scholar] [CrossRef]
- Antonopoulos, A.; Angquist, L.; Nee, H.-P. On Dynamics and Voltage Control of the Modular Multilevel Converter. In Proceedings of the 2009 13th European Conference on Power Electronics and Applications, Barcelona, Spain, 8–10 November 2009; pp. 1–10. [Google Scholar]
- Ilves, K.; Harnefors, L.; Norrga, S.; Nee, H.-P. Analysis and Operation of Modular Multilevel Converters with Phase-Shifted Carrier PWM. IEEE Trans. Power Electron. 2015, 30, 268–283. [Google Scholar] [CrossRef]
- Zhang, J.; Lai, J.S.; Yu, W. Bidirectional DC-DC Converter Modeling and Unified Controller with Digital Implementation. In Proceedings of the 2008 23rd Annual IEEE Applied Power Electronics Conference and Exposition, Austin, TX, USA, 24–28 February 2008; pp. 1747–1753. [Google Scholar]
- Zhu, G.; Ruan, X.; Zhang, L.; Wang, X. On the Reduction of Second Harmonic Current and Improvement of Dynamic Response for Two-Stage Single-Phase Inverter. IEEE Trans. Power Electron. 2015, 30, 1028–1041. [Google Scholar] [CrossRef]
- Golestan, S.; Ramezani, M.; Guerrero, J.M.; Freijedo, F.D.; Monfared, M. Moving Average Filter Based Phase-Locked Loops: Performance Analysis and Design Guidelines. IEEE Trans. Power Electron. 2014, 29, 2750–2763. [Google Scholar] [CrossRef]
- Wang, Z.; Lin, H.; Ma, Y.; Wang, T. A Prototype of Modular Multilevel Converter with Integrated Battery Energy Storage. In Proceedings of the 2017 Applied Power Electronics Conference and Exposition (APEC), Tampa, FL, USA, 26–30 March 2017; pp. 434–439. [Google Scholar]
- Keshan, H.; Thornburg, J.; Ustun, T.S. Comparison of Lead-Acid and Lithium Ion Batteries for Stationary Storage in Off-Grid Energy Systems. In Proceedings of the 4th IET Clean Energy and Technology Conference (CEAT 2016), Kuala Lumpur, Malaysia, 14–15 November 2016; pp. 1–7. [Google Scholar]
- Soong, T.; Lehn, P.W. Evaluation of Emerging Modular Multilevel Converters for BESS Applications. IEEE Trans. Power Del. 2014, 29, 2086–2094. [Google Scholar] [CrossRef]
- Hudgins, J.L.; Simin, G.S.; Santi, E.; Khan, M.A. An Assessment of Wide Bandgap Semiconductors for Power Devices. IEEE Trans. Power Electron. 2003, 18, 907–914. [Google Scholar] [CrossRef]



















| Symbol | Quantity | Value |
|---|---|---|
| Vg | Grid voltage (line-to-ground, Root Mean Square (RMS) value) | 1.13kV (M = 0.8) |
| Vdc | DC-link voltage | 4 kV |
| Srated | Rated apparent output power | 1 MVA |
| f | AC line frequency | 50 Hz |
| Ls | Arm inductance | 5 mH |
| N | Submodule (SM) number per phase arm | 4 |
| C | SM capacitance | 3000 μF |
| Vb | Rated battery voltage | 600 V |
| Lb | Battery side DC/DC converter inductance | 5 mH |
| Qb | Rated battery capacity | 0.3 Ah |
| fsm | Carrier frequency at MMC side modulation | 2 kHz |
| fsb | Battery side converter switching frequency | 10 kHz |
| Symbol | Quantity | Value |
|---|---|---|
| Vg | Grid voltage (line-to-ground, RMS) | 48V (M = 0.8) |
| Vdc | DC-link voltage | 120 V |
| Ls | Arm inductance | 5 mH |
| N | SM number per arm | 2 |
| C | SM capacitance | 3000 μF |
| Vb | Rated battery voltage | 36 V |
| Lb | Battery side DC/DC converter inductance | 5 mH |
| Qb | Rated battery capacity | 24 Ah |
| fsm | Carrier frequency at MMC side modulation | 2 kHz |
| fsb | Battery side converter switching frequency | 10 kHz |
© 2019 by the authors. Licensee MDPI, Basel, Switzerland. This article is an open access article distributed under the terms and conditions of the Creative Commons Attribution (CC BY) license (http://creativecommons.org/licenses/by/4.0/).
Share and Cite
Wang, Z.; Lin, H.; Ma, Y. A Control Strategy of Modular Multilevel Converter with Integrated Battery Energy Storage System Based on Battery Side Capacitor Voltage Control. Energies 2019, 12, 2151. https://doi.org/10.3390/en12112151
Wang Z, Lin H, Ma Y. A Control Strategy of Modular Multilevel Converter with Integrated Battery Energy Storage System Based on Battery Side Capacitor Voltage Control. Energies. 2019; 12(11):2151. https://doi.org/10.3390/en12112151
Chicago/Turabian StyleWang, Zhe, Hua Lin, and Yajun Ma. 2019. "A Control Strategy of Modular Multilevel Converter with Integrated Battery Energy Storage System Based on Battery Side Capacitor Voltage Control" Energies 12, no. 11: 2151. https://doi.org/10.3390/en12112151
APA StyleWang, Z., Lin, H., & Ma, Y. (2019). A Control Strategy of Modular Multilevel Converter with Integrated Battery Energy Storage System Based on Battery Side Capacitor Voltage Control. Energies, 12(11), 2151. https://doi.org/10.3390/en12112151

