Dynamic DC-link Voltage Adjustment for Electric Vehicles Considering the Cross Saturation Effects
Abstract
:1. Introduction
2. Working Principle
2.1. The Cross Saturation Effects
2.2. Dynamic DC-Link Control Strategy
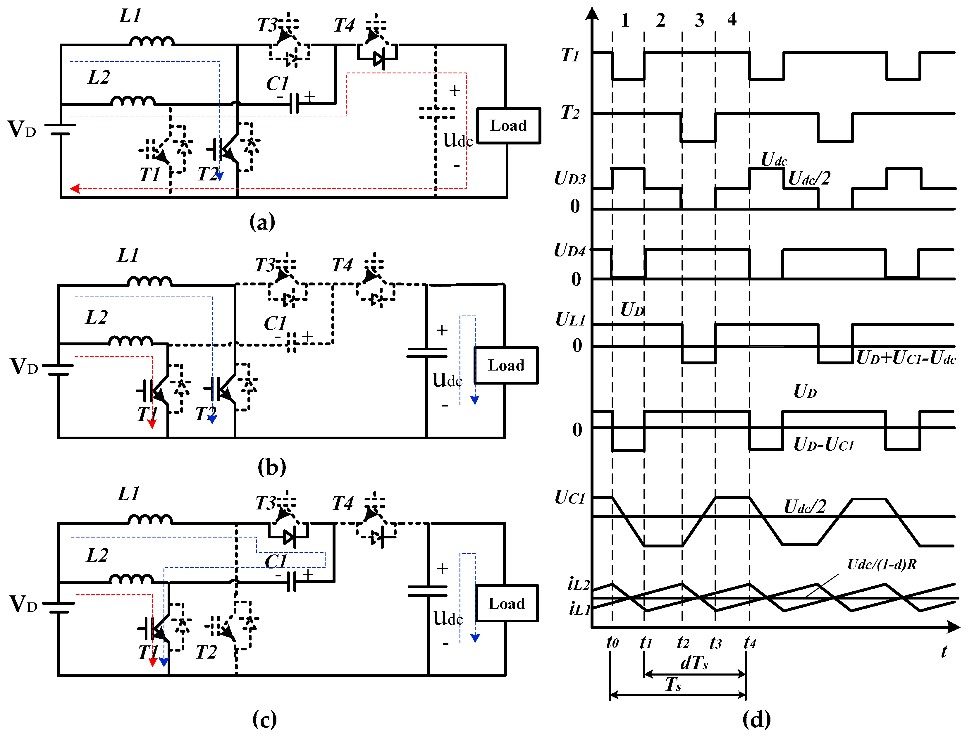
2.2.1. DC-DC Converter Working Principle
2.2.2. Current Vector Adjustment
3. Experimental Results and Discussion
3.1. Torque Speed Characteristic
3.2. Dynamic Performance of Dynamic Voltage Adjustment with Speed Reference Variation
4. Conclusions
Author Contributions
Funding
Acknowledgments
Conflicts of Interest
Nomenclature
| Ld, Lq | d-axis and q-axis inductance |
| Ψd, Ψq | d-axis and q-axis flux linkage |
| Ψf | Permanent magnetic flux linkage |
| Rs | Stator resistance |
| Ldd, Lqq | d-axis and q-axis self-inductance |
| Ldq, Lqd | d-axis and q-axis mutual inductance |
| id, iq | Stator d-axis and q-axis current |
| Ud, Uq | Stator d-axis and q-axis voltage |
| Udc | DC-link voltage |
| φ | Power factor angle |
| VCE, VEC | Voltage drop of IGBT and FWDI base on the datasheet |
| |i| | Amplitude of the line current |
| Eon, Eoff | Energy loss of IGBT for turn-on and turn-off process |
| PCond,igbt, PCond,fwdi | Conduction loss of IGBT and FWDI |
| Psw,igbt, Psw,fwdi | Switching loss of IGBT and FWDI |
| Te | Electromagnetic torque |
| Tecr | Torque introduced by the cross coupling effect |
| Te* | Reference electromagnetic torque |
| Ts | Switching frequency |
| Uref | Reference DC bus voltage of the IGBT |
| Err | Energy for reverse recovery of FWDI. |
| d | Duty cycle |
| UD | DC source voltage |
| M | Voltage gain |
| Δu | Safety margin to avoid the terminal voltage of IPMSM |
| ud0, uq0 | Feedback signals of PI controller of former iteration step |
| Tc | Time constant |
| Imax | Maximum current value |
| LU | Distance from the original point to the allowed voltage incremental line |
| LT | Length from the origin spot to the target torque incremental line |
References
- Amini, M.H.; Islam, A. Allocation of electric vehicles’ parking lots in distribution network. In Proceedings of the 10th Conference on Innovative Smart Grid Technologies (ISGT), Washington, DC, USA, 19–22 February 2014; pp. 1–5. [Google Scholar]
- Zhang, L.; Liu, W.; Liu, Z. A Scope for the Research and Argument Activities on Electric Vehicle Development Mode in Demonstration City. In Proceedings of the 10th Conference on Innovative Smart Grid Technologies (ISGT), Washington, DC, USA, 19–22 February 2014; pp. 394–399. [Google Scholar]
- Zhu, Z.; Lambotharan, S.; Chin, W.H.; Fan, Z. A Stochastic Optimization Approach to Aggregated Electric Vehicles Charging in Smart Grids. In Proceedings of the 10th Conference on Innovative Smart Grid Technologies (ISGT), Washington, DC, USA, 19–22 February 2014; pp. 51–56. [Google Scholar]
- Huynh, T.A.; Hsieh, M.-F. Performance Analysis of Permanent Magnet Motors for Electric Vehicles (EV) Traction Considering Driving Cycles. Energies 2018, 11, 1385. [Google Scholar] [CrossRef]
- Hirschmann, D.; Tissen, D.; Schroder, S.; Doncker, R.D. Reliability prediction for inverters in hybrid electrical vehicles. IEEE Trans. Power Electron. 2007, 22, 2511–2517. [Google Scholar] [CrossRef]
- EL-Refaie, A.M.; Jahns, T.M.; Reddy, P.B.; McKeever, J.W. Modified Vector Control Algorithm for Increasing Partial-Load Efficiency of Fractional-Slot Concentrated-Winding Surface PM Machines. IEEE Trans. Ind. Appl. 2008, 44, 1543–1551. [Google Scholar] [CrossRef]
- Günther, S.; Ulbrich, S.; Hofmann, W. Driving Cycle-Based Design Optimization of Interior Permanent Magnet Synchronous Motor Drives for Electric Vehicle Application. In Proceedings of the International Symposium on Power Electronics, Electrical Drives, Automation and Motion, Ischia, Italy, 18–20 June 2014; pp. 25–30. [Google Scholar]
- Jung, S.-Y.; Hong, J.; Nam, K. Current minimizing torque control of the IPMSM using Ferrari’s method. IEEE Trans. Power Electron. 2013, 28, 5603–5617. [Google Scholar] [CrossRef]
- Morimoto, S.; Takeda, Y.; Hirasa, T.; Taniguchi, K. Expansion of operating limits for permanent magnet motor by current vector control considering inverter capacity. IEEE Trans. Ind. Appl. 1990, 26, 866–871. [Google Scholar] [CrossRef]
- Xu, L.; Zhang, Y.; Guven, M. A New Method to Optimize Q-axis Voltage for Deep Flux Weakening Control of IPM Machines Based on Single Current Regulator. In Proceedings of the 2008 International Conference on Machines and Systems, Wuhan, China, 17–20 October 2008. [Google Scholar]
- Mohamed, Y.R.; Lee, T.K. Adaptive self-tuning MTPA vector controller for IPMSM drive system. IEEE Trans. Energy Convers. 2006, 21, 636–644. [Google Scholar] [CrossRef]
- Consoli, A.; Scelba, G.; Scarcella, G.; Cacciato, M. An Effective Energy-Saving Scalar Control for Industrial IPMSM Drives. IEEE Trans. Ind. Electron. 2013, 60, 3658–3669. [Google Scholar] [CrossRef]
- Sousa, G.C.D.; Bose, B.K.; Cleland, J.G. Fuzzy Logic Based On-Line Efficiency Optimization Control of an Indirect Vector-Controlled Induction Motor Drive. IEEE Trans. Ind. Electron. 1995, 42, 192–198. [Google Scholar] [CrossRef]
- Wang, X.; Xu, S.; Li, C.; Li, X. Field-Weakening Performance Improvement of the Yokeless and Segmented Armature Axial Flux Motor for Electric Vehicles. Energies 2017, 10, 1492. [Google Scholar] [CrossRef]
- Chai, J.-Y.; Liaw, C.M. Development of a switch-reluctance motor drive with PFC front end. Energy Convers. 2009, 24, 271–280. [Google Scholar]
- Lemmens, J.; Driesen, J. Dynamic DC-link Voltage Adaptation for Thermal Management of Traction Drives. In Proceedings of the IEEE Energy Conversion Congress and Exposition, Denver, CO, USA, 15–19 September 2013; pp. 180–187. [Google Scholar]
- Yamamoto, K.; Shinohara, K.; Nagahama, T. Characteristics of permanent magnet synchronous motor driven by PWM inverter with voltage booster. IEEE Trans. Ind. Appl. 2004, 40, 1145–1152. [Google Scholar] [CrossRef]
- Yamamoto, K.; Shinohara, K.; Makishima, H. Comparison between flux weakening and PWM inverter with voltage booster for permanent magnet synchronous motor drive. In Proceedings of the Power Conversion Conference-Osaka 2002, Osaka, Japan, 2–5 April 2002; pp. 161–166. [Google Scholar]
- Sue, S.-M.; Liaw, J.-H.; Huang, Y.-S.; Liao, Y.-H. Design and Implementation of a Dynamic Voltage Boosting Drive for Permanent Magnet Synchronous Motors. In Proceedings of the 2010 International Power Electronics Conference (IPEC), Sapporo, Japan, 21–24 June 2010; pp. 1398–1402. [Google Scholar]
- Okamura, E.S.M.; Sasaki, S. Development of Hybrid Electric Drive System Using a Boost Converter. In Proceedings of the 20th International Electric Vehicle Symposium and Exposition, Long Beach, CA, USA, 15–19 November 2003. [Google Scholar]
- Choudhury, A.; Pillay, P.; Williamson, S.S. DC-Link Voltage Balancing for a Three-Level Electric Vehicle Traction Inverter Using an Innovative Switching Sequence Control Scheme. IEEE J. Emerging Sel. Top. Power Electron. 2014, 2, 296–307. [Google Scholar] [CrossRef]
- Sun, T.; Wang, J.; Chen, X. Maximum Torque Per Ampere (MTPA) Control for Interior Permanent Magnet Synchronous Machine Drives Based on Virtual Signal Injection. IEEE Trans. Power Electron. 2015, 30, 5036–5045. [Google Scholar] [CrossRef]
- Rabiei, A.; Thiringer, T.; Alatalo, M.; Grunditz, E.A. Improved Maximum Torque Per Ampere Algorithm Accounting for Core Saturation, Cross-Coupling Effect, and Temperature for a PMSM Intended for Vehicular Applications. IEEE Trans. Transp. Electrif. 2016, 2, 150–159. [Google Scholar] [CrossRef]
- Li, Z.; Li, H. MTPA control of IPMSM system considering saturation and cross-coupling. In Proceedings of the 15th International Conference on Electrical Machines and Systems (ICEMS), Sapporo, Japan, 21–24 October 2012; pp. 1–5. [Google Scholar]
- Hoang, K.D.; Aorith, H.K.A. Online control of IPMSM drives for traction applications considering machine parameter and inverter nonlinearities. IEEE Trans. Transp. Electrif. 2015, 1, 312–325. [Google Scholar] [CrossRef]
- Lee, S.T.; Burres, T.A.; Tolbert, L.M. Power-factor and torque calculation with consideration of cross saturation of the interior permanent magnet synchronous motor with brushless field excitation. In Proceedings of the IEEE International Electric Machine and Drives Conference, Miami, FL, USA, 3–6 May 2009; pp. 317–322. [Google Scholar]
- Li, H.; Gao, J.; Huang, S.; Fan, P. A Novel Optimal Current Trajectory Control Strategy of IPMSM Considering the cross Saturation Effects. Energies 2017, 10, 1460. [Google Scholar] [CrossRef]
- Chedot, L.; Friedrich, G. A cross saturation model for interior permanent magnet synchronous machine. Application to starter-generator. In Proceedings of the 39th IEEE IAS Annual Meeting, Seattle, WA, USA, 3–7 October 2004; pp. 1–6. [Google Scholar]
- Demetriades, G.; de la Parra, H.; Andersson, E.; Olsson, H. A real-time thermal model of a permanent magnet synchronous motor. IEEE Trans. Power Electron. 2010, 25, 463–474. [Google Scholar] [CrossRef]


























| Parameter | Value |
|---|---|
| Rated Power | 10 kW |
| Rated Torque | 70 Nm |
| Rated Speed | 1500 rpm |
| Number of pole pairs | 3 |
| d-axis inductance Ld | 5.6419 mH |
| Mutual inductance Ldq = Lqd | 1.98 mH |
| Stator resistance Rs | 0.03165 Ω |
| Magnetic flux ψf | 0.6304 V·s |
© 2018 by the authors. Licensee MDPI, Basel, Switzerland. This article is an open access article distributed under the terms and conditions of the Creative Commons Attribution (CC BY) license (http://creativecommons.org/licenses/by/4.0/).
Share and Cite
Li, H.; Huang, S.; Luo, D.; Gao, J.; Fan, P. Dynamic DC-link Voltage Adjustment for Electric Vehicles Considering the Cross Saturation Effects. Energies 2018, 11, 2046. https://doi.org/10.3390/en11082046
Li H, Huang S, Luo D, Gao J, Fan P. Dynamic DC-link Voltage Adjustment for Electric Vehicles Considering the Cross Saturation Effects. Energies. 2018; 11(8):2046. https://doi.org/10.3390/en11082046
Chicago/Turabian StyleLi, Huimin, Shoudao Huang, Derong Luo, Jian Gao, and Peng Fan. 2018. "Dynamic DC-link Voltage Adjustment for Electric Vehicles Considering the Cross Saturation Effects" Energies 11, no. 8: 2046. https://doi.org/10.3390/en11082046
APA StyleLi, H., Huang, S., Luo, D., Gao, J., & Fan, P. (2018). Dynamic DC-link Voltage Adjustment for Electric Vehicles Considering the Cross Saturation Effects. Energies, 11(8), 2046. https://doi.org/10.3390/en11082046
