Research on Inverter Integrated Reactive Power Control Strategy in the Grid-Connected PV Systems
Abstract
:1. Introduction
2. Control Strategy
2.1. Normal Operation Control Mode
2.2. Reverse Power Control Mode
2.3. Cloudy Control Mode
2.4. Night Control Mode
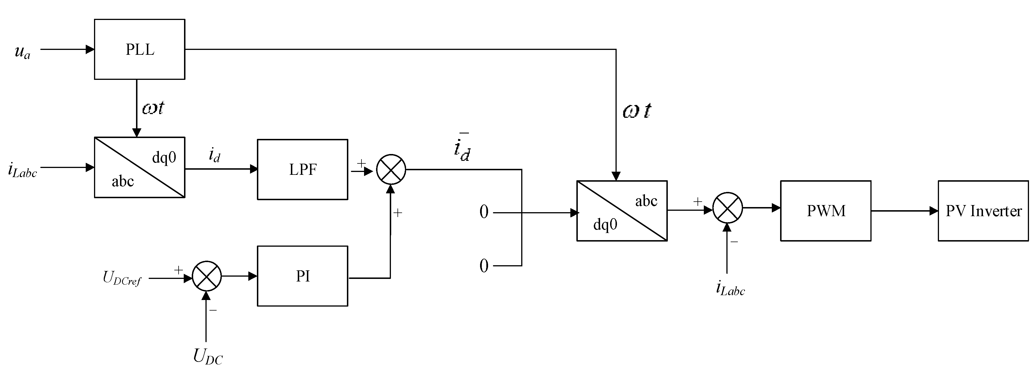
- Step 1:
- Obtain the phase A PCC voltage , and gain the phase reference value in the phase locked loop (PLL) circuit by .
- Step 2:
- With the help of , completes the converting from the stationary abc coordinate system to the synchronous rotating dq coordinate system to get .
- Step 3:
- is filtered through the low-pass filter and then added with the reference value obtained by the PI controller after is compared with to get .
- Step 4:
- and two 0-valued signals are converted from the synchronous rotation dq coordinate system to the stationary abc coordinate system. After comparing with , the control waveforms of PWM are formed to control the PV inverter accordingly.
2.5. Switching between Different Control Modes
- (1)
- The upper limit of reverse power ,the change rate limit of active power and the lower limit of output in PV system are set by the users.
- (2)
- During the operation of PV system, detect whether the reverse power has exceeded the upper limit. If , switch to the reverse power control mode. if , continue to the process below.
- (3)
- Detect whether the change rate of the output in PV system is over the set value. If , switch to the cloudy control mode. If , continue to the process below.
- (4)
- Detect whether the output in PV system is lower than the lower limit set by users. If , switch to the night control mode. If , continue to the process below.
- (5)
- The activation of the normal operation control mode is to detect none of the conditions above is satisfied. In fact, according to the process and results of the following experiments, the PV system is in normal operation in the majority of cases. Therefore, the PV inverter may operate under normal operation control mode, and then the corresponding control mode can be switched to when certain conditions of other three control modes are satisfied.
3. Control Structure
3.1. Basic Control Structure
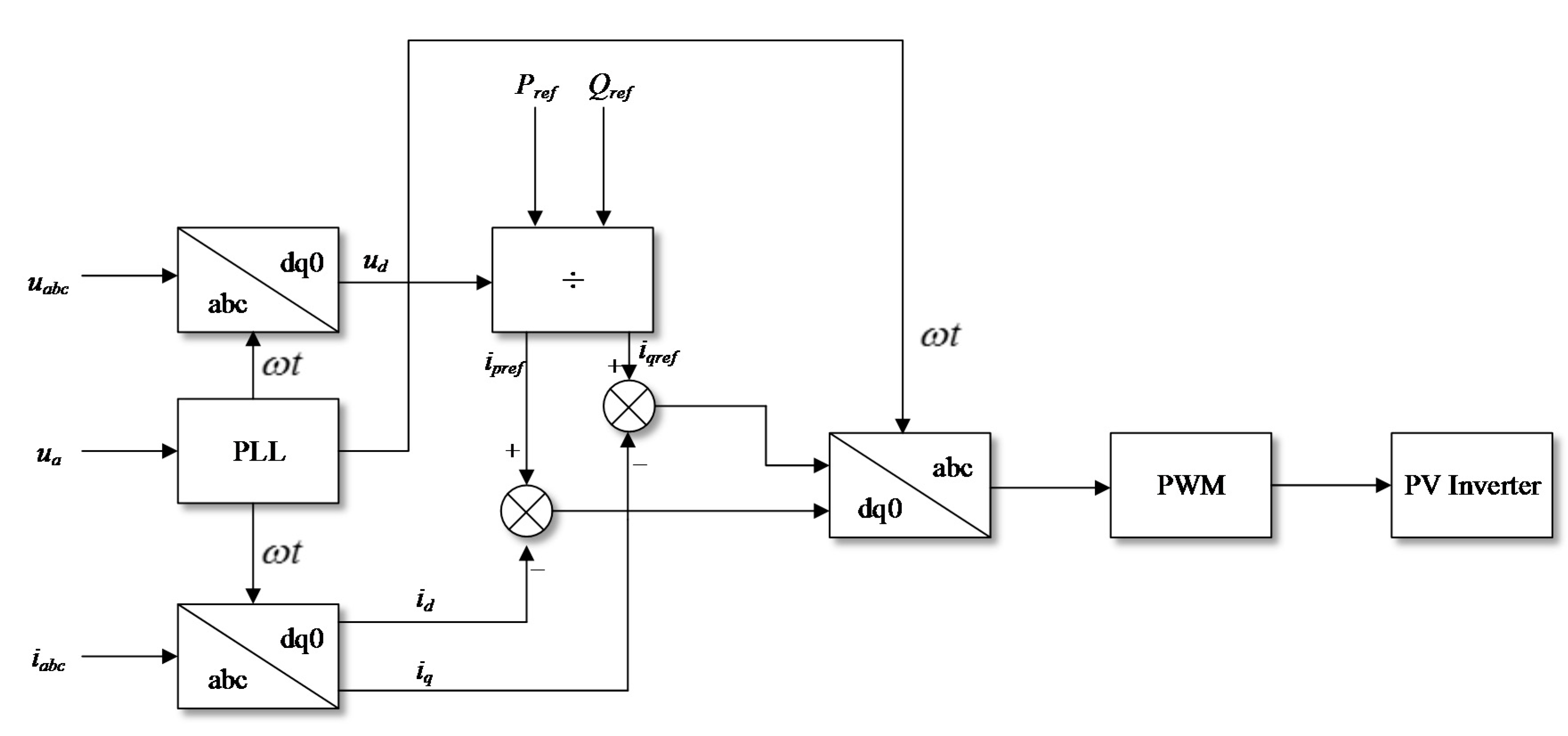
- Step 1:
- Obtain the three-phase PCC voltage and current (i.e., and ), and gain the phase reference value in the phase locked loop (PLL) circuit by .
- Step 2:
- With the help of , and complete the converting from the stationary abc coordinate system to the synchronous rotating dq coordinate system to get , and .
- Step 3:
- and are obtained after the division between , and .
- Step 4:
- and are converted from the synchronous rotating dq coordinate system to the stationary abc coordinate system after compared with and . Then the control waveform of PWM is formed to control the PV inverter accordingly.
3.2. Evaluation Indicators of The Power Quality
- (1)
- Voltage deviationThe operating indicators and the service life of various power equipment are designed based on their rated voltage. If the actual grid voltage deviates from its standard value, the operation safety and service life of power equipment will be damaged. The greater the voltage deviation, the greater the damage to the power equipment. The voltage deviation can be obtained using the expression given below:where, is the voltage deviation, is measured PCC voltage, is standard PCC voltage.
- (2)
- Power factorPower factor reflects the proportion of active power in apparent power. If power factor remains at a low level, the operation efficiency of power equipment is greatly reduced, and the power loss in the transmission line increases greatly. The power factor can be obtained using the expression given below:where, is the power factor, is active power, is active power.
- (3)
- THDTHD is used to describe the proportion of the harmonic components in the grid. In the grid, there are a lot of power electronic devices such as converters that produce harmonic components in the operation, resulting in increased power losses of other power equipment. The THD can be obtained using the expression given below.where, is the total harmonic distortion rate, is the order of the highest harmonics, is RMS (Root Mean Square) value of harmonic components, which is replaced by when calculating the THD of the current and is replaced by when calculating the THD of the voltage.
4. Simulation Results
4.1. Simulations on Normal Operation Control Mode
- (1)
- Sun irradiance and ambient temperature changed slowly and smoothly. Specifically, sun irradiance was slowly changed at about 1000 W/m2, and ambient temperature was changed within the range of [25 °C, 30 °C] smoothly.
- (2)
- The load was basically unchanged during the simulation.
4.2. Simulations on Reverse Power Control Mode
4.3. Simulations on Cloudy Control Mode
4.4. Simulations on Night Control Mode
4.5. Simulations on Integrated Control Strategy
5. Conclusions
- (1)
- The effects of four proposed control modes in isolated operation were significant. The voltage fluctuations could be mitigated within about 0.03 s. The reactive power compensation and the harmonic elimination could be carried out under the night control mode. The power factor at load was increased approximately to 1 and the THD was reduced to 2.47%.
- (2)
- Different control modes switched smoothly in operation of integrated control strategy. The voltage deviation of was limited at about 2%. The power factor was maintained over 0.9, and the THD was controlled less than 2.5%. The security and stability of grid-connected PV system was guaranteed even in changing weather situations and complex load conditions.
- (3)
- In the non-working period of the PV system, such as the night, the proposed integrated control strategy controls the PV inverter to increase power factor of the grid. This not only can improve power quality in the grid, but can maximize utilization of PV system components as well.
Acknowledgments
Author Contributions
Conflicts of Interest
References
- European Photovoltaic Industry Association (EPIA). EPIA Market Report 2011; Technical Report; European Photovoltaic Industry Association: Brussels, Belgium, 2011. [Google Scholar]
- Pinto, R.; Mariano, S.; Calado, M.R.; De Souza, J.F. Impact of rural grid-connected photovoltaic generation systems on power quality. Energies 2016, 9, 739. [Google Scholar] [CrossRef]
- Vinayagam, A.; Swarna, K.S.V.; Khoo, S.Y.; Oo, A.T.; Stojcevski, A. PV based microgrid with grid-support grid-forming inverter control-(simulation and analysis). Smart Grid Renew. Energy 2017, 8, 1–30. [Google Scholar] [CrossRef]
- Masters, C.L. Voltage Rise: The big issue when connecting embedded generation to long 11 kV overhead lines. Power Eng. J. 2002, 16, 5–12. [Google Scholar] [CrossRef]
- Yazdani, A.; Dash, P.P. A control methodology and characterization of dynamics for a photovoltaic (PV) system interfaced with a distribution network. IEEE Trans. Power Deliv. 2009, 24, 1538–1551. [Google Scholar] [CrossRef]
- Alam, M.J.E.; Muttaqi, K.M.; Sutanto, D. A novel approach for ramp-rate control of solar PV using energy storage to mitigate output fluctuations caused by cloud passing. IEEE Trans. Energy Convers. 2014, 29, 507–518. [Google Scholar]
- Power Quality-Voltage Fluctuation and Flicker; GB/T12326-2008; General Administration of Quality Supervision, Inspection and Quarantine of P.R.C.: Beijing, China, 2008.
- Ding, G.; Gao, F.; Tian, H.; Ma, C. Adaptive DC-link voltage control of two-stage photovoltaic inverter during low voltage ride-through operation. IEEE Trans. Power Electron. 2016, 31, 4182–4194. [Google Scholar] [CrossRef]
- Collins, L.; Ward, J.K. Real and reactive power control of distributed PV inverters for overvoltage prevention and increased renewable generation hosting capacity. Renew. Energy 2015, 81, 464–471. [Google Scholar] [CrossRef]
- Pan, Q.; Xu, Y.; Xie, X.; Huang, D. Coordination control system and method for reactive compensation of the distributed PV power station based on reactive power source. Electr. Meas. Instrum. 2015, 52, 101–106. [Google Scholar]
- Wang, Z.; Chen, H.; Wang, J.; Begovic, M. Inverter-less hybrid voltage/var control for distribution circuits with photovoltaic generators. IEEE Trans. Smart Grid 2014, 5, 2718–2728. [Google Scholar] [CrossRef]
- Aida, S.; Ito, T.; Iwamoto, S.; Kitada, R.; Ariyoshi, N. Voltage control using PV power factor, static capacitor, and transformer tap for large PV penetration. Electr. Eng. Jpn. 2014, 134, 957–965. [Google Scholar] [CrossRef]
- Ishimaru, M.A.; Tamachi, H.; Komami, S. Positive effect of constant leading power factor operation of PV in power system. Electr. Eng. Jpn. 2015, 190, 9–20. [Google Scholar] [CrossRef]
- Smith, J.W.; Sunderman, W.; Dugan, R.; Seal, B. Smart Inverter Volt/Var Control Functions for High Penetration of PV on Distribution Systems. In Proceedings of the IEEE/PES Power Systems Conference and Exposition (PSCE), Phoenix, AZ, USA, 20–23 March 2011; pp. 1–6. [Google Scholar]
- Lv, Z.-P.; Sheng, W.-X.; Jiang, W.-Q.; Liu, H.-T.; Yang, L. Frequency dividing droop controllers with the function of voltage stabilization and circulation control. Proc. Chin. Soc. Electr. Eng. 2013, 33, 1–9. [Google Scholar]
- Katiraei, F.; Iravani, M.R. Power management strategies for a micro grid with multiple distributed generation units. IEEE Trans. Power Syst. 2006, 21, 1821–1831. [Google Scholar] [CrossRef]
- Augustine, S.; Lakshminarasamma, N.; Mishra, M.K. Control of photovoltaic-based low-voltage DC micro grid system for power sharing with modified droop algorithm. IET Power Electron. 2016, 9, 1132–1143. [Google Scholar] [CrossRef]
- Viawan, F.A.; Karlsson, D. Voltage and reactive power control in systems with synchronous machine-based distributed generation. IEEE Trans. Power Deliv. 2008, 23, 1079–1087. [Google Scholar] [CrossRef]
- Moawwad, A.; Khadkikar, V.; Kirtley, J.L. A new P-Q-V droop control method for an interline photovoltaic (I-PV) power system. IEEE Trans. Power Deliv. 2013, 28, 658–668. [Google Scholar] [CrossRef]
- Pachanapan, P.; Inthai, P. Micro static var compensator for over-voltage control in distribution networks with high penetration of rooftop photovoltaic systems. Appl. Mech. Mater. 2016, 839, 54–58. [Google Scholar] [CrossRef]
- Senjyu, T.; Miyazato, Y.; Yona, A.; Urasaki, N. Optimal distribution voltage control and coordination with distributed generation. IEEE Trans. Power Deliv. 2008, 23, 1236–1242. [Google Scholar] [CrossRef]
- Akermi, S.; Hidouri, N.; Sbita, L. A Static Var Compensator Controlled Topology for A Grid Connected Photovoltaic System. In Proceedings of the Renewable Energy Congress (IREC), Hammamet, Tunisia, 25–27 March 2014; pp. 1–7. [Google Scholar]
- Varma, R.K.; Rahman, S.A.; Vanderheide, T. New control of PV solar farm as STATCOM (PV-STATCOM) for increasing grid power transmission limits during night and day. IEEE Trans. Power Deliv. 2015, 30, 755–763. [Google Scholar] [CrossRef]
- Alam, M.J.E.; Muttaqi, K.M.; Sutanto, D. A multi-mode control strategy for var support by solar PV inverters in distribution networks. IEEE Trans. Power Syst. 2014, 30, 1316–1326. [Google Scholar] [CrossRef]
- Xavier, L.S.; Cupertino, A.F.; Resende, J.T.; Mendes, V.F.; Pereira, H.A. Adaptive current control strategy for harmonic compensation in single-phase solar inverters. Electr. Power Syst. Res. 2017, 142, 84–95. [Google Scholar] [CrossRef]
- Palanisamy, K.; Kothari, D.P.; Mishra, M.K.; Meikandashivam, S.; Jacob, R.I. Effective utilization of unified power quality conditioner for interconnecting PV modules with grid using power angle control method. Int. J. Electr. Power 2013, 48, 131–138. [Google Scholar] [CrossRef]
- Solar Radiation Research Laboratory, Golden, CO, USA. NREL. Available online: http://www.nrel.gov/midc/srrl_bms/ (accessed on 8 March 2017).
- Liang, N.-Y. Research on Reverse Power Flow Detection Algorithm in PV Power System. Master’s Thesis, Tianjin University, Tianjin, China, 2013. [Google Scholar]
- Dhar, S.; Dash, P. An adaptive threshold based new active islanding protection scheme for multiple PV based micro grid application. IET Gener. Transm. Distrib. 2017, 11, 118–132. [Google Scholar] [CrossRef]
- Kashem, M.A.; Ledwich, G. Distributed generation as voltage support for single wire earth return systems. IEEE Trans. Power Deliv. 2004, 19, 1002–1011. [Google Scholar] [CrossRef]
- Muttaqi, K.M.; Ledwich, G. DG Impact on Rural Lines: Voltage Control and Line Protection Issues. In Proceedings of the International Symposium Distributed Generation: Power System Market Aspects, Stockholm, Sweden, 11–13 June 2001. [Google Scholar]
- Prakash, L.; Sundaram, A.M.; Durairaj, K. Digital implementation of a constant frequency hysteresis controller for dual mode operation of an inverter acting as a PV-grid interface and STATCOM. Turk. J. Electr. Eng. Comput. Sci. 2016, 24, 4406–4428. [Google Scholar] [CrossRef]
- Dhanapal, S.; Anita, R. Voltage and frequency control of stand alone self-excited induction generator using photovoltaic system based STATCOM. J. Circuits Syst. Comput. 2016, 25, 1–25. [Google Scholar] [CrossRef]
- Quality of Electric Energy Supply-Harmonics in Public Supply Network; GB/T14549-1993; China State Bureau of Technical Supervision: Beijing, China, 1993.
- Power Quality-Deviation of Supply Voltage; GB/T12325-2008; General Administration of Quality Supervision, Inspection and Quarantine of P.R.C.: Beijing, China, 2008.





















| Evaluation Indicators | Value (%) |
|---|---|
| THD | <5 |
| Odd harmonic distortion | <4 |
| Even harmonic distortion | <2 |
| Power factor | >90 |
| Voltage deviation | <±5 |
| Parameters | Standard Value of | kp | ki | ||||
|---|---|---|---|---|---|---|---|
| Value | 300 V | 290 V | 295 V | 305 V | 310 V | 0.05 | 0.01 |
© 2017 by the authors. Licensee MDPI, Basel, Switzerland. This article is an open access article distributed under the terms and conditions of the Creative Commons Attribution (CC BY) license (http://creativecommons.org/licenses/by/4.0/).
Share and Cite
Li, H.; Wen, C.; Chao, K.-H.; Li, L.-L. Research on Inverter Integrated Reactive Power Control Strategy in the Grid-Connected PV Systems. Energies 2017, 10, 912. https://doi.org/10.3390/en10070912
Li H, Wen C, Chao K-H, Li L-L. Research on Inverter Integrated Reactive Power Control Strategy in the Grid-Connected PV Systems. Energies. 2017; 10(7):912. https://doi.org/10.3390/en10070912
Chicago/Turabian StyleLi, Hua, Che Wen, Kuei-Hsiang Chao, and Ling-Ling Li. 2017. "Research on Inverter Integrated Reactive Power Control Strategy in the Grid-Connected PV Systems" Energies 10, no. 7: 912. https://doi.org/10.3390/en10070912
APA StyleLi, H., Wen, C., Chao, K.-H., & Li, L.-L. (2017). Research on Inverter Integrated Reactive Power Control Strategy in the Grid-Connected PV Systems. Energies, 10(7), 912. https://doi.org/10.3390/en10070912
