Maximum Boost Control Method for Single-Phase Quasi-Switched-Boost and Quasi-Z-Source Inverters
Abstract
:1. Introduction
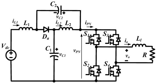
2. Single-Phase qSBI under Small Shoot-Through Duty Cycle Operating Conditions
3. Proposed Maximum Boost Control Method for Single-Phase Switched Boost and Z-Source Inverters
4. Circuit Analysis
- the inverter power losses are ignored
- the DC voltage source is constant
- the inverter is operating in a continuous conduction mode, and
- all the variables are expressed by a DC component and a small signal perturbation as follows:
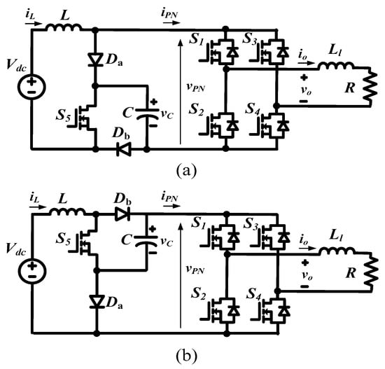
4.1. Circuit Analysis for Single-Phase Improved SBI
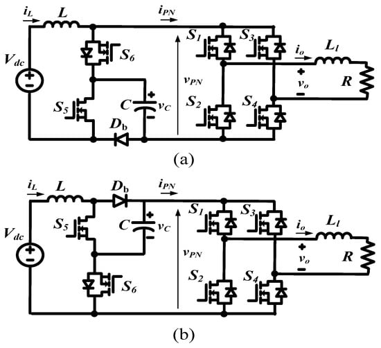
4.2. Circuit Analysis of Single-Phase aZSI
5. Experimental Results
6. Conclusions
Acknowledgments
Author Contributions
Conflicts of Interest
References
- Peng, F.Z. Z-source inverter. IEEE Trans. Ind. Appl. 2003, 39, 504–510. [Google Scholar] [CrossRef]
- Peng, F.Z.; Shen, M.; Qian, Z. Maximum boost control of the Z-source inverter. IEEE Trans. Power Electron. 2005, 20, 833–838. [Google Scholar] [CrossRef]
- Shen, M.; Wang, J.; Joseph, A.; Peng, F.Z.; Tolbert, L.M.; Adams, D.J. Constant boost control of the Z-source inverter to minimize current ripple and voltage stress. IEEE Trans. Ind. Appl. 2006, 42, 770–778. [Google Scholar] [CrossRef]
- Nguyen, M.K.; Lim, Y.C.; Cho, G.B. Switched-inductor quasi-Z-source inverter. IEEE Trans. Power Electron. 2011, 26, 3183–3191. [Google Scholar] [CrossRef]
- Loh, P.C.; Vilathgamuwa, D.M.; Gajanayake, G.J.; Lim, Y.R.; Teo, C.W. Transient modeling and analysis of pulse-width modulated Z-source inverter. IEEE Trans. Power Electron. 2007, 22, 498–507. [Google Scholar] [CrossRef]
- Jung, J.W.; Keyhani, A. Control of a fuel cell based Z-source converter. IEEE Trans. Energy Convers. 2007, 22, 467–476. [Google Scholar] [CrossRef]
- Liu, Y.; Ge, B.; Abu-Rub, H.; Peng, F.Z. Overview of space vector modulations for three-phase Z-source/quasi-Z-source inverters. IEEE Trans. Power Electron. 2014, 29, 2098–2108. [Google Scholar] [CrossRef]
- Ellabban, O.; van Mierlo, J.; Lataire, P. Comparison between different PWM control methods for different Z-source inverter topologies. In Proceedings of the 13th European Conference on Power Electronics and Applications (EPE’09), Barcelona, Spain, 8–10 September 2009; pp. 1–11. [Google Scholar]
- Zhou, Z.J.; Zhang, X.; Xu, P.; Shen, W.X. Single-phase uninterruptible power supply based on Z-source inverter. IEEE Trans. Ind. Electron. 2008, 55, 2997–3004. [Google Scholar] [CrossRef]
- Zhou, Y.; Liu, L.; Li, H. A high performance photovoltaic module-integrated converter (MIC) based on cascaded quasi-Z-source inverters (qZSI) using eGaN FETs. IEEE Trans. Power Electron. 2013, 28, 2727–2738. [Google Scholar] [CrossRef]
- Yu, Y.; Zhang, Q.; Liang, B.; Cui, S. Single-phase Z-source inverter: Analysis and low-frequency harmonics elimination pulse width modulation. In Proceedings of the IEEE Energy Conversion Congress and Exposition (ECCE), Phoenix, AZ, USA, 17–22 September 2011; pp. 2260–2267. [Google Scholar]
- Ge, B.; Liu, Y.; Abu-Rub, H.; Balog, R.S.; Peng, F.Z.; McConnell, S.; Li, X. Current Ripple Damping Control to Minimize Impedance Network for Single-Phase Quasi-Z Source Inverter System. IEEE Trans. Ind. Inform. 2016, 12, 1043–1054. [Google Scholar] [CrossRef]
- Zhou, Y.; Li, H.; Li, H. A single-phase PV quasi-Z-source inverter with reduced capacitance using modified modulation and double-frequency ripple suppression control. IEEE Trans. Power Electron. 2016, 31, 2166–2173. [Google Scholar] [CrossRef]
- Ge, B.; Abu-Rub, H.; Liu, Y.; Balog, R.S. An active filter method to eliminate dc-side low-frequency power for single-phase quasi-Z source inverter. In Proceedings of the IEEE Applied Power Electronics Conference and Exposition (APEC), Charlotte, NC, USA, 15–19 March 2015; pp. 827–832. [Google Scholar]
- Sun, D.; Ge, B.; Yan, X.; Bi, D.; Zhang, H.; Liu, Y.; Abu-Rub, H.; Ben-Brahim, L.; Peng, F. Modeling, impedance design, and efficiency analysis of quasi-Z-source module in cascade multilevel photovoltaic power system. IEEE Trans. Ind. Electron. 2014, 61, 6108–6117. [Google Scholar] [CrossRef]
- Liu, Y.; Ge, B.; Abu-Rub, H.; Sun, D. Comprehensive modeling of single-phase quasi-Z-source photovoltaic inverter to investigate low-frequency voltage and current ripple. IEEE Trans. Ind. Electron. 2014, 62, 4194–4202. [Google Scholar] [CrossRef]
- Liu, Y.; Abu-Rub, H.; Ge, B. Hybrid pulsewidth modulated single-phase quasi-Z-source grid-tie Photovoltaic power system. In Proceedings of the IEEE Applied Power Electronics Conference and Exposition (APEC), Charlotte, NC, USA, 15–19 March 2015; pp. 1763–1767. [Google Scholar]
- Tang, Y.; Xie, S.; Ding, J. Pulsewidth modulation of Z-source inverters with minimum inductor current ripple. IEEE Trans. Ind. Electron. 2014, 61, 98–106. [Google Scholar] [CrossRef]
- Shen, M.; Peng, F.Z. Operation modes and characteristics of the Z-source inverter with small inductance or low power factor. IEEE Trans. Ind. Electron. 2008, 55, 89–96. [Google Scholar] [CrossRef]
- Nguyen, M.K.; Lim, Y.C.; Park, S.J. A comparison between single-phase quasi-Z-source and quasi-switched boost inverters. IEEE Trans. Ind. Electron. 2015, 62, 6336–6344. [Google Scholar] [CrossRef]
- Adda, R.; Ray, O.; Mishra, S.K.; Joshi, A. Synchronous-reference-frame-based control of switched boost inverter for standalone dc nanogrid applications. IEEE Trans. Power Electron. 2013, 28, 1219–1233. [Google Scholar] [CrossRef]
- Ravindranath, A.; Mishra, S.; Joshi, A. Analysis and PWM control of switched boost inverter. IEEE Trans. Ind. Electron. 2013, 60, 5593–5602. [Google Scholar] [CrossRef]
- Nguyen, M.K.; Le, T.V.; Park, S.J.; Lim, Y.C. A Class of Quasi-Switched Boost Inverters. IEEE Trans. Ind. Electron. 2015, 62, 1526–1536. [Google Scholar] [CrossRef]
- Nag, S.S.; Mishra, S. Current–Fed Switched Inverter. IEEE Trans. Ind. Electron. 2014, 61, 4680–4690. [Google Scholar] [CrossRef]
- Nguyen, M.K.; Le, T.V.; Park, S.J.; Lim, Y.C.; Yoo, J.Y. Class of high boost inverters based on switched-inductor structure. IET Power Electron. 2015, 8, 750–759. [Google Scholar] [CrossRef]
- Ho, A.V.; Chun, T.W.; Kim, H.G. Extended Boost Active-Switched-Capacitor/Switched-Inductor Quasi-Z-Source Inverters. IEEE Trans. Power Electron. 2015, 30, 5681–5690. [Google Scholar] [CrossRef]











| Parameters | Values | |
|---|---|---|
| Power rating, Po (W) | 700 | |
| Input dc voltage, Vdc (V) | 120 | |
| qSB network | L (Mh) | 6 |
| C (mF) | 2 | |
| qZS network | L1 = L2 (mH) | 3 |
| C1 = C2 (mF) | 4 | |
| Switching frequency, fsw (kHz) | 10 | |
| Output frequency, fo (Hz) | 50 | |
| Load | Ll (mH) | 5 |
| R (Ω) | 20 | |
| Single-Phase Improved SBI | A = 0 | A = 0.01 | ||
| Cal. | Exp. | Cal. | Exp. | |
| iL (peak) | 0.38 A | 0.39 A | 0.79 A | 0.74 A |
| vC (peak) | 2.5 V | 2.6 V | 2.6 V | 2.8 V |
| Single-Phase qZSI | A = 0 | A = 0.01 | ||
| Cal. | Exp. | Cal. | Exp. | |
| iL (peak) | 0.39 A | 0.41 A | 0.78 A | 0.7 A |
| vC (peak) | 2.8 V | 3.0 V | 2.9 V | 3.2 V |
© 2017 by the authors. Licensee MDPI, Basel, Switzerland. This article is an open access article distributed under the terms and conditions of the Creative Commons Attribution (CC BY) license (http://creativecommons.org/licenses/by/4.0/).
Share and Cite
Nguyen, M.-K.; Choi, Y.-O. Maximum Boost Control Method for Single-Phase Quasi-Switched-Boost and Quasi-Z-Source Inverters. Energies 2017, 10, 553. https://doi.org/10.3390/en10040553
Nguyen M-K, Choi Y-O. Maximum Boost Control Method for Single-Phase Quasi-Switched-Boost and Quasi-Z-Source Inverters. Energies. 2017; 10(4):553. https://doi.org/10.3390/en10040553
Chicago/Turabian StyleNguyen, Minh-Khai, and Youn-Ok Choi. 2017. "Maximum Boost Control Method for Single-Phase Quasi-Switched-Boost and Quasi-Z-Source Inverters" Energies 10, no. 4: 553. https://doi.org/10.3390/en10040553
APA StyleNguyen, M.-K., & Choi, Y.-O. (2017). Maximum Boost Control Method for Single-Phase Quasi-Switched-Boost and Quasi-Z-Source Inverters. Energies, 10(4), 553. https://doi.org/10.3390/en10040553

