Bearing Dynamics Modeling Based on the Virtual State-Space and Hammerstein–Wiener Model
Abstract
1. Introduction
- This study uses multi-dimensional virtual state-spaces to generate sufficient data, improving the accuracy of model identification.
- This study constructs multi-dimensional models of the dynamic system by utilizing the virtual state-spaces, which allows for high-precision modeling, mainly through the dimension with a more vital characterization ability of the dynamic system.
- This study employs the HW model in the control field to effectively mitigate the challenges posed by the nonlinear part of the system in dynamic modeling.
2. Theoretical Foundation
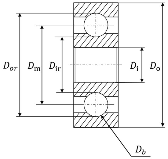
2.1. Bearing 5-DoF Model for Dynamics Analysis
2.2. Virtual State-Space for Dynamics Modeling
2.3. Hammerstein–Wiener Method for Model Identification
3. Database and Data Preprocessing
4. Experimental Results
4.1. Model In- and Output
4.2. Nonlinear Module Estimator
4.3. Zeros and Poles of Transfer Function
4.4. Analysis
5. Verification
5.1. Validation of Optimized Configuration
5.2. Verification with Bearings under Other Conditions
5.3. Verification with Other Datasets
5.4. Discussion
6. Conclusions
- The concept of virtual states is introduced, highlighting its significance in exploring system dynamic characteristics from multiple dimensions. This study employs virtual states and multi-dimensional bearing state-space models derived from measurable states in the dynamic analysis of bearings.
- A bearing fault modeling method is developed using virtual state-space and HW models, utilizing acceleration signals and their multi-order derivatives to construct high-precision MISO-HW models based on virtual states.
- To optimize data generation and improve the quality of high-dimensional data, derivative estimators could be developed, enabling the construction of MIMO models. These MIMO models allow for the extraction of characteristic parameters that more effectively represent the dynamic degradation processes in multidimensional models.
- The state matrix in the models (refer to Figure 4) captures the relationships among states and the system’s dynamic characteristics across different dimensions. This matrix allows for the extraction of characteristic parameters highly correlated with bearing aging and faults, facilitating the development of high-precision diagnostic and prognostic methods.
- This method can be further applied to different data sets and objects. A test bench equipped with a bearing test module and high-quality data acquisition terminals has been constructed. Experiments are planned to create a comprehensive dataset to validate the proposed method further. Furthermore, gear and rotor data will be employed to test this method following the design of a new test bench and relevant experiments.
- Future improvements in the accuracy of this modeling method could be achieved by incorporating varying friction states. For example, integrating a friction coefficient that adapts to different friction conditions could enhance the model’s precision. Additionally, adopting an improved elastohydrodynamic lubrication modeling approach could serve as a superior alternative to the current Hertz contact theory-based modeling.
Author Contributions
Funding
Institutional Review Board Statement
Informed Consent Statement
Data Availability Statement
Conflicts of Interest
Appendix A

| State Order n | 0 | 1 | 2 | 3 | 4 | 5 | 6 | 7 | 8 | 9 |
|---|---|---|---|---|---|---|---|---|---|---|
| Bearing 1_1 | 95.32 | 95.65 | 96.51 | 94.89 | 94.19 | 96.10 | 97.17 | 94.85 | 94.03 | 96.70 |
| Bearing 1_2 | 94.26 | 95.81 | 96.07 | 96.92 | 97.79 | 95.78 | 96.06 | 95.74 | 96.42 | 97.37 |
| Bearing 1_3 | 96.44 | 96.41 | 96.04 | 96.42 | 97.21 | 97.87 | 97.94 | 97.79 | 97.02 | 97.38 |
| Bearing 1_4 | 95.86 | 95.22 | 96.29 | 96.29 | 94.50 | 92.41 | 93.44 | 94.54 | 95.42 | 95.91 |
| Bearing 1_5 | 96.50 | 96.97 | 97.59 | 96.92 | 94.61 | 95.23 | 94.44 | 92.19 | 93.91 | 95.84 |
| Bearing 1_6 | 97.35 | 97.10 | 98.52 | 97.22 | 97.58 | 98.07 | 97.49 | 94.32 | 96.65 | 98.12 |
| Bearing 1_7 | 98.66 | 97.96 | 99.27 | 98.47 | 98.97 | 97.77 | 93.31 | 95.05 | 91.77 | 95.32 |
| Bearing 2_1 | 99.75 | 98.17 | 94.96 | 92.30 | 94.32 | 91.84 | 90.25 | 93.99 | 90.82 | 93.87 |
| Bearing 2_2 | 99.58 | 98.94 | 98.66 | 97.70 | 94.99 | 93.82 | 93.17 | 94.14 | 91.48 | 95.57 |
| Bearing 2_3 | 98.33 | 98.14 | 98.81 | 97.41 | 95.91 | 97.25 | 97.82 | 95.21 | 95.78 | 96.17 |
| Bearing 2_4 | 98.28 | 99.38 | 98.79 | 97.68 | 97.49 | 97.06 | 94.01 | 96.36 | 96.18 | 96.11 |
| Bearing 2_5 | 97.00 | 96.83 | 95.84 | 97.71 | 98.06 | 98.14 | 97.57 | 95.49 | 96.24 | 97.66 |
| Bearing 2_6 | 98.18 | 99.74 | 99.46 | 98.77 | 98.73 | 97.93 | 96.20 | 96.09 | 94.53 | 96.24 |
| Bearing 2_7 | 97.11 | 98.91 | 98.41 | 98.79 | 98.74 | 99.05 | 97.81 | 95.05 | 93.52 | 95.85 |
| Bearing 3_1 | 95.03 | 97.14 | 98.34 | 94.93 | 95.72 | 96.84 | 96.33 | 93.00 | 93.48 | 97.70 |
| Bearing 3_2 | 97.88 | 98.48 | 99.35 | 97.88 | 96.95 | 96.30 | 98.20 | 96.29 | 94.90 | 92.74 |
| Bearing 3_3 | 97.91 | 97.63 | 96.41 | 94.47 | 94.05 | 94.16 | 94.04 | 93.55 | 94.30 | 95.80 |
References
- Rai, A.; Upadhyay, S.H. A review on signal processing techniques utilized in the fault diagnosis of rolling element bearings. Tribol. Int. 2016, 96, 289–306. [Google Scholar]
- Jalan, A.K.; Mohanty, A. Model based fault diagnosis of a rotor–bearing system for misalignment and unbalance under steady-state condition. J. Sound Vib. 2009, 327, 604–622. [Google Scholar]
- Mishra, C.; Samantaray, A.; Chakraborty, G. Ball bearing defect models: A study of simulated and experimental fault signatures. J. Sound Vib. 2017, 400, 86–112. [Google Scholar]
- Xi, S.; Cao, H.; Chen, X.; Niu, L. Dynamic modeling of machine tool spindle bearing system and model based diagnosis of bearing fault caused by collision. Procedia CIRP 2018, 77, 614–617. [Google Scholar]
- Javanmardi, D.; Rezvani, M.A. Rail vehicle axlebox roller bearing life and failure analysis based on the Hertz contact theory, finite element modeling, and field observations. World J. Eng. 2023. [Google Scholar] [CrossRef]
- Dharap, G.; Talbot, D. A Quasi-Static Load Distribution Model for Deep Groove Ball Bearings. In Proceedings of the International Design Engineering Technical Conferences and Computers and Information in Engineering Conference, Boston, MA, USA, 20–23 August 2023; American Society of Mechanical Engineers: New York, NY, USA, 2023; Volume 87394, p. V011T11A025. [Google Scholar]
- Qian, L.; Pan, Q.; Lv, Y.; Zhao, X. Fault detection of bearing by resnet classifier with model-based data augmentation. Machines 2022, 10, 521. [Google Scholar] [CrossRef]
- Janssens, O.; Slavkovikj, V.; Vervisch, B.; Stockman, K.; Loccufier, M.; Verstockt, S.; Van de Walle, R.; Van Hoecke, S. Convolutional neural network based fault detection for rotating machinery. J. Sound Vib. 2016, 377, 331–345. [Google Scholar]
- Gilbert Chandra, D.; Srinivasulu Reddy, U.; Uma, G.; Umapathy, M. Group normalization-based 2D-convolutional neural network for intelligent bearing fault diagnosis. J. Braz. Soc. Mech. Sci. Eng. 2023, 45, 584. [Google Scholar]
- Li, F.; Wang, L.; Wang, D.; Wu, J.; Zhao, H. An adaptive multiscale fully convolutional network for bearing fault diagnosis under noisy environments. Measurement 2023, 216, 112993. [Google Scholar]
- Yu, Z.; Zhang, C.; Liu, J.; Deng, C. SKND-TSACNN: A novel time-scale adaptive CNN framework for fault diagnosis of rotating machinery. Knowl.-Based Syst. 2023, 275, 110682. [Google Scholar]
- Keshun, Y.; Puzhou, W.; Yingkui, G. Towards efficient and interpretative rolling bearing fault diagnosis via quadratic neural network With Bi-LSTM. IEEE Internet Things J. 2024, 11, 23002–23019. [Google Scholar] [CrossRef]
- Ruan, D.; Wu, Y.; Yan, J. Remaining useful life prediction for aero-engine based on lstm and cnn. In Proceedings of the 2021 33rd Chinese Control and Decision Conference (CCDC), Kunming, China, 22–24 May 2021; pp. 6706–6712. [Google Scholar] [CrossRef]
- Pan, Y.; Wang, H.; Chen, J.; Hong, R. Fault recognition of large-size low-speed slewing bearing based on improved deep belief network. J. Vib. Control 2023, 29, 2829–2841. [Google Scholar]
- Song, X.; Lyu, X.; Sun, S.; Li, C. A novel deep learning model for fault diagnosis of rolling-element bearing based on convolution neural network and recurrent neural network. Proc. Inst. Mech. Eng. Part E J. Process. Mech. Eng. 2023, 09544089231191042. [Google Scholar] [CrossRef]
- Li, Z.; Wang, J.; Ruan, D.; Yan, J.; Gühmann, C. Bearing Digital Twin Based on Response Model and Reinforcement Learning. Lubricants 2023, 11, 502. [Google Scholar] [CrossRef]
- Tian, H.; Fan, H.; Feng, M.; Cao, R.; Li, D. Fault diagnosis of rolling bearing based on hpso algorithm optimized cnn-lstm neural network. Sensors 2023, 23, 6508. [Google Scholar] [CrossRef]
- Wang, Z.; Liu, Z.; Xiao, J. A Complete Modeling Method for Nonlinear Dynamic Processes Based on Wiener Structured Neural Network and Wiener-Hammerstein Structured Neural Network. Chin. Control. Instrum. Chem. Ind. 2023, 50, 652–659. [Google Scholar]
- Zhong, G.; Yu, Q.; Wang, L. Iterative learning algorithm with forgetting factor for Hammerstein-Wiener time-varying systems. Chin. High Technol. Lett. 2023, 33, 815–822. [Google Scholar]
- Cui, L.; Chen, X.; Chen, S. Dynamics modeling and analysis of local fault of rolling element bearing. Adv. Mech. Eng. 2015, 7, 262351. [Google Scholar]
- Ruan, D.; Chen, Y.; Gühmann, C.; Yan, J.; Li, Z. Dynamics Modeling of Bearing with Defect in Modelica and Application in Direct Transfer Learning from Simulation to Test Bench for Bearing Fault Diagnosis. Electronics 2022, 11, 622. [Google Scholar] [CrossRef]
- Li, Z. Data-Driven Bearing Fault Modeling and Its Application in Bearing Fault Diagnosis. Master’s Thesis, Technical University of Berlin, Berlin, Germany, 2023. [Google Scholar]
- Li, Y.; Chen, X.; Mao, Z. Model predictive control synthesis algorithm based on polytopic terminal region for Hammerstein-Wiener nonlinear systems. Chin. J. Cent. South Univ. 2017, 24, 2028–2034. [Google Scholar]
- Smith, W.A.; Randall, R.B. Cepstrum-based operational modal analysis revisited: A discussion on pole–zero models and the regeneration of frequency response functions. Mech. Syst. Signal Process. 2016, 79, 30–46. [Google Scholar]
- Wills, A.; Schön, T.B.; Ljung, L.; Ninness, B. Identification of hammerstein–wiener models. Automatica 2013, 49, 70–81. [Google Scholar]
- Nectoux, P.; Gouriveau, R.; Medjaher, K.; Ramasso, E.; Chebel-Morello, B.; Zerhouni, N.; Varnier, C. PRONOSTIA: An experimental platform for bearings accelerated degradation tests. In Proceedings of the IEEE International Conference on Prognostics and Health Management, PHM’12, Denver, CO, USA, 20–23 June 2012; pp. 1–8. [Google Scholar]
- Smith, W.A.; Randall, R.B. Rolling element bearing diagnostics using the Case Western Reserve University data: A benchmark study. Mech. Syst. Signal Process. 2015, 64, 100–131. [Google Scholar]
- Condition Based Maintenance Fault Database for Testing of Diagnostic and Prognostics Algorithms. Available online: https://www.mfpt.org/fault-data-sets/ (accessed on 15 January 2023).
- Bearing Data Center, KAt-Data Center, Paderborn University. Available online: http://groups.uni-paderborn.de/kat/BearingDataCenter/ (accessed on 13 January 2023).














| Parameter | Value |
|---|---|
| Diameter of the outer race | 29.1 mm |
| Diameter of inner race | 22.1 mm |
| Bearing mean diameter | 25.6 mm |
| Inside diameter | 20.0 mm |
| Outside race diameter | 32.0 mm |
| Diameter of rolling elements | 3.5 mm |
| Thickness | 7.0 mm |
| Number of rolling elements | 13 |
| Operating Condition | Condition 1 | Condition 2 | Condition 3 |
|---|---|---|---|
| Learning set | Bearing1_1 | Bearing2_1 | Bearing3_1 |
| Bearing1_2 | Bearing2_2 | Bearing3_2 | |
| Test set | Bearing1_3 | Bearing2_3 | Bearing3_3 |
| Bearing1_4 | Bearing2_4 | ||
| Bearing1_5 | Bearing2_5 | ||
| Bearing1_6 | Bearing2_6 | ||
| Bearing1_7 | Bearing2_7 | ||
| Rotational speed [rpm] | 1800 | 1650 | 1500 |
| Force [N] | 4000 | 4200 | 5000 |
| Dataset | CWRU | MFPT | PU | PHM Challenge |
|---|---|---|---|---|
| Number of rolling elements | 9 | 8 | 8 | 13 |
| Rolling element diameter [mm] | 7.94 | 0.235 | 6.75 | 3.5 |
| Pitch diameter [mm] | 39.04 | 1.245 | 28.55 | 25.6 |
| Sample rate [kHz] | 12.0 | 48.8 | 64.0 | 25.6 |
| Configuration | Type 1 | Type 2 | Type 3 | Type 4 |
|---|---|---|---|---|
| Input | ||||
| Output |
| Nonlinearity Estimator | Type 1 | Type 2 | Type 3 | Type 4 |
|---|---|---|---|---|
| Piecewise Linear function (PWL) | 28.48% | 7.97% | 53.49% | 76.74% |
| Sigmoid Network (SN) | 29.46% | 3.39% | 68.19% | 64.86% |
| Wavelet Network (WN) | 29.12% | 9.22% | 77.60% | 14.53% |
| Saturation (Sat) | 34.24% | −11.88% | 71.93% | 8.67% |
| Dead Zone (DZ) | 21.06% | 17.17% | −66.33% | −27.16% |
| One-Dimensional Polynomial (1-DP) | 21.32% | 1.41% | 94.95% | 0.12% |
| Unit Gain (UG) | 12.06% | −11.34% | 86.91% | 98.70% |
| Input Order | Output | Inputs | Accuracy [%] | Duration [s] | Input Order | Output | Inputs | Accuracy [%] | Duration [s] |
|---|---|---|---|---|---|---|---|---|---|
| 0 | 95.1475 | 43.42 | 5 | 96.3879 | 243.65 | ||||
| 1 | 95.4515 | 92.31 | 6 | 95.4982 | 270.04 | ||||
| 2 | 97.8659 | 182.01 | 6 | 95.4982 | 270.04 | ||||
| 3 | 95.5293 | 185.62 | 8 | 96.7953 | 323.06 | ||||
| 4 | 95.6098 | 222.27 | 9 | 95.8023 | 361.37 |
| Input Module | Output Module | Accuracy [%] | Duration [s] | Input Module | Output Module | Accuracy [%] | Duration [s] |
|---|---|---|---|---|---|---|---|
| PWL | PWL | 57.0940 | 320.01 | PWL | UG | 96.2595 | 230.29 |
| SN | SN | 71.8959 | 515.63 | SN | 96.7476 | 305.78 | |
| WN | WN | 31.5333 | 530.03 | WN | 95.1923 | 298.02 | |
| Sat | Sat | 74.4528 | 253.84 | Sat | 86.6872 | 209.66 | |
| DZ | DZ | −165.9393 | 312.46 | DZ | 77.6185 | 263.64 | |
| 1-DP | 1-DP | 94.2116 | 238.85 | 1-DP | 97.8659 | 181.21 | |
| UG | UG | 87.9686 | 157.12 | UG | 94.5437 | 250.42 | |
| 1-DP | PWL | 38.9662 | 243.43 | SN | 95.0212 | 398.24 | |
| SN | 20.4830 | 349.05 | UG | WN | 57.3083 | 308.79 | |
| WN | 29.2596 | 341.45 | Sat | 76.0919 | 229.48 | ||
| Sat | 54.7752 | 184.98 | DZ | −308.0773 | 224.81 | ||
| DZ | −20.0300 | 225.96 | 1-DP | 79.0184 | 134.87 | ||
| PWL | 1-DP | 95.4379 | 253.76 | ||||
| SN | 96.0861 | 445.57 | |||||
| WN | 86.2918 | 365.10 | |||||
| Sat | 78.9940 | 256.11 |
| Test Group | Zeros Number | Poles Number | Accuracy [%] | Duration [s] | Test Group | Zeros Number | Poles Number | Accuracy [%] | Duration [s] |
|---|---|---|---|---|---|---|---|---|---|
| Group 1 | 0 | 1 | 95.7328 | 96.14 | Group 2 | 1 | 1 | 87.1260 | 164.44 |
| 0 | 2 | 96.2157 | 125.48 | 1 | 2 | 85.8251 | 207.27 | ||
| 0 | 3 | 97.8659 | 182.21 | 1 | 3 | 56.5755 | 230.76 | ||
| 0 | 4 | 96.5741 | 154.12 | 1 | 6 | 65.8701 | 234.77 | ||
| 0 | 5 | 95.8959 | 163.29 | 1 | 4, 5, 7, 8, 9 | \ | \ | ||
| 0 | 6 | 96.8135 | 186.20 | Group 3 | 2 | 2 | 85.8871 | 191.79 | |
| 0 | 7 | 95.4290 | 179.67 | 2 | 3, 4, …, 9 | \ | \ | ||
| 0 | 8 | 97.5603 | 177.53 | Group 4 | 3 | 3 | 0.0272 | 369.05 | |
| 0 | 9 | 96.5667 | 183.86 | 3 | 4, 5, …, 9 | \ | \ | ||
| 0 | 10 | 94.3603 | 192.23 | Group 5 | 4 | 4, 5, …, 9 | \ | \ |
| State Order n | 0 | 1 | 2 | 3 | 4 | 5 | 6 | 7 | 8 | 9 |
|---|---|---|---|---|---|---|---|---|---|---|
| Min. accuracy [%] | 81.63 | 89.92 | 84.96 | 64.01 | 46.76 | 74.95 | 67.11 | 59.31 | 58.67 | 60.10 |
| Max. accuracy [%] | 100.00 | 100.00 | 100.00 | 100.00 | 100.00 | 100.00 | 100.00 | 100.00 | 100.00 | 100.00 |
| Mean accuracy [%] | 98.58 | 98.98 | 98.29 | 96.21 | 95.34 | 96.44 | 94.89 | 93.73 | 93.72 | 94.92 |
| Standard deviation | 3.64 | 2.14 | 3.03 | 6.38 | 8.56 | 5.24 | 6.59 | 7.88 | 8.27 | 8.03 |
Disclaimer/Publisher’s Note: The statements, opinions and data contained in all publications are solely those of the individual author(s) and contributor(s) and not of MDPI and/or the editor(s). MDPI and/or the editor(s) disclaim responsibility for any injury to people or property resulting from any ideas, methods, instructions or products referred to in the content. |
© 2024 by the authors. Licensee MDPI, Basel, Switzerland. This article is an open access article distributed under the terms and conditions of the Creative Commons Attribution (CC BY) license (https://creativecommons.org/licenses/by/4.0/).
Share and Cite
Jiang, G.; Zhou, K.; Li, Z.; Yan, J. Bearing Dynamics Modeling Based on the Virtual State-Space and Hammerstein–Wiener Model. Sensors 2024, 24, 5410. https://doi.org/10.3390/s24165410
Jiang G, Zhou K, Li Z, Yan J. Bearing Dynamics Modeling Based on the Virtual State-Space and Hammerstein–Wiener Model. Sensors. 2024; 24(16):5410. https://doi.org/10.3390/s24165410
Chicago/Turabian StyleJiang, Genghong, Kai Zhou, Zhaorong Li, and Jianping Yan. 2024. "Bearing Dynamics Modeling Based on the Virtual State-Space and Hammerstein–Wiener Model" Sensors 24, no. 16: 5410. https://doi.org/10.3390/s24165410
APA StyleJiang, G., Zhou, K., Li, Z., & Yan, J. (2024). Bearing Dynamics Modeling Based on the Virtual State-Space and Hammerstein–Wiener Model. Sensors, 24(16), 5410. https://doi.org/10.3390/s24165410

