Investigation of Factors Affecting the Performance of Textronic UHF RFID Transponders
Abstract
:1. Introduction
1.1. Textronic UHF RFID Transponders
1.2. Aim of Research
2. Materials and Methods
3. Results
3.1. Calculations and Simulations
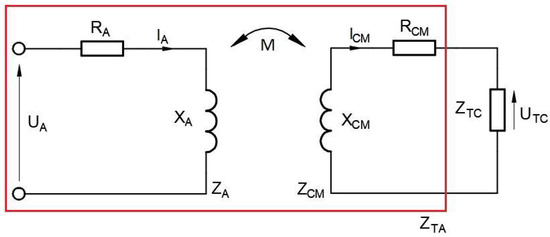
3.1.1. Mathematical Model of Textronic UHF RFID Transponder
3.1.2. Mutual Inductance between Coupling Circuits
3.2. Experimental Research
3.2.1. Impact of Vertical Distance between Antenna and Chip Coupling Circuits
3.2.2. Impact of Horizontal Distance between Antenna and Chip Coupling Circuits
3.2.3. Impact of Antenna Resistance
3.2.4. Vulnerability to Manufacturing Issues
4. Discussion
5. Conclusions
Author Contributions
Funding
Institutional Review Board Statement
Informed Consent Statement
Data Availability Statement
Conflicts of Interest
References
- Wagih, M.; Balocchi, L.; Benassi, F.; Carvalho, N.B.; Chiao, J.-C.; Correia, R.; Costanzo, A.; Cui, Y.; Georgiadou, D.; Gouveia, C.; et al. Microwave-Enabled Wearables: Underpinning Technologies, Integration Platforms, and Next-Generation Roadmap. IEEE J. Microwaves 2023, 3, 193–226. [Google Scholar] [CrossRef]
- Bouhassoune, I.; Chaibi, H.; Chehri, A.; Saadane, R. A Review of RFID-based Internet of Things in the Healthcare Area, the New Horizon of RFID. Procedia Comput. Sci. 2022, 207, 4151–4160. [Google Scholar] [CrossRef]
- Ozek, E.A.; Tanyeli, S.; Yapici, M.K. Flexible Graphene Textile Temperature Sensing RFID Coils Based on Spray Printing. IEEE Sensors J. 2021, 21, 26382–26388. [Google Scholar] [CrossRef]
- Yang, C.; Wang, X.; Mao, S. RFID-based 3D human pose tracking: A subject generalization approach. Digit. Commun. Networks 2022, 8, 278–288. [Google Scholar] [CrossRef]
- Koski, K.; Lohan, E.S.; Sydänheimo, L.; Ukkonen, L.; Rahmat-Samii, Y. Electro-textile UHF RFID patch antennas for positioning and localization applications. In Proceedings of the 2014 IEEE RFID Technology and Applications Conference (RFID-TA), Tampere, Finland, 8–9 September 2014; pp. 246–250. [Google Scholar] [CrossRef]
- Tao, X. Wearable Electronics and Photonics, 1st ed.; Woodhead Publishing Ltd.: Cambridge, UK, 2005. [Google Scholar]
- Du, K.; Lin, R.; Yin, L.; Ho, J.S.; Wang, J.; Lim, C.T. Electronic textiles for energy, sensing, and communication. iScience 2022, 25, 104174. [Google Scholar] [CrossRef] [PubMed]
- Arun, H. Advancements in the use of carbon nanotubes for antenna realization. AEU Int. J. Electron. Commun. 2021, 136, 153753. [Google Scholar] [CrossRef]
- Tao, X. Handbook of Smart Textiles, 1st ed.; Springer: Singapore, 2015. [Google Scholar]
- Zhang, Y.; Wang, H.; Lu, H.; Li, S.; Zhang, Y. Electronic fibers and textiles: Recent progress and perspective. iScience 2021, 24, 102716. [Google Scholar] [CrossRef]
- Khan, A.; Haque, N.; Kabiraz, D.C.; Yeasin, A.; Al Rashid, H.; Sarker, A.C.; Hossain, G. A review on advanced nanocomposites materials based smart textile biosensor for healthcare monitoring from human sweat. Sensors Actuators A Phys. 2023, 350, 114093. [Google Scholar] [CrossRef]
- Tekcin, M.; Paker, S.; Bahadir, S.K. UHF-RFID enabled wearable flexible printed sensor with antenna performance. AEU Int. J. Electron. Commun. 2022, 157, 154410. [Google Scholar] [CrossRef]
- Dang, Q.H.; Nguyen-Trong, N.; Chen, S.J.; Fumeaux, C. Frequency-Reconfigurable UHF Wearable Textile Antenna for RFID Applications. In Proceedings of the 2023 5th Australian Microwave Symposium (AMS), Melbourne, Australia, 16–17 February 2023; pp. 23–24. [Google Scholar] [CrossRef]
- Roggero, U.F.S.; Nista, S.V.G.; Hernández-Figueroa, H.E.; Mei, L.H.I.; Moshkalev, S.A. Graphene-biopolymer-based RFID tags: A performance comparison. Mater. Today Commun. 2022, 31, 103726. [Google Scholar] [CrossRef]
- Zamil, N.; Ripin, N.; Ansari, M.; Jalil, Y.; Nordin, N.A.; Abdullah, I.; Yahya, Z.; Aziz, A.A. Design and Simulation of Dipole Patch Antenna using Graphene Sheet Substrate for UHF-RFID Application. In Proceedings of the 2021 IEEE Asia-Pacific Conference on Applied Electromagnetics (APACE), Penang, Malaysia, 20–22 December 2021; pp. 1–4. [Google Scholar] [CrossRef]
- Chietera, F.P.; Colella, R.; Verma, A.; Ferraris, E.; Corcione, C.E.; Moraila-Martinez, C.L.; Gerardo, D.; Acid, Y.H.; Rivadeneyra, A.; Catarinucci, L. Laser-Induced Graphene, Fused Filament Fabrication, and Aerosol Jet Printing for Realizing Conductive Elements of UHF RFID Antennas. IEEE J. Radio Freq. Identif. 2022, 6, 601–609. [Google Scholar] [CrossRef]
- Mostaccio, A.; Antonelli, G.; Occhiuzzi, C.; Martinelli, E.; Marrocco, G. Experimental characterization of Laser Induced Graphene (LIG) antennas for S-band wearable applications in 5G. In Proceedings of the 2022 IEEE 12th International Conference on RFID Technology and Applications (RFID-TA), Cagliari, Italy, 12–14 September 2022; pp. 51–54. [Google Scholar] [CrossRef]
- Rivadeneyra, A.; Salmeron, J.F.; Rodriguez, N.; Morales, D.P.; Colella, R.; Chietera, F.P.; Catarinucci, L. Laser-Fabricated Antennas for RFID Applications. In Proceedings of the 2020 50th European Microwave Conference (EuMC), Utrecht, The Netherlands, 12–14 January 2021; pp. 812–815. [Google Scholar] [CrossRef]
- Zhang, B.; Wang, Z.; Song, R.; Fu, H.; Zhao, X.; Zhang, C.; He, D.; Wu, Z.P. Passive UHF RFID tags made with graphene assembly film-based antennas. Carbon 2021, 178, 803–809. [Google Scholar] [CrossRef]
- Zhang, B.; Zhang, C.; Wang, Y.; Wang, Z.; Liu, C.; He, D.; Wu, Z.P. Flexible Anti-Metal RFID Tag Antenna Based on High-Conductivity Graphene Assembly Film. Sensors 2021, 21, 1513. [Google Scholar] [CrossRef]
- Song, R.; Chen, X.; Jiang, S.; Hu, Z.; He, D. Graphene Assembled Film Based Millimeter Wave Antenna Array for 5G Mobile Communications. In Proceedings of the 2021 IEEE MTT-S International Wireless Symposium (IWS), Nanjing, China, 23–26 May 2021; pp. 1–3. [Google Scholar] [CrossRef]
- Gupta, D.; Sood, D.; Yu, M.; Kumar, M. Compact Biodegradable UHF RFID Tag for Short Life Cycle Applications. In Proceedings of the 2021 IEEE Indian Conference on Antennas and Propagation (InCAP), Jaipur, Rajasthan, India, 13–16 December 2021; pp. 399–401. [Google Scholar] [CrossRef]
- Jaakkola, K.; Sandberg, H.; Lahti, M.; Ermolov, V. Near-Field UHF RFID Transponder with a Screen-Printed Graphene Antenna. IEEE Trans. Components, Packag. Manuf. Technol. 2019, 9, 616–623. [Google Scholar] [CrossRef]
- Delipinar, T.; Ozek, E.A.; Kaya, C.E.; Tanyeli, S.; Yapici, M.K. Flexible Graphene Textile RFID Tags Based on Spray, Dispense and Contact Printing. In Proceedings of the 2020 IEEE International Conference on Flexible and Printable Sensors and Systems (FLEPS), Manchester, UK, 16–19 August 2020; pp. 1–4. [Google Scholar] [CrossRef]
- Htwe, Y.Z.N.; Mariatti, M. Printed graphene and hybrid conductive inks for flexible, stretchable, and wearable electronics: Progress, opportunities, and challenges. J. Sci. Adv. Mater. Devices 2022, 7, 100435. [Google Scholar] [CrossRef]
- Simegnaw, A.A.; Malengier, B.; Rotich, G.; Tadesse, M.G.; Van Langenhove, L. Review on the Integration of Microelectronics for E-Textile. Materials 2021, 14, 5113. [Google Scholar] [CrossRef] [PubMed]
- Jiang, Y.; Leng, T.; Fang, Y.; Hu, Z.; Xu, L. Machine Embroidered Wearable e-textile Wideband UHF RFID Tag Antenna. In Proceedings of the 2019 IEEE International Symposium on Antennas and Propagation and USNC-URSI Radio Science Meeting, Atlanta, GA, USA, 7–12 July 2019; pp. 643–644. [Google Scholar] [CrossRef]
- Liu, Y.; Yu, M.; Xia, B.; Wang, S.; Wang, M.; Chen, M.; Dai, S.; Wang, T.; Ye, T.T. E-Textile Battery-Less Displacement and Strain Sensor for Human Activities Tracking. IEEE Internet Things J. 2021, 8, 16486–16497. [Google Scholar] [CrossRef]
- Yu, M.; Wang, S.; Liu, Y.; Xu, L.; Ye, T.T. Passive Embroidered Stretch Sensor Utilizing UHF RFID Antennas. In Proceedings of the 2019 IEEE SmartWorld, Ubiquitous Intelligence & Computing, Advanced & Trusted Computing, Scalable Computing & Communications, Cloud & Big Data Computing, Internet of People and Smart City Innovation (SmartWorld/SCALCOM/UIC/ATC/CBDCom/IOP/SCI), Leicester, UK, 19–23 August 2019; pp. 497–501. [Google Scholar] [CrossRef]
- Khan, M.U.A.; Raad, R.; Foroughi, J.; Raheel, M.S.; Houshyar, S. An octagonal-shaped conductive HC12 & LIBERATOR-40 thread embroidered chipless RFID for general IoT applications. Sensors Actuators A Phys. 2021, 318, 112485. [Google Scholar] [CrossRef]
- Khan, Z.; He, H.; Chen, X.; Ukkonen, L.; Virkki, J. Embroidered and e-textile Conductors Embedded inside 3D-printed Structures. In Proceedings of the 2019 Photonics & Electromagnetics Research Symposium-Fall (PIERS-Fall), Xiamen, China, 17–20 December 2019; pp. 1675–1680. [Google Scholar] [CrossRef]
- Bakkali, M.E.; Martinez-Estrada, M.; Fernandez-Garcia, R.; Gil, I.; Mrabet, O.E. Effect of Bending on a Textile UHF-RFID Tag Antenna. In Proceedings of the 2020 14th European Conference on Antennas and Propagation (EuCAP), Copenhagen, Denmark, 15–20 March 2020; pp. 1–5. [Google Scholar] [CrossRef]
- Pham, N.; Dao, N.C.; Chung, J.-Y. A text-meandered RFID tag implemented with conductive threads. Microw. Opt. Technol. Lett. 2016, 58, 1978–1984. [Google Scholar] [CrossRef]
- Hanif, M.; Farhan, M.; Sharif, A. Design and analysis of flexible embroidered UHF-RFID tag on facemask for IoT applications using characteristics mode analysis. AEU Int. J. Electron. Commun. 2023, 172, 154940. [Google Scholar] [CrossRef]
- Moradi, E.; Björninen, T.; Ukkonen, L.; Rahmat-Samii, Y. Characterization of embroidered dipole-type RFID tag antennas. In Proceedings of the 2012 IEEE International Conference on RFID-Technologies and Applications (RFID-TA), Nice, France, 5–7 November 2012; pp. 248–253. [Google Scholar] [CrossRef]
- Kapetanakis, T.N.; Pavec, M.; Ioannidou, M.P.; Nikolopoulos, C.D.; Baklezos, A.T.; Soukup, R.; Vardiambasis, I.O. Embroidered Βow-Tie Wearable Antenna for the 868 and 915 MHz ISM Bands. Electronics 2021, 10, 1983. [Google Scholar] [CrossRef]
- Patron, D.; Mongan, W.; Kurzweg, T.P.; Fontecchio, A.; Dion, G.; Anday, E.K.; Dandekar, K.R. On the Use of Knitted Antennas and Inductively Coupled RFID Tags for Wearable Applications. IEEE Trans. Biomed. Circuits Syst. 2016, 10, 1047–1057. [Google Scholar] [CrossRef]
- Liu, Y.; Xu, L.; Li, Y.; Ye, T.T. Textile Based Embroidery-Friendly RFID Antenna Design Techniques. In Proceedings of the 2019 IEEE International Conference on RFID (RFID), Phoenix, AZ, USA, 2–4 April 2019; pp. 1–6. [Google Scholar] [CrossRef]
- Liu, Y.; Yu, M.; Xu, L.; Li, Y.; Ye, T.T. Characterizations and Optimization Techniques of Embroidered RFID Antenna for Wearable Applications. IEEE J. Radio Freq. Identif. 2020, 4, 38–45. [Google Scholar] [CrossRef]
- Benouakta, S.; Hutu, F.; Sette, D.; Duroc, Y. UHF RFID elastic textile yarn. Microw. Opt. Technol. Lett. 2020, 62, 3186–3194. [Google Scholar] [CrossRef]
- Yang, Z.; Yin, C.; Wu, H.; Shimin, S.; Ba, L. Continuous Production of Conductive Fiber by Depressing Plateau-Rayleigh Instability for Wearable Smart Textile. In Proceedings of the 2021 IEEE 4th International Conference on Nanoscience and Technology (ICNST), Chengdu, China, 26–28 June 2021; pp. 1–4. [Google Scholar] [CrossRef]
- Idumah, C.I. Design, fabrication, characterization and properties of metallic and conductive smart polymeric textiles for multifunctional applications. Nano-Structures Nano-Objects 2023, 35, 100982. [Google Scholar] [CrossRef]
- Shekhawat, S.; Singh, S.; Singh, S.K. A review on bending analysis of polymer-based flexible patch antenna for IoT and wireless applications. Mater. Today Proc. 2022, 66, 3511–3516. [Google Scholar] [CrossRef]
- Zahid, M.; Rathore, H.A.; Tayyab, H.; Rehan, Z.A.; Rashid, I.A.; Lodhi, M.; Zubair, U.; Shahid, I. Recent developments in textile based polymeric smart sensor for human health monitoring: A review. Arab. J. Chem. 2022, 15, 103480. [Google Scholar] [CrossRef]
- Chen, X.; Ukkonen, L.; Bjorninen, T. Passive E-Textile UHF RFID-Based Wireless Strain Sensors with Integrated References. IEEE Sensors J. 2016, 16, 7835–7836. [Google Scholar] [CrossRef]
- Lagha, F.; Beldi, S.; Latrach, L. Passive E-textile UHF RFID Tag for Wireless Body Centric Communications. In Proceedings of the 2018 30th International Conference on Microelectronics (ICM), Sousse, Tunisia, 16–19 December 2018; pp. 180–183. [Google Scholar] [CrossRef]
- Chen, X.; Ukkonen, L.; Bjöninen, T.; Virkki, J. Comparison of E-textile dipole and folded dipole antennas for wearable passive UHF RFID tags. In Proceedings of the 2017 Progress in Electromagnetics Research Symposium-Fall (PIERS-FALL), Singapore, 19–22 November 2017; pp. 812–817. [Google Scholar] [CrossRef]
- Ma, S.; Ukkonen, L.; Sydänheimo, L.; Björninen, T. Wearable E-textile split ring passive UHF RFID tag: Body-worn performance evaluation. In Proceedings of the 2017 IEEE Asia Pacific Microwave Conference (APMC), Kuala Lumpur, Malaysia, 13–16 November 2017; pp. 166–168. [Google Scholar] [CrossRef]
- Thielens, A.; Baumbauer, C.; Anderson, M.G.; Ting, J.; Arias, A.C.; Rabaey, J.M. Feasability of On-Body Backscattering in the UHF-RFID Band using Screen-Printed Dipole Antennas. In Proceedings of the 2019 13th International Symposium on Medical Information and Communication Technology (ISMICT), Oslo, Norway, 8–10 May 2019; pp. 1–5. [Google Scholar] [CrossRef]
- He, H.; Chen, X.; Mehmood, A.; Raivio, L.; Huttunen, H.; Raumonen, P.; Virkki, J. ClothFace: A Batteryless RFID-Based Textile Platform for Handwriting Recognition. Sensors 2020, 20, 4878. [Google Scholar] [CrossRef]
- Wang, P.; Dong, L.; Wang, H.; Li, G.; Di, Y.; Xie, X.; Huang, D. Passive Wireless Dual-Tag UHF RFID Sensor System for Surface Crack Monitoring. Sensors 2021, 21, 882. [Google Scholar] [CrossRef]
- Abdulghafor, R.; Turaev, S.; Almohamedh, H.; Alabdan, R.; Almutairi, B.; Almutairi, A.; Almotairi, S. Recent Advances in Passive UHF-RFID Tag Antenna Design for Improved Read Range in Product Packaging Applications: A Comprehensive Review. IEEE Access 2021, 9, 63611–63635. [Google Scholar] [CrossRef]
- Luo, C.; Gil, I.; Fernández-García, R. Experimental comparison of three electro-textile interfaces for textile UHF-RFID tags on clothes. AEU Int. J. Electron. Commun. 2022, 146, 154137. [Google Scholar] [CrossRef]
- Virkki, J.; Wei, Z.; Liu, A.; Ukkonen, L.; Björninen, T. Wearable Passive E-Textile UHF RFID Tag Based on a Slotted Patch Antenna with Sewn Ground and Microchip Interconnections. Int. J. Antennas Propag. 2017, 2017, 3476017. [Google Scholar] [CrossRef]
- Jankowski-Mihułowicz, P.; Węglarski, M.; Chamera, M.; Pyt, P. Textronic UHF RFID Transponder. Sensors 2021, 21, 1093. [Google Scholar] [CrossRef] [PubMed]
- Jankowski-Mihułowicz, P.; Węglarski, M.; Wilczkiewicz, B.; Chamera, M.; Laskowski, G. The Influence of Textile Substrates on the Performance of Textronic RFID Transponders. Materials 2022, 15, 7060. [Google Scholar] [CrossRef] [PubMed]
- Nizioł, M.; Jankowski-Mihułowicz, P.; Węglarski, M. The Influence of the Washing Process on the Impedance of Textronic Radio Frequency Identification Transponder Antennas. Materials 2023, 16, 4639. [Google Scholar] [CrossRef]
- Griffiths, D.J. Introduction to Electrodynamics, 4th ed.; Pearson: London, UK, 2013; p. 246. [Google Scholar]
- Piątek, Z.; Jabłoński, P. Podstawy Teorii pola Elektromagnetycznego, 2nd ed.; WNT: Warsaw, Poland, 2023. [Google Scholar]
- Finkenzeller, K. RFID Handbook, 3rd ed.; Wiley: Chichester, UK, 2010; pp. 68–70. [Google Scholar]





































| Group Name | Thread | Thread Resistivity, Ω/m | Antenna Resistance RA, Ω |
|---|---|---|---|
| PA | AGSIS SYSCOM | 82.00 | 13.12 |
| PB | ADAFRUIT 603 | 39.37 | 6.30 |
| PC | SPARKFUN DEV-11791 | 91.86 | 14.70 |
| PD | ADAFRUIT 641 | 32.68 | 5.23 |
| PE | ADAFRUIT 640 | 51.18 | 8.19 |
| PF | ELECTRO FASHION | 40.00 | 6.40 |
| PG | LIBERATOR 40 | 3.28 | 0.52 |
| PH | INNTEX PW018A | 300 | 48.00 |
| PJ | LICA 10 × 0.04 mm | 1.39 | 0.22 |
Disclaimer/Publisher’s Note: The statements, opinions and data contained in all publications are solely those of the individual author(s) and contributor(s) and not of MDPI and/or the editor(s). MDPI and/or the editor(s) disclaim responsibility for any injury to people or property resulting from any ideas, methods, instructions or products referred to in the content. |
© 2023 by the authors. Licensee MDPI, Basel, Switzerland. This article is an open access article distributed under the terms and conditions of the Creative Commons Attribution (CC BY) license (https://creativecommons.org/licenses/by/4.0/).
Share and Cite
Ziobro, A.; Jankowski-Mihułowicz, P.; Węglarski, M.; Pyt, P. Investigation of Factors Affecting the Performance of Textronic UHF RFID Transponders. Sensors 2023, 23, 9703. https://doi.org/10.3390/s23249703
Ziobro A, Jankowski-Mihułowicz P, Węglarski M, Pyt P. Investigation of Factors Affecting the Performance of Textronic UHF RFID Transponders. Sensors. 2023; 23(24):9703. https://doi.org/10.3390/s23249703
Chicago/Turabian StyleZiobro, Anna, Piotr Jankowski-Mihułowicz, Mariusz Węglarski, and Patryk Pyt. 2023. "Investigation of Factors Affecting the Performance of Textronic UHF RFID Transponders" Sensors 23, no. 24: 9703. https://doi.org/10.3390/s23249703
APA StyleZiobro, A., Jankowski-Mihułowicz, P., Węglarski, M., & Pyt, P. (2023). Investigation of Factors Affecting the Performance of Textronic UHF RFID Transponders. Sensors, 23(24), 9703. https://doi.org/10.3390/s23249703

