Investigation of Limitations in the Detection of Antibody + Antigen Complexes Using the Silicon-on-Insulator Field-Effect Transistor Biosensor
Abstract
:1. Introduction
2. Materials and Methods
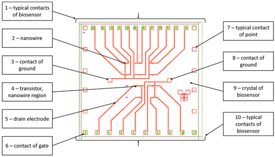
- 1, 10—Typical biosensor contacts. The contacts are necessary to connect the silicon crystal to the contacts of the case;
- 2—Nanowire (NW, first gate). The NW is located between the source and drain electrodes of each transistor;
- 3, 8—Ground contacts;
- 4—Transistor, NW region;
- 5—Drain electrode;
- 6—Gate contact;
- 7—Typical point of contact;
- 9—Crystal of biosensor. All components of the biosensor are located on the crystal surface.

- -
- Plotting the dependence of the biosensor electric current on time;
- -
- Calculating the average value of current for a given measurement time interval. All particles (antibodies, antigen, and background particles) in the sample under study experience Brownian motion. The process of movement occurs spontaneously and proceeds constantly. The mean square displacement of particle Δ2 during observation t is found from the Einstein–Smoluchowski equation; see, e.g., [24,25]:
- x—Useful information signal of target complexes;
- c—Interference signal of background particles;
- A—Logical parameter that takes values 0 or 1.
- The target AB + AG complex is present in the sample, and it is correctly detected against the background of the interference signal. Result—the decision is made correctly, A = 1;
- The target complex is present in the sample, but it has not been detected. The result is an error in decision making, A = 0;
- The target complex is missing in the sample, but it has been “detected”. The result is an error in decision making, A = 0;
- The target complex is missing in the sample, and it is not found. Result— the decision is made correctly, A = 1.
- -
- Measurements are independent of each other; they can be considered as random processes both in time and (or) in space;
- -
- The probability of the occurrence of event A in a single unit dimension is small (0.05–0.1 and less) and constant;
- -
- Number of measurements—the sample of n measurements is quite large;
- -
- Dispersion index χ2 > 1:
- σ1—Standard deviation of distribution under study;
- σ*—Standard deviation of approximating distribution.
- λAB+AG = n·p(1)—Average intensity of occurrence of events during observation;
- m = 0, 1, 2 ÷ 25—Number of simultaneously expected events;
- n—Samples of process measurement;
- p(1)—Probability of the detection of target event in one count.
3. Numerical Estimates
- v1—Measurement volume for one SOI-FET biosensor [m3];
- Vs—Total volume of sample for investigation and detection on surface of the biosensor crystal [m3];
- S—Number of AB + AG complexes in the volume of the sample for investigation and detection via the biosensor.
- 1—Target complex was present in the test sample, and it was correctly detected, A = 1, m = 10–25;
- 2—Target complex was present in the test sample, but it was not detected, A = 0; m = 10–25;
- 3—Target complex was absent in the test sample, but background particles were mistakenly detected as target complex, A = 0, m = 0–10;
- 4—Target complex was absent in the test sample, while background particles were present in the sample and correctly detected as noise, A = 1, m = 0–10.
4. Discussion
- -
- Understanding the signs of electrical charges of AB, AG, and AB + AG;
- -
- Adjusting the sensitivity of biosensor threshold electronically;
- -
- Creation of automated, inexpensive stationary posts for rapid detection of pathogens in cities, airports, subways, stadiums, and other real-time facilities;
- -
- The use of modern digital technology for processing, storing, and transmitting display results using computers, radio channels, or the Internet;
- -
- Organization of disposable biosensor production on the level of hundreds of thousands and even millions of pieces at a minimal price;
- -
- Availability on the market of ready-made computer programs for processing indication signals and statistical processing;
- -
- Ability to create biosensors for individual use.
- -
- The total measured volume of biosensors on the surface crystal must coincide with the volume of the test sample on it;
- -
- The probability of detecting AB + AG complex using SOI-FET biosensors increases with the increase in the number of biosensors on the crystal;
- -
- The detection of a single AB + AG complex via a biosensor cannot be considered reliable;
- -
- The ratio of the probability density of simultaneous detection of AB + AG complexes and background particles at regular intervals in independent tests should be in the range of 3–10 times—see (8)–(10);
- -
- Planning experiments, making technical decisions and conclusions based on the results detected, and the optimization of the detection process are complex tasks and remain within the remit of the human researcher.
5. Conclusions
Author Contributions
Funding
Institutional Review Board Statement
Informed Consent Statement
Data Availability Statement
Conflicts of Interest
References
- Akin, L.; Gözel, M.G. Understanding dynamics of pandemics. Turk. J. Med. Sci. 2020, 50, 515–519. [Google Scholar] [CrossRef] [PubMed]
- Onischenko, G.G.; Netesov, S.V.; Agafonov, A.P.; Safatov, A.S.; Buryak, G.A.; Generalov, V.M.; Sergeyev, A.N.; Drozdov, I.G. Highly pathogenic avian influenza—A new pandemic threat and possibilities to resist it. Vestn. Ross. Akad. Meditsinskikh Nauk. 2006, 12, 36–42. (In Russian) [Google Scholar]
- WHO. Coronavirus (COVID-19) Dashboard. Available online: https://covid19.who.int (accessed on 24 May 2023).
- Maia, R.; Carvalho, V.; Faria, B.; Miranda, I.; Catarino, S.; Teixeira, S.; Lima, R.; Minas, G.; Ribeiro, J. Diagnosis Methods for COVID-19: A Systematic Review. Micromachines 2022, 13, 1349. [Google Scholar] [CrossRef]
- Lequin, R.M. Enzyme Immunoassay (EIA)/Enzyme-Linked Immunosorbent Assay (ELISA). Clin. Chem. 2005, 51, 2415–2418. [Google Scholar] [CrossRef]
- Dolgov, V.V. Immunochemical Analysis in Laboratory Medicine; Triad: Moscow, Russia, 2015; p. 418. (In Russian) [Google Scholar]
- Thomas, E.; Delabat, S.; Andrews, D.M. Diagnostic Testing for SARS-CoV-2 Infection. Curr. Hepatol. Rep. 2021, 20, 166–174. [Google Scholar] [CrossRef] [PubMed]
- Reverberi, R.; Reverberi, L. Factors affecting the antigen-antibody reaction. Blood Transfus. 2007, 5, 227–240. [Google Scholar] [CrossRef]
- Bergveld, P. Development of an ion sensitive solid-state device for neurophysiological measurement. IEEE Trans. Biomed. Eng. 1970, 17, 70–73. [Google Scholar] [CrossRef]
- Bergveld, P. Development, operation, and application of ion-sensitive field-effect transistor as a tool for electrophysiology. IEEE Trans. Biomed. Eng. 1972, 19, 342–351. [Google Scholar] [CrossRef]
- Squires, T.M.; Messinger, R.J.; Manalis, S.R. Making it stick: Convection, reaction and diffusion in surface-based biosensors. Nat. Biotechnol. 2008, 26, 417–426. [Google Scholar] [CrossRef]
- Duan, X.; Li, Y.; Rajan, N.K.; Routenberg, D.A.; Modis, Y.; Reed, M.A. Quantification of the affinities and kinetics of protein interactions using silicon nanowire sensors. Nat. Nanotechnol. 2012, 7, 401–407. [Google Scholar] [CrossRef]
- Gao, X.P.; Zheng, G.; Lieber, C.M. Subthreshold regime has the optimal sensitivity for nanowire FET biosensors. Nano Lett. 2010, 10, 547–552. [Google Scholar] [CrossRef] [PubMed]
- Malsagova, K.A.; Ivanov, Y.D.; Pleshakova, T.O.; Kozlov, A.F.; Krohin, N.V.; Kaysheva, A.L.; Shumov, I.D.; Popov, V.P.; Naumova, O.V.; Fomin, B.I.; et al. SOI-nanowire biosensor for detection of D-NFAT 1 protein. Biomeditsinskaya Khimiya 2015, 61, 462–467. [Google Scholar] [CrossRef] [PubMed]
- Naumova, O.V.; Fomin, B.I. Optimization of the response of nanowire biosensors. Optoelectron. Instrum. Data Process. 2015, 52, 434–437. [Google Scholar] [CrossRef]
- Naumova, O.; Generalov, V.; Shcherbakov, D.; Zaitseva, E.; Zhivodkov, Y.; Kozhukhov, A.; Latyshev, A.; Aseev, A.; Safatov, A.; Buryak, G.; et al. SOI-FET sensors with dielectrophoretic concentration of viruses and proteins. Biosensors 2022, 12, 992. [Google Scholar] [CrossRef]
- Malsagova, K.A.; Pleshakova, T.O.; Kozlov, A.F.; Galiullin, R.A.; Popov, V.P.; Tikhonenko, F.V.; Glukhov, A.V.; Ziborov, V.S.; Shumov, I.D.; Petrov, O.F.; et al. Detection of influenza virus using a SOI-nanoribbon chip, based on an N-type field-effect transistor. Biosensors 2021, 11, 119. [Google Scholar] [CrossRef]
- Kartalov, E.P.; Zhong, J.F.; Scherer, A.; Quake, S.R.; Taylor, C.R.; Anderson, W.F. High-throughput multi-antigen microfluidic fluorescence immunoassays. Biotechniques 2006, 40, 85–90. [Google Scholar] [CrossRef]
- Seo, G.; Lee, G.; Kim, M.J.; Baek, S.-H.; Choi, M.; Ku, K.B.; Lee, C.-S.; Jun, S.; Park, D.; Kim, H.G.; et al. Rapid detection of COVID-causative virus (SARS-CoV-2) in human nasopharyngeal swab specimens using field-effect transistor-based biosensor. ACS Nano 2020, 14, 5135–5142. [Google Scholar] [CrossRef]
- Sengupta, J.; Hussain, C.M. Graphene-based field-effect transistor biosensors for the rapid detection and analysis of viruses: A perspective in view of COVID-19. Carbon Trends 2021, 2, 100011. [Google Scholar] [CrossRef]
- Hu, W.P.; Wu, Y.M.; Vu, C.A.; Chen, W.Y. Ultrasensitive detection of interleukin 6 by using silicon nanowire field-effect transistors. Sensors 2023, 23, 625. [Google Scholar] [CrossRef]
- Elfström, N.; Juhasz, R.; Sychugov, I.; Engfeldt, T.; Karlström, A.E.; Linnros, J. Surface charge sensitivity of silicon nanowires size dependence. Nano Lett. 2007, 7, 2608–2612. [Google Scholar] [CrossRef]
- Nuzaihan, M.N. Electrical detection of dengue virus (DENV) DNA oligomer using silicon nanowire biosensor with novel molecular gate control. Biosens. Bioelectron. 2016, 83, 106–114. [Google Scholar] [CrossRef] [PubMed]
- Landau, L.D.; Lifshitz, E.M. Theoretical Physics, Hydrodynamics, 4th ed.; Nauka: Moscow, Russian, 1988; Volume VI, pp. 330–332. (In Russian) [Google Scholar]
- Feynman, R.; Leighton, R.; Sands, M. Feynman Lectures on Physics. Volume 4. Kinetics. Warmth. Sound; Mir: Moscow, Russian, 1976; pp. 59–62. (In Russian) [Google Scholar]
- Buskermolen, A.D.; Lin, Y.T.; van Smeden, L.; van Haaften, R.B.; Yan, J.; Sergelen, K.; de Jong, A.M.; Prins, M.W. Continuous biomarker monitoring with single molecule resolution by measuring free particle motion. Nat. Commun. 2022, 13, 6052. [Google Scholar] [CrossRef] [PubMed]
- Ermakov, S.M.; Zhiglyavsky, A.A. Mathematical Theory of Optimal Experiment. Studiesone Manual; Editorial Office of Physical, Mathematical and Technical Literature: Moscow, Russian, 1987; p. 320. (In Russian) [Google Scholar]
- Mushik, E.; Muller, P. Methods of Technical Decision-Making: Translated from German; Mir: Moscow, Russian, 1990; p. 208. (In Russian) [Google Scholar]
- Sachs, L. Statistische Auswertungsmethoden [Statistical Evaluation Methods]; Springer: Berlin/Heidelberg, Germany, 1974; p. 548. [Google Scholar]
- Feller, W. Introduction to Probability Theory and Its Application; Mir: Moscow, Russian, 1984; Volume 1, pp. 33–35. (In Russian) [Google Scholar]
- Cheremiskina, A.A.; Generalov, V.M.; Safatov, A.S.; Buryak, G.A.; Aseev, A.L. Preparation of the substrate surface of silicon nanowire field-effect transistors to create a biosensor. Technol. Living Syst. 2021, 18, 62–70. (In Russian) [Google Scholar] [CrossRef]
- Raber, E.; Jin, A.; Noonan, K.; McGuire, R.; Kirvel, R.D. Decontamination issues for chemical and biological warfare agents: How clean is clean enough? Int. J. Environ. Health Res. 2001, 11, 128–148. [Google Scholar] [CrossRef] [PubMed]


Disclaimer/Publisher’s Note: The statements, opinions and data contained in all publications are solely those of the individual author(s) and contributor(s) and not of MDPI and/or the editor(s). MDPI and/or the editor(s) disclaim responsibility for any injury to people or property resulting from any ideas, methods, instructions or products referred to in the content. |
© 2023 by the authors. Licensee MDPI, Basel, Switzerland. This article is an open access article distributed under the terms and conditions of the Creative Commons Attribution (CC BY) license (https://creativecommons.org/licenses/by/4.0/).
Share and Cite
Generalov, V.; Cheremiskina, A.; Glukhov, A.; Grabezhova, V.; Kruchinina, M.; Safatov, A. Investigation of Limitations in the Detection of Antibody + Antigen Complexes Using the Silicon-on-Insulator Field-Effect Transistor Biosensor. Sensors 2023, 23, 7490. https://doi.org/10.3390/s23177490
Generalov V, Cheremiskina A, Glukhov A, Grabezhova V, Kruchinina M, Safatov A. Investigation of Limitations in the Detection of Antibody + Antigen Complexes Using the Silicon-on-Insulator Field-Effect Transistor Biosensor. Sensors. 2023; 23(17):7490. https://doi.org/10.3390/s23177490
Chicago/Turabian StyleGeneralov, Vladimir, Anastasia Cheremiskina, Alexander Glukhov, Victoria Grabezhova, Margarita Kruchinina, and Alexander Safatov. 2023. "Investigation of Limitations in the Detection of Antibody + Antigen Complexes Using the Silicon-on-Insulator Field-Effect Transistor Biosensor" Sensors 23, no. 17: 7490. https://doi.org/10.3390/s23177490
APA StyleGeneralov, V., Cheremiskina, A., Glukhov, A., Grabezhova, V., Kruchinina, M., & Safatov, A. (2023). Investigation of Limitations in the Detection of Antibody + Antigen Complexes Using the Silicon-on-Insulator Field-Effect Transistor Biosensor. Sensors, 23(17), 7490. https://doi.org/10.3390/s23177490

