A Multiband Shared Aperture MIMO Antenna for Millimeter-Wave and Sub-6GHz 5G Applications
Abstract
:1. Introduction
- The distinctive characteristic of the proposed antenna design is the integration of sub-6GHz with a millimeter-wave antenna that uses the same radiating aperture/structure.
- This study provides a unique concept for 5G access point applications based on a shared-aperture sub-6GHz and millimeter-wave concentric pentagonal slots-based antenna design. It eliminates the need for multiple antenna structures to be used for different operating bands, namely the sub-6GHz and millimeter-wave bands.
- The multi-band antenna design proposed in this work operates on several fundamental modes corresponding to each concentric slot. As a result, the antenna appealing due to the higher gains and efficiency values attained for every dominant mode.
- The MIMO performance of the proposed antenna design is well-suited to be operated in both the sub-6GHz and 28 GHz millimeter-wave bands.
- Despite their distinct feeding structures, the proposed design employs a co-shared radiating structure covering the desired sub-6GHz and millimeter-wave bands. This is one of the distinguishing traits of the proposed antenna design.
- The covered bands for sub-6GHz are 4–4.5~GHz, 3.1–3.8~GHz, 2.48–2.9~GHz, 1.82–2.14~GHz, and 1.4–1.58~GHz, whereas the millimeter-wave ranges from 27.8 GHz to 28.3 GHz with a minimum bandwidth (BW) of 500 MHz. The operation of such a hexa-band MIMO antenna for both sub-6GHz and millimeter-wave bands has not been reported for any antenna previously.
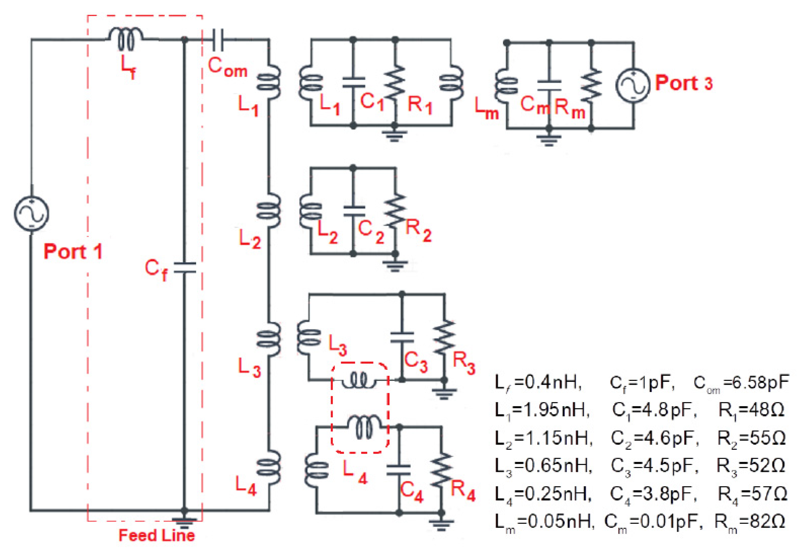
2. Antenna System Design
2.1. Antenna Geometry
2.2. Antenna Design Procedure
2.3. Antenna Operation
3. Results and Discussions
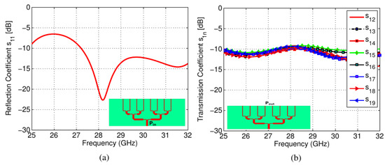
3.1. Scattering Parameters for MIMO Antenna
3.2. Radiation Characteristics
3.3. Radiation Characteristics with Reflector
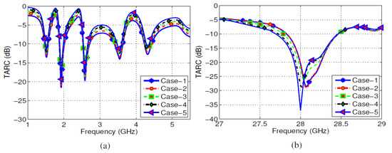
3.4. MIMO Performance Parameters
- Case-1:
- Case-2:
- Case-3:
- Case-4:
- Case-5:
4. Future Directions
5. Conclusions
Author Contributions
Funding
Informed Consent Statement
Acknowledgments
Conflicts of Interest
References
- Hong, W. Solving the 5G Mobile Antenna Puzzle: Assessing Future Directions for the 5G Mobile Antenna Paradigm Shift. IEEE Microw. Mag. 2017, 18, 86–102. [Google Scholar] [CrossRef]
- Sharawi, M.S. Printed Multi-band MIMO Antenna Systems and their Performance Metrics. IEEE Antennas Propag. Mag. 2013, 55, 218–232. [Google Scholar] [CrossRef]
- Sun, L.; Li, Y.; Zhang, Z.; Feng, Z. Wideband 5G MIMO Antenna with Integrated Orthogonal-Mode Dual-Antenna Pairs for Metal-Rimmed Smartphones. IEEE Trans. Antennas Propag. 2020, 68, 2494–2503. [Google Scholar] [CrossRef]
- Barani, I.R.R.; Wong, K.-L.; Zhang, Y.-X.; Li, W.-Y. Low-Profile Wideband Conjoined Open-Slot Antennas Fed by Grounded Coplanar Waveguides for 4 × 45 G MIMO Operation. IEEE Trans. Antennas Propag. 2020, 68, 2646–2657. [Google Scholar] [CrossRef]
- Chang, L.; Yu, Y.; Wei, K.; Wang, H. Orthogonally Polarized Dual Antenna Pair with High Isolation and Balanced High Performance for 5G MIMO Smartphone. IEEE Trans. Antennas Propag. 2020, 68, 3487–3495. [Google Scholar] [CrossRef]
- Li, M.-Y.; Ban, Y.-L.; Xu, Z.-Q.; Wu, G.; Sim, C.-Y.-D.; Kang, K.; Yu, Z.-F. Eight-Port Orthogonally Dual-Polarized Antenna Array for 5G Smartphone Applications. IEEE Trans. Antennas Propag. 2016, 64, 3820–3830. [Google Scholar] [CrossRef]
- Chen, Q.; Lin, H.; Wang, J.; Ge, L.; Li, Y.; Pei, T.; Sim, C.-Y.-D. Single Ring Slot-Based Antennas for Metal-Rimmed 4G/5G Smartphones. IEEE Trans. Antennas Propag. 2018, 67, 1476–1487. [Google Scholar] [CrossRef]
- Li, Y.; Sim, C.; Luo, Y.; Yang, G. High-Isolation 3.5 GHz Eight Antenna MIMO Array Using Balanced Open-Slot Antenna Element for 5G Smartphones. IEEE Trans. Antennas Propag. 2019, 67, 3820–3830. [Google Scholar] [CrossRef]
- Dhar, S.K.; Sharawi, M.S. A UWB semi-ring MIMO antenna with isolation enhancement. Microw. Opt. Technol. Lett. 2015, 57, 1941–1946. [Google Scholar] [CrossRef]
- Dhar, S.K.; Sharawi, M.S.; Hammi, O.; Ghannouchi, F.M. An Active Integrated Ultra-Wideband MIMO Antenna. IEEE Trans. Antennas Propag. 2016, 64, 1573–1578. [Google Scholar] [CrossRef]
- Park, S.-J.; Shin, D.-H. Low Side-Lobe Substrate-Integrated-Waveguide Antenna Array Using Broadband Unequal Feeding Network for Millimeter-Wave Handset Device. IEEE Trans. Antennas Propag. 2015, 64, 923–932. [Google Scholar] [CrossRef]
- Li, S.; Chi, T.; Wang, Y.; Wang, H. A Millimeter-Wave Dual-Feed Square Loop Antenna for 5G Communications. IEEE Trans. Antennas Propag. 2017, 65, 6317–6328. [Google Scholar] [CrossRef]
- Klionovski, K.; Sharawi, M.S.; Shamim, A. A Dual-Polarization-Switched Beam Patch Antenna Array for Millimeter-Wave Applications. IEEE Trans. Antennas Propag. 2019, 67, 3510–3515. [Google Scholar] [CrossRef]
- Yin, J.; Wu, Q.; Yu, C.; Wang, H.; Hong, W. Broadband Symmetrical E-Shaped Patch Antenna with Multimode Resonance for 5G Millimeter-Wave Applications. IEEE Trans. Antennas Propag. 2019, 67, 4474–4483. [Google Scholar] [CrossRef]
- Bayat-Makou, N.; Wu, K.; Kishk, A.A. Single-Layer Substrate-Integrated Broadside Leaky Long-Slot Array Antennas with Embedded Reflectors for 5G Systems. IEEE Trans. Antennas Propag. 2019, 67, 7331–7339. [Google Scholar] [CrossRef]
- Shirkolaei, M.M. Wideband linear microstrip array antenna with high efficiency and low side lobe level. Int. J. RF Microw. Comput. Aided Eng. 2020, 30, e22412. [Google Scholar] [CrossRef]
- Alibakhshikenari, M.; Babaeian, F.; Virdee, B.S.; Aissa, S.; Azpilicueta, L.; See, C.H.; Althuwayb, A.A.; Huynen, I.; Abd-Alhameed, R.A.; Falcone, F.; et al. A Comprehensive Survey on “Various Decoupling Mechanisms with Focus on Metamaterial and Metasurface Principles Applicable to SAR and MIMO Antenna Systems”. IEEE Access 2020, 8, 192965–193004. [Google Scholar] [CrossRef]
- Althuwayb, A.A. Low-Interacted Multiple Antenna Systems Based on Metasurface-Inspired Isolation Approach for MIMO Applications. Arab. J. Sci. Eng. 2021, 306, C1068–C1079. [Google Scholar] [CrossRef]
- Hsu, Y.; Huang, T.; Lin, H.; Lin, Y. Dual-Polarized Quasi Yagi–Uda Antennas with Endfire Radiation for Millimeter-Wave MIMO Terminals. IEEE Trans. Antennas Propag. 2017, 65, 6282–6289. [Google Scholar] [CrossRef]
- Weng, J.; Chu, Q. Wideband microstrip MIMO antenna for millimeterwave applications. In Proceedings of the 2017 Sixth Asia-Pacific Conference on Antennas and Propagation (APCAP), Xi’an, China, 16–19 October 2017; pp. 1–3. [Google Scholar]
- Pan, Y.M.; Qin, X.; Sun, Y.X.; Zheng, S.Y. A Simple Decoupling Method for 5G Millimeter-Wave MIMO Dielectric Resonator Antennas. IEEE Trans. Antennas Propag. 2019, 67, 2224–2234. [Google Scholar] [CrossRef]
- Ikram, M.; Nguyen-Trong, N.; Abbosh, A. Hybrid Antenna Using Open-Ended Slot for Integrated 4G/5G Mobile Application. IEEE Antennas Propag. Lett. 2020, 19, 710–714. [Google Scholar] [CrossRef]
- Ikram, M.; Nguyen-Trong, N.; Abbosh, A. Multiband MIMO Microwave and Millimeter Antenna System Employing Dual-Function Tapered Slot Structure. IEEE Trans. Antennas Propag. 2019, 67, 5705–5710. [Google Scholar] [CrossRef]
- Bao, X.; Ammann, M. Microstrip-fed dual-frequency annular-slot antenna loaded by split-ring-slot. IET Microw. Antennas Propag. 2009, 3, 757–764. [Google Scholar] [CrossRef] [Green Version]
- Shuppert, B. Microstrip/slotline transitions: Modeling and experimental investigation. IEEE Trans. Microw. Theory Technol. 1988, 36, 1272–1282. [Google Scholar] [CrossRef]
- Oltman, G. The Compensated Balun. IEEE Trans. Microw. Theory Technol. 1966, 14, 112–119. [Google Scholar] [CrossRef]
- Chramiec, J. Reactances of slotline short and open circuits on alumina substrate. IEEE Trans. Microw. Theory Technol. 1989, 37, 1638–1641. [Google Scholar] [CrossRef]
- Khan, M.U.; Al-Saud, W.A.A.; Sharawi, M.S. Isolation enhancement effect on the measured channel capacity of a printed MIMO antenna system. In Proceedings of the IEEE T8th European Conference on Antennas and Propagation, The Hague, The Netherlands, 6–11 April 2014; pp. 2834–2837. [Google Scholar]
- Marqu´es, R.; Mesa, F.; Martel, J.; Medina, F. Channel Capacity Measurement of a 4-Element Printed MIMO Antenna System. In Proceedings of the German Microwave Conference, Aachen, Germany, 10–12 March 2014; pp. 1–4. [Google Scholar]
- Ikram, M.; Nguyen-Trong, N.; Abbosh, A.M. Realization of a Tapered Slot Array as Both Decoupling and Radiating Structure for 4G/5G Wireless Devices. IEEE Access 2019, 7, 159112–159118. [Google Scholar] [CrossRef]
- Liu, Y.; Li, L.; Ge, L.; Wang, J.; Ai, B. A Compact Hepta-Band Mode-Composite Antenna for Sub (6, 28, and 38) GHz Applications. IEEE Trans. Antennas Propag. 2020, 68, 2593–2602. [Google Scholar] [CrossRef]
- Kumar, Y.; Gangwar, R.K.; Kanaujia, B.K. Characterization of CP Radiations in a Planar Monopole Antenna Using Tuning Fork Fractal Slot for LTE Band13/Wi-Max and Wi-Fi Applications. IEEE Access 2020, 8, 127123–127133. [Google Scholar] [CrossRef]
- Hussain, R.; Khan, M.U.; Sharawi, M.S. An Integrated Dual MIMO Antenna System with Dual-Function GND-Plane Frequency-Agile Antenna. IEEE Antennas Wirel. Propag. Lett. 2017, 17, 142–145. [Google Scholar] [CrossRef]
- Balanis, C.A. Antenna Theory: Analysis and Design; John Wiley & Sons: Hoboken, NJ, USA, 2016. [Google Scholar]
- Wong, K.-L.; Huang, C.-C.; Chen, W.-S. Printed ring slot antenna for circular polarization. IEEE Trans. Antennas Propag. 2002, 50, 75–77. [Google Scholar] [CrossRef]

















| Variable | Value (mm) | Variable | Value (mm) | Variable | Value (mm) |
|---|---|---|---|---|---|
| L | 120 | a6 | 4.3 | b5 | 0.27 |
| W | 60 | a7 | 2 | b6 | 1.1 |
| a1 | 16.3 | a8 | 0.5 | b7 | 21.94 |
| a2 | 19.36 | b1 | 70 | b8 | 18.41 |
| a3 | 13.66 | b2 | 26.42 | b9 | 13.71 |
| a4 | 10.95 | b3 | 18.95 | b10 | 10.77 |
| a5 | 12.38 | b4 | 11.48 | b11 | 70 |
| Simulated Results | Measured Results | ||||||||
|---|---|---|---|---|---|---|---|---|---|
| fs (GHz) | ρ12 | PG (dBi) | %η | DG | fm (GHz) | ρ12 | PG (dBi) | %η | DG |
| fs1 | 0.105 | 2.5 | 78 | 9.945 | fm1 | 0.113 | 2.23 | 76 | 9.936 |
| fs2 | 0.121 | 3.1 | 82 | 9.927 | fm2 | 0.105 | 2.92 | 79 | 9.945 |
| fs3 | 0.096 | 3.66 | 88 | 9.954 | fm3 | 0.099 | 3.25 | 83 | 9.950 |
| fs4 | 0.089 | 5.2 | 92 | 9.960 | fm4 | 0.091 | 4.85 | 86 | 9.958 |
| fs5 | 0.086 | 7.2 | 93 | 9.963 | fm5 | 0.095 | 6.5 | 90 | 9.959 |
| fs6 | 0.065 | 8.5 | 95 | 9.979 | fm6 | 0.014 | 8.2 | 91 | 9.999 |
| Freq (GHz) | MEG1 (XPD = 0 dB) | MEG1 (XPD = 3 dB) | MEG1 (XPD = 6 dB) |
|---|---|---|---|
| 1.5 | −5.56 | −7.34 | −9.31 |
| 1.9 | −5.32 | −7.27 | −8.71 |
| 2.7 | −5.47 | −G.69 | −8.64 |
| 3.6 | −5.47 | −6.55 | −8.42 |
| 4.2 | −5.05 | −6.47 | −8.13 |
| 28 | −4.89 | −6.38 | −7.87 |
| Ref. | Bands | # of Elements | Antenna Type | Size | Bandwidth | Peak | %η |
|---|---|---|---|---|---|---|---|
| (GHz) | sub-6, mm-Wave | (mm2) | (GHz) | Gain (dBi) | |||
| [30] | 2.45, 2.6, 5.2, 28 | 4, 1 | Monopole, slot | 1.167λ × 0.833λ | 0.4, 0.5, 4 | 4, 11 | 70, 80 |
| [31] | 2.6, 2.5, 28 | 2, 1 | monopole, slot | 1.81λ × 1.81λ | 0.45, 0.58, 5 | 4.2, 15 | 80, 85, 90 |
| [32] | 2.3–3.5, 5, 28, 38 | 1, 2 | wire &; slot | 1.69λ × 1.231λ | 1.2, 0.75, 2, 3 | 2.3, 4.2, 8, 9 | 70–80 |
| [33] | 0.8, 2, 28 | U | Monopole, Vivaldi | 0.8λ × 0.4λ | 0.2, 0.8, 1 | 4.3, 8.2 | 75–88 |
| [34] | 3.6, 28 | 1, 0 | Dipole, slot | 1.8λ × 0.6λ | 0.75, 3 | 4, 8 | 85–90 |
| [35] | 2 | 1, 1 | monopole | 0.6λ × 0.67λ | 3.2 | 3.2 | 85 |
| Prop. work | 1.5, 1.9, 2.4–2.9 | 2, 2 | slot antenna | 0.5λ × 0.35λ | 0.25, 0.5 | 2.2–8.2 | 76–91 |
Publisher’s Note: MDPI stays neutral with regard to jurisdictional claims in published maps and institutional affiliations. |
© 2022 by the authors. Licensee MDPI, Basel, Switzerland. This article is an open access article distributed under the terms and conditions of the Creative Commons Attribution (CC BY) license (https://creativecommons.org/licenses/by/4.0/).
Share and Cite
Hussain, R.; Abou-Khousa, M.; Iqbal, N.; Algarni, A.; Alhuwaimel, S.I.; Zerguine, A.; Sharawi, M.S. A Multiband Shared Aperture MIMO Antenna for Millimeter-Wave and Sub-6GHz 5G Applications. Sensors 2022, 22, 1808. https://doi.org/10.3390/s22051808
Hussain R, Abou-Khousa M, Iqbal N, Algarni A, Alhuwaimel SI, Zerguine A, Sharawi MS. A Multiband Shared Aperture MIMO Antenna for Millimeter-Wave and Sub-6GHz 5G Applications. Sensors. 2022; 22(5):1808. https://doi.org/10.3390/s22051808
Chicago/Turabian StyleHussain, Rifaqat, Mohamed Abou-Khousa, Naveed Iqbal, Abdullah Algarni, Saad I. Alhuwaimel, Azzedine Zerguine, and Mohammad S. Sharawi. 2022. "A Multiband Shared Aperture MIMO Antenna for Millimeter-Wave and Sub-6GHz 5G Applications" Sensors 22, no. 5: 1808. https://doi.org/10.3390/s22051808
APA StyleHussain, R., Abou-Khousa, M., Iqbal, N., Algarni, A., Alhuwaimel, S. I., Zerguine, A., & Sharawi, M. S. (2022). A Multiband Shared Aperture MIMO Antenna for Millimeter-Wave and Sub-6GHz 5G Applications. Sensors, 22(5), 1808. https://doi.org/10.3390/s22051808

