Fully Electrical Post-Fabrication Trimming of Resistive Sensors
Abstract
1. Introduction
2. Wheatstone Bridge Limitations
- Sensors with a single sensitive element: R1− = R2− = R2+ = R0 and R1+ = R0 + ΔR;
- Differential sensors: R1− = R2+ = R0, R1+ = R0 + ΔR and R2− = R0 − ΔR;
- Full bridge sensors: R2+ = R1+ = R0 + ΔR and R1− = R2− = R0 − ΔR.
3. Offset and Thermal Drift of Offset Compensation
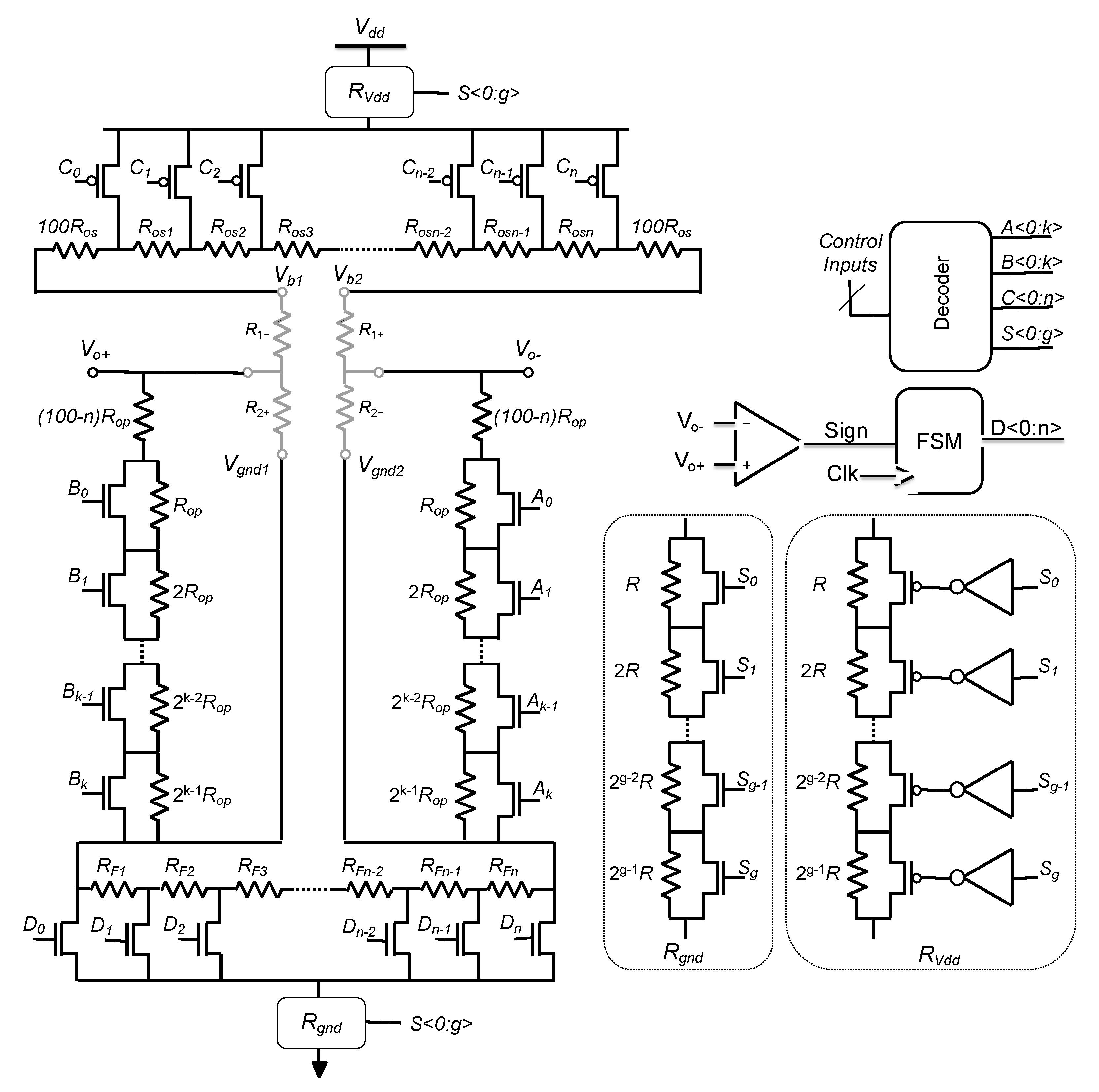
3.1. Basic Principle for Offset Compensation
- Initially, all transistors are in the on-state; differential output Vout is measured in absence of signal.
- If Vout is positive (respectively negative), a resistance must be serially added to R1− (resp. R1+). The switch controlled by C0 (resp. Cn) is opened to add Ros1 (resp. Rosn) in the path to Vdd.
- Switches are successively opened from left to right (resp. right to left) until a change of Vout sign is obtained. The configuration code that gives the best offset can then be chosen between the first before the offset sign changes and the first after the sign changes. The maximum offset is then reduced by a factor 2n, where n is the number of compensation resistors Ros.
3.2. Thermally Stable Offset Compensation Architecture
4. Automatic Fine Offset Compensation
4.1. Design of a Simple Low-Offset Comparator
4.2. Residual Offset after Fine Tuning
5. Scale Factor Adjustment
6. Experimental Results and Discussion
- Offset compensation range: ±30 mV,
- Power supply voltage: 5 V,
- Nominal resistance in the Wheatstone bridge: R0 = 5 kΩ,
- For potentiometer C, design choice consisted in implementing a rpoly2 (50 Ω/sq.) resistance nRos = 75 Ω with n = 15 and a rpolyh (1 kΩ/sq.) resistance 100Ros = 500 Ω.
- As a consequence, potentiometer A and B implements a resistance ranging from 41 kΩ up to 50 kΩ in n steps. To cancel-out effect of temperature coefficient of resistances, rpoly2 and rpolyh are also used accordingly to potentiometer C.
7. Conclusions
Author Contributions
Funding
Conflicts of Interest
References
- Boujamaa, E.M.; Mailly, F.; Latorre, L.; Nouet, P. Improvement of Power Supply Rejection Ratio in Wheatstone-bridge based piezoresistive MEMS. Analog. Integr. Circ. Sig. Process. 2012, 71, 1–9. [Google Scholar] [CrossRef]
- Bryzek, J.; Mayer, R.; Barth, P. Disposable Blood Pressure Sensors with Digital On-Chop Laser Trimming; IEEE Technical Digest on Solid-State Sensor and Actuator Workshop: Hilton Head Island, SC, USA, 1988; pp. 121–122. [Google Scholar] [CrossRef]
- Singh, R.; Audet, Y.; Gagnon, Y.; Savaria, Y.; Boulais, É.; Meunier, M. A Laser-Trimmed Rail-to-Rail Precision CMOS Operational Amplifier. IEEE Trans. Circuits Syst. II Express Briefs 2011, 58, 75–79. [Google Scholar] [CrossRef]
- Birkett, M.; Penlington, R. Laser Trimming of CuAlMo Thin-Film Resistors:Effect of Laser Processing Parameters. J. Electron. Mater. 2012, 41, 2169. [Google Scholar] [CrossRef]
- Sandborn, P.; Sandborn, P.A. A Random Trimming Approach for Obtaining High-Precision Embedded Resistors. IEEE Trans. Adv. Packag. 2008, 31, 76–81. [Google Scholar] [CrossRef]
- Koay, K.C.; Chan, P.K. A Low Energy-Noise 65nm CMOS Switched-Capacitor Resistive-Bridge Sensor Interface. IEEE Trans. Circuits Syst. I Regul. Pap. 2017, 64, 799–810. [Google Scholar] [CrossRef]
- Nagarajan, P.R.; George, B.; Kumar, V.J. A Linearizing Digitizer for Wheatstone Bridge Based Signal Conditioning of Resistive Sensors. IEEE Sens. J. 2017, 17, 1696–1705. [Google Scholar] [CrossRef]
- Ahmed, M.; Boussaid, F.; Bermak, A. An ultra low-power capacitively-coupled chopper instrumentation amplifier for wheatstone-bridge readout circuits. In Proceedings of the 2017 IEEE International Symposium on Circuits and Systems (ISCAS), Baltimore, MD, USA, 28–31 May 2017; pp. 1–4. [Google Scholar] [CrossRef]
- Pandiev, I.M. Analysis and Behavioral Modeling of Monolithic Digital Potentiometers. IEEE Trans. Ind. Appl. 2018, 54, 416–425. [Google Scholar] [CrossRef]
- Boujamaa, E.M.; Alandry, B.; Hacine, S.; Latorre, L.; Mailly, F.; Nouet, P. A low power interface circuit for resistive sensors with digital offset compensation. In Proceedings of the 2010 IEEE International Symposium on Circuits and Systems, Paris, France, 30 May–2 June 2010; pp. 3092–3095. [Google Scholar] [CrossRef][Green Version]
- Leinonen, M.; Juuti, J.; Jantunen, H. Interface circuit for resistive sensors utilizing digital potentiometers. Sensors Actuators A Phys. 2007, 138, 97–104. [Google Scholar] [CrossRef]
- Shankhour, I.; Mohdad, J.; Mailly, F.; Nouet, P. Post-fabrication soft trimming of resistive sensors. In Proceedings of the 2018 Symposium on Design, Test, Integration & Packaging of MEMS and MOEMS (DTIP), Roma, Italy, 22–25 May 2018; pp. 1–4. [Google Scholar] [CrossRef]
- Available online: https://www.chipestimate.com/Using-Antifuse-1T-OTP-for-Analog-Trimming-and-Calibration/Sidense-a-part-of-Synopsys/Technical-Article/2011/09/27 (accessed on 23 October 2021).
- Park, S.-K.; Choi, K.-I.; Kim, N.-Y.; Kim, J.-H.; Kwon, Y.-J.; Ko, K.-S.; Cho, I.-W.; Yoo, K.-D. Single-Poly Embedded NVM Solution for Analog Trimming and Code Storage Applications. In Proceedings of the 2015 IEEE International Memory Workshop (IMW), Monterey, CA, USA, 17–20 May 2015; pp. 1–4. [Google Scholar]
- Alhalabi, R.; Di Pendina, G.; Prejbeanu, I.; Nowak, E. High speed and high-area efficiency non-volatile look-up table design based on magnetic tunnel junction. In Proceedings of the 2017 17th Non-Volatile Memory Technology Symposium (NVMTS), Aachen, Germany, 30 August–1 September 2017; pp. 1–4. [Google Scholar]
- Yao, Z.; Liang, T.; Jia, P.; Hong, Y.; Qi, L.; Lei, C.; Zhang, B.; Li, W.; Zhang, D.; Xiong, J. Passive Resistor Temperature Compensation for a High-Temperature Piezoresistive Pressure Sensor. Sensors 2016, 16, 1142. [Google Scholar] [CrossRef] [PubMed]
- Enz, C.C.; Temes, G.C. Circuit techniques for reducing the effects of op-amp imperfections: Autozeroing, correlated double sampling, and chopper stabilization. Proc. IEEE 1996, 84, 1584–1614. [Google Scholar] [CrossRef]
















| Monte-Carlo Simulation Results | ||||
|---|---|---|---|---|
| Min | Max | Mean | Std-dev | |
| Offset (mV) | −1.55 | 1.35 | 0.080 | 0.766 |
| PSSR (dB) | 70.5 | 118 | n.a. | n.a. |
| Performance/Inserted Modules | Bare WB | CTO (4 Bits) | TDR (4 Bits) | FTO (4 Bits) | SFA (5 Bits) |
|---|---|---|---|---|---|
| Offset (σ, mV) | 5.65 | 0.766 | 0.766 | 0.179 | 0.179 |
| PSSR (min, dB) | 48 | 70 | 70 | 78 | 78 |
| Temp. drift of offset (max, mV) | 0 | 6.5 | 0.68 | 0.7 | 0.56 |
| Scale Factor (Vout @ 1%, mV) | 50.0 | 48.6 | 43.7 | 43.0 | 40.0 |
| Scale Factor uncertainty (σ, %) | 3.3 | 3.3 | 3.3 | 3.3 | 0.3 |
Publisher’s Note: MDPI stays neutral with regard to jurisdictional claims in published maps and institutional affiliations. |
© 2022 by the authors. Licensee MDPI, Basel, Switzerland. This article is an open access article distributed under the terms and conditions of the Creative Commons Attribution (CC BY) license (https://creativecommons.org/licenses/by/4.0/).
Share and Cite
Shankhour, I.; Mohdad, J.; Mailly, F.; Nouet, P. Fully Electrical Post-Fabrication Trimming of Resistive Sensors. Sensors 2022, 22, 767. https://doi.org/10.3390/s22030767
Shankhour I, Mohdad J, Mailly F, Nouet P. Fully Electrical Post-Fabrication Trimming of Resistive Sensors. Sensors. 2022; 22(3):767. https://doi.org/10.3390/s22030767
Chicago/Turabian StyleShankhour, Ibrahim, Jad Mohdad, Frédérick Mailly, and Pascal Nouet. 2022. "Fully Electrical Post-Fabrication Trimming of Resistive Sensors" Sensors 22, no. 3: 767. https://doi.org/10.3390/s22030767
APA StyleShankhour, I., Mohdad, J., Mailly, F., & Nouet, P. (2022). Fully Electrical Post-Fabrication Trimming of Resistive Sensors. Sensors, 22(3), 767. https://doi.org/10.3390/s22030767

