A Real-Time Zanthoxylum Target Detection Method for an Intelligent Picking Robot under a Complex Background, Based on an Improved YOLOv5s Architecture
Abstract
:1. Introduction
- (1)
- As Zanthoxylum is a multicluster fruit with strong randomness of growth direction, we adopted the deep learning method in computer vision, which is not often tried in multicluster fruit. A set of complete detection algorithms was established, which provided a method for picking robots to identify and detect fruit in forest gardens.
- (2)
- Considering the multicluster nature of Zanthoxylum fruit, a detection module with the addition of the FReLU activation function was adopted to effectively improve the efficiency and accuracy of fruit recognition. By changing the CSP module in the backbone, a lightweight Specter module was proposed to accelerate the convergence speed of the training network and reduce the impact on the scale loss.
- (3)
- In consistent environmental tests, the real-time detection of several classical target detection networks of Zanthoxylum fruit on the running platform of the robot, an NVIDIA Jetson TX2, was compared and analyzed. Based on YOLOv5, the feature extraction and multiscale detection of the network were enhanced and the training parameters were reduced. Good results were achieved in the Zanthoxylum fruit dataset.
2. Materials and Methods
2.1. Zanthoxylum Fruit Image Collection
2.1.1. Material and Image Data Collection
2.1.2. Image Preprocessing
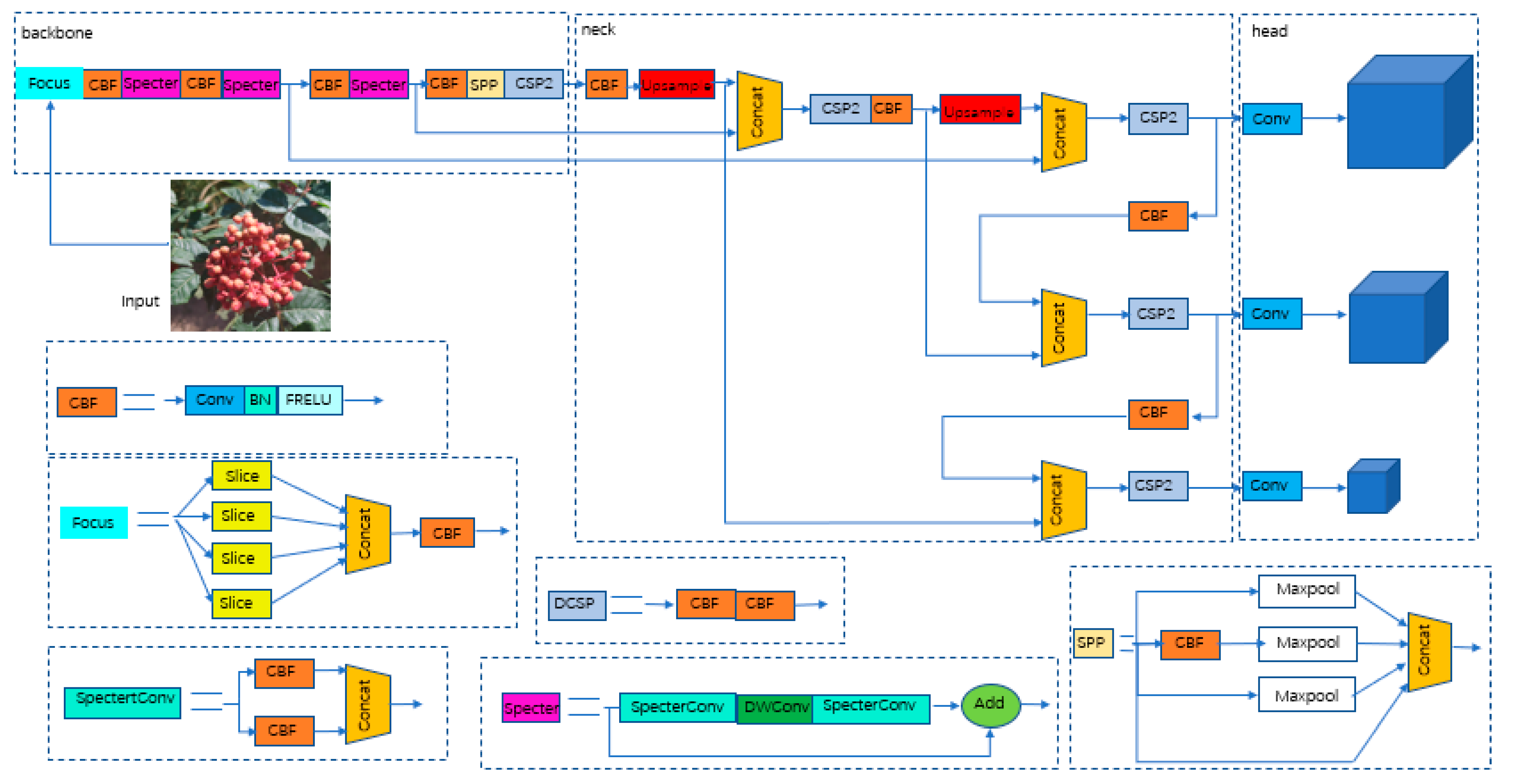
2.2. Improvement of YOLOv5s Network Architecture
2.2.1. YOLOv5
2.2.2. Improvement of Backbone Network
2.3. Network Training
2.3.1. Platforms
2.3.2. Training Results
3. Experimentation and Results
3.1. Model Evaluation Index
3.2. Experimental Results
3.3. Comparison of the Recognition Results of Different Target Detection Algorithms
4. Conclusions
Author Contributions
Funding
Institutional Review Board Statement
Informed Consent Statement
Data Availability Statement
Conflicts of Interest
References
- Padilla, R.; Netto, S.L.; da Silva, E.A.B. A Survey on Performance Metrics for Object-Detection Algorithms. In Proceedings of the 2020 International Conference on Systems, Signals and Image Processing, Niteroi, Brazil, 1–3 July 2020; pp. 237–242. [Google Scholar]
- Chen, J.; Li, Y.; Zhao, J. X-ray of Tire Defects Detection via Modified Faster R-CNN. In Proceedings of the 2019 2nd International Conference on Safety Produce Informatization, Chongqing, China, 28–30 November 2019; pp. 257–260. [Google Scholar]
- Girshick, R.; Donahue, J.; Darrell, T.; Malik, J. Rich feature hierarchies for accurate object detection and semantic segmentation. In Proceedings of the 2014 Conference on Computer Vision and Pattern Recognition, Columbus, OH, USA, 23–28 June 2014; pp. 580–587. [Google Scholar]
- Ghosh, I.K.; Chaudhuri, T.D. FEB-Stacking and FEB-DNN Models for Stock Trend Prediction: A Performance Analysis for Pre and Post COVID-19 Periods. Appl. Manag. Eng. 2021, 4, 51–84. [Google Scholar] [CrossRef]
- Malinda, M.; Chen, J. The forecasting of consumer exchange-traded funds (ETFs) via grey relational analysis (GRA) and artificial neural network (ANN). Empir. Econ. 2021. [Google Scholar] [CrossRef]
- Zheng, D.; Li, L.; Zheng, S.; Chai, X.; Zhao, S.; Tong, Q.; Wang, J.; Guo, L.; Zhang, N. A Defect Detection Method for Rail Surface and Fasteners Based on Deep Convolutional Neural Network. Comput. Intel. Neurosc. 2021, 2021, 23–28. [Google Scholar] [CrossRef]
- Wan, H.; Gao, L.; Su, M.; You, Q.; Qu, H.; Aleixandre, M. A Novel Neural Network Model for Traffic Sign Detection and Recognition under Extreme Conditions. J. Sens. 2021, 2021, 1155. [Google Scholar] [CrossRef]
- Tang, G.; Zhuge, Y.; Claramunt, C.; Men, S. N-YOLO: A SAR Ship Detection Using Noise-Classifying and Complete-Target Extraction. Remote Sens. 2021, 13, 871. [Google Scholar] [CrossRef]
- Wang, B.; Huang, F. A Lightweight Deep Network for Defect Detection of Insert Molding Based on X-ray Imaging. Sensors 2021, 21, 5612. [Google Scholar] [CrossRef] [PubMed]
- Liu, Y.; Qiao, J.; Han, T.; Li, L.; Xu, T. A 3D Image Reconstruction Model for Long Tunnel Geological Estimation. J. Adv. Transp. 2020, 2020, 8846955. [Google Scholar] [CrossRef]
- Kerkech, M.; Hafiane, A.; Canals, R. VddNet: Vine disease detection network based on multispectral images and depth map. Remote Sens. 2020, 12, 3305. [Google Scholar] [CrossRef]
- Afzaal, H.; Farooque, A.A.; Schumann, A.W.; Hussain, N.; McKenzie-Gopsill, A.; Esau, T.; Abbas, F.; Acharya, B. Detection of a potato disease (early blight) using artificial intelligence. Remote Sens. 2021, 13, 411. [Google Scholar] [CrossRef]
- Ji, W.; Zhao, D.; Cheng, F.; Xu, B.; Zhang, Y.; Wang, J. Automatic recognition vision system guided for apple harvesting robot. Comput. Electr. Eng. 2012, 38, 1186–1195. [Google Scholar] [CrossRef]
- Wei, X.; Jia, K.; Lan, J.; Li, Y.; Zeng, Y.; Wang, C. Automatic method of fruit object extraction under complex agricultural background for vision system of fruit picking robot. Optik 2014, 125, 5684–5689. [Google Scholar] [CrossRef]
- Yao, J.; Qi, J.; Zhang, J.; Shao, H.; Yang, J.; Li, X. A Real-Time Detection Algorithm for Kiwifruit Defects Based on YOLOv5. Electronics 2021, 10, 1711. [Google Scholar] [CrossRef]
- Yan, B.; Fan, P.; Lei, X.; Liu, Z.; Yang, F. A Real-Time Apple Targets Detection Method for Picking Robot Based on Improved YOLOv5. Remote Sens. 2021, 13, 1619. [Google Scholar] [CrossRef]
- Yang, Y.; Zhang, K.; Liu, H.; Zhang, D. Real-Time Visual Localization of the Picking Points for a Ridge-Planting Strawberry Harvesting Robot. IEEE Access 2020, 10, 116556–116568. [Google Scholar]
- Cai, Z.; Vasconcelos, N. Cascade R-CNN: High Quality Object Detection and Instance Segmentation. IEEE Trans. Pattern Anal. Mach. Intell. 2021, 43, 1483–1498. [Google Scholar] [CrossRef] [Green Version]
- Yan, N.; Zhou, T.; Gu, C.; Jiang, A.; Lu, W. Instance Segmentation Model for Substation Equipment Based on Mask R-CNN * 2020. In Proceedings of the 2020 International Conference on Electrical Engineering and Control Technologies, Melbourne, VIC, Australia, 10–13 December 2020; pp. 1–7. [Google Scholar]
- Zhang, H.; Liang, H.; Ni, T.; Huang, L.; Yang, J. Research on Multi-Object Sorting System Based on Deep Learning. Sensors 2021, 21, 6238. [Google Scholar] [CrossRef] [PubMed]
- He, K.; Zhang, X.; Ren, S.; Sun, J. Spatial pyramid pooling in deep convolutional networks for visual recognition. IEEE T Pattern Anal. 2014, 1904–1916. [Google Scholar]
- Ismail, A.; Elpeltagy, M.; Zaki, M.S.; Eldahshan, K.A. A New Deep Learning-Based Methodology for Video Deepfake Detection Using XGBoost. Sensors 2021, 21, 5413. [Google Scholar] [CrossRef]
- Takahashi, Y.; Gu, Y.; Nakada, T.; Abe, R.; Nakaguchi, T. Estimation of Respiratory Rate from Thermography Using Respiratory Likelihood Index. Sensors 2021, 21, 4406. [Google Scholar] [CrossRef]
- Redmon, J.; Farhadi, A. YOLO9000: Better, faster, stronger. In Proceedings of the 2017 IEEE Conference on Computer Vision and Pattern Recognition, Honolulu, HI, USA, 21–26 July 2017; pp. 6517–6525. [Google Scholar]
- Liu, H.; Chen, C.; Tsai, Y.; Hsieh, K.; Lin, H. Identifying Images of Dead Chickens with a Chicken Removal System Integrated with a Deep Learning Algorithm. Sensors 2021, 21, 3579. [Google Scholar] [CrossRef]
- Liu, W.; Anguelov, D.; Erhan, D.; Szegedy, C.; Reed, S.; Fu, C.Y.; Berg, A.C. SSD: Single shot multibox detector. In Proceedings of the Computer Vision—ECCV 2016, Lecture Notes in Computer Science, Amsterdam, The Netherlands, 11–14 October 2016; Springer: Cham, Switzerland, 2016; pp. 21–37. [Google Scholar]
- Su, Y.; Yan, P. A defect detection method of gear end-face based on modified YOLO-V3. In Proceedings of the 2020 10th Institute of Electrical and Electronics Engineers International Conference on Cyber Technology in Automation, Control, and Intelligent Systems, Xi’an, China, 10–13 October 2020; pp. 283–288. [Google Scholar]
- Redmon, J.; Farhadi, A. Yolov3: An incremental improvement. arXiv 2018, arXiv:1804.02767. [Google Scholar]
- Liu, G.; Nouaze, J.C.; Mbouembe, P.L.; Kim, J.H. YOLO-Tomato: A Robust Algorithm for Tomato Detection Based on YOLOv3. Sensors 2021, 20, 2145. [Google Scholar] [CrossRef] [PubMed] [Green Version]
- Wu, D.; Wu, Q.; Yin, X.; Jiang, B.; Wang, H.; He, D.; Song, H. Lameness detection of dairy cows based on the YOLOv3 deep learning algorithm and a relative step size characteristic vector. Biosyst. Eng. 2020, 189, 150–163. [Google Scholar] [CrossRef]
- Zhao, L.; Li, S. Object Detection Algorithm Based on Improved YOLOv3. Electronics 2020, 9, 537. [Google Scholar] [CrossRef] [Green Version]
- Bochkovskiy, A.; Wang, C.Y.; Liao, H.Y.M. YOLOv4: Optimal Speed and Accuracy of Object Detection. arXiv 2020, arXiv:2004.10934. [Google Scholar]
- Rahman, E.U.; Zhang, Y.; Ahmad, S.; Ahmad, H.I.; Jobaer, S. Autonomous Vision-Based Primary Distribution Systems Porcelain Insulators Inspection Using UAVs. Sensors 2021, 21, 974. [Google Scholar] [CrossRef]
- Spyridis, Y.; Lagkas, T.D.; Sarigiannidis, P.G.; Argyriou, V.; Sarigiannidis, A.; Eleftherakis, G.; Zhang, J. Towards 6G IoT: Tracing Mobile Sensor Nodes with Deep Learning Clustering in UAV Networks. Sensors 2021, 21, 3936. [Google Scholar] [CrossRef]
- Famiglietti, N.A.; Cecere, G.; Grasso, C.; Memmolo, A.; Vicari, A. A Test on the Potential of a Low Cost Unmanned Aerial Vehicle RTK/PPK Solution for Precision Positioning. Sensors 2021, 21, 3882. [Google Scholar] [CrossRef] [PubMed]
- Dufour, D.; Noc, L.L.; Tremblay, B.; Tremblay, M.; Généreux, F.; Terroux, M.; Vachon, C.; Wheatley, M.J.; Johnston, J.M.; Wotton, M.; et al. A Bi-Spectral Microbolometer Sensor for Wildfire Measurement. Sensors 2021, 21, 3690. [Google Scholar] [CrossRef]
- Ma, N.; Zhang, X.; Sun, J. Funnel Activation for Visual Recognition. arXiv 2007, arXiv:2007.11824. [Google Scholar]
















| Conditions | Morning | Afternoon | ||
|---|---|---|---|---|
| Frontlighting | Backlighting | Frontlighting | Backlighting | |
| Number of images | 195 | 186 | 225 | 194 |
| Graspable Zanthoxylum | 588 | 564 | 563 | 285 |
| Ungraspable Zanthoxylum | 547 | 634 | 535 | 329 |
| Object Detection Networks | mAP (%) | Average Detection Speed (s/pic) | Average Detection Speed of TX2 (s/pic) | Average GPU Load on TX2(%) | Average Detection FPS of TX2 | Model Size (MB) |
|---|---|---|---|---|---|---|
| YOLOv3-TINY | 73.4 | 0.030 | 0.114 | 38.72 | 35.13 | 33.7 |
| YOLOv4-TINY | 82.3 | 0.017 | 0.153 | 27.98 | 22.45 | 23.1 |
| YOLOv5s | 90.7 | 0.015 | 0.097 | 24.25 | 28.62 | 14.4 |
| Our network | 94.5 | 0.012 | 0.072 | 20.11 | 33.23 | 14.0 |
Publisher’s Note: MDPI stays neutral with regard to jurisdictional claims in published maps and institutional affiliations. |
© 2022 by the authors. Licensee MDPI, Basel, Switzerland. This article is an open access article distributed under the terms and conditions of the Creative Commons Attribution (CC BY) license (https://creativecommons.org/licenses/by/4.0/).
Share and Cite
Xu, Z.; Huang, X.; Huang, Y.; Sun, H.; Wan, F. A Real-Time Zanthoxylum Target Detection Method for an Intelligent Picking Robot under a Complex Background, Based on an Improved YOLOv5s Architecture. Sensors 2022, 22, 682. https://doi.org/10.3390/s22020682
Xu Z, Huang X, Huang Y, Sun H, Wan F. A Real-Time Zanthoxylum Target Detection Method for an Intelligent Picking Robot under a Complex Background, Based on an Improved YOLOv5s Architecture. Sensors. 2022; 22(2):682. https://doi.org/10.3390/s22020682
Chicago/Turabian StyleXu, Zhibo, Xiaopeng Huang, Yuan Huang, Haobo Sun, and Fangxin Wan. 2022. "A Real-Time Zanthoxylum Target Detection Method for an Intelligent Picking Robot under a Complex Background, Based on an Improved YOLOv5s Architecture" Sensors 22, no. 2: 682. https://doi.org/10.3390/s22020682
APA StyleXu, Z., Huang, X., Huang, Y., Sun, H., & Wan, F. (2022). A Real-Time Zanthoxylum Target Detection Method for an Intelligent Picking Robot under a Complex Background, Based on an Improved YOLOv5s Architecture. Sensors, 22(2), 682. https://doi.org/10.3390/s22020682

