A Micropowered Chemoresistive Sensor Based on a Thin Alumina Nanoporous Membrane and SnxBikMoyOz Nanocomposite
Abstract
:1. Introduction
2. Materials and Methods
2.1. Fabrication of Anodic Alumina Substrates with Thin Membranes
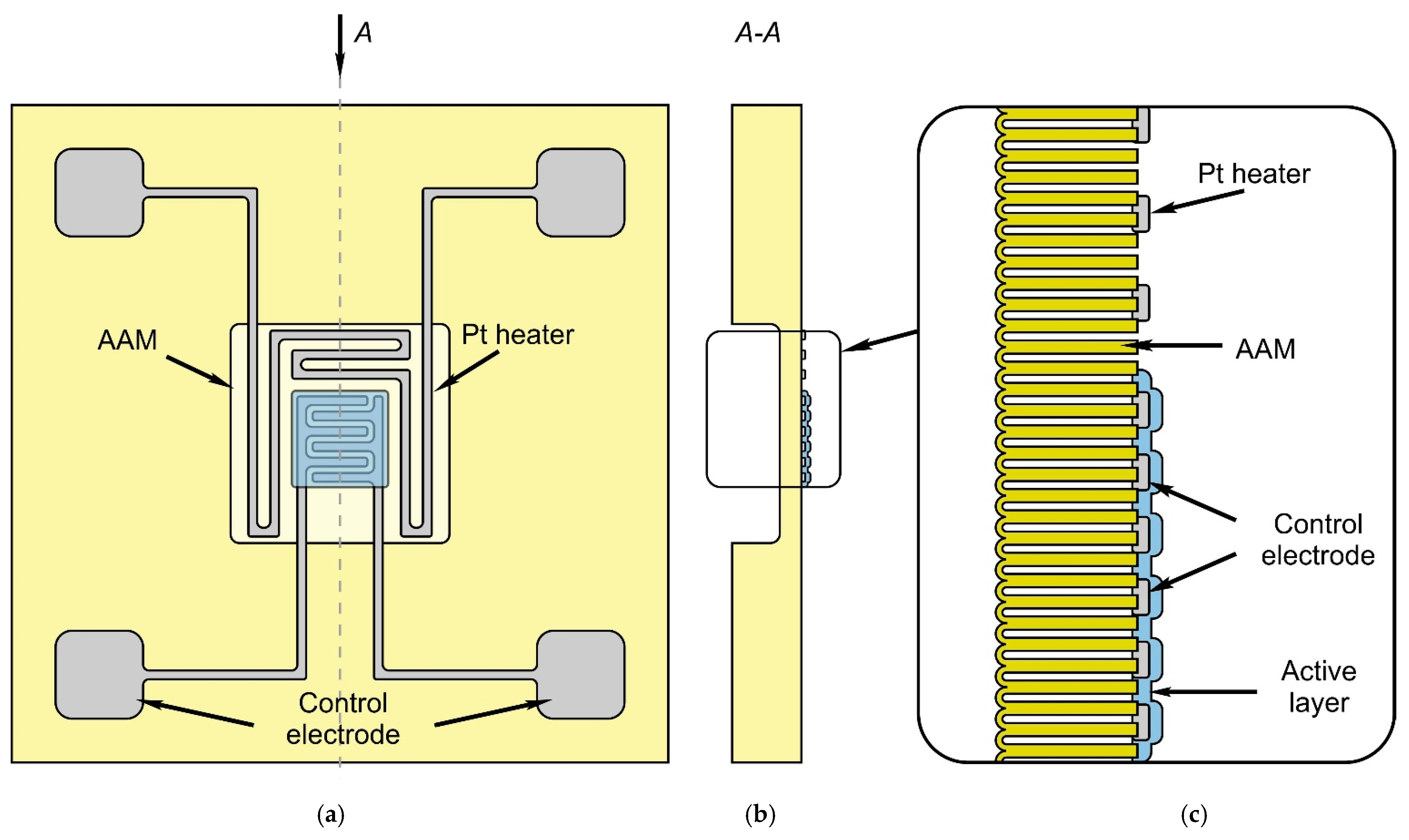
2.2. Development of Gas Sensor Design on the Thin Membrane in the Anodic Alumina Substrate
2.3. Fabrication of Gas Sensors on the Thin Membranes in the Anodic Alumina Substrate
2.4. Methods for Studying the Microstructure, Composition, and Properties of Thin-Film Systems
3. Research and Discussion
3.1. Electron Microscopic Studies of Profiled Anodic Alumina Substrates
3.2. Study of Multicomponent Gas-Sensitive Layers of Sensor on Nanoporous Substrate
3.3. Investigation of the Thermomechanical Characteristics of Chemoresistive Sensors on a Nanoporous Anodic Alumina Membrane
3.4. Measurements of the Electrophysical Parameters of Sensor Based on Nanoporous Substrate
4. Conclusions
Author Contributions
Funding
Institutional Review Board Statement
Informed Consent Statement
Data Availability Statement
Conflicts of Interest
References
- Donges, J.; Lucht, W.; Müller-Hansen, F.; Steffen, W. The technosphere in Earth System analysis: A coevolutionary perspective. Anthr. Rev. 2017, 4, 23–33. [Google Scholar] [CrossRef] [Green Version]
- Fleming, W.J. New Automotive Sensors—A Review. IEEE Sens. J. 2008, 8, 1900–1921. [Google Scholar] [CrossRef]
- Korotcenkov, G. Handbook of Gas Sensor Materials: Properties, Advantages and Shortcomings for Applications Volume 2: New Trends and Technologies; Springer: New York, NY, USA, 2014; 454p. [Google Scholar]
- Sharma, S.; Madou, M. A new approach to gas sensing with nanotechnology. Phil. Trans. R. Soc. A 2012, 370, 2448–2473. [Google Scholar] [CrossRef] [PubMed]
- Karthikeyan, S.; Pandya, H.M.; Sharma, M.U.; Gopal, K. Gas Sensors—A Review. J. Environ Nanotechnol. 2015, 4, 1–14. [Google Scholar] [CrossRef]
- Fraden, J. Handbook of Modern Sensors: Physics, Designs, and Applications, 3rd ed.; Springer: New York, NY, USA, 2014; p. 589. ISBN 0-387-00750-4. [Google Scholar]
- Korotcenkov, G. Metal oxides for solid-state gas sensors: What determines our choice. Mater. Sci. Eng. B 2007, 139, 1–23. [Google Scholar] [CrossRef]
- Shaposhnik, A.V.; Shaposhnik, D.A.; Turishchev, S.Y.; Chuvenkova, O.A.; Ryabtsev, S.V.; Alexey, A.; Vasiliev, A.A.; Vilanova, X.; Hernandez-Ramirez, F.; Joan, R.; et al. Gas sensing properties of individual SnO2 nanowires and SnO2 sol–gel nanocomposites. Beilstein J. Nanotechnol. 2019, 10, 1380–1390. [Google Scholar] [CrossRef] [Green Version]
- Korotcenkov, G. Gas response control through structural and chemical modification of metal oxide films: State of the art and approaches. Sens. Actuators B Chem. 2005, 107, 209–232. [Google Scholar] [CrossRef]
- Mondal, B.; Basumatari, B.; Das, J.; Roychaudhury, C.; Saha, H.; Mukherjee, N. ZnO–SnO2 based composite type gas sensor for selective hydrogen sensing. Sens. Actuators B 2014, 194, 389–396. [Google Scholar] [CrossRef]
- Cabot, A.; Dieguez, A.; Romano-Rodriguez, A.; Morante, J.R.; Barsan, N. Influence of the catalytic introduction procedure on the gas sensor performances nano-SnO2. Sens. Actuators B 2001, 79, 98–106. [Google Scholar] [CrossRef]
- Shtykov, S.; Rusanova, T. Nanomaterials and Nanotechnologies in Chemical and Biochemical Sensors: Capabilities and Applications. Russ. J. Gen. Chem. 2008, 78, 2521–2531. [Google Scholar] [CrossRef]
- Gu, H.; Wang, Z.; Hu, Y. Hydrogen gas sensors based on semiconductor oxide nanostructures. Sensors 2012, 12, 5517–5550. [Google Scholar] [CrossRef] [Green Version]
- Vasilev, A.; Gogish-Klushin, O.; Gogish-Klushina, S.; Haritonov, D. Izmeritelnye elementy gazovyh datchikov na osnove tonkih membran iz nanokristallicheskogo oksida alyuminiya. Datchiki I Sist. 2006, 10, 4–9. [Google Scholar]
- John, R.A.B.; Kumar, A.R. A review on resistive-based gas sensors for the detection of volatile organic compounds using metal-oxide nanostructures. Inorg. Chem. Commun. 2021, 133, 108893. [Google Scholar] [CrossRef]
- Mhajan, S.; Jagtap, S. Nanomaterials-Based Resistive Sensors for Detection of Environmentally Hazardous H2S Gas. J. Electron. Mater. 2021, 50, 2531–2555. [Google Scholar] [CrossRef]
- Yin, X.-T.; Lv, P.; Li, J. Study on simultaneous detection of CO and H2 with (Pd, Fe)-modified SnO2 and Pt-loaded SnO2 sensors. J. Mater. Sci. Mater. Electron. 2018, 29, 18935–18940. [Google Scholar] [CrossRef]
- Shaposhnik, A.V.; Moskalev, P.V.; Chegereva, K.L.; Zviagin, A.A.; Vasiliev, A.A. Selective gas detection of H2 and CO by a single MOX-sensor. Sens. Actuators B Chem. 2021, 334, 129376. [Google Scholar] [CrossRef]
- Moon, S.E.; Choi, N.J.; Lee, H.K.; Lee, J.; Yang, W.S. Semiconductor-type MEMS gas sensor for real-time environmental monitoring applications. ETRI J. 2013, 35, 617–624. [Google Scholar] [CrossRef]
- Dey, A. Semiconductor metal oxide gas sensors: A review. Mater. Sci. Eng. B 2018, 229, 206–217. [Google Scholar] [CrossRef]
- Vasilev, A.A. Very low power semiconductor sensors based on thin dielectric membranes. Mikrosist. Tekhnika 2004, 10, 7–12. [Google Scholar]
- Stankova, M.; Vilanova, X.; Calderer, J.; Llobet, E.; Brezmes, J.; Gracia, I.; Cane, C.; Correig, X. Sensitivity and selectivity improvement of rf sputtered WO3 microhotplate gas sensors. Sens. Actuators B 2006, 113, 241–248. [Google Scholar] [CrossRef]
- Belahurau, Y.A.; Khatko, V.V.; Gorokh, G.G.; Zakhlebayeva, A.I.; Reutskaya, O.G.; Taratyn, I.A. Low-power gas sensor on nanostructured dielectric membrane. J. Nano Microsyst. Tech. 2015, 6, 34–42. [Google Scholar]
- Lakkis, S.; Younes, R.; Alayli, Y.; Sawan, M. Review of recent trends in gas sensing technologies and their miniaturization potential. Sens. Rev. 2014, 34, 24–35. [Google Scholar] [CrossRef]
- Hwang, W.J.; Shin, K.S.; Roh, J.H.; Lee, D.S.; Choa, S.H. Development of Micro-Heaters with Optimized Temperature Compensation Design for Gas Sensors. Sensors 2011, 11, 2580–2591. [Google Scholar] [CrossRef] [PubMed] [Green Version]
- Vasiliev, A.A.; Lipilin, A.S.; Mozalev, A.M.; Pisliakov, A.V.; Zaretskiy, N.P.; Samotaev, N.N.; Sokolov, A.V.; Soloviev, S.A. Gas Sensor MEMS Platform for Harsh Conditions. In Proceedings of the 14th International Meeting on Chemical Sensors IMCS-2012, Nuremberg, Germany, 20–23 May 2012; pp. 164–167. [Google Scholar]
- Vasilev, A.A.; Gogish-Klushin, S.Y.; Haritonov, D.Y.; Pevgov, V.G.; Pislyakov, A.V. Novyj podhod k mikromashinnoj tekhnologii izgotovleniya sensorov: Mikroelektronnye chipy s tonkoj membranoj iz oksida alyuminiya. Sensor 2002, 3, 23–29. [Google Scholar]
- Gorokh, G.G.; Zakhlebayeva, A.I.; Belahurau, Y.E.A.; Khatko, V.V.; Taratyn, I.A. Chemical gas sensors on the nanoporous anodic alumina substrate. J. Nano Microsyst. Technol. 2014, 9, 45–51. [Google Scholar]
- Belahurau, Y.A.; Gorokh, G.G.; Taratyn, I.A.; Khatko, V.V. Sensitive element of ring gyroscope based on nanoporous anodic alumina. J. Nano Microsyst. Tech. 2013, 7, 16–19. [Google Scholar]
- Gorokh, G.; Zakhlebaeva, A.; Khatko, V.; Belahurau, Y.; Taratyn, I. Nanoporous alumina substrates for low-power chemical sensors. In Physics, Chemistry and Application of Nanostructures: Reviews and Short Notes; Borisenko, V.E., Ed.; World Scientific: Singapore, 2013; pp. 614–617. [Google Scholar]
- Khatko, V.; Mozalev, A.; Gorokh, G.; Solovei, D.; Guirado, F.; Llobet, E.; Correig, X. Evolution of Surface Morphology and Crystal Texture of WO3 Layers Sputtered onto Si-supported Nanoporous Alumina Templates. J. Electrochem. Soc. 2008, 155, 116–123. [Google Scholar] [CrossRef]
- Mozalev, A.; Khatko, V.; Bittencourt, C.; Hassel, A.W.; Gorokh, G.; Llobet, E.; Correig, X. Nanostructured Columnlike Tungsten Oxide Film by Anodizing Al/W/Ti Layers on Si. Chem. Mater. 2008, 20, 6482–6493. [Google Scholar] [CrossRef]
- Gorokh, G.; Mozalev, A.; Solovei, D.; Khatko, V.; Llobet, E.; Correig, X. Anodic formation of low-aspect-ratio porous alumina films for metal-oxide sensor application. Electrochim. Acta. 2006, 52, 1771–1780. [Google Scholar] [CrossRef]
- Khatko, V.; Gorokh, G.; Mozalev, A.; Solovei, D.; Llobet, E.; Vilanova, X.; Correig, X. Tungsten trioxide sensing layers on highly ordered nanoporous alumina template. Sens. Actuators B Chem. 2006, 118, 255–262. [Google Scholar] [CrossRef]
- Gorokh, G.; Mozalev, A.; Solovei, D.; Surganov, A.; Khatko, V.; Llobet, E.; Correig, X. The formation of nanoporous alumina films with tungsten trioxide sensing layers. In Physics, Chemistry and Application of Nanostructures, Reviews and Short Notes; Borisenko, V.E., Ed.; World Scientific: Singapore, 2005; pp. 591–594. [Google Scholar]
- Calavia, R.; Mozalev, A.; Kahtko, V.; Gorokh, G.; Vilanova, X.; Correig, X.; Llobet, E. AH2 microsensor based on nanocolumnar tungsten oxide grown by template-assisted anodization. In Proceedings of the TRANSDUCERS 2009—2009 International Solid-State Sensors, Actuators and Microsystems Conference, Denver, CO, USA, 21–25 June 2009; pp. 1313–1316. [Google Scholar]
- Gulina, L.B.; Tolstoy, V.P. The synthesis by successive ionic layer deposition of SnMo0.6Oy·nH2O nanolayers on silica. Thin Solid Film. 2003, 1–2, 74–77. [Google Scholar] [CrossRef]
- Roslyakov, I.V.; Napolskii, K.S.; Stolyarov, V.S.; Karpov, E.E.; Ivashev, A.V.; Surtaev, V.N. A Thin-Film Platform for Chemical Gas Sensors. Russ Microelectron. 2018, 47, 226–233. [Google Scholar] [CrossRef]
- Kalinin, I.A.; Roslyakov, I.V.; Tsymbarenko, D.M.; Bograchev, D.A.; Krivetskiy, V.V.; Napolskii, K.S. Microhotplates based on Pt and Pt-Rh films: The impact of composition, structure, and thermal treatment on functional properties. Sens. Actuators A Phys. 2021, 317, 112457. [Google Scholar] [CrossRef]
- Roslyakov, I.V.; Kolesnik, I.V.; Evdokimov, P.V.; Skryabina, O.V.; Garshev, A.V.; Mironov, S.M.; Stolyarov, V.S.; Baranchikov, A.E.; Napolskii, K.S. Microhotplate catalytic sensors based on porous anodic alumina: Operando study of methane response hysteresis. Sens. Actuators B Chem. 2021, 330, 129307. [Google Scholar] [CrossRef]
- Xia, Z.; Riester, L.; Sheldon, B.W.; Curtin, W.A.; Liang, J.; Yin, A.; Xu, J.M. Mechanical properties of highly ordered nanoporous anodic aluminia membranes. Rev. Adv. Mat. Sci. 2004, 6, 131–139. [Google Scholar]
- Gorokh, G.; Belahurau, Y.; Zakhlebaeva, A.; Taratyn, I.; Khatko, V. Ring gyroscope sensitive element based on nanoporous alumina. Aircr. Eng. Aerosp. Technol. 2018, 90, 43–50. [Google Scholar] [CrossRef]
- Liu, X.; Cheng, S.; Liu, H.; Hu, S.; Zhang, D.; Ning, H. A Survey on Gas Sensing Technology. Sensors 2012, 12, 9635–9665. [Google Scholar] [CrossRef] [Green Version]
- Gong, D.; Paulose, M.; Ong, K.G.; Grimes, C.A.; Dickey, E.C. Highly ordered nanoporous alumina films: Effect of pore size and uniformity on sensing performance. J. Mater. Res. 2002, 17, 1162–1171. [Google Scholar]
- Zienkiewicz, O.; Taylor, R.; Zhu, J.Z. The Finite Element Method: Its Basis and Fundamentals, 7th ed.; Butterworth-Heinemann: Oxford, UK, 2013; 756p. [Google Scholar]
- Gorokh, G.; Zakhlebayeva, A.; Lazavenka, A.; Sobolev, N.; Zhylinski, V.; Bogomazova, N.; Yarmolich, M.; Kalanda, N. Functional Multicomponent Metal Oxide Films Based on Sr, Sn, Fe and Mo in the Anodic Alumina Matrices. Phys. Status Solidi 2020, 257, 1900283. [Google Scholar] [CrossRef]
- Tolstoy, V.P.; Korotcenkov, G. Successive Ionic Layer Deposition (SILD): Advanced method for deposition and modification of functional nanostructured metal oxides aimed for gas sensor applications. In Metal Oxide Nanostructures and Their Applications; Umar, A.A., Hahn, Y.-B., Eds.; American Scientific Publishers: Stevenson Ranch, CA, USA, 2010; Volume 3, pp. 1–58. [Google Scholar]
- Zakhlebayeva, A.; Lazavenka, A.; Gorokh, G. Multicomponent Sn-Mo-O-containing films formed in anodic alumina matrixes by ionic layer deposition. Mater. Today Proc. 2020, 37, 4064–4070. [Google Scholar] [CrossRef]
- Bogomazova, N.; Gorokh, G.; Zakhlebayeva, A.; Pligovka, A.; Murashkevich, A.; Galkovsky, T. Photosensitive sulphide heterostructures obtained by using successive ionic layer adsorption and reaction method on planar and profiled substrates. J. Phys. Conf. Ser. 2018, 1124, 081032. [Google Scholar] [CrossRef]
- Gorokh, G.G.; Zakhlebayeva, A.I.; Metla, A.I.; Zhilinskiy, V.V.; Murashkevich, A.N.; Bogomazova, N.V. Formation of multi-component matrix metal oxide films in anodic alumina matrixes by chemical deposition. J. Phys. Conf. Ser. 2017, 917, 092011. [Google Scholar] [CrossRef]
- Korotcenkov, G.; Cho, B.K.; Gulina, L.B.; Tolstoy, V.P. Gas sensor application of Ag nanoclusters synthesized by SILD method. Sens. Actuators B Chem. 2012, 166, 402–410. [Google Scholar] [CrossRef]
- Zakhlebayeva, A.; Gorokh, G.; Lazavenka, A. Nanostructured Composite Films Based on Oxides of Tin, Molybdenum, Nickel in Porous Matrices of Anodic Alumina. In Proceedings of the 5th International Youth Scientific School Nanostructured Oxide Films and Coatings, Petrozavodsk, Russia, 1–4 June 2021; pp. 189–200, ISBN 978-5-8021-3849-6. [Google Scholar]
- Gorokh, G.; Bogomazova, N.; Taleb, A.; Zhylinski, V.; Galkovsky, T.; Zakhlebayeva, A.; Lozovenko, A.; Iji, M.; Fedosenko, V.; Tolstoy, V. Spatially ordered matrix of nanostructured tin-tungsten oxides nanocomposites formed by ionic layer deposition for gas sensing. Sensors 2021, 21, 4169. [Google Scholar] [CrossRef] [PubMed]
- Punginsang, M.; Wisitsoraat, A.; Tuantranont, A.; Phanichphant, S.; Liewhiran, C. Ultrafine Bi2WO6 nanoparticles prepared by flame spray pyrolysis for selective acetone gas-sensing. Mater. Sci. Semicond. Process. 2019, 90, 263–275. [Google Scholar] [CrossRef]
- Deng, Y. Semiconducting Metal Oxides for Gas Sensing; Springer: Singapore, 2019; p. 246. [Google Scholar] [CrossRef]
- Oszwałldowski, M.; Zimpel, M. Temperature dependence of intrinsic carrier concentration and density of states effective mass of heavy holes in InSb. J. Phys. Chem. Solids 1988, 49, 1179–1185. [Google Scholar] [CrossRef]
- Chen, K.K.; Furdyna, J.K. Temperature Dependence of Intrinsic Carrier Concentration in InSb: Direct Determination by Helicon Interferometry. J. Appl. Phys. 1972, 43, 1825. [Google Scholar] [CrossRef]
- Liu, L.; Mei, Z.; Tang, A.; Azarov, A.; Kuznetsov, A.; Xue, Q.-K.; Du, X. Oxygen vacancies: The origin of n-type conductivity in ZnO. Phys. Rev. B 2016, 93, 235305. [Google Scholar] [CrossRef] [Green Version]
- Kim, H.-J.; Lee, J.-H. Highly sensitive and selective gas sensors using p-type oxide semiconductors: Overview. Sens. Actuators B 2014, 192, 607–627. [Google Scholar] [CrossRef]












| Measurement Days | Resistance (MΩ) of Sensing Layer in Air at 250 °C | Resistance (MΩ) Measured in 1 min after Gas Load H2 (10 ppm) | Resistance (MΩ) of Sensing Layer in Air at 400 °C | Resistance (MΩ) Measured in 1 min after Gas Load CO (10 ppm) | Resistance (MΩ) Measured in 3 min after Gas Load CO (10 ppm) |
|---|---|---|---|---|---|
| Day 1 | 5.96 ± 0.20 | 4.29 ± 0.19 | 1.81 ± 0.13 | 1.22 ± 0.010 | 1.69 ± 0.10 |
| Day 2 | 6.05 ± 0.25 | 4.52 ± 0.27 | 1.67 ± 0.17 | 1.12 ± 0.11 | 1.78 ± 0.08 |
| Day 3 | 5.63 ± 0.21 | 4.39 ± 0.18 | 1.95 ± 0.15 | 1.3 ± 0.011 | 1.74 ± 0.07 |
| Day 4 | 5.75 ± 0.14 | 4.01 ± 0.16 | 1.74 ± 0.08 | 1.18 ± 0.08 | 1.59 ± 0.10 |
| Day 5 | 5.83 ± 0.09 | 4.15 ± 0.10 | 1.83 ± 0.11 | 1.19 ± 0.08 | 1.64 ± 0.04 |
Publisher’s Note: MDPI stays neutral with regard to jurisdictional claims in published maps and institutional affiliations. |
© 2022 by the authors. Licensee MDPI, Basel, Switzerland. This article is an open access article distributed under the terms and conditions of the Creative Commons Attribution (CC BY) license (https://creativecommons.org/licenses/by/4.0/).
Share and Cite
Gorokh, G.; Zakhlebayeva, A.; Taratyn, I.; Lozovenko, A.; Zhylinski, V.; Iji, M.; Fedosenko, V.; Taleb, A. A Micropowered Chemoresistive Sensor Based on a Thin Alumina Nanoporous Membrane and SnxBikMoyOz Nanocomposite. Sensors 2022, 22, 3640. https://doi.org/10.3390/s22103640
Gorokh G, Zakhlebayeva A, Taratyn I, Lozovenko A, Zhylinski V, Iji M, Fedosenko V, Taleb A. A Micropowered Chemoresistive Sensor Based on a Thin Alumina Nanoporous Membrane and SnxBikMoyOz Nanocomposite. Sensors. 2022; 22(10):3640. https://doi.org/10.3390/s22103640
Chicago/Turabian StyleGorokh, Gennady, Anna Zakhlebayeva, Igor Taratyn, Andrei Lozovenko, Valery Zhylinski, Michael Iji, Vladimir Fedosenko, and Abdelhafed Taleb. 2022. "A Micropowered Chemoresistive Sensor Based on a Thin Alumina Nanoporous Membrane and SnxBikMoyOz Nanocomposite" Sensors 22, no. 10: 3640. https://doi.org/10.3390/s22103640
APA StyleGorokh, G., Zakhlebayeva, A., Taratyn, I., Lozovenko, A., Zhylinski, V., Iji, M., Fedosenko, V., & Taleb, A. (2022). A Micropowered Chemoresistive Sensor Based on a Thin Alumina Nanoporous Membrane and SnxBikMoyOz Nanocomposite. Sensors, 22(10), 3640. https://doi.org/10.3390/s22103640

