Development of a Real-Time Surface Solar Radiation Measurement System Based on the Internet of Things (IoT)
Abstract
1. Introduction
2. System Architecture
2.1. Conceptual Design
2.2. Hardware
2.2.1. Radiation Sensor
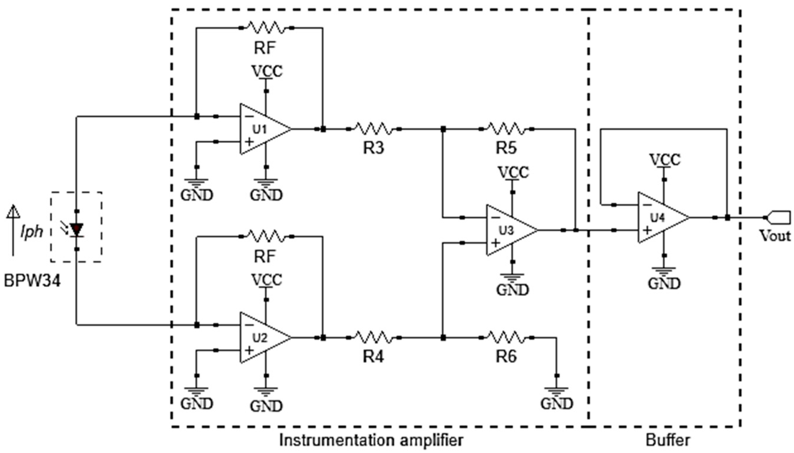
2.2.2. Signal Conditioning Circuit
2.2.3. Microcontroller
2.2.4. Data Storage
2.3. Firmware
2.3.1. Data Transmission Protocol
2.3.2. Adjust of Radiation Sensor Output
2.4. Data Visualization System
2.5. Prototypes
2.6. Calibration
2.7. Data and Experimental Area
2.8. Data Analysis
3. Results and Discussion
3.1. Sensor Output Signal Behavior
3.2. Radiation Sensor Calibration
3.3. Solar Irradiance Analysis
4. Conclusions
5. Patents
Author Contributions
Funding
Institutional Review Board Statement
Informed Consent Statement
Data Availability Statement
Acknowledgments
Conflicts of Interest
References
- Rus-Casas, C.; Hontoria, L.; Fernández-Carrasco, J.I.; Jiménez-Castillo, G.; Muñoz-Rodríguez, F. Development of a utility model for the measurement of global radiation in photovoltaic applications in the internet of things (IoT). Electronics 2019, 8, 304. [Google Scholar]
- Slávik, Č.; Čekon, M. Correction factor estimating of silicon pin photodiode derived from outdoor longterm measurement. In Proceedings of the 4th International Conference on Applied Technology, Leuven, Belgium, 15–17 September 2016. [Google Scholar]
- Shafa, M.; Luo, S.; Tong, X.; Farooq, M.U.; Gao, L.; Zhou, Z. Low cost pyranometer for broad range and its credibility check with standard pyranometer. J. Nanoelectron. Optoelectron. 2015, 10, 119–125. [Google Scholar] [CrossRef]
- Hukseflux Thermal Sensors. PV Monitoring and Meteorological Industries Prepare for Revised Pyranometers Standard ISO 9060:2018. 2018. Available online: https://www.hukseflux.com/applications/meteorology-surface-energy-flux-measurement/new-iso-90602018-standard-do-your (accessed on 15 April 2019).
- Martínez, M.A.A.; Andújar, J.M.; Enrique, J.M. A new and inexpensive pyranometer for the visible spectral range. Sensors 2009, 9, 4615–4634. [Google Scholar] [CrossRef]
- Benghanem, M. Measurement of meteorological data based on wireless data acquisition system monitoring. Appl. Energy 2009, 86, 2651–2660. [Google Scholar] [CrossRef]
- Müller, S.; Wiener, P.; Bürger, A.; Nimis, J. IoT for All: Architectural design of an extensible and lightweight IoT analytics platform. In Proceedings of the 2017 International Conference on Industrial Engineering and Systems Management (IESM), Saarbrücken, Germane, 11–13 October 2017. [Google Scholar]
- Kim, J.; Rhee, J.; Yang, S.; Lee, C.; Cho, S.; Kim, Y. Multilayer Perceptron Model to Estimate Solar Radiation with a Solar Module. J. Biosyst. Eng. 2018, 43, 352–361. [Google Scholar]
- Lima, J.F. Previsão de Irradiação solar no Nordeste do Brasil Empregando o Modelo WRF Ajustado por Redes Neurais Artificiais (RNAs). Ph.D. Thesis, Instituto Nacional de Pesquisas Espaciais (INPE), São José dos Campos, SP, Brazil, 2015. [Google Scholar]
- Rocha, Á.B.D.; Fernandes, E.D.M.; Dos Santos, C.A.C.; Diniz, J.M.T.; Junior, W.F.A. Development and Validation of an Autonomous System for Measurement of Sunshine Duration. Sensors 2020, 20, 4606. [Google Scholar] [CrossRef] [PubMed]
- Nwankwo, S.N.; Nnabuchi, M.N.; Ekpe, J.E. Construction and Characterization of a Pyranometer Using Locally Available Materials for Global Solar Radiation Measurement. Asian Transact. Basic Appl. Sci. 2012, 26, 4. [Google Scholar]
- Balan, M.C.; Damian, M.; Jäntschi, L. Preliminary results on design and implementation of a solar radiation monitoring system. Sensors 2008, 8, 963–978. [Google Scholar] [CrossRef] [PubMed]
- Garrity, S.R.; Vierling, L.A.; Bickford, K. A simple filtered photodiode instrument for continuous measurement of narrowband NDVI and PRI over vegetated canopies. Agric. For. Meteorol. 2010, 150, 489–496. [Google Scholar] [CrossRef]
- e Silva, R.A.; da Silva, V.P.R.; Cavalcanti, E.; dos Santos, D.N. Study of the variability of solar radiation in northeast Brazil. Rev. Bras. Mr. Agric. Ambient. 2010, 14, 501–509. [Google Scholar]
- Díaz, M.; Martín, C.; Rubio, B. State-of-the-art, challenges, and open issues in the integration of Internet of things and cloud computing. J. Netw. Comput. Appl. 2016, 67, 99–117. [Google Scholar] [CrossRef]
- Da Xu, L.; He, W.; Li, S. Internet of things in industries: A survey. IEEE Trans. Ind. Inform. 2014, 10, 2233–2243. [Google Scholar] [CrossRef]
- Asthon, K. That ‘Internet of Things’ Thing. RFID J. 2010, 22, 97–114. [Google Scholar]
- Aazam, M.; Zeadally, S.; Harras, K.A. Offloading in fog computing for IoT: Review, enabling technologies, and research opportunities. Futur. Gener. Comput. Syst. 2018, 87, 278–289. [Google Scholar] [CrossRef]
- Khan, M.A.; Salah, K. IoT security: Review, blockchain solutions, and open challenges. Futur. Gener. Comput. Syst. 2018, 82, 395–411. [Google Scholar] [CrossRef]
- Shah, A.S.; Nasir, H.; Fayaz, M.; Lajis, A.; Shah, A. A review on energy consumption optimization techniques in IoT based smart building environments. Information 2019, 10, 108. [Google Scholar] [CrossRef]
- Lowry, J.H.; Mendlowitz, J.S.; Subramanian, N.M. Optical characteristics of Teflon AF® fluoroplastic materials. Opt. Eng. 1992, 31, 1982–1985. [Google Scholar] [CrossRef]
- Valík, A.; Brázdil, R.; Zahradníček, P.; Tolasz, R.; Možný, M.; Řezníčková, L. Measurements of sunshine duration by automatic sensors and their effects on the homogeneity of long-term series in the Czech Republic. Clim. Res. 2019, 78, 83–101. [Google Scholar] [CrossRef]
- Medugu, D.W.; Burari, F.W.; Abdulazeez, A.A. Construction of a reliable model pyranometer for irradiance measurements. African J. Biotechnol. 2010, 9, 1719–1725. [Google Scholar] [CrossRef]
- Semiconductors, V. Silicon PIN Photodiode. 2021, pp. 1–5. Available online: https://www.vishay.com/docs/81502/bpv10.pdf (accessed on 19 March 2021).
- Sze, S.M.; NG, K.K. Physics of Semiconductor Devices Physics of Semiconductor Devices; Wiley: Hoboken, NJ, USA, 2007; Volume 3, p. 739. [Google Scholar]
- Wong, J. A collection of amp applications. In Application Note AN-106; Analog Devices: Norwood, MA, USA, 1992. [Google Scholar]
- Mesquita, J.; Guimaraes, D.; Pereira, C.; Santos, F.; Almeida, L. Assessing the ESP8266 WiFi module for the Internet of Things. In Proceedings of the 2018 IEEE 23rd International Conference on Emerging Technologies and Factory Automation (ETFA), Torino, Italy, 4–7 September 2018; pp. 784–791. [Google Scholar]
- Thaker, T. ESP8266 based implementation of wireless sensor network with Linux based Web-Server. In Proceedings of the 2016 Symposium on Colossal Data Analysis and Networking (CDAN), Indore, India, 13–16 March 2016. [Google Scholar]
- Nettikadan, D.; Raj, S. Smart Community Monitoring System using Thingspeak IoT Plaform. Artic. Int. J. Appl. Eng. Res. 2018, 13, 13402–13408. [Google Scholar]
- Apurva, L.M.N. IoT based Solar Monitoring System. Int. J. Sci. Technol. Eng. 2016, 3, 1–18. [Google Scholar]
- Oliveira, G.M.; Costa, D.C.; Cavalcanti, R.J.; Oliveira, J.P.; Silva, D.R.; Nogueira, M.B.; Rodrigues, M.C. Comparison between MQTT and WebSocket Protocols for IoT Applications Using ESP8266. Work. Metrol. Ind. 4.0 IoT 2018, 3, 236–241. [Google Scholar]
- Yassein, M.B.; Shatnawi, M.Q.; Aljwarneh, S.; Al-Hatmi, R. Internet of Things: Survey and open issues of MQTT protocol. In Proceedings of the 2017 International Conference on Engineering & MIS (ICEMIS), Monastir, Tunisia, 8–10 May 2017. [Google Scholar]
- Singh, M.; Rajan, M.A.; Shivraj, V.L.; Balamuralidhar, P. Secure MQTT for Internet of Things (IoT). In Proceedings of the 2015 Fifth International Conference on Communication Systems and Network Technologies, Gwalior, India, 4–6 April 2015; pp. 746–751. [Google Scholar]
- Rosli, R.S.; Habaebi, M.H.; Islam, M.R. Characteristic analysis of received signal strength indicator from esp8266 wifi transceiver module. In Proceedings of the 2018 7th International Conference on Computer and Communication Engineering (ICCCE), Kuala Lumpur, Malaysia, 19–20 September 2018; pp. 504–507. [Google Scholar]
- Marcelino, E.D.T.; Diniz, J.M.T.; Rocha, A.; Fernandes, E.D.M.; Duarte, R.; Júnior, W.A. Experimentation of a low-cost electronic system for measurement of the ultraviolet radiation index to the city of Campina Grande, Brazil. In Proceedings of the 25th International Congress of Mechanical Engineering, Uberlândia, Brazil, 20–25 October 2019. [Google Scholar]
- King, D.L.; Myers, D.R. Silicon-photodiode pyranometers: Operational characteristics, historical experiences, and new calibration procedures. In Proceedings of the Conference Record of the Twenty Sixth IEEE Photovoltaic Specialists Conference, Anaheim, CA, USA, 29 September–3 October 1997; pp. 1285–1288. [Google Scholar]
- Kern, E.C., Jr. Calibration methods for silicon photodiode pyranometers used in rotating shadowband radiometers. In Proceedings of the Solar PACES Conference, Perpignan, France, 20 April 2010. [Google Scholar]
- Myers, D.R. Quantitative analysis of spectral impacts on silicon photodiode radiometers. In Proceedings of the 40th ASES National Solar Conference, Raleigh, NC, USA, 17–20 May 2011; Volume 1, pp. 97–102. [Google Scholar]
- Mcarthur, L.J.B.; Dahlgren, L.; Dehne, K.; Hamalainen, M.; Leidquist, L.; Maxwell, G.; Wells, C.V.; Wardle, D.I. Using Pyranometers in Tests of Solar Energy Converters: Step-by-Step Instructions; International Energy Agency Solar Heating and Cooling Program Task 9f: Downsview, ON, Canada, 1995; p. 50. [Google Scholar]
- Fanney, A.H.; Davis, M.W.; Dougherty, B.P.; King, D.L.; Boyson, W.E.; Kratochvil, J.A. Comparison of photovoltaic module performance measurements. J. Sol. Energy Eng. 2006, 128, 152–159. [Google Scholar] [CrossRef]
- Brooks, D.R. Monitoring Solar Radiation and Its Transmission through the Atmosphere. Available online: http://instesre.com/papers/UsingTheSun/using.htm (accessed on 19 May 2019).
- Becker, C.T.; Melo, M.M.M.S.; Costa, M.N.d.M.; Ribeiro, R.E.P. Caracterização Climática das Regiões Pluviometricamente Homogêneas do Estado da Paraíba. Rev. Bras. Geogr. Physics 2011, 4, 286–299. [Google Scholar] [CrossRef]
- Menezes, H.E.A.; Brito, J.I.B.D.; Santos, C.A.C.D.; Silva, L.L.D. A relação entre a temperatura da superfície dos oceanos tropicais e a duração dos veranicos no estado da Paraíba. Rev. Bra. Meteorol. 2008, 23, 152–161. [Google Scholar] [CrossRef]
- Correa, M.B.R.; Oliveira, A.C. Atlas Eólico do Estado da Paraíba. Available online: https://paraiba.pb.gov.br/diretas/secretaria-de-infraestrutura-dos-recursos-hidricos-e-do-meio-ambiente/arquivos/atlas-pb-2017.pdf/view (accessed on 10 July 2019).
- Ghayekhloo, M.; Ghofrani, M.; Menhaj, M.B.; Azimi, R. A novel clustering approach for short-term solar radiation forecasting. Sol. Energy 2015, 122, 1371–1383. [Google Scholar] [CrossRef]
- Reda, I. Method to Calculate Uncertainty Estimate of Measuring Shortwave Solar Irradiance Using Thermopile and Semiconductor Solar Radiometers; National Renewable Energy Lab. (NREL): Golden, CO, USA, 2011. [Google Scholar]
- Miot, H.A. Análise de concordância em estudos clínicos e experimentais. J. Vasc. Bras. 2016, 15, 89–92. [Google Scholar] [CrossRef]
- Diniz, J.M.T.; Dantas, R.T.; Fideles Filho, J. Variabilidade espaço-temporal da temperatura e difusividade térmica do solo de Lagoa Seca-PB. Rev. Ambient. Agua 2014, 9, 722–736. [Google Scholar]
- Tiepolo, G.M.; Pereira, E.B.; Junior, J.U.; Pereira, S.V.; Gonçalves, A.R.; Lima, F.J.L.; Costa, R.S.; Alves, A.R. Atlas de energia solar do estado do Paraná. Rev. Brasileira de Energia Solar 2018, 9, 1–10. [Google Scholar]
- Willmott, C.J.; Ackleson, S.G.; Davis, R.E.; Feddema, J.J.; Klink, K.M.; Legates, D.R.; Rowe, C.M. Statistics for the evaluation and comparison of models. J. Geoph. Res. 1985, 90, 8995–9005. [Google Scholar] [CrossRef]
- Heinemann, A.B.; Van Oort, P.A.; Fernandes, D.S.; Maia, A.D.H.N. Sensitivity of APSIM/ORYZA model due to estimation errors in solar radiation. Bragantia 2012, 71, 572–582. [Google Scholar] [CrossRef]
- Boyd, M. Methodology, and calculator for high precision regression fits of pyranometer angular responsivities and the associated uncertainties. Sol. Energy 2015, 119, 233–242. [Google Scholar] [CrossRef]
- Lave, M.; Stein, J.; Smith, R. Solar Variability Datalogger. J. Sol. Energy Eng. Trans. 2016, 138, 138–143. [Google Scholar] [CrossRef]
- Dunn, L.; Gostein, M.; Emery, K. Comparison of pyranometers vs. PV reference cells for evaluation of PV array performance. In Proceedings of the 2012 38th IEEE Photovoltaic Specialists Conference, Austin, TX, USA, 3–8 June 2012; pp. 2899–2904. [Google Scholar]
- Tohsing, K.; Phaisathit, D.; Pattarapanitchai, S.; Masiri, I.; Buntoung, S.; Aumporn, O.; Wattan, R. A development of a low-cost pyranometer for measuring broadband solar radiation. J. Phys. Conf. Ser. 2019, 1380, 012045. [Google Scholar] [CrossRef]

















| Technical Feature | Values |
|---|---|
| Radiation-sensitive area (mm2) | 7.5 |
| Sensitivity (A·W−1) | 0.62 |
| Noise equivalent power (W·Hz−1/2) | 4 × 10−14 |
| Spectral sensitivity (nm) | 380 to 1400 |
| Response time (ms) | 0.1 |
| Opening angle (°) | ±65 |
| Temperature coefficient (mV·K−1) | −2.6 |
| Dimensions (mm) | 5.4 × 4.3 × 3.2 |
| Typical operating temperature (°C) | 25 |
| Alert | Meaning | Associated Color | |
|---|---|---|---|
| 1 | Firmware startup | ![]() | Green |
| 2 | Startup errors (datalogger) | ![]() | Turquoise blue |
| 3 | Datalogger—insufficient storage volume | ![]() | Yellow |
| 4 | Wireless connection failure | ![]() | Pink |
| 5 | Datalogger or network connection failed | ![]() | Orange |
| 6 | Sensor reading failure | ![]() | White |
| 7 | Full data transmission | ![]() | Blue |
| 8 | Data transmission failure | ![]() | Red |
| Pearson Correlation Coefficient (r) | Classification |
|---|---|
| 0.91–0.99 | Almost perfect |
| 0.71–0.90 | Too high |
| 0.51–0.70 | High |
| 0.31–0.50 | Moderate |
| 0.11–0.30 | Low |
| <0.10 | Too low |
| Confidence Index (c) | Classification |
|---|---|
| >0.85 | Great |
| 0.76–0.85 | Very good |
| 0.66–0.75 | Good |
| 0.61–0.65 | Median |
| 0.51–0.60 | Poor |
| 0.41–0.50 | Bad |
| <0.40 | Unsatisfactory |
| Quadratic Root of Relative Errors (rRMS) | Classification |
|---|---|
| >0.30 | Poor |
| 0.20–0.30 | Acceptable |
| 0.10–0.20 | Good |
| <0.10 | Excellent |
| Metrics | Prototype P01 | Prototype P02 |
|---|---|---|
| Coefficients of determination (R2) | 0.955 | 0.955 |
| Correlation coefficients (R) | 0.977 | 0.977 |
| Pearson coefficient (r) | 0.977 | 0.977 |
| Agreement index (d) | 0.953 | 0.950 |
| Confidence index (c) | 0.932 | 0.928 |
Publisher’s Note: MDPI stays neutral with regard to jurisdictional claims in published maps and institutional affiliations. |
© 2021 by the authors. Licensee MDPI, Basel, Switzerland. This article is an open access article distributed under the terms and conditions of the Creative Commons Attribution (CC BY) license (https://creativecommons.org/licenses/by/4.0/).
Share and Cite
Rocha, Á.B.d.; Fernandes, E.d.M.; Santos, C.A.C.d.; Diniz, J.M.T.; Junior, W.F.A. Development of a Real-Time Surface Solar Radiation Measurement System Based on the Internet of Things (IoT). Sensors 2021, 21, 3836. https://doi.org/10.3390/s21113836
Rocha ÁBd, Fernandes EdM, Santos CACd, Diniz JMT, Junior WFA. Development of a Real-Time Surface Solar Radiation Measurement System Based on the Internet of Things (IoT). Sensors. 2021; 21(11):3836. https://doi.org/10.3390/s21113836
Chicago/Turabian StyleRocha, Álvaro B. da, Eisenhawer de M. Fernandes, Carlos A. C. dos Santos, Júlio M. T. Diniz, and Wanderley F. A. Junior. 2021. "Development of a Real-Time Surface Solar Radiation Measurement System Based on the Internet of Things (IoT)" Sensors 21, no. 11: 3836. https://doi.org/10.3390/s21113836
APA StyleRocha, Á. B. d., Fernandes, E. d. M., Santos, C. A. C. d., Diniz, J. M. T., & Junior, W. F. A. (2021). Development of a Real-Time Surface Solar Radiation Measurement System Based on the Internet of Things (IoT). Sensors, 21(11), 3836. https://doi.org/10.3390/s21113836









