FPGA-Based Degradation and Reliability Monitor for Underground Cables
Abstract
:1. Introduction
1.1. Existing Prognosis Methods
1.2. Organization of the Paper
2. Thermal and Degradation Models of Medium and High Voltage Cables
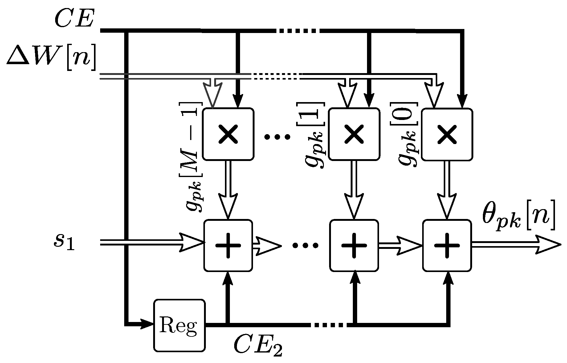
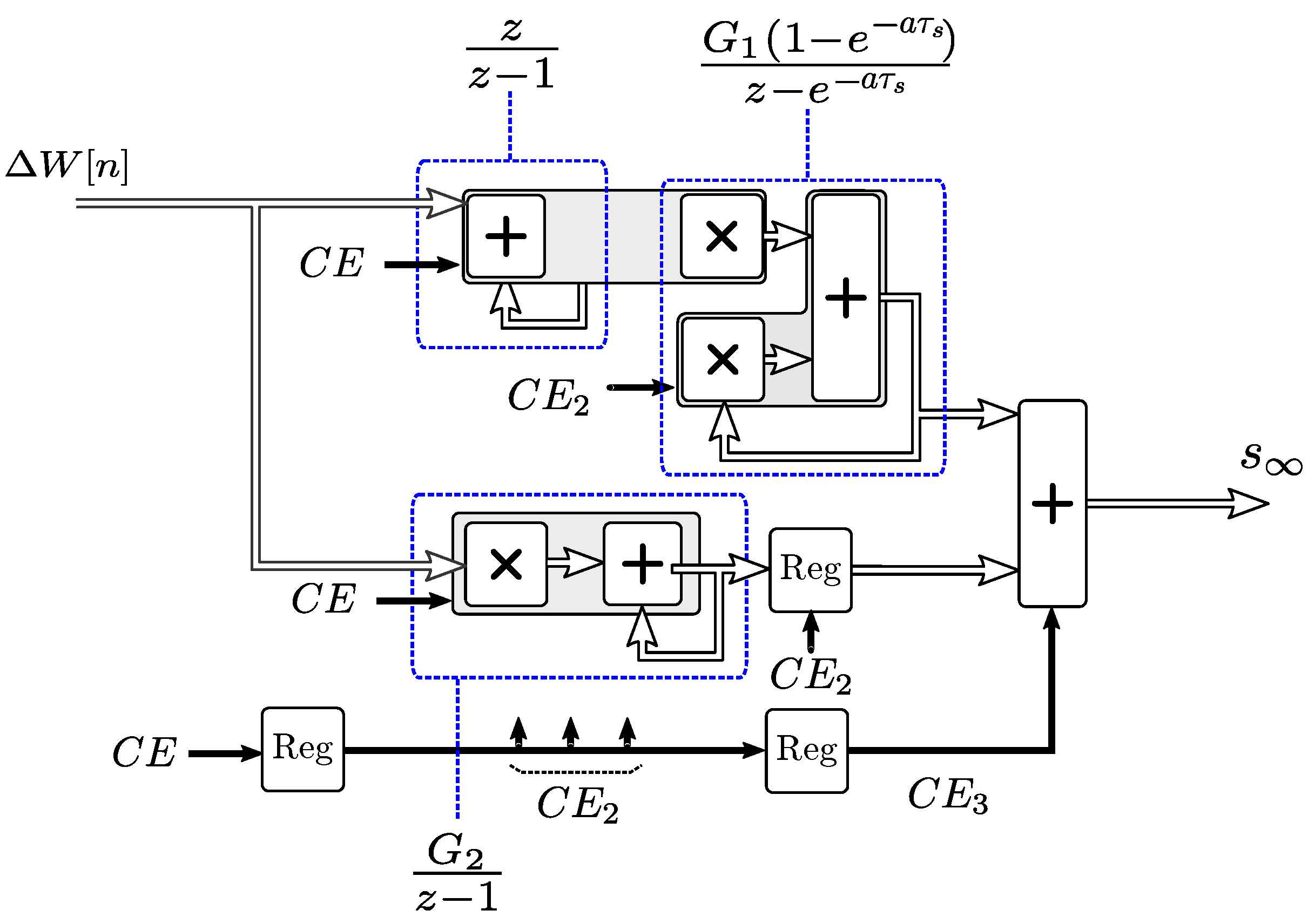
3. A Novel FPGA Structure for Cable Reliability Estimation
3.1. Pipelining of the Thermal Model
- Currents: a 32-bit data size and 16 fraction bits were employed to represent both short circuit currents and the required uncertainties.
- Temperatures: a 24-bit data size and 16 fraction bits were employed to represent self-heating, mutual heating, and soil effect processes. However, the intermediate variables have varying sizes, due to the varying coefficient values in each cable model. For the shown use case, up to 73-bit multiplier registers were required.
- Degradation: a 32-bit data size with a 31-bit fraction value is employed, due to the exponential curves in the Zhurkov-based degradation model Equation (1).
3.2. SAN Model of the Grid
3.3. Self-Heating Process
3.4. Mutual and Soil Heating Processes
3.5. Thermal Degradation Model
3.6. Currents and Dissipated Power
3.7. Interfacing and Control by the SAN MC Simulator
3.8. Diagnostics and Prognosis of the Cable RUL
4. Application of the Model to an Underground Cable Reliability Analysis
5. Results and Performance of the Architecture
5.1. Performance and Accuracy of the Architecture
5.2. Diagnostics Stage
5.3. Prognosis Stage
6. Discussion
7. Conclusions
Author Contributions
Funding
Conflicts of Interest
Nomenclature
| Absolute temperature () | |
| Latency of a block (clock) | |
| Temperature () | |
| Maximum block latency of a pipeline (clock) | |
| E | Electric field ( ) |
| Latency of the pipeline (clock) | |
| Design failure probability of the insulator | |
| Marking of the SAN model | |
| D | Enlargement factor |
| place in a SAN model | |
| Scale parameter | |
| activity in a SAN model | |
| Shape parameter of the Weibull probability distribution of the time to failure of the cable | |
| Marking of the place in a SAN model | |
| w | Activation energy of the insulator material ( ) |
| Production instant () | |
| Structural parameter of the insulator material ( ) | |
| n | Discrete-time index |
| R | Universal gas constant ( ) |
| Dissipated power increment ( ) | |
| Lifetime of insulator under temperature and electric field E () | |
| Unit step response of the mutual heating process ( ) | |
| Temperature at time interval i () | |
| Unit step response of the soil effect ( ) | |
| Electric field at time interval i ( ) | |
| Approximate step response of the mutual heating process ( ) | |
| Degradation increment at time interval i (p.u.) | |
| L | Time index at which the step response is segmented for its approximation |
| Temperature rise due to the self-heating () | |
| M | Time index at which the step response is segmented for its approximation |
| Temperature rise due to the soil effect () | |
| q | Number of sub-filter stages in the second segment of the approximate thermal process |
| Temperature rise due to the mutual heating () | |
| Output of the stage in the second segment of the approximate thermal process | |
| Attainment factor | |
| Clock enable signal | |
| Thermal resistance of layer x in an equivalent thermal circuit ( ) | |
| Sampling interval () | |
| Thermal capacitance of layer x in an equivalent thermal circuit ( ) | |
| Sheath loss factor for the middle cable | |
| Transfer function for the self-heating process | |
| Armor loss factor for the middle cable | |
| Ei | Exponential integral |
| Sheath loss factor for the adjacent cable | |
| External cable diameter () | |
| Armor loss factor for the adjacent cable | |
| Thermal diffusivity of the soil ( ) | |
| Load factor | |
| Thermal resistivity of the soil ( ) | |
| Electrical resistivity of the conductor () | |
| Depth of the cable in the soil () | |
| Temperature coefficient of the resistivity of the conductor () | |
| Total power dissipated within the cable ( ) | |
| Predicted remaining useful life () | |
| Distance to the adjacent cable causing the mutual heating () | |
| Difference in the predicted remaining useful life () | |
| Distance to the mirror of the adjacent cable causing the mutual heating () | |
| Load estimation error () | |
| Calibration offset error () | |
| Load measurement noise error () | |
| Rated current () | |
| Relative standard deviation of the calibration offset | |
| Degradation of the insulator (p.u.) | |
| Relative standard deviation of the noise | |
| Predicted future load estimation error () | |
| t | Time () |
References
- Scutariu, M.; Albert, H. Corrective maintenance timetable in restructured distribution environment. IEEE Trans. Power Deliv. 2007, 22, 650–657. [Google Scholar] [CrossRef]
- Bertling, L.; Allan, R.; Eriksson, R. A reliability-centered asset maintenance method for assessing the impact of maintenance in power distribution systems. IEEE Trans. Power Syst. 2005, 20, 75–82. [Google Scholar] [CrossRef]
- Birkner, P. Field experience with a condition-based maintenance program of 20-kV XLPE distribution system using IRC-analysis. IEEE Trans. Power Deliv. 2004, 19, 3–8. [Google Scholar] [CrossRef]
- Simmons, K.L.; Fifield, L.S.; Westman, M.P.; Ramuhalli, P.; Pardini, A.F.; Tedeschi, J.R.; Jones, A.M. Determining Remaining Useful Life of Aging Cables in Nuclear Power Plants–Interim Study FY13. In Pacific Northwest National Laboratory Richland; The US Department of Energy: Washington, DC, USA, 2013. [Google Scholar]
- Siddiqui, B.A.; Hilden, A.; Pakonen, P.; Verho, P. A versatile solution for continuous on-line PD monitoring. In Proceedings of the Innovative Smart Grid Technologies-Asia (ISGT ASIA), Bangkok, Thailand, 3–6 November 2015; pp. 1–6. [Google Scholar]
- Khan, A.A.; Malik, N.; Al-Arainy, A.; Alghuwainem, S. A review of condition monitoring of underground power cables. In Proceedings of the 2012 Condition Monitoring and Diagnosis, Bali, Indonesia, 23–27 September 2012; pp. 909–912. [Google Scholar]
- Sankararaman, S. Significance, interpretation, and quantification of uncertainty in prognostics and remaining useful life prediction. Mech. Syst. Signal Process. 2015, 52, 228–247. [Google Scholar] [CrossRef]
- Chen, B.; Qi, W.; Yuan, J.; You, Y. Recognition of High-Voltage Cable Partial Discharge Signal Based on Adaptive Fuzzy C-Means Clustering. Int. J. Pattern Recognit. Artif. Intell. 2016, 31, 1759009. [Google Scholar] [CrossRef]
- Xu, Y.; Qian, Y.; Chen, X.; Xue, A.; Sheng, G.; Jiang, X. Partial discharge feature extraction through contourlet transform for XLPE cable defect models classification. In Proceedings of the 2016 International Conference on Condition Monitoring and Diagnosis (CMD), Xi’an, China, 25–28 September 2016; pp. 912–915. [Google Scholar]
- Liu, S.; Wang, Y.; Tian, F. Prognosis of underground cable via online data-driven method with field data. IEEE Trans. Ind. Electron. 2015, 62, 7786–7794. [Google Scholar] [CrossRef]
- Wang, J.; Stone, P.E.; Coats, D.; Shin, Y.J.; Dougal, R.A. Health monitoring of power cable via joint time-frequency domain reflectometry. IEEE Trans. Instrum. Meas. 2011, 60, 1047–1053. [Google Scholar] [CrossRef]
- Butler-Purry, K.L.; Cardoso, J. Characterization of underground cable incipient behavior using time-frequency multi-resolution analysis and artificial neural networks. In Proceedings of the 2008 IEEE Power and Energy Society General Meeting-Conversion and Delivery of Electrical Energy in the 21st Century, Pittsburgh, PA, USA, 20–24 July 2008; pp. 1–11. [Google Scholar]
- Catterson, V. Prognostic modeling of transformer aging using Bayesian particle filtering. In Proceedings of the 2014 IEEE Conference on Electrical Insulation and Dielectric Phenomena (CEIDP), Des Moines, IA, USA, 19–22 October 2014; pp. 413–416. [Google Scholar]
- Orchard, M.E.; Vachtsevanos, G.J. A particle-filtering approach for on-line fault diagnosis and failure prognosis. Trans. Inst. Meas. Control 2009, 31, 221–246. [Google Scholar] [CrossRef]
- Aizpurua, J.I.; Catterson, V.M.; Papadopoulos, Y.; Chiacchio, F.; Manno, G. Improved Dynamic Dependability Assessment Through Integration With Prognostics. IEEE Trans. Reliab. 2017, 66, 893–913. [Google Scholar] [CrossRef]
- Cadini, F.; Agliardi, G.L.; Zio, E. Estimation of rare event probabilities in power transmission networks subject to cascading failures. Reliab. Eng. Syst. Saf. 2017, 158, 9–20. [Google Scholar] [CrossRef]
- Dueñas-Osorio, L.; Vemuru, S.M. Cascading failures in complex infrastructure systems. Struct. Saf. 2009, 31, 157–167. [Google Scholar] [CrossRef]
- Mazzanti, G. The combination of electro-thermal stress, load cycling and thermal transients and its effects on the life of high voltage ac cables. IEEE Trans. Dielectr. Electr. Insul. 2009, 16, 1168–1179. [Google Scholar] [CrossRef]
- Han, Y.J.; Lee, H.M.; Shin, Y.J. Thermal aging estimation with load cycle and thermal transients for XLPE-insulated underground cable. In Proceedings of the 2017 IEEE Conference on Electrical Insulation and Dielectric Phenomenon (CEIDP), Fort Worth, TX, USA, 22–25 October 2017; pp. 205–208. [Google Scholar]
- Zhurkov, S. Kinetic concept of the strength of solids. Int. J. Fract. 1984, 26, 295–307. [Google Scholar] [CrossRef]
- Crine, J.P. On the interpretation of some electrical aging and relaxation phenomena in solid dielectrics. IEEE Trans. Dielectr. Electr. Insul. 2005, 12, 1089–1107. [Google Scholar] [CrossRef]
- Montanari, G.; Mazzanti, G.; Simoni, L. Progress in electrothermal life modeling of electrical insulation during the last decades. IEEE Trans. Dielectr. Electr. Insul. 2002, 9, 730–745. [Google Scholar] [CrossRef]
- Aras, F.; Alekperov, V.; Can, N.; Kirkici, H. Aging of 154 kV underground power cable insulation under combined thermal and electrical stresses. IEEE Electr. Insul. Mag. 2007, 23, 25–33. [Google Scholar] [CrossRef]
- Mazzanti, G. Analysis of the combined effects of load cycling, thermal transients, and electrothermal stress on life expectancy of high-voltage ac cables. IEEE Trans. Power Deliv. 2007, 22, 2000–2009. [Google Scholar] [CrossRef]
- Zhang, Z.; Assala, P.D.S.; Wu, L. Residual life assessment of 110 kV XLPE cable. Electr. Power Syst. Res. 2018, 163, 572–580. [Google Scholar] [CrossRef]
- Stojanovic, M.; Tasic, D.; Ristic, A. Cyclic Current Ratings of Single-Core XLPE Cables with Respect to Designed Life Time. Przegląd Elektrotechniczny 2013, 89, 152–156. [Google Scholar]
- Marzinotto, M.; Mazzanti, G. Merging the electro-thermal life model for power cables with the statistical volume enlargement law. In Proceedings of the 2014 IEEE Conference on Electrical Insulation and Dielectric Phenomena (CEIDP), Des Moines, IA, USA, 19–22 October 2014; pp. 502–505. [Google Scholar]
- Buhari, M.; Levi, V.; Awadallah, S.K. Modelling of ageing distribution cable for replacement planning. IEEE Trans. Power Syst. 2016, 31, 3996–4004. [Google Scholar] [CrossRef]
- Bicen, Y. Trend adjusted lifetime monitoring of underground power cable. Electr. Power Syst. Res. 2017, 143, 189–196. [Google Scholar] [CrossRef]
- Teh, J.; Lai, C.M.; Cheng, Y.H. Impact of the Real-Time Thermal Loading on the Bulk Electric System Reliability. IEEE Trans. Reliab. 2017, 66, 1110–1119. [Google Scholar] [CrossRef]
- Rogge-Solti, A.; van der Aalst, W.M.; Weske, M. Discovering stochastic petri nets with arbitrary delay distributions from event logs. In International Conference on Business Process Management; Springer: Berlin/Heidelberg, Germany, 2013; pp. 15–27. [Google Scholar]
- Sanders, W.H.; Meyer, J.F. Stochastic activity networks: Formal definitions and concepts. In Lectures on Formal Methods and PerformanceAnalysis; Springer: Berlin/Heidelberg, Germany, 2001; pp. 315–343. [Google Scholar]
- Wu, R.N.; Chang, C.K. The Use of Partial Discharges as an Online Monitoring System for Underground Cable Joints. IEEE Trans. Power Deliv. 2011, 26, 1585–1591. [Google Scholar] [CrossRef]
- Anders, G.J. Review of Power Cable Standard Rating Methods. In Rating of Electric Power Cables in Unfavorable Thermal Environment; Wiley: Hoboken, NJ, USA, 2005; Chapter 1,; pp. 1–73. [Google Scholar]
- Hussain, H.M.; Benkrid, K.; Erdogan, A.T.; Seker, H. Highly parameterized k-means clustering on fpgas: Comparative results with gpps and gpus. In Proceedings of the 2011 International Conference on Reconfigurable Computing and FPGAs, Cancun, Mexico, 30 November–2 December 2011; pp. 475–480. [Google Scholar]
- Razzaghi, R.; Lugrin, G.; Rachidi, F.; Paolone, M. Assessment of the Influence of Losses on the Performance of the Electromagnetic Time Reversal Fault Location Method. IEEE Trans. Power Deliv. 2017, 32, 2303–2312. [Google Scholar] [CrossRef]
- Mamedov, S.; Alekperov, V.; Can, N.; Aras, F.; Yilmaz, G. Effects of mechanical and thermal stresses on electric degradation of polyolefins and related materials. In Macromolecular Symposia; Wiley Online Library: Hoboken, NJ, USA, 2004; Volume 212, pp. 293–298. [Google Scholar]
- IEC. Calculation of the cyclic and emergency current rating of cables. Part 2: Cyclic rating of cables greater than 18/30 (36) kV and emergency ratings for cables of all voltages. In Standard IEC60853-2:1989/A1:2008; International Electrotechnical Commission: Geneva, Switzerland, 2008. [Google Scholar]
- Anders, G.; El-Kady, M. Transient ratings of buried power cables. I. Historical perspective and mathematical model. IEEE Trans. Power Deliv. 1992, 7, 1724–1734. [Google Scholar] [CrossRef]
- Goldenberg, H. Thermal transients in linear systems with heat generation linearly temperature-dependent. Application to buried cables. Inst. Electr. Eng. 1967, 114, 375–377. [Google Scholar] [CrossRef]
- Sanders, W.H. Construction and Solution of Performability Models Based on Stochastic Activity Networks. Ph.D. Thesis, University of Michigan, Ann Arbor, MI, USA, 1988. [Google Scholar]
- Meyer-Baese, U. Digital Signal Processing with Field Programmable Gate Arrays; Springer: Berlin/Heidelberg, Germany, 2014. [Google Scholar]
- Red Eléctrica de España-ESIOS, Sistema de Información del Operador del Sistema, Demanda Real. Available online: https://www.esios.ree.es/en/analysis/1293 (accessed on 23 November 2017).
- Gutierrez, R.; Torres, V.; Valls, J. Hardware architecture of a Gaussian noise generator based on the inversion method. IEEE Trans. Circuits Syst. II Express Briefs 2012, 59, 501–505. [Google Scholar] [CrossRef]
- Möbius Tool. Model-Based Environment for Validation of System Reliability, Availability, Security, and Performance. Available online: https://www.mobius.illinois.edu (accessed on 15 October 2018).
- Alwan, S.; Jasni, J.; Ab Kadir, M.; Aziz, N. Factors Affecting Current Ratings for Underground and Air Cables. World Acad. Sci. Eng. Technol. Int. J. Electr. Comput. Energetic, Electron. Commun. Eng. 2016, 10, 1422–1428. [Google Scholar]

























| FPGA Device | (XCZU9EG-2) | |||||
| Time and Thermal Values | Value | |||||
| PL Clock | 187MHz | |||||
| Worst Negative Slack (WNS) | 0.090 ns | |||||
| Worst Hold Slack (WHS) | 0.010 ns | |||||
| Worst PulseWidth Slack (WPWS) | 3.750 ns | |||||
| Thermal Margin@25.0 °C | 68.4 °C | |||||
| Resource | Mutual Heating | Soil Effect | Self-Heating | Zhurkov | Total | % of Total |
| LUT | 47,766 | 72,359 | 1833 | 1296 | 152,830 | 55.76% |
| Registers | 48,451 | 37,303 | 911 | 266 | 114,947 | 20.97% |
| BRAM | 0 | 0 | 1 | 1 | 35 | 3.84% |
| DSP | 1374 | 273 | 0 | 0 | 1663 | 65.99% |
| Software Simulation | FPGA Simulation | |
|---|---|---|
| Number of Simulations | 12 | 100,000 |
| Total Simulation Time | 761.475 s | 229.71 s |
| Single simulation Time | 63.456 s | 2.297 ms |
| RAM Usage | 9.17 GiB | 1.53 MiB |
| GPU Memory Usage | 1.35 GiB | 0 |
| No. CPU Cores | 12 | 0 |
| No. GPU Cores | 1344 | 0 |
© 2019 by the authors. Licensee MDPI, Basel, Switzerland. This article is an open access article distributed under the terms and conditions of the Creative Commons Attribution (CC BY) license (http://creativecommons.org/licenses/by/4.0/).
Share and Cite
Garro, U.; Muxika, E.; Aizpurua, J.I.; Mendicute, M. FPGA-Based Degradation and Reliability Monitor for Underground Cables. Sensors 2019, 19, 1995. https://doi.org/10.3390/s19091995
Garro U, Muxika E, Aizpurua JI, Mendicute M. FPGA-Based Degradation and Reliability Monitor for Underground Cables. Sensors. 2019; 19(9):1995. https://doi.org/10.3390/s19091995
Chicago/Turabian StyleGarro, Unai, Eñaut Muxika, Jose Ignacio Aizpurua, and Mikel Mendicute. 2019. "FPGA-Based Degradation and Reliability Monitor for Underground Cables" Sensors 19, no. 9: 1995. https://doi.org/10.3390/s19091995
APA StyleGarro, U., Muxika, E., Aizpurua, J. I., & Mendicute, M. (2019). FPGA-Based Degradation and Reliability Monitor for Underground Cables. Sensors, 19(9), 1995. https://doi.org/10.3390/s19091995

