Mechanism and Function of the Catch State in Molluscan Smooth Muscle: A Historical Perspective
Abstract
1. Introduction
2. Contractile Apparatus of the ABRM
3. Physiological Characteristics of the Active and the Catch States in the ABRM
4. Mechanical Response of the ABRM to Quick Increases in Load
5. Translocation of Intracellularly Stored Ca Ions during Transition from the Active to the Catch State
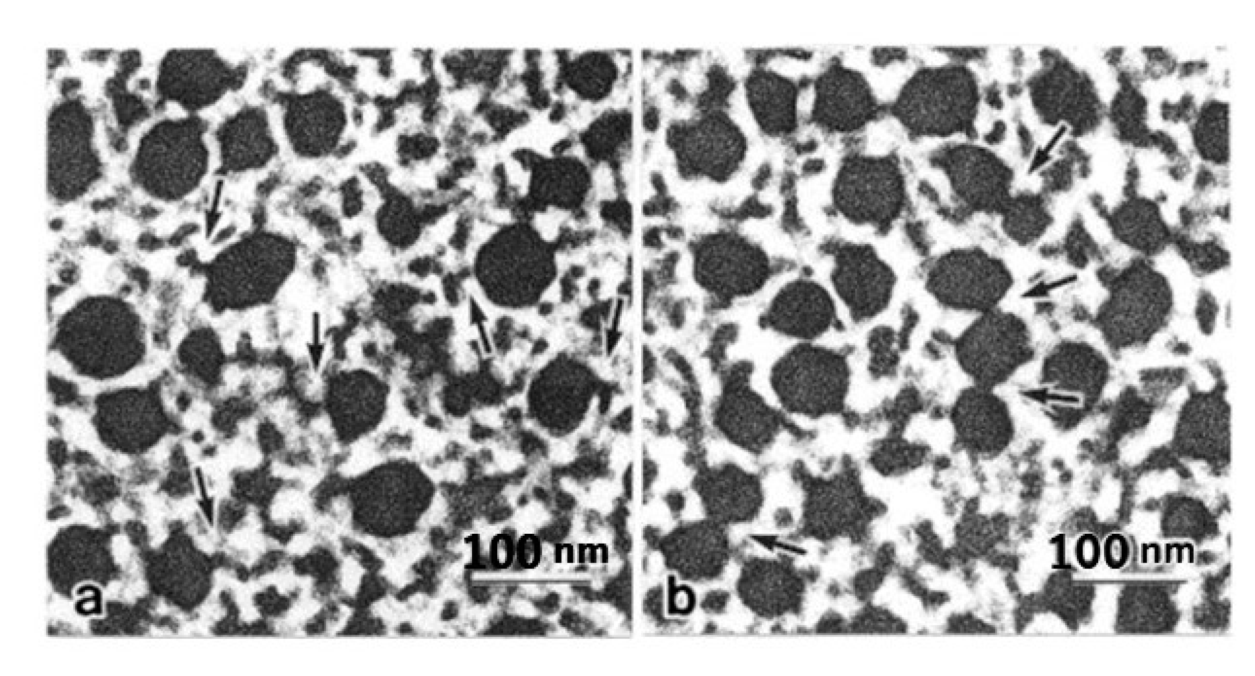
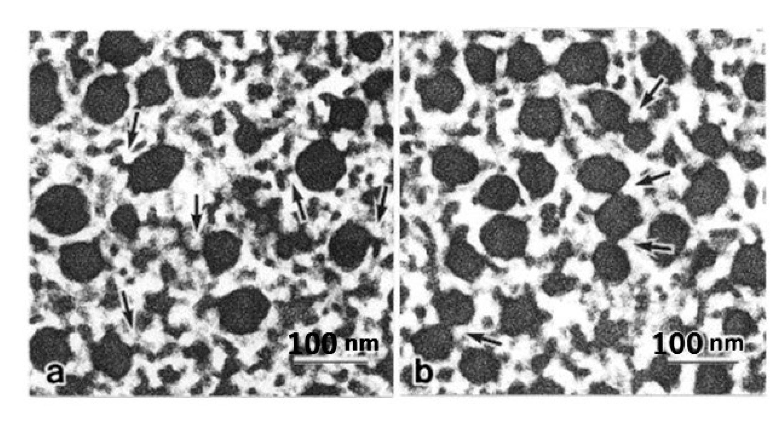
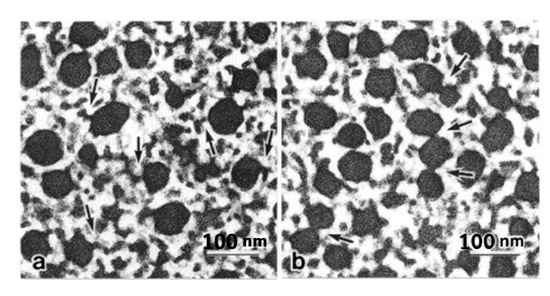
6. Interconnection of the Thick Filaments in the ABRM as a Possible Cause of the Catch State
7. Possible Mechanism of the Catch State Coupled with Intracellular Translocation of Ca2+
Author Contributions
Funding
Conflicts of Interest
References
- Baguet, J.; Gillis, J.M. The respiration of the anterior byssus retractor muscle of Mytilus edulis. J. Physiol. 1967, 188, 67–82. [Google Scholar] [CrossRef] [PubMed]
- Somlyo, A.V.; Somlyo, A.P. Active state and catch-like state in rabbit main pulmonary artery. J. Gen. Physiol. 1967, 50, 168–169. [Google Scholar]
- Gilloteaux, J.; Baguet, F. Contractile filaments organization in functional states of the anterior byssus retractor muscle (ABRM) of Mytilus edulis. Eur. J. Cell Biol. 1987, 15, 192–220. [Google Scholar]
- Bennet, P.M.; Marston, S.B. Calcium regulated thin filaments from molluscan catch muscles contain a caldesmon-like regulatory protein. J. Muscle Res. Cell Motil. 1990, 11, 302–312. [Google Scholar] [CrossRef] [PubMed]
- Funabara, D.; Kinoshita, S.; Watabe, S.; Siegman, M.J.; Siegman, M.J.; Butler, T.M.; Hartshone, D.J. Phosphorylation of molluscan twitchin by the cAMP-dependent protein kinase. Biochemistry 2001, 40, 2087–2095. [Google Scholar] [CrossRef] [PubMed]
- Nishita, K.; Ojima, T.; Takahashi, A.; Inoue, A. Troponin from smooth adductor muscle of ezo-giant scallop. J. Biochem. 1997, 121, 419–424. [Google Scholar] [CrossRef]
- Sobieszek, A. The fine structure of the contractile apparatus of the anterior byssus retractor muscle of Mytilus edulis. J. Ultrastruct. Res. 1973, 43, 313–343. [Google Scholar] [CrossRef]
- Levine, R.J.; Elfvin, M.; Dewey, M.M.; Walcott, B. Paramyosin in invertebrate muscles. II. Content in relation to structure and function. J. Cell Biol. 1976, 71, 273–279. [Google Scholar] [CrossRef]
- Hauk, R.; Achazi, R.K. The ultrastructure of a molluscan catch muscle during a contraction-relaxation cycle. Eur. J. Cell Biol. 1987, 45, 30–35. [Google Scholar]
- Szent-Györgyi, A.G.; Cohen, C.; Kendrick-Jones, K. Paramyosin and the filaments of molluscan “catach” muscles II. Native filaments: Isolation and characterization. J. Mol. Biol. 1971, 56, 239–258. [Google Scholar] [CrossRef]
- Kendrick-Jones, J.; Szentkirályi, E.M.; Szent-Györgyt, A.G. Myosin-linked regulatory systems: The Role of the light chains. Cold Spring Harb. Symp. Quant. Biol. 1973, 37, 47–53. [Google Scholar] [CrossRef]
- Ashiba, G.; Asada, T.; Watanabe, S. Calcium regulation in clam foot muscle calcium sensitivity of clam foot myosin. J. Biochem. 1980, 88, 837–846. [Google Scholar] [CrossRef] [PubMed]
- Lehman, W.; Szent-Györgyi, A.G. Regulation of muscular contraction. Distribution of actin control and myosin control in the animal kingdom. J. Gen. Physiol. 1975, 66, 1–30. [Google Scholar] [CrossRef] [PubMed]
- Cambridge, G.W.; Holgate, J.A.; Sharp, J.A. Pharmacological analysis of the contractile mechanism of Mytilus edulis. J. Physiol. 1957, 148, 451–464. [Google Scholar] [CrossRef] [PubMed]
- Welsh, J.H.; Moorhead, M. The quantitative distribution of 5-hydroxy-tryptamine in the invertebrates, especially in their nervous systems. J. Neurochem. 1960, 6, 146–169. [Google Scholar] [CrossRef] [PubMed]
- York, B.; Twarog, B.M. Evidence for the release of serotonin by relaxing nerves in molluscan muscle. Comp. Biochem. Physiol. Part A Physiol. 1973, 44, 423–430. [Google Scholar] [CrossRef]
- Jewell, B.R. The nature of the phasic and the tonic responses of the anterior byssal retractor muscle of Mytilus. J. Physiol. 1959, 149, 154–177. [Google Scholar] [CrossRef]
- Twarog, B.M. Responses of a molluscan smooth muscle to acetylcholine and 5-hydroxytriptamine. J. Cell Physiol. 1954, 44, 141–163. [Google Scholar] [CrossRef]
- Achazi, R.K.; Dolling, B.; Haakshorst, R. 5HT-induced relaxation and cyclic AMP in a molluscan smooth muscle. Pflűgers Arch. Eur. J. Phys. 1974, 349, 19–27. [Google Scholar] [CrossRef]
- Siegman, M.J.; Mooers, S.T.J.; Li, C.; Narayan, S.; Trincle-Mulcahy, L.; Watabe, S.; Hartshorne, D.J.; Butler, T.M. Phosphorylation of a high molecular weight (approximately 600 kDa) protein regulates catch in invertebrate smooth muscle. J. Muscle Res. Cell Motil. 1997, 18, 655–670. [Google Scholar] [CrossRef]
- Mukou, M.; Kishi, H.; Shirakawa, I.; Kobayashi, T.; Tominaga, K.; Imanishi, H.; Sugi, H. Marked load-bearing ability of Mytilus smooth muscle in both active and catch states as revealed by quick increases in load. J. Exp. Biol. 2004, 207, 1675–1681. [Google Scholar] [CrossRef] [PubMed]
- Katz, B. The relation between force and speed in muscle contraction. J. Physiol. 1939, 96, 45–64. [Google Scholar] [CrossRef] [PubMed]
- Kometani, K.; Sugi, H. Calcium transients in a molluscan smooth muscle. Experientia 1978, 34, 1469–1470. [Google Scholar] [CrossRef]
- Tameyasu, T.; Sugi, H. Effect of acetylcholine and high external potassium ions on 45CA movements in molluscan smooth muscle. Comp. Biochem. Physiol. Part C Comp. Pharmacol. 1976, 53, 101–103. [Google Scholar] [CrossRef]
- Sugi, H.; Yamaguchi, T. Activation of the contractile mechanism in the anterior byssal retractor muscle of Mytilus edulis. J. Physiol. 1976, 257, 531–547. [Google Scholar] [CrossRef]
- Komnick, H.; Komnick, U. Electronenmicroscopische Untersuchungen funktionellen Morphologie des Ionentransportes in der Salzdrűse von Lurus argentutus. Z Zellforsch. Mikrosk. Anat. 1963, 60, 163–203. [Google Scholar] [CrossRef]
- Legato, M.J.; Langer, G.A. The subcellular localization of calcium ion in mammalian myocardium. J. Cell Biol. 1969, 41, 401–423. [Google Scholar] [CrossRef]
- Atsumi, S.; Sugi, H. Localization of calcium-accumulating structures in the anterior byssal retractor muscle of Mytilus edulis and their role in the regulation of active and catch contractions. J. Physiol. 1976, 257, 549–560. [Google Scholar] [CrossRef]
- Ishii, N.; Simpson, A.W.M.; Ashley, C.C. Effects of 5-hydroxytryptamine (serotonin) and forskolin on intracellular free calcium in isolated and fura-2 loaded smooth-muscle cells from the anterior byssur retractor (catch) muscle of Mytilus edulis. Pflügers Arch. Eur. J. Phys. 1989, 414, 162–170. [Google Scholar] [CrossRef]
- Yamanobe, T.; Sugi, H. Purification and characterization of a Ca2+-binding 450-kDa protein (MCBP-450) in the plasma membrane-enriched fraction from a molluscan smooth muscle. Biochim. Biophys. Acta BBA Biomembr. 1993, 1149, 166–174. [Google Scholar] [CrossRef]
- MacLennan, D.H.; Wong, P.T.S. Isolation of a calcium-sequestering protein from sarcoplasmic reticulum. Proc. Natl. Acad. Sci. USA 1971, 68, 1231–1235. [Google Scholar] [CrossRef] [PubMed]
- Heumann, H.G.; Zebe, E. Funktionweise glatter Muskelfasern. Elektronenmikroskopische Untersuchungen am Byssusretraktor (ABRM) von Mitilus edulis. Zellforsch. Mikrosk. Anat. 1968, 85, 534–551. [Google Scholar] [CrossRef]
- Haas, D.J. Studies of cross-linked lysozyme crystals. Acta Crystallogr. 1966, 21, 159–160. [Google Scholar]
- Millar, A. A short periodicity in the thick filaments of the anterior byssus retractor muscle of Mytilus edulis. J. Mol. Biol. 1968, 32, 687–688. [Google Scholar] [CrossRef]
- Bennett, P.M.; Elliott, A. The ‘catch’ mechanism in molluscan smooth muscle: An electron microscopy study of freeze-substituted anterior byssus retractor muscle of Mytilus edulis. J. Muscle Res. Cell Motil. 1989, 10, 297–311. [Google Scholar] [CrossRef]
- Takahashi, I.; Shimada, M.; Akimoto, T.; Kishi, T.; Sugi, H. Electron microscopic evidence for the thick filament interconnections associated with the catch state in the anterior byssal retractor muscle of Mytilus edulis. Comp. Biochem. Physiol. Part A Mol. Integr. Physiol. 2003, 134, 115–120. [Google Scholar] [CrossRef]
- Lowy, J.; Millman, B.M. The contractile mechanism of the anterior byssus retractor muscle of Mytilus edulis. Philos. Trans. R. Soc. Lond. Ser. B Biol. Sci. 1963, 246, 105–148. [Google Scholar]
- Ruegg, J.C. Actomyosin inactivation by thiourea and the nature of viscous tone in a molluscan smooth muscle. Proc. R. Soc. Lond. Ser. B Biol. Sci. 1963, 158, 177–195. [Google Scholar]
- Galler, S.; Höpflinger, M.C.; Andruchev, O.; Andruchova, O.; Grassberger, H. Effects of vanadate, phosphate and 2,3-butandione monoxime (BDM) on skinned molluscan catch muscle. Pflűgers Arch. 2005, 449, 372–383. [Google Scholar] [CrossRef]
- Yamada, A.; Yoshio, M.; Kojima, H.; Oiwa, K. An in vitro assay reveals essential protein components for the “catch” state of invertebrate smooth muscle. Proc. Natl. Acad. Sci. USA 2001, 98, 6635–6640. [Google Scholar] [CrossRef]
- Butler, T.M.; Mooers, S.U.; Narayan, S.; Siegman, M.J. Regulation ofcatch muscle by twitchin phosphorylation: Effects on force, ATPase, and shortening. Biophys. J. 1998, 75, 1904–1914. [Google Scholar] [CrossRef]
- Butler, T.M.; Narayan, S.R.; Mooers, S.U.; Hartshorne, D.J.; Siegman, M.J. The myosin cross-bridge cycle and its control by twitchin phosphorylation in catch muscle. Biophys. J. 2001, 80, 415–426. [Google Scholar] [CrossRef]
- Butler, T.M.; Siegman, M.J. A force-activated kinase in a catch smooth muscle. J. Muscle Res. Cell Motil. 2011, 31, 349–358. [Google Scholar] [CrossRef] [PubMed][Green Version]
- Funabara, D.; Hamamoto, C.; Yamamoto, K.; Inoeu, A.; Ueda, M.; Osawa, R.; Kanoh, S.; Hartshorne, D.J.; Suzuki, S.; Watabe, S. Unphosphorylated twitchin forms a complex with actin and myosin that may contribute to tension maintenance in catch. J. Exp. Biol. 2007, 210, 4399–4410. [Google Scholar] [CrossRef] [PubMed]
- Funabara, D.; Osawa, R.; Ueda, M.; Kanoh, S.; Hartshorne, D.J.; Watabe, S. Myosin loop 2 is involved in the formation of a trimeric complex of twitchin, actin, and myosin. J. Biol. Chem. 2009, 284, 18015–18020. [Google Scholar] [CrossRef] [PubMed]
- Funabara, D.; Nishimura, Y.; Kanoh, S. Phosphorylation properties of the N-terminal region of twitchin from molluscan catch muscle. Am. J. Mol. Biol. 2019, 9, 110–120. [Google Scholar] [CrossRef][Green Version]










Publisher’s Note: MDPI stays neutral with regard to jurisdictional claims in published maps and institutional affiliations. |
© 2020 by the authors. Licensee MDPI, Basel, Switzerland. This article is an open access article distributed under the terms and conditions of the Creative Commons Attribution (CC BY) license (http://creativecommons.org/licenses/by/4.0/).
Share and Cite
Sugi, H.; Ohno, T.; Moriya, M. Mechanism and Function of the Catch State in Molluscan Smooth Muscle: A Historical Perspective. Int. J. Mol. Sci. 2020, 21, 7576. https://doi.org/10.3390/ijms21207576
Sugi H, Ohno T, Moriya M. Mechanism and Function of the Catch State in Molluscan Smooth Muscle: A Historical Perspective. International Journal of Molecular Sciences. 2020; 21(20):7576. https://doi.org/10.3390/ijms21207576
Chicago/Turabian StyleSugi, Haruo, Tetsuo Ohno, and Masamichi Moriya. 2020. "Mechanism and Function of the Catch State in Molluscan Smooth Muscle: A Historical Perspective" International Journal of Molecular Sciences 21, no. 20: 7576. https://doi.org/10.3390/ijms21207576
APA StyleSugi, H., Ohno, T., & Moriya, M. (2020). Mechanism and Function of the Catch State in Molluscan Smooth Muscle: A Historical Perspective. International Journal of Molecular Sciences, 21(20), 7576. https://doi.org/10.3390/ijms21207576
