Next Article in Journal
Computational Analysis of Histamine Protonation Effects on H1R Binding
Next Article in Special Issue
Ethanol Coupling Reactions over MgO–Al2O3 Mixed Oxide-Based Catalysts for Producing Biofuel Additives
Previous Article in Journal
Anti-COVID-19 Potential of Ellagic Acid and Polyphenols of Punica granatum L.
Previous Article in Special Issue
Dry Water as a Promoter for Gas Hydrate Formation: A Review
 
 
Font Type:
Arial Georgia Verdana
Font Size:
Aa Aa Aa
Line Spacing:
Column Width:
Background:
Article

Synthesis and Evaluation of Fluorine-18-Labeled L-Rhamnose Derivatives

1
Chemistry and Synthesis Center, National Heart, Lung, and Blood Institute, National Institutes of Health, Rockville, MD 20850, USA
2
Center for Infectious Disease Imaging, Radiology and Imaging Sciences, Clinical Center, National Institutes of Health, Bethesda, MD 20892, USA
*
Author to whom correspondence should be addressed.
These authors contributed equally to this work.
Molecules 2023, 28(9), 3773; https://doi.org/10.3390/molecules28093773
Submission received: 3 March 2023 / Revised: 4 April 2023 / Accepted: 21 April 2023 / Published: 27 April 2023
(This article belongs to the Special Issue Feature Papers in Applied Chemistry)

Abstract

The use of radiolabeled glucose for PET imaging resulted in the most commonly used tracer in the clinic, 2-deoxy-2-[18F]fluoroglucose (FDG). More recently, other radiolabeled sugars have been reported for various applications, including imaging tumors and infections. Therefore, in this study, we developed a series of fluorine-18-labeled L-rhamnose derivatives as potential PET tracers of various fungal and bacterial strains. Acetyl-protected triflate precursors of rhamnose were prepared and radiolabeled with fluorine-18 followed by hydrolysis to produce L-deoxy [18F]fluororhamnose. The overall radiochemical yield was 7–27% in a 90 min synthesis time with a radiochemical purity of 95%. In vivo biodistribution of the ligands using PET imaging showed that 2-deoxy-2-[18F]fluoro-L-rhamnose is stable for at least up to 60 min in mice and eliminated via renal clearance. The tracer also exhibited minimal tissue or skeletal uptake in healthy mice resulting in a low background signal.

1. Introduction

Structural imaging along with microbiological confirmation have long been the mainstay of the management of infectious diseases. However, structural imaging is nonspecific and in cases with deep seated infections, invasive methods such as biopsies or bronchoalveolar lavage are needed to provide microbiological analysis, sometimes with inconclusive results [1,2]. Positron emission tomography (PET) is a non-invasive imaging technique that measures the body’s biochemical functions and metabolism. When coupled with CT or MRI, PET has been widely acknowledged in detecting tumors, infections, and systemic inflammatory diseases in different stages [3,4,5,6]. Fluorine-18 radiolabeled glucose, 2-deoxy-2-[18F]fluoroglucose (FDG), is the most commonly used ligand in the clinic, mainly in cancer imaging. It has recently been approved for the imaging of infection and inflammation [7]. FDG is, however, unable to differentiate infectious etiologies from other causes of increased glucose metabolism, such as tumors and sterile inflammation.
More recently, other radiolabeled sugars have been developed for different purposes, such as imaging tumors [8] but more commonly for imaging different infections [9,10,11]. L-Rhamnose is a naturally occurring 6-deoxy sugar that is commercially used in the food, beverage, cosmetic and pharmaceutical industries (Figure 1, compound 1) [12,13], but has no role in mammalian metabolism [14]. In E. coli, it is catabolized by a pathway involved with isomerization and phosphorylation [15], and in multiple fungal species, it is degraded through non-phosphorylated, aldolase glycolysis [16,17,18,19,20]. In addition, exclusively bacterial D- and L-sugars, including L-Rhamnose, are known to be incorporated into higher-order bacterial glycans [21].
In 2016, Liu et al. reported a series of L-rhamnose derivatives with optimized metabolic profiles (Figure 1, compounds 24) [22]. Their work has provided a platform for the development of radiolabeled L-rhamnose derivatives which might have potential for distinguishing infections from other pathologies and possibly distinguishing different pathogens (e.g., fungi vs. bacteria). Herein, we report our results in developing a series of L-rhamnose-based PET imaging probes (Figure 1, compounds 57).

2. Results and Discussion

2.1. Chemistry

Compound 3 reported by Liu et al. provided a base for this PET probe developmental work [22]. The fluorine on the 2-position of Compound 3 provided a suitable labeling site for fluorine-18, the most commonly used positron-emitting isotope for PET imaging studies. Inspired by the tracer-development work of FDG derivatives [23,24,25], the 3 and 6-fluoro analogues of rhamnose were designed to compare their in vivo properties. The radiosynthesis of 5 was accomplished via nucleophilic substitution from the trifluoromethanesulfonate (triflate) precursor 14 followed by hydrolysis, similar to the synthesis of FDG [26]. The synthesis of the triflate precursor was achieved following a procedure found in the literature, with minor modifications (Scheme 1) [27]. Briefly, commercially available L-rhamnose (1) was used as the starting material. Per-O-acetylation of 1 through the iodine-promoted acetylation [28] resulted in a near-quantitative formation of pentaacetate 8. A two-steps selective O-deacetylation on the 2-position was performed according to the literature procedure [27]. The key steps to produce ortho−ester 10 were achieved via 1-bromination of compound 8 to produce compound 9, followed by a reaction with EtOH and 2,4,6-collidine. The bromo derivative 9 is unstable; therefore, the reaction to prepare 10 was performed immediately with the freshly prepared 9. The subsequent hydrolysis in HCl/acetone yielded the 2-hydroxyl derivative 11. To achieve the axial 2-fluorine in the desired product 5 through a nucleophilic substitution (SN2) reaction, an equatorial triflate is necessary for the precursor 14. Therefore, a stereo inversion of the 2-hydroxyl group of compound 11 was performed via a two-steps Lattrell–Dax epimerization reaction [29]. Compound 11 was converted to triflate derivative 12 first, followed by a nitrite-mediated epimerization. The equatorial 2-hydroxyl epimer 13 was obtained in a reasonably good yield (65%). The desired triflate precursor 14 was synthesized quantitatively from compound 13. Synthesis of the reference non-radioactive standard, 2-deoxy-2-fluoro-L-Rhamnose (3) was initially attempted with the typical DAST fluorination of 13; however, no desired product was observed, probably due to the low stability of 13 under the reaction condition. With the milder TBAF fluorination condition mimicking the radiofluorination, 3 was obtained from its triflate precursor 14 in a 6% yield.
The synthesis of non−radioactive standard, 3-deoxy-3-fluoro-L-Rhamnose (23), and the radiolabeling precursor 24 were started from commercially available methyl-L-rhamnopyranoside 15 (Scheme 2). First, the 3-hydroxyl group was selectively protected to achieve benzyl derivative 16 using a dimethyltin dichloride catalyzed reaction. Acetylation on the rest of the hydroxyl groups was performed to obtain 17. Without purification, the 1-methoxy group on crude compound 17 was converted to acetate to produce 18 in a good yield over two-steps. Subsequent de-benzylation with palladium on carbon produced 3-hydroxyl compound 19. A similar Lattrell–Dax epimerization as described above for the synthesis of compound 13 was performed to obtain the stereo-inverted epimer 21. Fluorination with DAST, followed by de-acetylation, successfully produced 23 in a moderate yield. The triflate precursor 24 was synthesized by treating 21 with triflic anhydride/pyridine using a standard condition.
Synthesis of non−radioactive standard, 6-fluoro-L-Rhamnose (29), and the triflate precursor 30 (Scheme 3) was more straight-forward. Starting from commercially available L-mannose 25, selective protection of the primary hydroxyl group on 6-CH2OH was achieved using triphenylmethyl chloride, followed by a per-O-acetylation to provide 26. The triphenylmethyl protective group was then removed to obtain 27. The non-radioactive standard 29, was obtained from the reaction of 27 with DAST, followed by de-acetylation under the same condition as above. Similarly, the triflate precursor 30 was synthesized by treating the hydroxyl derivative 27 with triflic anhydride/pyridine.

2.2. Radiochemistry

The radiosyntheses of the target probes 57 were achieved in two-steps: fluorination and the deprotection of the acetyl-protecting group (Scheme 4). Labeling efficiency was first standardized manually using 3–10 mCi of [18F]fluoride. In general, the cyclotron-produced [18F]fluoride was trapped on an anion exchange cartridge, and was eluted with a water/methanolic solution of tetrabutylammonium bicarbonate (TBAB) [30]. TBAB was selected because it was reported to be more efficient for the radiofluorination of base-sensitive precursors. After azeotropic drying with anhydrous acetonitrile, the precursor solution was added and the radiofluorination was performed at 70 °C. The progress of the reaction was monitored using analytical high-performance liquid chromatography (HPLC). The fluorine-18-labeled intermediate was purified via HPLC using a semi-preparative column.
The collected fraction was diluted with water and trapped on a solid phase extraction (SPE) cartridge. The trapped intermediate was eluted with ethanol through a potassium carbonate cartridge into vial containing a stir bar. The eluted mixture was stirred for 10 min and neutralized. The final product was retained on an FDG purification cartridge and eluted with normal saline. The radiochemical yields (RCYs) for 57 were 7–12%, 10–15%, and 18–25%, respectively (uncorrected, n > 3), in ~90 min. Radiochemical purities were >95%. The identity of the final radiolabeled product was confirmed via liquid chromatography mass spectrometry (LCMS) by co-eluting with a non-radioactive standard. A representative HPLC for compound 6 is presented in Figure 2. A radio TLC analysis revealed the absence of [18F]fluoride in the labeled intermediate and the final product (Figure 3).
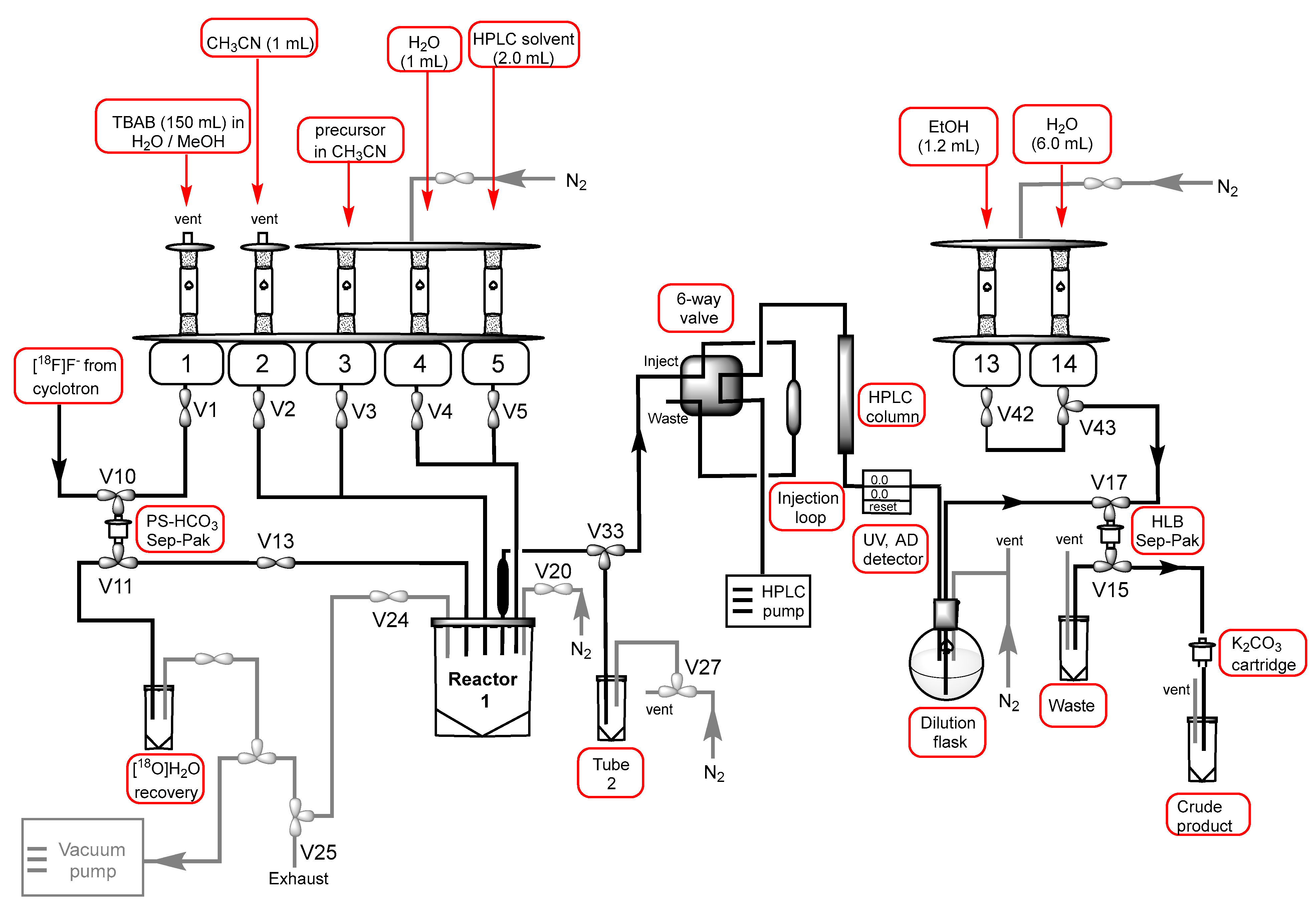
After successful manual standardization of the procedure, an automated synthesis was performed in a GE Tracerlab FX-N module (Figure 4). The synthesis consisted of seven reagent vials. Vials 1–5 were used for the elution of [18F]fluoride, drying, and fluorination reaction. Vials 13 and 14 were used for the trap and release of the purified intermediate. The valve 15 normal close was connected to the crude product vial through an inline K2CO3 cartridge for hydrolysis. The crude product was formulated by trapping on an FDG cartridge and eluting with normal saline.
All three tracers were stable in saline (pH 6) at room temperature for at least 4 h. Compound 5 was stable at 37 °C in whole human serum and compound 7 was slowly decomposed (Table 1). However, compound 6 rapidly decomposed resulting in 70% being intact after 4 h (Figure S1).

2.3. PET/CT Imaging

Representative dynamic PET images for a healthy mouse injected with a single bolus of 2-deoxy-2-[18F]fluoro-L-rhamnose (5) and the averaged time activity curves are shown in Figure 5A,B. The images indicate that after the initial blood pool clearance, the tracer shows little to no tissue uptake in the lungs, heart, liver, spleen, or brain and is quickly eliminated by renal clearance. These results suggest that 5 is not metabolized by mammalian cells, as expected. Additionally, it was not detected within the skeletal system at any point and thus the ligand is stable for at least 60 min in vivo. The time activity curves showed that 5 has a short biological half-life of 3.4 ± 1.7 min. The in vivo biodistribution of the other two radiolabeled derivatives of rhamnose (6 and 7) were also obtained using dynamic PET imaging. Both 6 and 7 showed rapid defluorination upon injection in mice, as evidenced by the increasing skeletal uptake in the representative PET images (Figure 6).

3. Material and Methods

3.1. General

Methyl-rhamnopyranoside was obtained from Combi-Blocks Inc. (San Diego, CA, USA). All other chemicals and solvents were received from Sigma Aldrich (St. Louis, MO, USA) and used without further purification. Fluorine-18 was received from the National Institutes of Health cyclotron facility (Bethesda, MD, USA). A Chromafix PS-HCO3 cartridge was purchased from Synthra GmbH (Hamburg Germany). Oasis HLB plus and K2CO3 cartridges were obtained from Waters (Milford, MA, USA). An FDG cartridge was purchased from NucMedCor (San Francisco, CA, USA). Mass spectrometry (MS) was performed on a 6130 Quadrupole LC/MS, Agilent Technologies instrument equipped with a diode array detector. 1H, 13C, and 19F NMR spectra were recorded on a Varian spectrometer (400 MHz). Chemical shifts (ppm) were reported relative to the solvent residual peaks. HPLC for purification and analytical analysis were performed on an Agilent 1200 Series instrument equipped with multi-wavelength detectors along with a flow count radiodetector (Eckert & Ziegler, B-FC-3500 diode). LC-MS/MS analysis was performed on an Agilent 6460C triple quadrupole mass spectrometer with an ESI source and a flow count radiodetector (Eckert & Ziegler, B-FC-3500 diode). The LC unit was an Agilent 1200 series chromatographic system equipped with a 1260 binary pump, 1290 thermostatted column compartment and 1260 high-performance autosampler. Instrument control and data processing were performed using Aglient’s MassHunter Software.

3.2. Chemical Syntheses

(3R,4R,5S,6S)-6-methyltetrahydro-2H-pyran-2,3,4,5-tetrayl tetraacetate (8). The synthetic process followed the literature [27]. L-Rhamnose (1, 10 g, 54.9 mmol) was carefully added in portions (3 portions in 15 min) to a stirring solution of iodine (0.125 g, 0.49 mmol) in acetic anhydride (60 mL) in a cool-water bath (10–15 °C). The resulting mixture was allowed to warm up to room temperature and stirred for 2 h. The mixture was then poured onto a mixture of crushed ice and saturated aqueous Na2S2O3 (250 mL, 1:1 mixture) with vigorous stirring. To the resulting light-yellow mixture in an ice-water bath, NaHCO3 was added portion wise until no more CO2 was released. The crude product was extracted with CH2Cl2 (150 mL × 3). The organic layer was combined, washed with saturated NaHCO3 solution and water (400 mL each), and dried over anhydrous Na2SO4. Crude product 8 was obtained by removing the volatiles under reduced pressure (19.33 g, 95.4% yield, α:β anomer ratio = 3:1). 1H NMR (400 MHz, Chloroform-d) δ 6.02 (d, J = 1.9 Hz, 1H), 5.83 (s, 0.34H), 5.48 (s, 0.34H), 5.36–5.28 (m, 1H), 5.26 (dd, J = 3.5, 2.0 Hz, 1H), 5.18–5.05 (m, 1.7H), 4.00–3.90 (m, 1H), 3.72–3.62 (m, 0.36H), 2.23 (s, 4H), 2.22, (s, 1H), 2.20 (s, 3H), 2.15 (s, 3H), 2.11 (s, 1H), 2.07 (s, 4H), 2.01 (s, 4H), 1.30 (d, J = 6.2 Hz, 1H), 1.25 (d, J = 6.2 Hz, 3H). MS (ESI) calculated mass for the parent C14H20O9 332.11 [M], found 355.00 [M + Na].
(3R,4R,5S,6S)-2-bromo-6-methyltetrahydro-2H-pyran-3,4,5-triyl triacetate (9). To a solution of compound 8 (19.33 g, 58.2 mmol) in glacial acetic acid (20 mL) and acetic anhydride (1.6 mL), HBr in acetic acid (30%, 20 mL) was added dropwise in an ice-water bath and vigorous stirring. The resulting mixture was stirred at rt overnight and slowly quenched with a pre-cooled saturated NaHCO3 solution (500 mL). The brominated intermediate was extracted with CHCl3 (200 mL × 2). The organic layer was combined and dried over anhydrous Na2SO4. The bromide intermediate 9 was obtained by removing the volatiles under reduced pressure as a yellow oil (17.8 g).
(5S,6S,7R,7aR)-2-ethoxy-2,5-dimethyltetrahydro-5H-[1,3]dioxolo [4,5-b]pyran-6,7-diyl diacetate (10). The oily bromide intermediate 9 was dissolved in a mixture of anhydrous acetonitrile (8 mL), and 2,4,6-collidine (11 mL) and ethanol (200 proof, 13 mL) was added. The resulting mixture was stirred at rt overnight, diluted with CH2Cl2 (300 mL), and washed with water (300 mL × 2) and brine (200 mL). The organic layer was dried over anhydrous Na2SO4. Crude product was obtained by removing the volatiles under reduced pressure. Product 10 was purified using flash column chromatography with hexane/ethyl acetate 4/1 to 2/1 gradient (7.8 g, 42.2% yield for 2 steps). 1H NMR (400 MHz, Chloroform-d) δ 5.41 (d, J = 2.4 Hz, 1H), 5.16–5.02 (m, 2H), 4.59 (dd, J = 3.8, 2.4 Hz, 1H), 3.65–3.47 (m, 3H), 2.12 (s, 3H), 2.07 (s, 3H), 1.75 (s, 3H), 1.30–1.14 (m, 6H). MS (ESI) calculated mass for the parent C14H22O8 318.13 [M], found 341.00 [M + Na].
(3R,4S,5S,6S)-3-hydroxy-6-methyltetrahydro-2H-pyran-2,4,5-triyl triacetate (11). Hydrochloric acid (1 N, 10 mL) was added to a solution of the orthoester 10 (7 g, 22.0 mmol) and acetone (15 mL). The mixture was stirred at rt for 10 min and volatiles were removed under reduced pressure. The resulting crude product was dissolved in CH2Cl2 (150 mL) and washed with water (150 mL × 2). The organic layer was dried over anhydrous Na2SO4. Crude product was obtained by removing the volatiles under reduced pressure. Product 11 was purified using flash column chromatography with hexane/ethyl acetate 4/1 to 1/1 gradient (3.15 g, 49.3% yield). 1H NMR (400 MHz, Chloroform-d) δ 5.76 (s, 1H), 5.15 (t, J = 9.8 Hz, 1H), 4.99 (dd, J = 9.9, 3.0 Hz, 1H), 4.22–4.15 (m, 1H), 3.65 (dq, J = 9.3, 6.2 Hz, 1H), 2.5–2.25 (br s, 1H), 2.17 (s, 3H), 2.11 (s, 3H), 2.06 (s, 3H), 1.27 (d, J = 6.2 Hz, 3H). MS (ESI) calculated mass for the parent C12H18O8 290.10 [M], found 313.00 [M + Na].
(3S,4S,5S,6S)-3-hydroxy-6-methyltetrahydro-2H-pyran-2,4,5-triyl triacetate (13). The triacetate 11 (1.0 g, 3.19 mmol) was dissolved in anhydrous CH2Cl2 (20 mL) and anhydrous pyridine (3.5 mL) and cooled with an ice-salt bath. Trifluoromethanesulfonic anhydride (4.5 g, 15.97 mmol) in CH2Cl2 (10 mL) was added dropwise. The mixture was stirred at rt for 20 min, and then sequentially washed with HCl (0.3 M, 30 mL), saturated NaHCO3 (30 mL), and brine (30 mL). The organic layer was dried over anhydrous Na2SO4. The crude triflate was obtained by removing the volatiles under reduced pressure.
The crude triflate (12, 1.35 g) was stirred with acetonitrile (30 mL) and tetrabutylammonium nitrate (4.59 g, 16.0 mmol) at rt for 1 h. Crude product was obtained by removing the volatiles under reduced pressure. Product 13 was purified using flash column chromatography with hexane/ethyl acetate 3/1 to 1/1 gradient (0.65 g, 65% yield for 2 steps). 1H NMR (400 MHz, Chloroform-d) δ 5.58 (d, J = 8.3 Hz, 1H), 5.07 (t, J = 9.5 Hz, 1H), 4.77 (t, J = 9.6 Hz, 1H), 3.76–3.60 (m, 2H), 3.05 (s, 1H), 2.15 (s, 3H), 2.07 (s, 3H), 2.04 (s, 3H), 1.20 (d, J = 6.2 Hz, 3H). MS (ESI) calculated mass for the parent C12H18O8 290.10 [M], found 313.00 [M + Na].
(3S,4R,5S,6S)-6-methyl-3-(((trifluoromethyl)sulfonyl)oxy)tetrahydro-2H-pyran-2,4,5-triyl triacetate (14). The triacetate 13 (0.52 g, 1.79 mmol) was dissolved in anhydrous CH2Cl2 (20 mL) and anhydrous pyridine (1.2 mL) and cooled with an ice-salt bath. Trifluoromethanesulfonic anhydride (1.52 g, 5.37 mmol) in CH2Cl2 (10 mL) was added dropwise. The mixture was stirred at rt for 20 min, and then sequentially washed with HCl (0.3 M, 30 mL), saturated NaHCO3 (30 mL), and brine (30 mL). The organic layer was dried over anhydrous Na2SO4. Crude product was obtained by removing the volatiles under reduced pressure. Flash column chromatography was used to purify product 14 with hexane/ethyl acetate 3/1 to 1/1 gradient (0.75 g, quant. yield). 1H NMR (400 MHz, Chloroform-d) δ 5.80 (d, J = 8.3 Hz, 1H), 5.38 (t, J = 9.6 Hz, 1H), 4.89–4.76 (m, 2H), 3.78 (dq, J = 9.7, 6.1 Hz, 1H), 2.16 (s, 3H), 2.07 (s, 3H), 2.05 (s, 3H), 1.25 (d, J = 6.2 Hz, 3H). 13C NMR (101 MHz, CDCl3) δ 169.53, 169.51, 168.44, 118.21 (q, J = 319.0 Hz), 90.21, 80.92, 77.35, 77.23, 77.03, 76.71, 73.02, 71.27, 71.24, 20.49, 20.37, 20.26, 17.02. MS (ESI) calculated mass for the parent C13H17F3O10S 422.05 [M], found 362.90 [M-OAc].
(3R,4R,5R,6S)-3-fluoro-6-methyltetrahydro-2H-pyran-2,4,5-triol (2-deoxy-2-fluoro-L-rhamnose, (3). To a solution of 2-hydroxyl analogue 14 (50 mg, 0.118 mmol) in anhydrous acetonitrile (2 mL), TBAF in THF (1.0 M, 0.177 mL, 0.177 mmol) was added. The solution was stirred at 65 °C overnight. The volatiles were removed under reduced pressure. Flash column chromatography was used to purify product 7 with hexane/ethyl acetate 5/1 to 2/1 gradient (3.5 mg, 10% yield, α:β anomer ratio = 1:1). 1H NMR (400 MHz, Chloroform-d) δ 6.02 (s, 1H), 5.78 (d, J = 60 Hz, 1H), 5.35–5.30 (m, 1 H), 3.30–5.25 (m, 1H), 5.18–5.10 (m, 2H), 5.08–4.95 (m, 1H), 4.88 (dd, J = 120, 4.0 Hz, 1H), 4.00–3.80 (m, 1H), 3.73–3.65 (m, 1H), 2.20 (s, 3H), 2.09 (s, 3H), 2.08 (s, 3H), 2.12 (s, 3H), 2.08 (s, 3H), 2.02 (s, 3H), 1.30 (d, J = 6.0 Hz, 3H), 1.25 (d, J = 6.0 Hz, 3H). MS (ESI) calculated mass for the parent C12H17FO7 292.10 [M], found 273.10 [M-F]. Triacetate (3.5 mg, 0.012 mmol) was dissolved in TFA (1.0 mL) and stirred at 50 °C for 1 h. The volatiles were removed under a reduced pressure to yield 2-deoxy-2-fluoro-L-rhamnose (25) as a yellow oil (1.2 mg, 6%). The 19F NMR chromatogram was compared with the literature which found an identical result [22].
(3R,4R,5S,6S)-4-(benzyloxy)-2-methoxy-6-methyltetrahydro-2H-pyran-3,5-diol (16). Methyl-rhamnopyranoside 15 (2.85 g, 16.0 mmol), benzyl bromide (2.91 mL, 24 mmol), dimethyltin dichloride (351 mg, 1.6 mmol), and Ag2O (4.07 g, 17.6 mmol) were stirred in anhydrous acetonitrile (90 mL) at room temperature for 15 h. After being filtered through a celite pad, the filtrate was evaporated and the residue was purified using silica gel flash chromatography to afford 16 as a colorless oil (3.41 g, 79%, α:β = 1). β-isomer: 1H NMR (400 MHz, CDCl3) δ 7.30–7.32 (m, 5H), 4.71 (d, 1H, J = 1.6 Hz), 4.70 (d, 1H, J = 11.3 Hz), 4.57 (d, 1H, J = 11.3 Hz), 4.02 (dd, 1H, J = 1.6 and 3.1 Hz), 3.67–3.61 (m, 2H), 3.56 (m, 1H), 3.36 (s, 3H), 1.32 (d, J = 6.3 Hz, 3H). α-isomer: 1H NMR (400 MHz, CDCl3) δ 7.39–7.32 (m, 5H), 4.75 (d, 1H, J = 11.3 Hz), 4.74 (s, 1H), 4.52 (d, 1H, J = 11.7 Hz), 3.72–3.68 (m, 2H), 3.60 (m, 1H), 3.42 (t, 1H, J = 9.0 Hz), 3.35 (s, 3H), 1.34 (d, J = 6.3 Hz, 3H). MS (ESI) calculated mass for the parent C14H20O5 268 [M], found 268 [M].
(3R,4R,5S,6S)-4-(benzyloxy)-5-hydroxy-6-methyltetrahydro-2H-pyran-2,3-diyldiacetate (18). Compound 16 (3.24 g, 12.1 mmol) was dissolved in anhydrous pyridine (12 mL) and Ac2O (7 mL). The solution was stirred at room temperature for 15 h. Solvents were evaporated and the residue was dissolved in EtOAc (300 mL), washed with sat. NaHCO3, 1 N HCl, H2O, and brine, and dried over Na2SO4. After the evaporation of solvents, the crude product 17 was used for next step. H2SO4 (0.6 mL) was added dropwise to a solution of 17 (4.25 g, 12.1 mmol) in Ac2O (20 mL) and the solution was stirred at room temperature for 5 h. The reaction mixture was poured into a stirred mixture of ethyl acetate (150 mL) and sat. NaHCO3 (80 mL). The organic phase was separated and washed with sat. NaHCO3 and brine and dried over Na2SO4. After the evaporation of solvents, the residue was purified using silica gel flash chromatography to afford the product 18 as a colorless oil (3.37 g, 73%). 1H NMR (400 MHz, CDCl3): δ 7.37–7.26 (m, 5H), 6.12 (d, 0.27H, J = 2.0 Hz), 6.03 (d, 0.73H, J = 2.0 Hz), 5.34 (dd, 0.73H, J = 2.0 and 3.5 Hz), 5.23 (m, 0.27H), 5.16 (m, 0.27H), 5.07 (t, 0.73H, J = 9.0 Hz), 4.72–4.43 (m, 2H), 3.94–3.79 (m, 2H), 2.16 (s, 2.19H), 2.12 (s, 0.81H), 2.11 (s, 2.19H), 2.10 (s, 0.81H), 2.05 (s, 0.81H), 2.04 (s, 2.19H), 1.23 (d, J = 6.3 Hz, 0.81H), 1.21(d, J = 6.3 Hz, 2.19H). MS (ESI) calculated mass for the parent C19H24O8 380 [M], found 403 [M + Na].
(3R,4R,5R,6S)-4-hydroxy-6-methyltetrahydro-2H-pyran-2,3,5-triyl triacetate (19). 10% Pd/C (1.5 g) was added to 18 (3.15 g, 8.28 mmol) in EtOAc (200 mL). The mixture was stirred at room temperature under a H2 atmosphere for 2 h and filtered through a celite pad. The filtrate was evaporated and the residue was purified using silica gel flash chromatography to afford 19 as a white solid (2.14 g, 89%). 1H NMR (400 MHz, CDCl3): δ 6.10 (d, 0.26H, J = 2.0 Hz), 6.06 (d, 0.74H, J = 1.6 Hz), 5.25 (dd, 0.26H, J = 3.1 and 9.8 Hz), 5.17 (m, 0.26H), 5.09 (dd, 0.74H, J = 1.8 and 13.7 Hz), 4.90 (t, 0.74H, J = 9.8 Hz), 4.10–4.00 (m, 1H), 3.97–3.84 (m, 1H), 2.16 (s, 2.22H), 2.12 (s, 0.78H), 2.11 (s, 2.22H), 2.10 (s, 0.78H), 2.05 (s, 0.78H), 2.04 (s, 2.22H), 1.23 (d, J = 6.3 Hz, 0.78H), 1.21(d, J = 6.3 Hz, 2.22H). MS (ESI) calculated mass for the parent C12H18O8 290 [M], found 313 [M + Na].
(3R,4R,5S,6S)-6-methyl-4-(((trifluoromethyl)sulfonyl)oxy)tetrahydro-2H-pyran-2,3,5-triyl triacetate (20). Trifluoromethanesulfonic anhydride (0.33 mL, 1.94 mmol) was added to a mixture of compound 19 (508 mg, 1.75 mmol) and pyridine (0.22 mL) in dichloromethane (18 mL) at −18 °C. After stirring for 0.5 h, the mixture was warmed up to 0 °C and stirred for an additional 0.5 h. Water (50 mL) was added and the organic layer was separated. The aqueous layer was extracted with dichloromethane (3 × 50 mL). The combined organic layers were washed with 10% H2SO4, sat. NaHCO3, and brine and dried over MgSO4. After the evaporation of solvents, the residue was purified using silica gel flash chromatography to afford product 20 as a colorless oil (494 mg, 67%). 1H NMR (400 MHz, CDCl3): δ 6.06 (d, 1H, J = 2.0 Hz), 5.38 (dd, 1H, J = 2.0 and 3.5 Hz), 5.28 (t, 1H, J = 9.8 Hz), 5.18 (dd, 1H, J = 3.7 and 10.0 Hz), 3.92 (m, 1H), 2.21 (s, 3H), 2.18 (s, 3H), 2.15 (s, 3H), 1.27 (d, J = 6.3 Hz, 3H). 19F NMR (376 MHz, CDCl3): δ −75.0. MS (ESI) calculated mass for the parent C13H17F3O10S 422 [M], found 445 [M + Na].
(3R,4S,5R,6S)-4-hydroxy-6-methyltetrahydro-2H-pyran-2,3,5-triyl triacetate (21). Compound 20 (422 mg, 1.0 mmol) was dissolved in dry CH3CN (2 mL) and solid tetrabutylammonium nitrite (1.44 g, 5 mmol) was added. After stirring for 1 h at rt, the reaction mixture was evaporated. The residue was dissolved in CH2Cl2, washed with brine, and dried over MgSO4. After the evaporation of solvents, the residue was purified using silica gel flash chromatography to afford product 21 as a white solid (87 mg, 30%). 1H NMR (400 MHz, CDCl3): δ 5.95 (d, 0.84H, J = 2.3 Hz), 5.91 (s, 0.16H), 5.10 (m, 0.16H), 5.02 (dd, 0.16H, J = 1.6 and 3.5 Hz), 5.00 (dd, 0.84H, J = 2.3 and 4.3 Hz), 4.89 (dd, 0.84H, J = 3.3 and 8.8 Hz), 4.27 (m, 0.84H), 4.12–4.06 (m, 1H), 3.74 (m, 0.16H), 2.15 (s, 0.48H), 2.13 (s, 0.84 × 6H), 2.12 (s, 0.84 × 3H), 2.11 (s, 0.48H), 2.10 (s, 0.48H), 1.33 (d, J = 6.7 Hz, 0.48H), 1.25(d, J = 6.7 Hz, 0.84 × 3H). MS (ESI) calculated mass for the parent C12H18O8 290 [M], found 313 [M + Na].
(3S,4R,5S,6S)-4-fluoro-6-methyltetrahydro-2H-pyran-2,3,5-triyl triacetate (22). DAST (0.12 mL, 0.90 mmol) was slowly added to a solution of 21 (26 mg, 0.090 mmol) in anhydrous CH2Cl2 (1 mL) at −40 °C. The reaction was stirred at room temperature for 24 h. After being cooled down to −20 °C, MeOH (0.2 mL) was added and the solvent was removed under reduced pressure. The residue was diluted with CH2Cl2 (30 mL), washed with water, and dried over MgSO4. After the evaporation of solvents, the residue was purified using silica gel flash chromatography to afford product 22 as a colorless oil (14 mg, 54% yield). 1H NMR (400 MHz, CDCl3): δ 6.05 (d, 1H, J = 2.0 Hz), 5.19 (m, 1H), 4.87 (m, 1H), 4.38 (m, 1H), 4.26 (m, 1H), 2.13 (s, 3H), 2.12 (s, 3H), 2.11 (s, 3H), 1.36 (dd, 3H, J = 1.2 and 7.0 Hz). 19F NMR (376 MHz, CDCl3): δ −205.1. MS (ESI) calculated mass for the parent C12H17FO7 292 [M], found 292 [M].
(3S,4R,5S,6S)-4-fluoro-6-methyltetrahydro-2H-pyran-2,3,5-triol (23). NaOMe (10 mg, 0.19 mmol) was added to a suspension of 22 (14 mg, 0.048 mmol) in dry MeOH (1.7 mL). The mixture was stirred at room temperature for 15 h. Then, the reaction mixture was neutralized with Dowex (H+) resin, filtrated, concentrated, and purified using silica gel flash column chromatography to afford 23 as a white solid (3.2 mg, 56% yield). 1H NMR (400 MHz, CD3OD): δ 4.93 (d, 0.41H, J = 1.2 Hz), 4.90 (d, 0.36H, J = 2.0 Hz), 4.22 (m, 0.36H), 4.28 (m, 0.36H), 4.10–4.03 (m, 0.82H), 3.97 (m, 0.41H), 3.80 (m, 0.36H), 3.51 (m, 0.41H), 3.38 (m, 0.36H), 1.30 (dd, 1.26H, J = 1.0 and 6.9 Hz); 1.25 (dd, 1.08H, J = 1.9 and 6.7 Hz); 19F NMR (376 MHz, CDCl3): δ −201.6, −206.1; HRMS (ESI) calculated mass for the parent C6H11FO4 166.0641 [M], found 165.0565 [M − H].
(3R,4S,5S,6S)-6-methyl-4-(((trifluoromethyl)sulfonyl)oxy)tetrahydro-2H-pyran-2,3,5-triyl triacetate (24). Compound 24 (25 mg, 41% yield) was prepared using the same preparation procedure as compound 12. 1H NMR (400 MHz, CDCl3): δ 5.94 (d, 1H, J = 2.0 Hz), 5.35 (m, 1H), 5.09 (dd, 1H), 4.89 (dd, 1H), 4.42 (dd, 1H), 2.16 (s, 3H), 2.15 (s, 3H), 2.12 (s, 3H), 1.46 (d, 3H); 19F NMR (376 MHz, CDCl3): δ −74.9. HRMS (ESI) calculated mass for the parent C13H17F3O10S 422.0495 [M], found 445.0377 [M + Na].
(3S,5S,6R)-6-((trityloxy)methyl)tetrahydro-2H-pyran-2,3,4,5-tetrayl tetraacetate (26). Triphenylmethyl chloride (3.4 g, 12.2 mmol) was added to L-Mannose 25 (2.00 g, 11.1 mmol) in anhydrous pyridine (10 mL). The mixture was stirred at room temperature for 15 h. A total of 6 mL of Ac2O was added afterwards and the solution was stirred for another 15 h. The mixture was poured into ice-cold water and extracted with EtOAc (3 × 100 mL). The combined organic layer was washed with brine and dried over Na2SO4. After the evaporation of solvents, the residue was purified using silica gel flash chromatography to afford product 26 as a white solid (5.84 g, 89%). 1H NMR (400 MHz, CDCl3): δ 7.46–7.22 (m, 15 H), 6.10 (s, 0.7H), 5.85 (s, 0.3H), 5.52 (m, 1H), 5.43–5.52 (m, 2H), 3.91 (m, 0.7H), 3.64 (m, 0.3H), 3.34 (m, 1H), 3.18 (0.3H), 3.07 (m, 0.7H), 2.24 (s, 2.1H), 2.23 (s, 0.9H), 2.17 (s, 2.1H), 2.14 (s, 0.9H), 2.00 (s, 2.1H), 1.98 (s, 0.9H), 1.76 (s, 0.9H), 1.75 (s, 2.1H). MS (ESI) calculated mass for the parent C33H34O10 590 [M], found 613 [M + Na].
(3S,5S,6R)-6-(hydroxymethyl)tetrahydro-2H-pyran-2,3,4,5-tetrayl tetraacetate (27). 33% HBr in HOAc (1.6 mL) was added to the solution of compound 26 (4.60 g, 7.80 mmol) in glacial acetic acid (16 mL) at 10 °C. The mixture was stirred for 10 min. The formed triphenylmethyl bromide was immediately removed via filtration. The filtrate was diluted with cold water and extracted with EtOAc (3 × 100 mL). The combined organic layer was washed with water and brine and dried over Na2SO4. After the evaporation of solvents, the residue was purified using silica gel flash chromatography to afford product 27 as a white solid (2.23 g, 82%). 1H NMR (400 MHz, CDCl3): δ 6.09 (d, 0.67H, J = 1.6 Hz), 5.87 (d, 0.33H, J = 1.2 Hz), 5.49 (dd, 0.33H, J = 1.2 and 11.5 Hz), 5.40 (dd, 0.67H, J = 3.3 and 10.0 Hz), 5.33 (m, 0.67H), 5.27 (m, 1H), 5.17 (dd, 0.33H, J = 3.3 and 10.5 Hz), 3.85 (m, 0.67H), 3.73 (m, 1H), 3.66–3.58 (m, 1.33H), 2.21 (s, 0.99H), 2.17 (s, 2.01H), 2.16 (s, 2.01H), 2.10 (s, 0.99H), 2.08 (s, 2.01H), 2.04 (s, 0.99H), 2.02 (s, 2.01H), 2.01 (s, 0.99H). MS (ESI) calculated mass for the parent C14H20O10 348 [M], found 371 [M + Na].
(3S,4R,5R,6R)-6-(fluoromethyl)tetrahydro-2H-pyran-2,3,4,5-tetrayl tetraacetate (28). Compound 28 (30 mg, 28%) was prepared using the same preparation procedure as compound 22. 1H NMR (400 MHz, CDCl3): δ 6.11 (d, 0.57H, J = 2.0 Hz), 5.88 (d, 0.43H, J = 2.0 Hz), 5.49 (m, 0.43H), 5.38–5.35 (m, 2 × 0.57H), 5.31 (m, 0.43H), 5.26 (m, 0.57H), 5.15 (m, 0.43H), 4.56 (m, 1H), 4.44 (m, 1H), 4.02 (m, 0.57H), 3.80 (m, 0.43); 2.21 (s, 3 × 0.43 H), 2.17 (s, 3H), 2.16 (s, 3 × 0.57H) 2.11 (s, 3 × 0.43H), 2.07 (s, 3H), 2.01 (s, 3 × 0.57H); 19F NMR (376 MHz, CDCl3): δ −231.9, −232.4. MS (ESI) calculated mass for the parent C14H19FO9 350 [M], found 350 [M].
(3S,4R,5R,6R)-6-(fluoromethyl)tetrahydro-2H-pyran-2,3,4,5-tetraol (29). Compound 29 (10 mg, 87%) was prepared using the same preparation procedure as compound 23. 1H NMR (400 MHz, D2O/CD3OD): δ 5.18 (d, 0.6H, J = 2.0 Hz), 4.92 (d, 0.4H, J = 1.2 Hz), 4.78–4.57 (m, 2H), 3.93 (m, 1H), 3.87 (m, 1H), 3.77 (m, 1H), 3.68 (m, 1H). HRMS (ESI) calculated mass for the parent C6H11FO5 182.0591 [M], found 181.0521 [M − H].
3S,5S,6R)-6-((((trifluoromethyl)sulfonyl)oxy)methyl)tetrahydro-2H-pyran-2,3,4,5-tetrayl tetraacetate (30). Trifluoromethanesulfonic anhydride (0.37 mL, 2.2 mmol) was added to a mixture of compound 27 (696 mg, 2.0 mmol) and pyridine (0.25 mL) in dichloromethane (20 mL) at −10 °C. After stirring for 2 h, water (50 mL) was added. The organic layer was separated and the aqueous layer was extracted with dichloromethane (3 × 50 mL). The organic layers were combined, washed with 10% H2SO4, sat. NaHCO3, and brine, and dried over MgSO4. After the evaporation of solvents, the residue was purified using silica gel flash chromatography to afford product 30 as a white solid (826 mg, 86%). 1H NMR (400 MHz, CDCl3): δ 6.12 (d, 0.62H, J = 2.0 Hz), 5.89 (d, 0.38H, J = 1.2 Hz), 5.49 (dd, 0.38H, J = 1.2 and 3.1 Hz), 5.39 (dd, 0.62H, J = 3.1 and 10.2 Hz), 5.33 (m, 0.62H), 5.30 (m, 0.38H), 5.26 (dd, 0.62H, J = 1.2 and 11.5 Hz), 5.16 (dd, 0.38H, J = 3.1 and 9.8 Hz), 4.58–4.54 (m, 2H), 4.14 (m, 0.62H), 3.92 (m, 0.38), 2.22 (s, 1.14H), 2.19 (s, 1.86H × 2), 2.12 (s, 1.14H), 2.10 (s, 1.86H), 2.05 (s, 1.14H), 2.03 (s, 1.86H), 2.02 (s, 1.14H). 19F NMR (376 MHz, CDCl3): δ −74.3, −74.4. HRMS (ESI) calculated mass for the parent C15H19F3O12S 480.0549 [M], found 503.0433 [M + Na].

3.3. Radiochemical Syntheses

All three tracers were prepared following the general procedure described below.
Radiosyntheses were performed on a GE Tracerlab FX-N2 synthesizer. The synthesis consisted of 7 reagent vials on the GE synthesizer. Vials 1–5 were used for the elution, the drying of fluorine-18, and the fluorination reaction. Vials 13–14 were used for the formulation of the purified intermediate. An inline K2CO3 cartridge was incorporated between valve 15 and the product vial. Specifically, the reagent vials contained the following: Vial 1: tetrabutylammonium bicarbonate solution (150 µL, 0.075 M), 50 µL water, and MeOH (1 mL); Vial 2: ACN (1 mL); Vial 3: triflate precursor (5 mg) in ACN (0.6 mL); Vial 4: water (1 mL); Vial 5: HPLC solvent (2.0 mL); Vial 13: EtOH (2 mL); Vial 14: water (6 mL); HPLC dilution flask: water (30 mL). The vial 11 inlet port was connected to the V15 right port to transfer the intermediate to reactor 2 (R2).
Typically, 7.4 GBq (200 mCi) [18F]fluoride in 2.5 mL of water was passed through a Chromafix PS-HCO3 cartridge, which was rinsed with 1 mL of acetonitrile. The retained [18F]fluoride was eluted from the cartridge into reactor 1 (R1) with the eluent in Vial 1 and dried under a N2/vacuum at 75 °C for 4 min. R1 was cooled to 50 °C, acetonitrile in Vial 2 was added and the activity was azeotropically dried at 55 °C for 3 min and at 95 °C for an additional 3 min under a N2/vacuum. The activity was further dried using a vacuum for 3 min. The [18F]fluoride drying cycle took about 20 min.
The triflate precursor solution in Vial 3 was added to the dried activity. The resulting solution was stirred at 70 °C for 20 min and cooled to 45 °C. The reaction mixture was diluted with 1.0 mL of water (Vial 4) and transferred into Tube 2. R1 was rinsed with HPLC mobile phase (Vial 5) and the solution was also transferred into Tube 2. The solution in Tube 2 was thoroughly mixed by bubbling N2 for 10 s and injected into the HPLC for purification. HPLC condition: Phenomenex Luna (2) C18 column, 250 × 10 mm, 5 µm. Mobile phase: 40% ACN in 0.1% TFA. Flow rate: 4 mL/min. The labeled intermediate was eluted for about 12–14 min which was collected in the dilution flask containing 30 mL of water and passed through an Oasis HLB plus cartridge (pre-conditioned with 5 mL of ethanol, 10 mL of air, and 10 mL of water). The trapped labeled intermediate was rinsed with 6 mL of water (Vial 14), eluted with 2 mL of absolute ethanol (Vial 13) through the inline K2CO3 cartridge to the vial with a stir bar, and then the mixture was stirred for 10 min. Saline pH 2.5 (2 mL) was added to the vial, the solution was passed through a preconditioned (18 mL ethanol and 30 mL water) FDG cartridge. The cartridge was washed with saline pH 2.5 (1 mL). The product was eluted with 4 mL of normal saline. The synthesis time was ~90 min.

3.4. Animals

All experimental procedures, including the handling and care of the animals, were approved by the Animal Care and Use Committee of the Clinical Center of the NIH and performed under relevant NIH policies. Healthy female CD-1 mice (aged 6–8 weeks, Charles River, Charleston, SC, USA) were used for the PET/CT imaging. All mice were housed with a 12-h light/dark cycle with free access to food and water.

3.5. PET/CT Imaging

The mice were first anesthetized with 3–4% isoflurane and the animals were kept warm using a heating pad during the scan.
A preclinical Inveon PET/CT scanner (Siemens Medical Solutions, Malvern, PA, USA) was used. Each animal was first secured onto the scanner bed and placed symmetrically within the center FOV. A CT scan was then performed for attenuation correction and anatomic guidance when placing the volumes of interest for the calculation of radioactivity concentrations (VOIs). Immediately after the PET acquisition was started, the tracer was injected via the tail vein (~9 MBq) as a bolus (n = 4), followed by a quick saline flush (total ~200 μL). Dynamic PET images were acquired over a period of 60 min in list mode. The emission sinograms were corrected for scatter, 18F-decay, random, and dead time. The resulting histograms were then reconstructed by applying Fourier rebinning and the 3D ordered subject expectation maximization algorithm (OSEM-3D). The images were analyzed with pMOD 3.2. For dynamic PET imaging with 3-deoxy-3-[18F]-fluoro-L-rhamnose, a Mediso PET/CT scanner was used. The imaging methodology and the dose administered did not differ from the previous scans conducted on the Inveon imager. The images were analyzed using Fusion software (Mediso Ltd., Budapest, Hungary).

4. Conclusions

Three fluorine-18-labeled L-rhamnose derivatives have been developed for PET imaging studies with the ultimate goal of using those compounds to image various infectious diseases. Using triflate precursors, these new radioligands were prepared with medium to high RCY. The radiolabeling methods were successfully automated with the intention of large-scale production. All three derivatives were used for PET/CT imaging in mice. Of these, 3-deoxy-3-[18F]fluoro-L-rhamnose and 6-[18F]fluoro-L-rhamnose showed rapid defluorination after in vivo injection (Figure 6). On the other hand, 2-deoxy-2-[18F]fluoro-L-rhamnose was found to be very stable upon injection in healthy mice. This ligand rapidly cleared and there was minimal uptake in various organs indicating lack of uptake and/or metabolism by mammalian cells. There was also no liver metabolism detected and excretion was completely via the renal route (Figure 5). Furthermore, unlike FDG, there was no discernable accumulation of the ligand in the myocardial tissues. We are only describing uptake of radiolabeled L-Rhamnose in healthy animals. We are currently finalizing in vitro and in vivo uptake results in different animal models of infection in order to establish the usefulness of radiolabeled Rhamnose in detecting infection in vivo. The results will be published separately.

Supplementary Materials

The following supporting information can be downloaded at: https://www.mdpi.com/article/10.3390/molecules28093773/s1.

Author Contributions

Conceptualization, D.A.H. and R.E.S.; Methodology, X.Z., F.B., Z.-D.S., D.A.H. and R.E.S.; Validation, X.Z.; Investigation, X.Z., F.B., D.A.H. and R.E.S.; Resources, D.A.H.; Data curation, X.Z., F.B., Z.-D.S., S.S., J.S., A.M., J.L. and Z.W.; Writing—original draft, X.Z.; Writing—review & editing, X.Z., F.B., Z.-D.S., S.S., J.S., D.A.H. and R.E.S.; Supervision, D.A.H. and R.E.S.; Project administration, R.E.S.; Funding acquisition, D.A.H. and R.E.S. All authors have read and agreed to the published version of the manuscript.

Funding

This work was supported by the Intramural Research Program of the NIH. Intramural research funds for the Chemistry and Synthesis Center were administered by the National Heart, Lung, and Blood Institute. Funding for this study was also provided by the Center for Infectious Disease Imaging, Radiology and Imaging Sciences, Clinical Center, NIH (Intramural Research Program). The content of this publication does not necessarily reflect the views or policies of the Department of Health and Human Services, nor does mention of trade names, commercial products, or organizations imply endorsement by the U.S. Government.

Institutional Review Board Statement

All animal studies were performed in compliance with the protocols (DRD 22-01) approved by NIH Animal Care and Use Committee.

Informed Consent Statement

Not applicable.

Data Availability Statement

Data is contained within the article and Supplementary Materials.

Conflicts of Interest

The authors declare no conflict of interest.

Sample Availability

Not applicable.

References

  1. Griffiths, J.S.; Orr, S.J.; Morton, C.O.; Loeffler, J.; White, P.L. The Use of Host Biomarkers for the Management of Invasive Fungal Disease. J. Fungi 2022, 8, 1307. [Google Scholar] [CrossRef] [PubMed]
  2. Hendrix, C.; McCrary, M.; Hou, R.; Abate, G. Diagnosis and Management of Pulmonary NTM with a Focus on Mycobacterium avium Complex and Mycobacterium abscessus: Challenges and Prospects. Microorganisms 2022, 11, 47. [Google Scholar] [CrossRef]
  3. Gao, Y.; Wu, C.; Chen, X.; Ma, L.; Zhang, X.; Chen, J.; Liao, X.; Liu, M. PET/CT molecular imaging in the era of immune-checkpoint inhibitors therapy. Front. Immunol. 2022, 13, 1049043. [Google Scholar] [CrossRef]
  4. Jaleel, J.; Sagar, S.; Kumar, R. Utility of PET/Computed Tomography in Infection and Inflammation Imaging. PET Clin. 2022, 17, 533–542. [Google Scholar] [CrossRef] [PubMed]
  5. Brown, G.D.; Denning, D.W.; Gow, N.A.R.; Levitz, S.M.; Netea, M.G.; White, T.C. Hidden Killers: Human Fungal Infections. Sci. Transl. Med. 2012, 4, 165rv13. [Google Scholar] [CrossRef]
  6. Havlickova, B.; Czaika, V.A.; Friedrich, M. Epidemiological trends in skin mycoses worldwide. Mycoses 2008, 51 (Suppl. 4), 2–15. [Google Scholar] [CrossRef]
  7. Wahl, R.L.; Dilsizian, V.; Palestro, C.J. At Last, (18)F-FDG for Inflammation and Infection! J. Nucl. Med. 2021, 62, 1048–1049. [Google Scholar] [CrossRef]
  8. Liu, T.; Zhang, J.; Wang, X.; Yang, J.; Tang, Z.; Lu, J. Radiolabeled glucose derivatives for tumor imaging using SPECT and PET. Curr. Med. Chem. 2014, 21, 24–34. [Google Scholar] [CrossRef]
  9. Gabr, M.T.; Haywood, T.; Gowrishankar, G.; Srinivasan, A.; Gambhir, S.S. New synthesis of 6″-[(18) F]fluoromaltotriose for positron emission tomography imaging of bacterial infection. J. Labelled Comp. Radiopharm. 2020, 63, 466–475. [Google Scholar] [CrossRef] [PubMed]
  10. Kalita, M.; Parker, M.F.; Luu, J.M.; Stewart, M.N.; Blecha, J.E.; VanBrocklin, H.F.; Evans, M.J.; Flavell, R.R.; Rosenberg, O.S.; Ohliger, M.A.; et al. Arabinofuranose-derived positron-emission tomography radiotracers for detection of pathogenic microorganisms. J. Label. Compd. Radiopharm. 2020, 63, 231–239. [Google Scholar] [CrossRef]
  11. Ordonez, A.A.; Wintaco, L.M.; Mota, F.; Restrepo, A.F.; Ruiz-Bedoya, C.A.; Reyes, C.F.; Uribe, L.G.; Abhishek, S.; D’Alessio, F.R.; Holt, D.P.; et al. Imaging Enterobacterales infections in patients using pathogen-specific positron emission tomography. Sci. Transl. Med. 2021, 13, eabe9805. [Google Scholar] [CrossRef] [PubMed]
  12. Illmann, S.; Davidek, T.; Gouezec, E.; Rytz, A.; Schuchmann, H.P.; Blank, I. Generation of 4-Hydroxy-2,5-Dimethyl-3(2H)-Furanone from Rhamnose as Affected by Reaction Parameters: Experimental Design Approach. J. Agric. Food Chem. 2009, 57, 2889–2895. [Google Scholar] [CrossRef]
  13. Robert, L.; Labat-Robert, J.; Robert, A.M. Physiology of Skin Aging. Clin. Plast. Surg. 2012, 39, 1–8. [Google Scholar] [CrossRef]
  14. Ghoneim, A.A. Synthesis of some nucleosides derivatives from L- rhamnose with expected biological activity. Chem. Central J. 2011, 5, 7. [Google Scholar] [CrossRef] [PubMed]
  15. Takagi, Y.; Sawada, H. The metabolism of l-rhamnose in escherichia coli. Biochim. Biophys. Acta (BBA)-Spec. Sect. Enzymol. Subj. 1964, 92, 10–17. [Google Scholar]
  16. Twerdochlib, A.L.; Pedrosa, F.O.; Funayama, S.; Rigo, L.U. L-Rhamnose metabolism in Pichia stipitis and Debaryomyces polymorphus. Can. J. Microbiol. 1994, 40, 896–902. [Google Scholar] [CrossRef]
  17. Koivistoinen, O.M.; Arvas, M.; Headman, J.R.; Andberg, M.; Penttilä, M.; Jeffries, T.W.; Richard, P. Characterisation of the gene cluster for l-rhamnose catabolism in the yeast Scheffersomyces (Pichia) stipitis. Gene 2012, 492, 177–185. [Google Scholar] [CrossRef] [PubMed]
  18. Koivistoinen, O.M.; Hilditch, S.; Voutilainen, S.P.; Boer, H.; Penttilä, M.; Richard, P. Identification in the yeast Pichia stipitis of the first l-rhamnose-1-dehydrogenase gene. FEBS J. 2008, 275, 2482–2488. [Google Scholar] [CrossRef] [PubMed]
  19. Watanabe, S.; Saimura, M.; Makino, K. Eukaryotic and Bacterial Gene Clusters Related to an Alternative Pathway of Nonphosphorylated L-Rhamnose Metabolism. J. Biol. Chem. 2008, 283, 20372–20382. [Google Scholar] [CrossRef]
  20. Kuivanen, J.; Richard, P. Engineering a filamentous fungus for l-rhamnose extraction. AMB Express 2016, 6, 27. [Google Scholar] [CrossRef] [PubMed]
  21. Luong, P.; Ghosh, A.; Moulton, K.D.; Kulkarni, S.S.; Dube, D.H. Synthesis and Application of Rare Deoxy Amino l-Sugar Analogues to Probe Glycans in Pathogenic Bacteria. ACS Infect. Dis. 2022, 8, 889–900. [Google Scholar] [CrossRef] [PubMed]
  22. Liu, Z.; Yoshihara, A.; Kelly, C.; Heap, J.T.; Marqvorsen, M.H.; Jenkinson, S.F.; Wormald, M.R.; Otero, J.M.; Estévez, A.; Kato, A.; et al. 6-Deoxyhexoses from l-Rhamnose in the Search for Inducers of the Rhamnose Operon: Synergy of Chemistry and Biotechnology. Chem.–A Eur. J. 2016, 22, 12557–12565. [Google Scholar] [CrossRef] [PubMed]
  23. Landau, B.R.; Spring-Robinson, C.L.; Muzic, R.F.; Rachdaoui, N.; Rubin, D.; Berridge, M.S.; Schumann, W.C.; Chandramouli, V.; Kern, T.S.; Ismail-Beigi, F. 6-Fluoro-6-deoxy-d-glucose as a tracer of glucose transport. Am. J. Physiol. Metab. 2007, 293, E237–E245. [Google Scholar] [CrossRef] [PubMed]
  24. Spring-Robinson, C.; Chandramouli, V.; Schumann, W.C.; Faulhaber, P.F.; Wang, Y.; Wu, C.; Ismail-Beigi, F.; Muzic, R.F. Uptake of 18F-Labeled 6-Fluoro-6-Deoxy-d-Glucose by Skeletal Muscle Is Responsive to Insulin Stimulation. J. Nucl. Med. 2009, 50, 912–919. [Google Scholar] [CrossRef]
  25. Halama, J.R.; Gatley, S.J.; DeGrado, T.R.; Bernstein, D.R.; Ng, C.K.; Holden, J.E. Validation of 3-deoxy-3-fluoro-D-glucose as a glucose transport analogue in rat heart. Am. J. Physiol. Content 1984, 247 (5 Pt 2), H754-9. [Google Scholar] [CrossRef]
  26. Hamacher, K.; Coenen, H.H.; Stöcklin, G. Efficient stereospecific synthesis of no-carrier-added 2-[18F]-fluoro-2-deoxy-D-glucose using aminopolyether supported nucleophilic substitution. J. Nucl. Med. 1986, 27, 235–238. [Google Scholar]
  27. Toyokuni, T.; Kumar, J.D.; Gunawan, P.; Basarah, E.S.; Liu, J.; Barrio, J.R.; Satyamurthy, N. Practical and reliable synthesis of 1,3,4,6-tetra-O-acetyl-2-O-trifluoromethanesulfonyl-beta-D-mannopyranose, a precursor of 2-deoxy-2-[18F]fluoro-D-glucose (FDG). Mol. Imaging Biol. 2004, 6, 324–330. [Google Scholar] [CrossRef]
  28. Kartha, K.; Field, R.A. Iodine: A versatile reagent in carbohydrate chemistry IV. Per-O-acetylation, regioselective acylation and acetolysis. Tetrahedron 1997, 53, 11753–11766. [Google Scholar] [CrossRef]
  29. Dong, H.; Pei, Z.; Angelin, M.; Byström, S.; Ramström, O. Efficient synthesis of beta-D-mannosides and beta-D-talosides by double parallel or double serial inversion. J. Org. Chem. 2007, 72, 3694–3701. [Google Scholar] [CrossRef]
  30. Moon, B.S.; Park, J.H.; Lee, H.J.; Kim, J.S.; Kil, H.S.; Lee, B.S.; Chi, D.Y.; Lee, B.C.; Kim, Y.K.; Kim, S.E. Highly efficient production of [18F]fallypride using small amounts of base concentration. Appl. Radiat. Isot. 2010, 68, 2279–2284. [Google Scholar] [CrossRef] [PubMed]
Figure 1. Structure of L-rhamnose (1) and derivatives (24) [22]; fluorine-18-labeled L-rhamnose analogues proposed for PET imaging of infections (57, this work).
Figure 1. Structure of L-rhamnose (1) and derivatives (24) [22]; fluorine-18-labeled L-rhamnose analogues proposed for PET imaging of infections (57, this work).
Molecules 28 03773 g001
Scheme 1. Synthesis of 2−deoxy−2−fluoro−L−Rhamnose (3) and the triflate precursor 14.
Scheme 1. Synthesis of 2−deoxy−2−fluoro−L−Rhamnose (3) and the triflate precursor 14.
Molecules 28 03773 sch001
Scheme 2. Synthesis of 3-deoxy-3-fluoro-L-Rhamnose (23) and the triflate precursor 24.
Scheme 2. Synthesis of 3-deoxy-3-fluoro-L-Rhamnose (23) and the triflate precursor 24.
Molecules 28 03773 sch002
Scheme 3. Synthesis of 6-fluoro-L-Rhamnose (29) and the triflate precursor 30.
Scheme 3. Synthesis of 6-fluoro-L-Rhamnose (29) and the triflate precursor 30.
Molecules 28 03773 sch003
Scheme 4. Syntheses of fluorine-18-labeled rhamnose derivatives. (A): 5, 6; (B): 7.
Scheme 4. Syntheses of fluorine-18-labeled rhamnose derivatives. (A): 5, 6; (B): 7.
Molecules 28 03773 sch004
Figure 2. A representative HPLC chromatogram of (A) Fluorine-18-labeled intermediate of compound 6; (B) Compound 6; (C) LCMS of compound 6 with the co-injected non-radioactive standard; HPLC conditions: (A) Phenomenex Luna column (100 × 4.6 mm), 3.5 µm. Using 5–95% organic phase in 8 min; flow rate 1 mL/min. (B,C) Waters BEH Amide column (150 × 4.6 mm), 3.5 µm. Using 90–50% organic phase in 16 min; flow rate 0.5 mL/min. LC-MS/MS ion analysis for m/s 165 [M-H]. Aqueous phase: 95% water + 5% ACN with 0.1% NH4OH; organic phase: 95% ACN + 5% water with 0.1% NH4OH.
Figure 2. A representative HPLC chromatogram of (A) Fluorine-18-labeled intermediate of compound 6; (B) Compound 6; (C) LCMS of compound 6 with the co-injected non-radioactive standard; HPLC conditions: (A) Phenomenex Luna column (100 × 4.6 mm), 3.5 µm. Using 5–95% organic phase in 8 min; flow rate 1 mL/min. (B,C) Waters BEH Amide column (150 × 4.6 mm), 3.5 µm. Using 90–50% organic phase in 16 min; flow rate 0.5 mL/min. LC-MS/MS ion analysis for m/s 165 [M-H]. Aqueous phase: 95% water + 5% ACN with 0.1% NH4OH; organic phase: 95% ACN + 5% water with 0.1% NH4OH.
Molecules 28 03773 g002
Figure 3. Radio-TLC chromatogram of (A) [18F]fluoride; (B) intermediate compound 6; (C) compound 6. TLC developing solvent: 25% methanol in dichloromethane.
Figure 3. Radio-TLC chromatogram of (A) [18F]fluoride; (B) intermediate compound 6; (C) compound 6. TLC developing solvent: 25% methanol in dichloromethane.
Molecules 28 03773 g003
Figure 4. Schematic diagram of the automated synthesis of in GE FX-N Pro synthesizer.
Figure 4. Schematic diagram of the automated synthesis of in GE FX-N Pro synthesizer.
Molecules 28 03773 g004
Figure 5. Dynamic PET/CT imaging of 2-deoxy-2-[18F]-fluoro-L-rhamnose in control mice. A total of 60 min of dynamic PET imaging was performed. (A) Representative coronal sections of PET/CT scan images with frames from 1, 5, 10, 15, 30, 45, and 56 min are shown. (B) Average time–activity curves (n = 4) from various organs.
Figure 5. Dynamic PET/CT imaging of 2-deoxy-2-[18F]-fluoro-L-rhamnose in control mice. A total of 60 min of dynamic PET imaging was performed. (A) Representative coronal sections of PET/CT scan images with frames from 1, 5, 10, 15, 30, 45, and 56 min are shown. (B) Average time–activity curves (n = 4) from various organs.
Molecules 28 03773 g005
Figure 6. PET/CT imaging with 6-[18F]-fluoro-L-rhamnose (A) and 3-deoxy-3-[18F]fluoro-L-rhamnose (B). Representative PET/CT images of control mice demonstrate skeletal uptake, suggesting rapid defluorination of the ligand.
Figure 6. PET/CT imaging with 6-[18F]-fluoro-L-rhamnose (A) and 3-deoxy-3-[18F]fluoro-L-rhamnose (B). Representative PET/CT images of control mice demonstrate skeletal uptake, suggesting rapid defluorination of the ligand.
Molecules 28 03773 g006
Table 1. Stability of tracers at 37 °C in whole human serum.
Table 1. Stability of tracers at 37 °C in whole human serum.
Tracer% Intact
1 h2 h3 h4 h
598989898
697827870
798989792
Disclaimer/Publisher’s Note: The statements, opinions and data contained in all publications are solely those of the individual author(s) and contributor(s) and not of MDPI and/or the editor(s). MDPI and/or the editor(s) disclaim responsibility for any injury to people or property resulting from any ideas, methods, instructions or products referred to in the content.

Share and Cite

MDPI and ACS Style

Zhang, X.; Basuli, F.; Shi, Z.-D.; Shah, S.; Shi, J.; Mitchell, A.; Lai, J.; Wang, Z.; Hammoud, D.A.; Swenson, R.E. Synthesis and Evaluation of Fluorine-18-Labeled L-Rhamnose Derivatives. Molecules 2023, 28, 3773. https://doi.org/10.3390/molecules28093773

AMA Style

Zhang X, Basuli F, Shi Z-D, Shah S, Shi J, Mitchell A, Lai J, Wang Z, Hammoud DA, Swenson RE. Synthesis and Evaluation of Fluorine-18-Labeled L-Rhamnose Derivatives. Molecules. 2023; 28(9):3773. https://doi.org/10.3390/molecules28093773

Chicago/Turabian Style

Zhang, Xiang, Falguni Basuli, Zhen-Dan Shi, Swati Shah, Jianfeng Shi, Amelia Mitchell, Jianhao Lai, Zeping Wang, Dima A. Hammoud, and Rolf E. Swenson. 2023. "Synthesis and Evaluation of Fluorine-18-Labeled L-Rhamnose Derivatives" Molecules 28, no. 9: 3773. https://doi.org/10.3390/molecules28093773

APA Style

Zhang, X., Basuli, F., Shi, Z.-D., Shah, S., Shi, J., Mitchell, A., Lai, J., Wang, Z., Hammoud, D. A., & Swenson, R. E. (2023). Synthesis and Evaluation of Fluorine-18-Labeled L-Rhamnose Derivatives. Molecules, 28(9), 3773. https://doi.org/10.3390/molecules28093773

Article Metrics

Back to TopTop