Sign in to use this feature.

Years

Between: -

Subjects

remove_circle_outline
remove_circle_outline
remove_circle_outline
remove_circle_outline
remove_circle_outline
remove_circle_outline
remove_circle_outline

Journals

Article Types

Countries / Regions

Search Results (11)

Search Parameters:
Keywords = stochastic hill-climbing

Order results
Result details
Results per page
Select all
Export citation of selected articles as:
23 pages, 1924 KB  
Article
Metaheuristic-Based PID Controller Design with MOOD Decision Support Applied to Benchmark Industrial Systems
by Wilson Pavon
Electronics 2025, 14(18), 3630; https://doi.org/10.3390/electronics14183630 - 13 Sep 2025
Viewed by 374
Abstract
This paper presents a comprehensive methodology for the multiobjective tuning of MIMO proportional integral derivative (PID) controllers using advanced metaheuristic strategies. The proposed approach formulates a cost function based on two conflicting performance criteria—the integral of absolute error (IAE) and the integral of [...] Read more.
This paper presents a comprehensive methodology for the multiobjective tuning of MIMO proportional integral derivative (PID) controllers using advanced metaheuristic strategies. The proposed approach formulates a cost function based on two conflicting performance criteria—the integral of absolute error (IAE) and the integral of absolute derivative of control (IADU)—to explore the trade-off between tracking performance and control effort systematically. Three metaheuristic techniques are employed: stochastic hill climbing, a Voronoi-based heuristic, and the Nondominated Sorting Genetic Algorithm (NSGA-II). A novel Multiobjective Optimization Design (MOOD)-based classification framework is incorporated to facilitate decision making across the Pareto front. The methodology is validated on three benchmark MIMO plants, demonstrating its robustness and generalizability. The results highlight that the NSGA-II controller achieves the lowest IADU value of 0.3694 in the mass damper system while maintaining acceptable performance metrics. The inclusion of a PID-split strategy further enhances system flexibility. This study emphasizes the value of metaheuristics in navigating complex design spaces and delivering tailored control solutions for multiobjective scenarios. Full article
(This article belongs to the Section Systems & Control Engineering)
Show Figures

Figure 1

22 pages, 2657 KB  
Article
Optimizing Autonomous Multi-UAV Path Planning for Inspection Missions: A Comparative Study of Genetic and Stochastic Hill Climbing Algorithms
by Faten Aljalaud and Yousef Alohali
Energies 2025, 18(1), 50; https://doi.org/10.3390/en18010050 - 27 Dec 2024
Cited by 2 | Viewed by 1351
Abstract
Efficient path planning is vital for multi-UAV inspection missions, yet the comparative effectiveness of different optimization strategies has not received much attention. This paper introduces the first application of the Genetic Algorithm (GA) and Hill Climbing (HC) to multi-UAV inspection of indoor pipelines, [...] Read more.
Efficient path planning is vital for multi-UAV inspection missions, yet the comparative effectiveness of different optimization strategies has not received much attention. This paper introduces the first application of the Genetic Algorithm (GA) and Hill Climbing (HC) to multi-UAV inspection of indoor pipelines, providing a unique comparative analysis. GA exemplifies the global search strategy, while HC illustrates an enhanced stochastic local search. This comparison is impactful as it highlights the trade-offs between exploration and exploitation—two key challenges in multi-UAV path optimization. It also addresses practical concerns such as workload balancing and energy efficiency, which are crucial for the successful implementation of UAV missions. To tackle common challenges in multi-UAV operations, we have developed a novel repair mechanism. This mechanism utilizes problem-specific repair heuristics to ensure feasible and valid solutions by resolving redundant or missed inspection points. Additionally, we have introduced a penalty-based approach in HC to balance UAV workloads. Using the Crazyswarm simulation platform, we evaluated GA and HC across key performance metrics: energy consumption, travel distance, running time, and maximum tour length. The results demonstrate that GA achieves a 22% reduction in travel distance and a 23% reduction in energy consumption compared to HC, which often converges to suboptimal solutions. Additionally, GA outperforms HC, Greedy, and Random strategies, delivering at least a 13% improvement in workload balancing and other metrics. These findings establish a novel and impactful benchmark for comparing global and local optimization strategies in multi-UAV tasks, offering researchers and practitioners critical insights for selecting efficient and sustainable approaches to UAV operations in complex inspection environments. Full article
Show Figures

Figure 1

40 pages, 6363 KB  
Article
Learning and Evolution: Factors Influencing an Effective Combination
by Paolo Pagliuca
AI 2024, 5(4), 2393-2432; https://doi.org/10.3390/ai5040118 - 15 Nov 2024
Cited by 1 | Viewed by 1187
Abstract
(1) Background: The mutual relationship between evolution and learning is a controversial argument among the artificial intelligence and neuro-evolution communities. After more than three decades, there is still no common agreement on the matter. (2) Methods: In this paper, the author investigates whether [...] Read more.
(1) Background: The mutual relationship between evolution and learning is a controversial argument among the artificial intelligence and neuro-evolution communities. After more than three decades, there is still no common agreement on the matter. (2) Methods: In this paper, the author investigates whether combining learning and evolution permits finding better solutions than those discovered by evolution alone. In further detail, the author presents a series of empirical studies that highlight some specific conditions determining the success of such combination. Results are obtained in five qualitatively different domains: (i) the 5-bit parity task, (ii) the double-pole balancing problem, (iii) the Rastrigin, Rosenbrock and Sphere optimization functions, (iv) a robot foraging task and (v) a social foraging problem. Moreover, the first three tasks represent benchmark problems in the field of evolutionary computation. (3) Results and discussion: The outcomes indicate that the effect of learning on evolution depends on the nature of the problem. Specifically, when the problem implies limited or absent agent–environment conditions, learning is beneficial for evolution, especially with the introduction of noise during the learning and selection processes. Conversely, when agents are embodied and actively interact with the environment, learning does not provide advantages, and the addition of noise is detrimental. Finally, the absence of stochasticity in the experienced conditions is paramount for the effectiveness of the combination. Furthermore, the length of the learning process must be fine-tuned based on the considered task. Full article
Show Figures

Figure 1

35 pages, 10062 KB  
Article
A Particle Swarm Optimization–Adaptive Weighted Delay Velocity-Based Fast-Converging Maximum Power Point Tracking Algorithm for Solar PV Generation System
by Md Adil Azad, Mohd Tariq, Adil Sarwar, Injila Sajid, Shafiq Ahmad, Farhad Ilahi Bakhsh and Abdelaty Edrees Sayed
Sustainability 2023, 15(21), 15335; https://doi.org/10.3390/su152115335 - 26 Oct 2023
Cited by 18 | Viewed by 2489
Abstract
Photovoltaic (PV) arrays have a considerably lower output when exposed to partial shadowing (PS). Whilst adding bypass diodes to the output reduces PS’s impact, this adjustment causes many output power peaks. Because of their tendency to converge to local maxima, traditional algorithms like [...] Read more.
Photovoltaic (PV) arrays have a considerably lower output when exposed to partial shadowing (PS). Whilst adding bypass diodes to the output reduces PS’s impact, this adjustment causes many output power peaks. Because of their tendency to converge to local maxima, traditional algorithms like perturb and observe and hill-climbing should not be used to track the optimal peak. The tracking of the optimal peak is achieved by employing a range of artificial intelligence methodologies, such as utilizing an artificial neural network and implementing control based on fuzzy logic principles. These algorithms perform satisfactorily under PS conditions but their training method necessitates a sizable quantity of data which result in placing an unnecessary demand on CPU memory. In order to achieve maximum power point tracking (MPPT) with fast convergence, minimal power fluctuations, and excellent stability, this paper introduces a novel optimization algorithm named PSO-AWDV (particle swarm optimization–adaptive weighted delay velocity). This algorithm employs a stochastic search approach, which involves the random exploration of the search space, to accomplish these goals. The efficacy of the proposed algorithm is demonstrated by conducting experiments on a series-connected configuration of four modules, under different levels of solar radiation. The algorithm successfully gets rid of the problems brought on by current traditional and AI-based methods. The PSO-AWDV algorithm stands out for its simplicity and reduced computational complexity when compared to traditional PSO and its variant PSO-VC, while excelling in locating the maximum power point (MPP) even in intricate shading scenarios, encompassing partial shading conditions and notable insolation fluctuations. Furthermore, its tracking efficiency surpasses that of both conventional PSO and PSO-VC. To further validate our results, we conducted a real-time hardware-in-the-loop (HIL) emulation, which confirmed the superiority of the PSO-AWDV algorithm over traditional and AI-based methods. Overall, the proposed algorithm offers a practical solution to the challenges of MPPT under PS conditions, with promising outcomes for real-world PV applications. Full article
(This article belongs to the Special Issue Sustainable Technologies and Developments for Future Energy Systems)
Show Figures

Figure 1

9 pages, 2764 KB  
Article
Improved SPGD Algorithm for Optical Phased Array Phase Calibration
by Zheng Wang, Yibo Yang, Ruiting Wang, Guangzhen Luo, Pengfei Wang, Yanmei Su, Jiaoqing Pan and Yejin Zhang
Appl. Sci. 2022, 12(15), 7879; https://doi.org/10.3390/app12157879 - 5 Aug 2022
Cited by 10 | Viewed by 3011
Abstract
A chip-level optical beam steerer is an inevitable choice for next-generation light detection and ranging (LiDAR). The research on optical phased array (OPA) is the most intriguing. However, the complexity of control and calibration speed limit the full potential as the number of [...] Read more.
A chip-level optical beam steerer is an inevitable choice for next-generation light detection and ranging (LiDAR). The research on optical phased array (OPA) is the most intriguing. However, the complexity of control and calibration speed limit the full potential as the number of channels increases. In this paper, an improved stochastic parallel gradient-descent algorithm combined with the Nesterov accelerated gradient method (NSPGD) is presented and applied in a 512-channel OPA. This algorithm can reduce the phase calibration time of large-scale OPA and demonstrates a better convergence performance than traditional SPGD. Compared with the traditional SPGD and hill-climbing (HC) algorithm, optimized convergence performance of NSPGD is shown. The side mode suppression ratio (SMSR) of over 10dB for 512-channel OPA is obtained with the NSPGD algorithm, and the convergence speed is twice that of traditional SPGD. In addition, a temperature-controlled OPA is also studied to stabilize the whole calibration system. Full article
(This article belongs to the Special Issue Laser and Silicon Photonics: Technology, Preparation and Application)
Show Figures

Figure 1

18 pages, 3679 KB  
Article
Determining the Severity of Open and Closed Cracks Using the Strain Energy Loss and the Hill-Climbing Method
by Cristian Tufisi, Catalin V. Rusu, Nicoleta Gillich, Marius Vasile Pop, Codruta Oana Hamat, Christian Sacarea and Gilbert-Rainer Gillich
Appl. Sci. 2022, 12(14), 7231; https://doi.org/10.3390/app12147231 - 18 Jul 2022
Cited by 10 | Viewed by 2241
Abstract
Evaluating the integrity of structures is an important issue in engineering applications. The use of vibration-based techniques has become a common approach to assessing cracks, which are the most frequently occurring damage in structures. When involving an inverse method, it is necessary to [...] Read more.
Evaluating the integrity of structures is an important issue in engineering applications. The use of vibration-based techniques has become a common approach to assessing cracks, which are the most frequently occurring damage in structures. When involving an inverse method, it is necessary to know the influence of the position and the geometry of the crack on the modal parameter changes. The geometry of the crack, both in size and shape, defines the damage severity (DS). In this study, we present a method (DS-SHC) used for estimating the DS for closed and open transverse cracks in beam-like structures using the intact and damaged beam deflections under its weight and a Stochastic Hill Climbing (SHC) algorithm. After describing the procedure of applying DS-SHC, we calculate for a prismatic cantilever beam the severities for different crack types and depths. The results are tested by comparing the DS obtained with DS-SHC with those acquired from dynamic tests made using professional simulation software. We obtained a good fit between the severities determined in these two ways. Subsequently, we performed laboratory experiments and found that the severities obtained with the DS-SHC method can accurately predict the frequency changes due to the crack. Hence, these severities are a valuable tool for damage detection. Full article
(This article belongs to the Special Issue Novel Approaches for Structural Health Monitoring II)
Show Figures

Figure 1

20 pages, 5258 KB  
Article
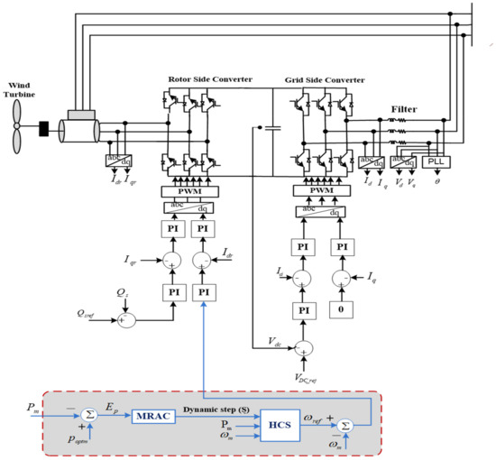
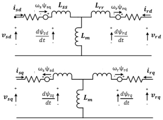
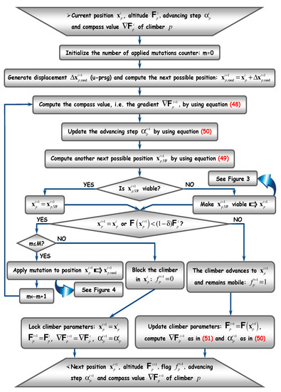
Robust Adaptive HCS MPPT Algorithm-Based Wind Generation System Using Model Reference Adaptive Control
by Ziyad A. Alrowaili, Mustafa M. Ali, Abdelraheem Youssef, Hossam H. H. Mousa, Ahmed S. Ali, Gamal T. Abdel-Jaber, Mohammed Ezzeldien and Fatma Gami
Sensors 2021, 21(15), 5187; https://doi.org/10.3390/s21155187 - 30 Jul 2021
Cited by 21 | Viewed by 3802
Abstract
To treat the stochastic wind nature, it is required to attain all available power from the wind energy conversion system (WECS). Therefore, several maximum power point tracking (MPPT) techniques are utilized. Among them, hill-climbing search (HCS) techniques are widely implemented owing to their [...] Read more.
To treat the stochastic wind nature, it is required to attain all available power from the wind energy conversion system (WECS). Therefore, several maximum power point tracking (MPPT) techniques are utilized. Among them, hill-climbing search (HCS) techniques are widely implemented owing to their various features. Regarding current HCS techniques, the rotor speed is mainly perturbed using predefined constants or objective functions, which makes the selection of step sizes a multifaceted task. These limitations are directly reflected in the overall dynamic WECS performance such as tracking speed, power fluctuations, and system efficiency. To deal with the challenges of the existing HCS techniques, this paper proposes a new adaptive HCS (AD-HCS) technique with self-adjustable step size using model reference adaptive control (MRAC) based on the PID controller. Firstly, the mechanical power fluctuations are detected, then the MRAC continuously optimizes the PID gains so as to generate an appropriate dynamic step size until harvesting the maximum power point (MPP) under the optimal tracking conditions. Looking specifically at the simulation results, the proposed AD-HCS technique exhibits low oscillations around the MPP and a small settling time. Moreover, WECS efficiency is increased by 5% and 2% compared to the conventional and recent HCS techniques, respectively. Finally, the studied system is confirmed over a 1.5 MW, gird-tied, double-fed induction generator (DFIG) WECS using MATLAB/Simulink. Full article
(This article belongs to the Section Electronic Sensors)
Show Figures

Figure 1

41 pages, 24621 KB  
Article
Optimal Identification and Metaheuristic PID Control of a Two-Tank System
by Dan Stefanoiu and Janetta Culita
Electronics 2021, 10(9), 1101; https://doi.org/10.3390/electronics10091101 - 7 May 2021
Cited by 5 | Viewed by 3883
Abstract
In the modern optimization context, this paper introduces an optimal PID-based control strategy for a two-tank installation, namely ASTANK2. The process model was identified by using raw and spline smoothed measured data, respectively. Two PID controller configurations, a standard (regular) one (PID-R) and [...] Read more.
In the modern optimization context, this paper introduces an optimal PID-based control strategy for a two-tank installation, namely ASTANK2. The process model was identified by using raw and spline smoothed measured data, respectively. Two PID controller configurations, a standard (regular) one (PID-R) and a non-standard one (PID-N), were considered for each type of model, resulting in four regulators. The optimal tuning parameters of each regulator were obtained by a searching approach relying on a combination of two metaheuristics. Firstly, an improved version of the Hill Climbing algorithm was employed to comprehensively explore the searching space, aiming to find fairly accurate tuning parameters. Secondly, an improved version of the Firefly Algorithm was proposed to intensively refine the search around the previously found optimal parameters. A comparative analysis between the four controllers was achieved in terms of performance and robustness. The simulation results showed that all optimal controllers yielded good performance in the presence of exogenous stochastic noise (bounded error tracking, setpoint tracking, reduced overshoot, short settling time). Robustness analysis is extensive and illustrates that the PID-R controllers are more robust to model uncertainties, whilst PID-N controllers are more robust to tracking staircase type references. Full article
(This article belongs to the Special Issue Control of Nonlinear Systems and Industrial Processes)
Show Figures

Figure 1

35 pages, 3704 KB  
Article
A New Approach to Identifying a Multi-Criteria Decision Model Based on Stochastic Optimization Techniques
by Bartłomiej Kizielewicz and Wojciech Sałabun
Symmetry 2020, 12(9), 1551; https://doi.org/10.3390/sym12091551 - 20 Sep 2020
Cited by 57 | Viewed by 4686
Abstract
Many scientific papers are devoted to solving multi-criteria problems. Researchers solve these problems, usually using methods that find discrete solutions and with the collaboration of domain experts. In both symmetrical and asymmetrical problems, the challenge is when new decision-making variants emerge. Unfortunately, discreet [...] Read more.
Many scientific papers are devoted to solving multi-criteria problems. Researchers solve these problems, usually using methods that find discrete solutions and with the collaboration of domain experts. In both symmetrical and asymmetrical problems, the challenge is when new decision-making variants emerge. Unfortunately, discreet identification of preferences makes it impossible to determine the preferences for new alternatives. In this work, we propose a new approach to identifying a multi-criteria decision model to address this challenge. Our proposal is based on stochastic optimization techniques and the characteristic objects method (COMET). An extensive work comparing the use of hill-climbing, simulated annealing, and particle swarm optimization algorithms are presented in this paper. The paper also contains preliminary studies on initial conditions. Finally, our approach has been demonstrated using a simple numerical example. Full article
(This article belongs to the Special Issue Uncertain Multi-Criteria Optimization Problems)
Show Figures

Figure 1

32 pages, 6905 KB  
Article
Joint Stochastic Spline and Autoregressive Identification Aiming Order Reduction Based on Noisy Sensor Data
by Dan Stefanoiu and Janetta Culita
Sensors 2020, 20(18), 5038; https://doi.org/10.3390/s20185038 - 4 Sep 2020
Cited by 1 | Viewed by 1975
Abstract
This article introduces the spline approximation concept, in the context of system identification, aiming to obtain useful autoregressive models of reduced order. Models with a small number of poles are extremely useful in real time control applications, since the corresponding regulators are easier [...] Read more.
This article introduces the spline approximation concept, in the context of system identification, aiming to obtain useful autoregressive models of reduced order. Models with a small number of poles are extremely useful in real time control applications, since the corresponding regulators are easier to design and implement. The main goal here is to compare the identification models complexity when using two types of experimental data: raw (affected by noises mainly produced by sensors) and smoothed. The smoothing of raw data is performed through a least squares optimal stochastic cubic spline model. The consecutive data points necessary to build each polynomial of spline model are adaptively selected, depending on the raw data behavior. In order to estimate the best identification model (of ARMAX class), two optimization strategies are considered: a two-step one (which provides first an optimal useful model and then an optimal noise model) and a global one (which builds the optimal useful and noise models at once). The criteria to optimize rely on the signal-to-noise ratio, estimated both for identification and validation data. Since the optimization criteria usually are irregular in nature, a metaheuristic (namely the advanced hill climbing algorithm) is employed to search for the model optimal structure. The case study described in the end of the article is concerned with a real plant with nonlinear behavior, which provides noisy acquired data. The simulation results prove that, when using smoothed data, the optimal useful models have significantly less poles than when using raw data, which justifies building cubic spline approximation models prior to autoregressive identification. Full article
(This article belongs to the Section Physical Sensors)
Show Figures

Figure 1

17 pages, 3526 KB  
Article
Sensor Network Configuration Learning for Maximizing Application Performance
by Joel Helkey and Lawrence Holder
Sensors 2018, 18(6), 1771; https://doi.org/10.3390/s18061771 - 1 Jun 2018
Cited by 3 | Viewed by 3082
Abstract
Numerous applications rely on data obtained from a wireless sensor network where application performance is of utmost importance. However, energy usage is also important, and oftentimes, a subset of sensors can be selected to maximize application performance. We cast the problem of sensor [...] Read more.
Numerous applications rely on data obtained from a wireless sensor network where application performance is of utmost importance. However, energy usage is also important, and oftentimes, a subset of sensors can be selected to maximize application performance. We cast the problem of sensor selection as a local search optimization problem and solve it using a variant of stochastic hill climbing extended with novel heuristics. This paper introduces sensor network configuration learning, a feedback-based heuristic algorithm that dynamically reconfigures the sensor network to maximize the performance of the target application. The proposed algorithm is described in detail, along with experiments conducted and a scalability study. A quick method for launching the algorithm from a better starting point than random is also detailed. The performance of the algorithm is compared to that of two other well-known algorithms and randomness. Our simulation results obtained from running sensor network configuration learning on a number of scenarios show the effectiveness and scalability of our approach. Full article
(This article belongs to the Section Sensor Networks)
Show Figures

Figure 1

Back to TopTop