Sign in to use this feature.

Years

Between: -

Subjects

remove_circle_outline
remove_circle_outline
remove_circle_outline
remove_circle_outline
remove_circle_outline
remove_circle_outline
remove_circle_outline

Journals

Article Types

Countries / Regions

Search Results (12)

Search Parameters:
Keywords = spudcan penetration

Order results
Result details
Results per page
Select all
Export citation of selected articles as:
16 pages, 6614 KB  
Article
Prediction of the Bearing Capacity Envelope for Spudcan Foundations of Jack-Up Rigs in Hard Clay with Varying Strengths
by Mingyuan Wang, Xing Yang, Yangbin Chen, Dong Wang and Huimin Sun
J. Mar. Sci. Eng. 2025, 13(10), 1899; https://doi.org/10.3390/jmse13101899 - 3 Oct 2025
Abstract
In offshore drilling and geological exploration, the stability of jack-up rigs is predominantly determined by the bearing capacities of spudcan foundations during seabed penetration. The penetration depth of spudcans is relatively shallow in hard clay. The formation of a cavity on the top [...] Read more.
In offshore drilling and geological exploration, the stability of jack-up rigs is predominantly determined by the bearing capacities of spudcan foundations during seabed penetration. The penetration depth of spudcans is relatively shallow in hard clay. The formation of a cavity on the top surface of a spudcan often complicates accurate estimation of its capacity. This study employs the finite element method, in conjunction with the Swipe and Probe loading techniques, to examine the failure surfaces of soils of varying strengths. Numerical simulations that consider different gradients of undrained shear strength and cavity depths demonstrate that cavity depth significantly influences the failure envelope. The findings indicate that higher soil strength increases the bearing capacity and reduces the area of soil displacement at failure. Moreover, an enhanced theoretical equation for predicting the vertical-horizontal-moment (V-H-M) failure envelope in hard clay strata is proposed. The equation’s accuracy has been verified against numerical simulation results, revealing an error margin of 3–10% under high vertical loads. This model serves as a practical and valuable tool for assessing the stability of jack-up rigs in hard clay, providing critical insights for engineering design safety and risk assessment. Full article
(This article belongs to the Section Geological Oceanography)
Show Figures

Figure 1

28 pages, 16653 KB  
Article
Integrated Assessment Methodology for Jack-Up Stability: Centrifuge Test of Entire Four-Legged Model for WTIVs
by Mingsheng Xiahou, Zhiyuan Wei, Yilin Wang, Deqing Yang, Jian Chi and Shuxiang Liu
Appl. Sci. 2025, 15(14), 7971; https://doi.org/10.3390/app15147971 - 17 Jul 2025
Viewed by 318
Abstract
Although wind turbine installation vessels (WTIVs) are increasingly operating in deepwater complex geological areas with larger scales, systematic research on and experimental validation of platform jack-up stability remain insufficient. This study aimed to establish a comprehensive evaluation framework encompassing penetration depth, anti-overturning/sliding stability, [...] Read more.
Although wind turbine installation vessels (WTIVs) are increasingly operating in deepwater complex geological areas with larger scales, systematic research on and experimental validation of platform jack-up stability remain insufficient. This study aimed to establish a comprehensive evaluation framework encompassing penetration depth, anti-overturning/sliding stability, and punch-through risk, thereby filling the gap in holistic platform stability analysis. An entire four-legged centrifuge test at 150× g was integrated with coupled Eulerian–Lagrangian (CEL) numerical simulations and theoretical methods to systematically investigate spudcan penetration mechanisms and global sliding/overturning evolution in clay/sand. The key findings reveal that soil properties critically influence penetration resistance and platform stability: Sand exhibited a six-times-higher ultimate bearing capacity than clay, yet its failure zone was 42% smaller. The sliding resistance in sand was 2–5 times greater than in clay, while the overturning behavior diverged significantly. Although the horizontal loads in clay were only 50% of those in sand, the tilt angles at equivalent sliding distances reached 8–10 times higher. Field validation at Guangdong Lemen Wind Farm confirmed the method’s reliability: penetration prediction errors of <5% and soil backflow/plugging effects were identified as critical control factors for punch-through risk assessment. Notably, the overturning safety factors for crane operation at 90° outreach and storm survival were equivalent, indicating operational load combinations dominate overturning risks. These results provide a theoretical and decision-making basis for the safe operation of large WTIVs, particularly applicable to engineering practices in complex stratified seabed areas. Full article
(This article belongs to the Section Marine Science and Engineering)
Show Figures

Figure 1

15 pages, 3145 KB  
Article
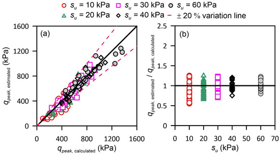
Probabilistic Prediction of Spudcan Bearing Capacity in Stiff-over-Soft Clay Based on Bayes’ Theorem
by Zhaoyu Sun, Pan Gao, Yanling Gao, Jianze Bi and Qiang Gao
J. Mar. Sci. Eng. 2025, 13(7), 1344; https://doi.org/10.3390/jmse13071344 - 14 Jul 2025
Viewed by 335
Abstract
During offshore operations of jack-up platforms, the spudcan may experience sudden punch-through failure when penetrating from an overlying stiff clay layer into the underlying soft clay, posing significant risks to platform safety. Conventional punch-through prediction methods, which rely on predetermined soil parameters, exhibit [...] Read more.
During offshore operations of jack-up platforms, the spudcan may experience sudden punch-through failure when penetrating from an overlying stiff clay layer into the underlying soft clay, posing significant risks to platform safety. Conventional punch-through prediction methods, which rely on predetermined soil parameters, exhibit limited accuracy as they fail to account for uncertainties in seabed stratigraphy and soil properties. To address this limitation, based on a database of centrifuge model tests, a probabilistic prediction framework for the peak resistance and corresponding depth is developed by integrating empirical prediction formulas based on Bayes’ theorem. The proposed Bayesian methodology effectively refines prediction accuracy by quantifying uncertainties in soil parameters, spudcan geometry, and computational models. Specifically, it establishes prior probability distributions of peak resistance and depth through Monte Carlo simulations, then updates these distributions in real time using field monitoring data during spudcan penetration. The results demonstrate that both the recommended method specified in ISO 19905-1 and an existing deterministic model tend to yield conservative estimates. This approach can significantly improve the predicted accuracy of the peak resistance compared with deterministic methods. Additionally, it shows that the most probable failure zone converges toward the actual punch-through point as more monitoring data is incorporated. The enhanced prediction capability provides critical decision support for mitigating punch-through potential during offshore jack-up operations, thereby advancing the safety and reliability of marine engineering practices. Full article
(This article belongs to the Section Ocean Engineering)
Show Figures

Figure 1

17 pages, 13442 KB  
Article
Review of Structural Strength in the Event of a One-Leg Punch through for a Wind Turbine Installation Vessel
by Joo-Shin Park and Myung-Su Yi
J. Mar. Sci. Eng. 2023, 11(6), 1153; https://doi.org/10.3390/jmse11061153 - 31 May 2023
Cited by 1 | Viewed by 2779
Abstract
As the demand for eco-friendly energy increases, the offshore wind power generation sector is showing rapid growth. As offshore wind turbines become larger, the need for specialized installation vessels is becoming a more crucial issue. Wind turbine installation vessels (WTIV) require a necessary [...] Read more.
As the demand for eco-friendly energy increases, the offshore wind power generation sector is showing rapid growth. As offshore wind turbines become larger, the need for specialized installation vessels is becoming a more crucial issue. Wind turbine installation vessels (WTIV) require a necessary pre-loading process where the legs and spudcans are penetrated into the seabed to secure stability during installation. Due to these operational characteristics, the installation work can be completed safely when safe pre-loading is finished. Analyzing previous structural collapse accidents investigated by HSE, 53% of them were punch-through problems related to the seabed, which occurred with a high frequency. Therefore, these lead to major accidents, which is a very high-risk problem. In this study, we investigated and analyzed the punch-through accident cases, and a WTIV model with six legs was applied to numerically examine the maximum vertical reaction force variation when punch through occurs for each leg. The maximum vertical reaction force takes place in leg number three when a punch through occurs in leg number five and maximum stress exceeds the allowable criteria in both hull and legs. This requires proper structural reinforcement such as an increase in the thickness and change in the high-yield stress. The key results of this investigation can be used to determine the basic specifications of wind turbine installation vessels, and the reaction force distribution pattern can be used as fundamental data for leg and hull structural design. Full article
(This article belongs to the Special Issue Advances in Offshore Wind)
Show Figures

Figure 1

13 pages, 2896 KB  
Article
Spudcan Deep Penetration in Multi-Layered Soils Incorporating Sand Relative Density
by Jun Zhao, Qingyun Zhu, Wenjing Huang, Yang Zhang and Luyu Liu
J. Mar. Sci. Eng. 2023, 11(1), 33; https://doi.org/10.3390/jmse11010033 - 27 Dec 2022
Cited by 1 | Viewed by 2443
Abstract
Installing a spudcan jack-up rig in sediments with an interbedded sand-over-clay soil profile is still challenging in the offshore industry due to possible punch-through failure. The current methods for predicting the punch-through of spudcan usually ignore sand relative density, which is one of [...] Read more.
Installing a spudcan jack-up rig in sediments with an interbedded sand-over-clay soil profile is still challenging in the offshore industry due to possible punch-through failure. The current methods for predicting the punch-through of spudcan usually ignore sand relative density, which is one of the most important parameters for sand soil. For multi-layered soils with interbedded sand commonly met in the field, this paper aims to determine the effects of sand relative density on predicting the punch-through failure of spudcan. Modified Mohr-Coulomb (MMC) and extended Tresca models characterized by incorporating a variation of mobilized strength parameters were used to describe the mechanical behaviors of sand and clay. Besides four groups of centrifuge tests, one field case in the South China Sea was also numerically simulated to validate the large deformation finite element (LDFE) analyses conducted in this paper. The results showed that neglect of sand relative density may lead to underestimation of the potential for punch-through failure of spudcan. Full article
(This article belongs to the Section Coastal Engineering)
Show Figures

Figure 1

12 pages, 2382 KB  
Article
On Cubic Spudcan Deep Penetration in Dense Sand Overlying Non-Uniform Clay
by Jun Zhao, Yang Zhang and Luyu Liu
J. Mar. Sci. Eng. 2022, 10(11), 1607; https://doi.org/10.3390/jmse10111607 - 31 Oct 2022
Cited by 4 | Viewed by 1982
Abstract
Installing spudcans for jack-up rigs in a layered seabed with an interbedded strong-over-soft layer is challenging in the offshore industry due to possible punch-through failure. The methods currently used to predict punch-through failure mainly focus on generic spudcans, usually ignoring the geometric features [...] Read more.
Installing spudcans for jack-up rigs in a layered seabed with an interbedded strong-over-soft layer is challenging in the offshore industry due to possible punch-through failure. The methods currently used to predict punch-through failure mainly focus on generic spudcans, usually ignoring the geometric features of the spudcan. The aim of this study is to determine whether the punch-through potential of a generic spudcan is applicable to a cubic spudcan of a BH12# jack-up rig installed in dense sand overlying non-uniform clay. We conducted a series of large deformation finite element (LDFE) analyses on dense sand overlying non-uniform clay using a generic spudcan and a cubic spudcan. The thickness of the sand layer was also varied to cover a range of practical interest. The special cubic spudcan was found to be less likely to induce punch-through failure on sand-over-clay sediments compared with the corresponding generic spudcan. Herein, we propose a method to predict the degree of post-peak bearing reduction, which is a key measure of the severity of punch-through failure. Full article
Show Figures

Figure 1

12 pages, 3361 KB  
Article
Numerical Investigation on the Spudcan Penetration into Sand Overlying Clay Considering the Strain Effects
by Pan Gao, Shuai Yuan, Jinghao Chen and Mingjie Li
Appl. Sci. 2022, 12(15), 7454; https://doi.org/10.3390/app12157454 - 25 Jul 2022
Viewed by 1882
Abstract
A numerical model with a Coupled Eulerian–Lagrangian (CEL) approach is proposed for spudcan penetration into sand overlying clay. Both stress-dependence and strain-softening effects are incorporated into the M–C model to describe the sand, whereas the Tresca model with softening effect is used to [...] Read more.
A numerical model with a Coupled Eulerian–Lagrangian (CEL) approach is proposed for spudcan penetration into sand overlying clay. Both stress-dependence and strain-softening effects are incorporated into the M–C model to describe the sand, whereas the Tresca model with softening effect is used to describe the clay. Effects of the critical state strain threshold in the strain-softening model of sand and the clay sensitivity in the strain-softening model for clay are investigated. The model is verified against different soil conditions: uniform sand, loose sand overlying clay, and dense sand overlying clay. It is found that the stress-dependence effect dominates shallow penetration, whereas the strain-softening effect dominates deep penetration. The assumption of a constant peak friction angle for the accumulated deviatoric plastic strain less than the threshold of peak friction angle leads to an overestimation of the resistance in loose sand. Furthermore, the fit parameter obtained from triaxial tests tends to underestimate the peak resistance in dense sand. The proposed model should provide a valuable tool for geotechnical engineering analysis in sand. Full article
(This article belongs to the Section Marine Science and Engineering)
Show Figures

Figure 1

17 pages, 11937 KB  
Article
Penetration Behavior of the Footing of Jack-Up Vessel of OWTs in Thin Stiff over NC Clay
by Shen Xie, Xinggang Wang, Mi Zhou, Deyong Wang and Weiping Peng
Sustainability 2022, 14(14), 8618; https://doi.org/10.3390/su14148618 - 14 Jul 2022
Viewed by 4303
Abstract
This study investigated the behavior of the spudcan foundation of jack-up vessels of offshore wind turbines during the undrained vertical penetration into thin stiff-over-normally consolidated clay. Large deformation finite element (LDFE) analyses were used to simulate the continuous spudcan penetration into the seabed [...] Read more.
This study investigated the behavior of the spudcan foundation of jack-up vessels of offshore wind turbines during the undrained vertical penetration into thin stiff-over-normally consolidated clay. Large deformation finite element (LDFE) analyses were used to simulate the continuous spudcan penetration into the seabed surface. Detailed parametric analysis was performed to explore a range of normalized soil properties and layer geometry and roughness of the soil–spudcan interface. The results were validated against previously reported data. The LDFE results were consistent with those of centrifuge tests. The evolving soil-failure patterns revealed soil backflow and the trapping of stronger top-layer material beneath the spudcan. The plug shape was influenced by the top layer thickness, the strength gradient of the bottom layer, and the relative strength ratio, which also affected the penetration resistance of soils. In this study, an expression was derived to quantify the plug shape with the aim of providing a theoretical basis for the design of spudcan footings with penetration resistance suitable for thin stiff-over-soft clay. Full article
Show Figures

Figure 1

20 pages, 11434 KB  
Article
Optimization for the Assessment of Spudcan Peak Resistance in Clay–Sand–Clay Deposits
by Jingbin Zheng, Shaoqing Zhang, Dong Wang and Jun Jiang
J. Mar. Sci. Eng. 2021, 9(7), 689; https://doi.org/10.3390/jmse9070689 - 24 Jun 2021
Cited by 4 | Viewed by 2668
Abstract
Clay–sand–clay deposits are commonly encountered in the offshore field. For spudcan installation in this soil stratigraphy, the potential for punch-through exists, with the peak penetration resistance formed within the interbedded sand layer. Therefore, a careful assessment of the penetration resistance profile has to [...] Read more.
Clay–sand–clay deposits are commonly encountered in the offshore field. For spudcan installation in this soil stratigraphy, the potential for punch-through exists, with the peak penetration resistance formed within the interbedded sand layer. Therefore, a careful assessment of the penetration resistance profile has to be performed. Based on the recently proposed failure-stress-dependent model, this paper presents a modified predictive model for estimating the peak resistance. The modified model incorporates the bearing capacity depth factor and the protruded soil plug in the bottom clay layer into the formulation. It is proven that the modified predictive model provides improved deterministic estimations for the peak resistances measured in centrifuge tests. Based on the modified predictive model, a parameter optimization technique is utilized to optimize the prediction of peak resistance using penetration resistances observed beforehand. A detailed application procedure is proposed and applied to the centrifuge tests accumulated from existing publications, with further improvement on the predictions demonstrated. The proposed parameter optimization procedure combined with the modified predictive model provides an approach to perform real-time optimization for assessing spudcan peak resistance in clay–sand–clay deposits. Full article
(This article belongs to the Special Issue Instability and Failure of Subsea Structures)
Show Figures

Figure 1

26 pages, 22355 KB  
Article
The Effects of Installation on the Elastic Stiffness Coefficients of Spudcan Foundations
by Wen-Long Lin, Zhen Wang, Fei Liu and Jiang-Tao Yi
J. Mar. Sci. Eng. 2021, 9(4), 429; https://doi.org/10.3390/jmse9040429 - 15 Apr 2021
Cited by 5 | Viewed by 2744
Abstract
Subjected to pre-load, spudcan foundations, widely utilized to support offshore jack-up rigs, may penetrate in a few diameters into soft clays before mobilizing sufficient resistance from soil. While its stress–strain behavior is known to be affected by the embedment condition and soil backflow, [...] Read more.
Subjected to pre-load, spudcan foundations, widely utilized to support offshore jack-up rigs, may penetrate in a few diameters into soft clays before mobilizing sufficient resistance from soil. While its stress–strain behavior is known to be affected by the embedment condition and soil backflow, the small-strain calculation with wished-in-place assumption was previously adopted to analyze its elastic stiffness coefficients. This study takes advantage of a recently developed dual-stage Eulerian–Lagrangian (DSEL) technique to re-evaluate the elastic stiffness coefficients of spudcans after realistically modelling the deep, continuous spudcan penetration. A numerical parametric exercise is conducted to investigate the effects of strength non-homogeneity, embedment depths, and the spudcan’s size on the elastic stiffness. On these bases, an expression is provided such that the practicing engineers can conveniently factor the installation effects into the estimation of elastic stiffness coefficients of spudcans. Full article
(This article belongs to the Special Issue Structure-Seabed Interactions in Marine Environments)
Show Figures

Figure 1

15 pages, 4837 KB  
Article
Estimation of Distribution Factor for Peak Penetration Resistance Prediction of Spudcan Foundations in Loose to Medium-Dense Sand Overlying Clay
by Muhammad Asad Jan, Muhammad Bilal Adeel, Usman Pervaiz and Duhee Park
Appl. Sci. 2020, 10(24), 8795; https://doi.org/10.3390/app10248795 - 9 Dec 2020
Cited by 2 | Viewed by 2503
Abstract
A series of 3D finite element (FE) analyses were performed to estimate the peak penetration resistance of spudcan foundations in sand over clay soil profiles. Elasto-perfectly plastic models following Mohr–Coulomb and Tresca failure criteria were used for sand and clay layers, respectively. The [...] Read more.
A series of 3D finite element (FE) analyses were performed to estimate the peak penetration resistance of spudcan foundations in sand over clay soil profiles. Elasto-perfectly plastic models following Mohr–Coulomb and Tresca failure criteria were used for sand and clay layers, respectively. The coupled Eulerian–Lagrangian (CEL) approach was used to simulate the large deformation in soil that occurs during the spudcan penetration. The performance of the numerical model was validated against centrifuge test results. A parametric study with a broad range of strength parameters for sand and clay was performed. The numerical results were used to assess the influence of sand thickness (Hs), the diameter of spudcan (D), friction angle of sand, and undrained shear strength of clay (su). A wide range of su was utilized to predict the resistance both of the soft and stiff clays. The calculated peak resistances are compared with a published analytical model. It is demonstrated that the model highly overestimates the peak resistance for stiff clays, most likely because it was developed specifically for soft clays and, therefore, does not account for the influence of su. One of the parameters of the model is revised to account both for su. Comparisons highlight that the modified model is able to capture the simulated peak penetration resistance for both soft and stiff clays. Full article
(This article belongs to the Section Civil Engineering)
Show Figures

Figure 1

19 pages, 13388 KB  
Article
Finite Element Analysis and Parametric Study of Spudcan Footing Geometries Penetrating Clay Near Existing Footprints
by Long Yu, Heyue Zhang, Jing Li and Xian Wang
J. Mar. Sci. Eng. 2019, 7(6), 175; https://doi.org/10.3390/jmse7060175 - 3 Jun 2019
Cited by 13 | Viewed by 5844
Abstract
Most existing research on the stability of spudcans during reinstallation nearing footprints is based on centrifuge tests and theoretical analyses. In this study, the reinstallation of the flat base footing, fusimform spudcan footing and skirted footing near existing footprints are simulated using the [...] Read more.
Most existing research on the stability of spudcans during reinstallation nearing footprints is based on centrifuge tests and theoretical analyses. In this study, the reinstallation of the flat base footing, fusimform spudcan footing and skirted footing near existing footprints are simulated using the coupled Eulerian–Lagrangian (CEL) method. The effects of footprints’ geometry, reinstallation eccentricity (0.25D–2.0D) and the roughness between spudcan and soil on the profiles of the vertical force, horizontal force and bending moment are discussed. The results show that the friction condition of the soil–footing interface has a significant effect on H profile but much less effect on M profile. The eccentricity ratio is a key factor to evaluate the H and M. The results show that the geometry shape of the footing also has certain effects on the V, H, and M profiles. The flat base footing gives the lowest peak value in H but largest in M, and the performances of the fusiform spudcan footing and the skirted footing are similar. From the view of the resultant forces, the skirted footing shows a certain potential in resisting the damage during reinstallation near existing footprints by comparing with commonly used fusiform spudcan footings. The bending moments on the leg–hull connection section of different leg length at certain offset distances are discussed. Full article
(This article belongs to the Special Issue New Advances in Marine Engineering Geology)
Show Figures

Figure 1

Back to TopTop