Numerical Investigation on the Spudcan Penetration into Sand Overlying Clay Considering the Strain Effects
Abstract
:Featured Application
Abstract
1. Introduction
2. Numerical Methodology
2.1. Implementation of the CEL Approach
2.2. Constitutive Models
3. Sensitivity Analysis
3.1. Mesh Convergence and Mass Scaling Effect
3.2. Effect of the Critical State Strain Threshold of Sand
3.3. Effect of Clay Sensitivity
4. Model Verification
4.1. Spudcan Penetration into Uniform Sand
4.2. Spudcan Penetration into Loose Sand Overlying Clay
4.3. Spudcan Penetration into Dense Sand Overlying Clay
5. Conclusions
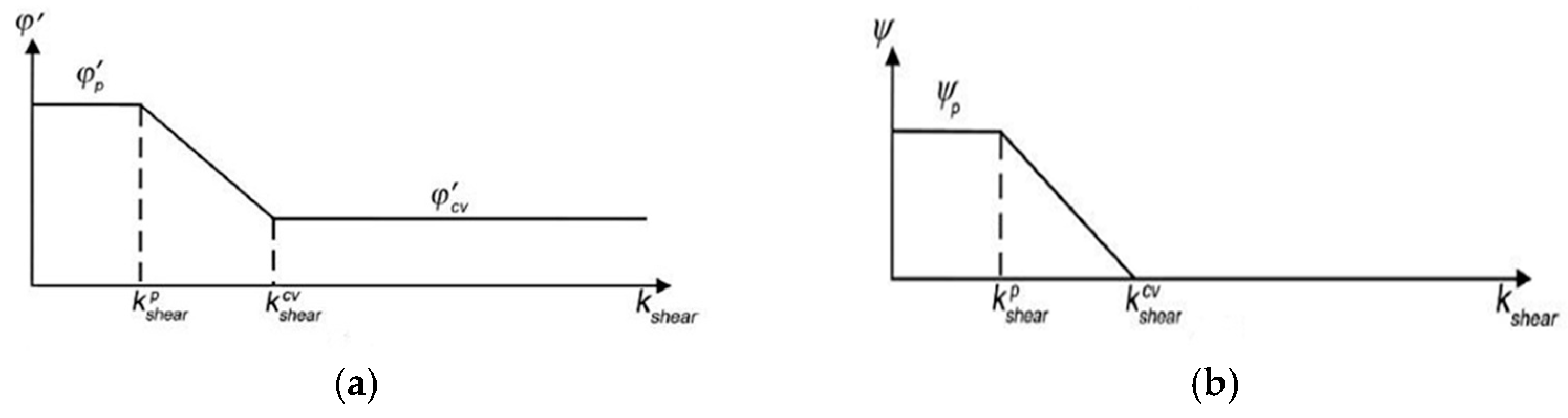
- The peak and post-peak resistances in the sand layer increase with the critical threshold of accumulated deviatoric shear strain. However, the peak resistance will converge at a certain value of (0.5 for the case of Figure 6). No significant peak resistance is observed for (non-strain softening of sand). The resistance in the underlain clay is barely affected by . The resistance at the sand–clay interface decreases about 10% from = 1 to 3, while the resistance profiles are nearly identical for = 3 and 5.
- The proposed model agrees very well with the centrifuge test of spudcan penetration into uniform sand. The penetration in shallow depth is well simulated due to the incorporation of the stress-dependence behavior of sand. Furthermore, the relatively slow increasing rate of resistance is captured by the strain–softening model of sand.
- The spudcan penetration resistance in loose sand overlying clay is also well simulated. However, the resistance in shallow depth is a little overestimated, which is very probably attributed to the assumption of constant peak friction angle for , providing the fact that the peak friction angle of sand needs a process to be mobilized.
- The numerical model captures the peak resistance and post-peak profile in dense sand overlying clay relatively well. However, it underestimates the peak resistance and overestimates the resistance in the underlain clay layer. The difference may be due to the selection of obtained from triaxial tests, which is different from the real process of spudcan penetration conditions.
Author Contributions
Funding
Institutional Review Board Statement
Informed Consent Statement
Acknowledgments
Conflicts of Interest
References
- Hu, P.; Xiao, Z.; Leo, C.; Liyanapathirana, S. Advances in the prediction of spudcan punch-through in double-layered soils. Mar. Struct. 2021, 79, 103038. [Google Scholar] [CrossRef]
- Hu, P.; Haghighi, A.; Coronado, J.; Leo, C.; Liyanapathirana, S.; Li, Z. A comparison of jack-up spudcan penetration predictions and recorded field data. Appl. Ocean Res. 2021, 112, 102713. [Google Scholar] [CrossRef]
- Dembicki, E.; Odrobinski, W. A contribution to the tests on the bearing capacity of stratified subsoil under the foundation. In Proceedings of the 8th International Conferences on Soil Mechanics and Foundation Engineering, Moscow, Russia, 6 August 1973; pp. 61–64. [Google Scholar]
- Meyerhof, G.G. Ultimate Bearing Capacity of Footings on Sand Layer Overlying Clay. Can. Geotech. J. 1974, 11, 223–229. [Google Scholar] [CrossRef]
- Love, J.P.; Burd, H.J.; Milligan, G.W.E.; Houlsby, G.T. Analytical and model studies of reinforcement of a layer of granular fill on a soft clay subgrade. Can. Geotech. J. 1987, 24, 611–622. [Google Scholar] [CrossRef]
- Kenny, M.J.; Andrawes, K.Z. The bearing capacity of footings on a sand layer overlying soft clay. Geotechnique 1997, 47, 339–345. [Google Scholar] [CrossRef]
- Craig, W.H.; Chua, K. Deep penetration of spud-can foundations on sand and clay. Geotechnique 1990, 40, 541–556. [Google Scholar] [CrossRef]
- Okamura, M.; Takemura, J.; Kimura, T. Centrifuge Model Tests on Bearing Capacity And Deformation of Sand Layer Overlying Clay. Soils Found. 1997, 37, 73–88. [Google Scholar] [CrossRef] [Green Version]
- Teh, K.L.; Leung, C.F.; Chow, Y.K.; Cassidy, M.J. Centrifuge model study of spudcan penetration in sand overlying clay. Geotechnique 2010, 60, 825–842. [Google Scholar] [CrossRef]
- Lee, K.K.; Cassidy, M.J.; Randolph, M.F. Bearing capacity on sand overlying clay soils: Experimental and finite-element investigation of potential punch-through failure. Geotechnique 2013, 63, 1271–1284. [Google Scholar] [CrossRef] [Green Version]
- Hu, P.; Wang, D.; Cassidy, M.J.; Stanier, S.A. Predicting the resistance profile of a spudcan penetrating sand overlying clay. Can. Geotech. J. 2014, 51, 1151–1164. [Google Scholar] [CrossRef]
- Hu, P.; Stanier, S.A.; Cassidy, M.J.; Wang, D. Predicting Peak Resistance of Spudcan Penetrating Sand Overlying Clay. J. Geotech. Geoenviron. Eng. 2014, 140, 04013009. [Google Scholar] [CrossRef] [Green Version]
- Lee, K.K.; Randolph, M.F.; Cassidy, M.J. Bearing capacity on sand overlying clay soils: A simplified conceptual model. Geotechnique 2013, 63, 1285–1297. [Google Scholar] [CrossRef]
- Yin, Q.; Yang, J.; Xu, G.; Xie, R.; Tyagi, M.; Li, L.; Zhou, X.; Hu, N.; Tong, G.; Fu, C.; et al. Field experimental investigation of punch-through for different operational conditions during the jack-up rig spudcan penetration in sand overlying clay. J. Pet. Sci. Eng. 2020, 195, 107823. [Google Scholar] [CrossRef]
- Zheng, J.; Chen, Y.; Chen, X.; Wang, D.; Jing, S. Improved Prediction of Peak Resistance for Spudcan Penetration in Sand Layer Overlying Clay. J. Geotech. Geoenviron. Eng. 2022, 148, 04021174. [Google Scholar] [CrossRef]
- Jiang, J.; Wang, D.; Zhang, S. Improved Prediction of Spudcan Penetration Resistance by an Observation-Optimized Model. J. Geotech. Geoenviron. Eng. 2020, 146, 06020014. [Google Scholar] [CrossRef]
- Hossain, M.S.; Hu, P.; Cassidy, M.J.; Menzies, D.; Wingate, A. Measured and calculated spudcan penetration profiles for case histories in sand-over-clay. Appl. Ocean Res. 2019, 82, 447–457. [Google Scholar] [CrossRef]
- Yu, L.; Hu, Y.; Liu, J.; Randolph, M.F.; Kong, X. Numerical study of spudcan penetration in loose sand overlying clay. Comput. Geotech. 2012, 46, 1–12. [Google Scholar] [CrossRef]
- Tho, K.K.; Leung, C.F.; Chow, Y.K.; Swaddiwudhipong, S. Eulerian Finite-Element Technique for Analysis of Jack-Up Spudcan Penetration. Int. J. Geomech. 2012, 12, 64–73. [Google Scholar] [CrossRef]
- Qiu, G.; Henke, S. Controlled installation of spudcan foundations on loose sand overlying weak clay. Mar. Struct. 2011, 24, 528–550. [Google Scholar] [CrossRef]
- Hu, P.; Cassidy, M.J. Predicting jack-up spudcan installation in sand overlying stiff clay. Ocean Eng. 2017, 146, 246–256. [Google Scholar] [CrossRef] [Green Version]
- Zhao, J.; Jang, B.S.; Duan, M.; Liang, C. A finite element approach for predicting the full resistance profile of a spudcan deeply penetrating in dense sand overlying clay. Appl. Ocean Res. 2019, 87, 155–164. [Google Scholar] [CrossRef]
- Wang, D.; Bienen, B.; Nazem, M.; Tian, Y.; Zheng, J.; Pucker, T.; Randolph, M.F. Large deformation finite element analyses in geotechnical engineering. Comput. Geotech. 2015, 65, 104–114. [Google Scholar] [CrossRef]
- Qiu, G.; Grabe, J. Numerical investigation of bearing capacity due to spudcan penetration in sand overlying clay. Can. Geotech. J. 2012, 49, 1393–1407. [Google Scholar] [CrossRef]
- Abbo, A.J.; Sloan, S.W. A smooth hyperbolic approximation to the Mohr-Coulomb yield criterion. Comput. Struct. 1995, 54, 427–441. [Google Scholar] [CrossRef]
- Wolffersdorff, P.-A. von A hypoplastic relation for granular materials with a predefined limit state surface. Mech. Cohesive-Frict. Mater. 1996, 1, 251–271. [Google Scholar] [CrossRef]
- Niemunis, A.; Krieg, S. Viscous behaviour of soil under oedometric conditions. Can. Geotech. J. 1996, 33, 159–168. [Google Scholar] [CrossRef]
- Einav, I.; Randolph, M.F. Combining upper bound and strain path methods for evaluating penetration resistance. Int. J. Numer. Methods Eng. 2005, 63, 1991–2016. [Google Scholar] [CrossRef]
- Qiu, G.; Henke, S.; Grabe, J. Application of a Coupled Eulerian-Lagrangian approach on geomechanical problems involving large deformations. Comput. Geotech. 2011, 38, 30–39. [Google Scholar] [CrossRef]
- Ullah, S.N.; Hu, Y.; Stanier, S.; White, D. Lateral boundary effects in centrifuge foundation tests. Int. J. Phys. Model. Geotech. 2017, 17, 144–160. [Google Scholar] [CrossRef]
- Ullah, S.N.; Hu, Y. A numerical investigation into the bottom boundary effect for spudcan penetration on sand overlying clay in centrifuge test. In Proceedings of the International Conference on Offshore Mechanics and Arctic Engineering—OMAE, Rio de Janeiro, Brazil, 10–15 June 2012; Volume 4, pp. 229–237. [Google Scholar]
- Forcellini, D. 3D Numerical simulations of elastomeric bearings for bridges. Innov. Infrastruct. Solut. 2016, 1, 45. [Google Scholar] [CrossRef] [Green Version]
- Mina, D.; Forcellini, D. Soil–structure interaction assessment of the 23 november 1980 irpinia-basilicata earthquake. Geosci. 2020, 10, 152. [Google Scholar] [CrossRef] [Green Version]
- Castelli, F.; Grasso, S.; Lentini, V.; Sammito, M.S.V. Effects of soil-foundation-interaction on the seismic response of a cooling tower by 3d-fem analysis. Geosci. 2021, 11, 200. [Google Scholar] [CrossRef]
- SNAME. Guidelines for Site Specific Assessment of Mobile Jack-Up Units, T&R Bulletin 5-5 and 5-5A.; SNAME: Jersey City, NJ, USA, 2008. [Google Scholar]
- Bolton, M.D. The strength and dilatancy of sands. Geotechnique 1986, 36, 65–78. [Google Scholar] [CrossRef] [Green Version]
- Conte, E.; Donato, A.; Troncone, A. Progressive failure analysis of shallow foundations on soils with strain-softening behaviour. Comput. Geotech. 2013, 54, 117–124. [Google Scholar] [CrossRef] [Green Version]
- Gao, P.; Duan, M.; Gao, Q.; Jia, X.; Huang, J. A prediction method for anchor penetration depth in clays. Ships Offshore Struct. 2016, 11, 782–789. [Google Scholar] [CrossRef]
- Gao, P.; Liu, Z.; Shi, D.; Fu, X.; Yan, K. Mitigation effect of perforation drilling on the sliding risk during spudcan installation close to footprints. J. Mar. Sci. Eng. 2020, 8, 118. [Google Scholar] [CrossRef] [Green Version]
- White, D.J.; Teh, K.L.; Leung, C.F.; Chow, Y.K. A comparison of the bearing capacity of flat and conical circular foundations on sand. Geotechnique 2008, 58, 781–792. [Google Scholar] [CrossRef] [Green Version]











| Model | Numerical Approach | Constitutive Models Sand | Constitutive Models Clay |
|---|---|---|---|
| Yu et al. [18] | RITSS | Smooth hyperbolic Mohr–Coulomb (M–C) model [25] | Tresca |
| Tho et al. [19] | CEL | M–C model | Tresca |
| Qiu and Henke [20] | CEL | Loose: M–C model Dense: hypoplastic model [26] | Tresca |
| Qiu and Grabe [24] | CEL | Hypoplastic model | Viscohypoplastic model (Niemunis 2003) [27] |
| Hu et al. [11]. | CEL | M–C model | Tresca model with softening effect [28] |
| Zhao et al. (2019) [22] | CEL | Strain-dependent modified M–C model | Tresca model with softening effect [28] |
Publisher’s Note: MDPI stays neutral with regard to jurisdictional claims in published maps and institutional affiliations. |
© 2022 by the authors. Licensee MDPI, Basel, Switzerland. This article is an open access article distributed under the terms and conditions of the Creative Commons Attribution (CC BY) license (https://creativecommons.org/licenses/by/4.0/).
Share and Cite
Gao, P.; Yuan, S.; Chen, J.; Li, M. Numerical Investigation on the Spudcan Penetration into Sand Overlying Clay Considering the Strain Effects. Appl. Sci. 2022, 12, 7454. https://doi.org/10.3390/app12157454
Gao P, Yuan S, Chen J, Li M. Numerical Investigation on the Spudcan Penetration into Sand Overlying Clay Considering the Strain Effects. Applied Sciences. 2022; 12(15):7454. https://doi.org/10.3390/app12157454
Chicago/Turabian StyleGao, Pan, Shuai Yuan, Jinghao Chen, and Mingjie Li. 2022. "Numerical Investigation on the Spudcan Penetration into Sand Overlying Clay Considering the Strain Effects" Applied Sciences 12, no. 15: 7454. https://doi.org/10.3390/app12157454
APA StyleGao, P., Yuan, S., Chen, J., & Li, M. (2022). Numerical Investigation on the Spudcan Penetration into Sand Overlying Clay Considering the Strain Effects. Applied Sciences, 12(15), 7454. https://doi.org/10.3390/app12157454

