Sign in to use this feature.

Years

Between: -

Subjects

remove_circle_outline
remove_circle_outline
remove_circle_outline
remove_circle_outline
remove_circle_outline
remove_circle_outline
remove_circle_outline
remove_circle_outline
remove_circle_outline

Journals

remove_circle_outline
remove_circle_outline
remove_circle_outline
remove_circle_outline
remove_circle_outline
remove_circle_outline
remove_circle_outline
remove_circle_outline
remove_circle_outline
remove_circle_outline
remove_circle_outline
remove_circle_outline
remove_circle_outline
remove_circle_outline
remove_circle_outline
remove_circle_outline
remove_circle_outline
remove_circle_outline
remove_circle_outline

Article Types

Countries / Regions

remove_circle_outline
remove_circle_outline
remove_circle_outline
remove_circle_outline
remove_circle_outline
remove_circle_outline

Search Results (1,785)

Search Parameters:
Keywords = space-charge

Order results
Result details
Results per page
Select all
Export citation of selected articles as:
23 pages, 2313 KB  
Article
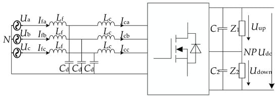
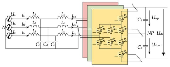
Modulation Optimization and Load Power Boundary Condition for a Five-Level ANPC Converter Under DC-Side Unbalanced Loads
by Jin Li, Luting Min, Weiyi Tang and Yukun Zhai
Energies 2026, 19(6), 1576; https://doi.org/10.3390/en19061576 - 23 Mar 2026
Abstract
This paper investigates a five-level active neutral-point-clamped (5L-ANPC) converter operating in rectifier mode with unbalanced DC-side loads, where neutral-point (NP) deviation may deteriorate grid-current quality. Conventional space-vector pulsewidth modulation (SVPWM) is typically derived under the split-capacitor-voltage symmetry assumption; when NP deviation occurs, fixed [...] Read more.
This paper investigates a five-level active neutral-point-clamped (5L-ANPC) converter operating in rectifier mode with unbalanced DC-side loads, where neutral-point (NP) deviation may deteriorate grid-current quality. Conventional space-vector pulsewidth modulation (SVPWM) is typically derived under the split-capacitor-voltage symmetry assumption; when NP deviation occurs, fixed sector boundaries and ideal volt–second balance calculations can lead to sector misclassification and synthesis errors. To address this issue, an NP-aware SVPWM scheme is proposed by reconstructing sector criteria using real-time capacitor voltages and correcting the vector dwelling-time computation to improve modulation accuracy under imbalance. Based on the power-transfer mechanism, an average-power boundary condition is further derived to quantify the admissible upper/lower load power ratio that allows NP regulation without additional hardware, and its validity is examined under resistive-load cases. Moreover, for battery-type loads exhibiting voltage-source characteristics, the control objective is extended from voltage symmetry to controllable power/charge allocation by establishing a mapping between the small-vector duty ratio and the branch average-power ratio, with constrained online solution and smoothing to mitigate coefficient jitter. Experimental validation is conducted on an OPAL-RT OP5707-based hardware-in-the-loop platform, where both single-phase and three-phase 5L-ANPC systems are implemented according to different verification objectives. The derived boundary condition for resistive loads is examined in the single-phase system, while the proposed modulation and battery-load power-allocation strategy are verified in the three-phase system. The three-phase arrangement is adopted for the battery-load case in order to avoid the second-order power ripple inherent to single-phase operation. Full article
(This article belongs to the Section F3: Power Electronics)
Show Figures

Figure 1

11 pages, 2565 KB  
Article
Germanium-on-Silicon Waveguide-Integrated Photodiode with Dual Optical Inputs for Datacenter Applications
by Itamar-Mano Priel, Shai Cohen, Liron Gantz and Yael Nemirovsky
Micromachines 2026, 17(3), 386; https://doi.org/10.3390/mi17030386 - 23 Mar 2026
Abstract
As the exponential growth in advanced compute workloads drives intra-datacenter interconnects to ever increasing bitrates, optical networking equipment has risen to the challenge by shifting from NRZ signaling to bandwidth efficient modulation methods such as PAM4. As these modulation schemes introduce an inherent [...] Read more.
As the exponential growth in advanced compute workloads drives intra-datacenter interconnects to ever increasing bitrates, optical networking equipment has risen to the challenge by shifting from NRZ signaling to bandwidth efficient modulation methods such as PAM4. As these modulation schemes introduce an inherent SNR penalty, maintaining low bit error rates (BER) forces optical links to operate at significantly higher optical powers. However, increasing the optical power leads to photodetectors reaching one of their fundamental bottlenecks caused by the space-charge effect, limiting their ability to provide a high-speed response under high-power illumination. This work presents the design, fabrication, and characterization of a waveguide-integrated photodiode with dual optical inputs (DIPD) designed to overcome this limitation. Specifically, we demonstrate that combining a dual-fed architecture with targeted cross-sectional geometric optimizations effectively distributes the photocurrent density to delay the onset of space-charge saturation. Experimental validation demonstrates a high responsivity of ≈0.91 [A/W] (for O-band wavelengths) and a large electro-optic bandwidth (EOBW) of ≈58 [GHz], all under high-power illumination and CMOS driving voltages. Full article
(This article belongs to the Section A:Physics)
Show Figures

Figure 1

36 pages, 4209 KB  
Article
Optimization of Coil Geometry and Pulsed-Current Charging Protocol with Primary-Side Control for Experimentally Validated Misalignment-Resilient EV WPT
by Marouane El Ancary, Abdellah Lassioui, Hassan El Fadil, Tasnime Bouanou, Yassine El Asri, Anwar Hasni, Hafsa Abbade and Mohammed Chiheb
Eng 2026, 7(3), 141; https://doi.org/10.3390/eng7030141 - 22 Mar 2026
Abstract
The widespread commercialization of wireless chargers for electric vehicles generally suffers from one main problem, which is the perfect alignment between the two coils, leading to a decrease in mutual inductance, which causes a drop in magnetic coupling and even a failure to [...] Read more.
The widespread commercialization of wireless chargers for electric vehicles generally suffers from one main problem, which is the perfect alignment between the two coils, leading to a decrease in mutual inductance, which causes a drop in magnetic coupling and even a failure to transfer power. To address this persistent problem, this work proposes a comprehensive and integrated method for optimizing the coils and control architecture for reliable and safe battery charging. To address the challenges of a complex, nonlinear design space and the need for misalignment-tolerant geometries, we employ a memetic algorithm (MA) that hybridizes Particle Swarm Optimization (PSO) for broad global exploration with Mesh Adaptive Direct Search (MADS) for precise local refinement. This combination effectively avoids poor local solutions—a limitation of standalone PSO or GA approaches reported in recent studies—while efficiently converging to coil geometries that maintain strong magnetic coupling under misalignment. After the coils have been designed, electromagnetic validation is tested using finite element analysis (FEA), which allows the magnetic field distribution to be evaluated, as well as the coupling coefficient under different scenarios of misalignment and variation in the air gap between the ground side and the vehicle side. At the same time, a comprehensive control strategy for the primary side of the system has been developed. This control method ensures power management on the primary side, enabling system interoperability for charging multiple types of vehicles, as well as reducing vehicle weight for greater range. All this is combined with an innovative pulsed current charging method, chosen for its advantages in terms of thermal stability, ensuring safe and efficient recharging that is mindful of battery health. Simulation and experimental validation demonstrate that the proposed framework maintains stable wireless power transfer and achieves over 87% DC–DC efficiency under lateral misalignments up to 100 mm, fully complying with SAE J2954 alignment tolerance requirements. Full article
16 pages, 288 KB  
Article
Descriptor-Guided Selection of Extracellular Vesicle Loading Strategies for Small-Molecule Drug Delivery: A Mechanistically Interpretable Decision-Support Framework
by Romána Zelkó and Adrienn Kazsoki
Pharmaceutics 2026, 18(3), 384; https://doi.org/10.3390/pharmaceutics18030384 - 20 Mar 2026
Abstract
Background: Extracellular vesicles (EVs) are increasingly explored as nanocarriers in drug delivery; however, selecting an appropriate loading strategy for a given small-molecule cargo still relies largely on empirical, resource-intensive parallel screening within EV formulation workflows. Despite the widespread application of passive incubation, electroporation, [...] Read more.
Background: Extracellular vesicles (EVs) are increasingly explored as nanocarriers in drug delivery; however, selecting an appropriate loading strategy for a given small-molecule cargo still relies largely on empirical, resource-intensive parallel screening within EV formulation workflows. Despite the widespread application of passive incubation, electroporation, saponin-mediated permeabilization, freeze–thaw cycling, and sonication, there is currently no mechanistically grounded, descriptor-informed framework that enables rational prioritization of loading methods during the early design stage of EV-based dosage forms, leading to inefficient trial-and-error experimentation. Methods: We assembled a chemically diverse dataset of 21 compounds with experimentally determined loading efficiencies across five EV loading methods and calculated seven mechanistically motivated physicochemical descriptors (LogP, molecular weight, aqueous solubility, hydrogen bond donors/acceptors, polar surface area, and formal charge) for each drug. Separate Elastic Net regression models were trained for each loading strategy. Model performance was evaluated using leave-one-out cross-validation, a predefined external validation set (n = 4), and 50 repeated random train–test splits. The analysis emphasized decision-level ranking of loading methods rather than the precise prediction of absolute efficiencies. The applicability domain was assessed via leverage analysis to define the supported chemical space for prospective implementation in EV-based formulation development. Results: As anticipated for biologically heterogeneous EV systems, continuous regression performance remained modest (LOOCV R2 = 0.06–0.41). In contrast, decision-level accuracy for identifying the experimentally optimal loading method was consistently high across validation schemes (internal: 76.5%; predefined external: 75%; repeated random validation: 80.5 ± 16.8%). Mechanical disruption methods (freeze–thaw and sonication) demonstrated comparatively greater predictive stability, while misclassification patterns suggested potential nonlinear behavior for highly polar, ionizable cargos. All compounds resided within the leverage-defined applicability domain, confirming adequate descriptor-space representation. Conclusions: This study establishes a mechanistically interpretable, descriptor-based decision-support framework capable of reliably prioritizing EV loading strategies for small-molecule cargos beyond empirical chance without altering standard protocols. By reframing the modeling objective from high-precision efficiency prediction to robust ranking of candidate methods, the approach offers a practical tool to triage between commonly used techniques, thereby reducing experimental burden in early-stage EV formulation development. The framework provides a quantitative basis for integrating molecular-descriptor-guided method selection into rational EV-based drug delivery design and can be expanded with membrane-specific descriptors and larger datasets. Full article
(This article belongs to the Section Drug Delivery and Controlled Release)
Show Figures

Graphical abstract

25 pages, 2748 KB  
Article
Development and Modeling of an Advanced Power Supply System for Electrostatic Precipitators to Improve Environmental Efficiency
by Askar Abdykadyrov, Amandyk Tuleshov, Nurzhigit Smailov, Zhandos Dosbayev, Sunggat Marxuly, Yerlan Sarsenbayev, Beket Muratbekuly and Nurlan Kystaubayev
Designs 2026, 10(2), 34; https://doi.org/10.3390/designs10020034 - 17 Mar 2026
Viewed by 111
Abstract
This study presents the engineering design and system-level modeling of a high-frequency power supply architecture for electrostatic precipitators intended to improve particulate removal efficiency and operational stability. Atmospheric air pollution by fine particulate matter (PM2.5) remains one of the most critical challenges in [...] Read more.
This study presents the engineering design and system-level modeling of a high-frequency power supply architecture for electrostatic precipitators intended to improve particulate removal efficiency and operational stability. Atmospheric air pollution by fine particulate matter (PM2.5) remains one of the most critical challenges in environmental protection and public health. Although electrostatic precipitators (ESPs) are widely used for industrial gas cleaning, the efficiency and stability of conventional 50 Hz power supplies are limited under conditions of strongly nonlinear corona discharge and high-resistivity dust. This paper presents the development and investigation of an advanced high-frequency power supply system for electrostatic precipitators based on a coupled electrical–electrophysical mathematical model. The work follows an engineering design methodology that integrates converter topology selection, electrophysical modeling of corona discharge, and control-oriented system optimization. The proposed model provides a unified description of electric field formation, space charge accumulation, ion transport, and particle motion in the corona discharge region. The simulation results show that in the operating voltage range of 10–100 kV, the electric field strength reaches (2–5)·106 V/m, the ion concentration stabilizes in the range of 1013–1015 m−3, and the particle drift velocity increases from approximately 0.05 to 0.3 m/s, leading to an increase in collection efficiency from about 55% to 93%. It is demonstrated that the proposed system ensures stable output voltage regulation within ±2.5–5% even under strongly nonlinear load conditions. The use of an LC output filter (C = 1–10 nF, L = 10–100 mH) reduces the voltage ripple from about 14% to 1.4–4.8% and significantly improves the transient response. In addition, adaptive adjustment of the pulse repetition frequency in the range of 10–200 kHz makes it possible to reduce energy consumption by 12–18% while simultaneously increasing the collection efficiency by 8–15%. The obtained results confirm that the proposed high-frequency power supply architecture provides a physically well-founded and energy-efficient solution for improving the environmental performance and operational stability of electrostatic precipitators. Full article
(This article belongs to the Section Energy System Design)
Show Figures

Figure 1

18 pages, 4480 KB  
Article
Enhanced Rashba Effect and Optical Absorption in 2D Janus XMoYZ2 (X = S/Se/Te; Y = Si/Ge; Z = N/P): A First-Principles Study
by Xiaochuan Liu, Meng Li, Ningru Shang, Peng Guo, Hongyue Song, Bin Zhao, Lin Li and Jianjun Wang
Nanomaterials 2026, 16(6), 358; https://doi.org/10.3390/nano16060358 - 14 Mar 2026
Viewed by 153
Abstract
To overcome the physical constraints during the miniaturization of conventional semiconductor devices, spintronics is playing an increasingly prominent role. The Rashba effect, characterized by spin–momentum locking, has emerged as a promising solution to address challenges. Two-dimensional (2D) Janus transition metal dichalcogenides (TMDCs) break [...] Read more.
To overcome the physical constraints during the miniaturization of conventional semiconductor devices, spintronics is playing an increasingly prominent role. The Rashba effect, characterized by spin–momentum locking, has emerged as a promising solution to address challenges. Two-dimensional (2D) Janus transition metal dichalcogenides (TMDCs) break spatial inversion symmetry, creating favorable conditions for the Rashba effect. Based on first-principles calculations, 2D Janus materials XMoYZ2 (X = S/Se/Te; Y = Si/Ge; Z = N/P) were investigated, with strain, external electric field and charge doping employed to modulate the Rashba effect. The strain results reveal that the Rashba constants of XMoYZ2 increase significantly with compressive strain. Specifically, after applying uniaxial strain, the Rashba constant of TeMoSiP2 is enhanced to ~2.2 times its initial value. Compressive strain reduces atomic spacing, enhances orbital overlap, and increases spin–orbit coupling (SOC) strength. All the TeMoYZ2 materials exhibit significant anisotropy under uniaxial strain, which is favorable for spin-oriented transport. SeMoGeP2 shows an almost linear Rashba constant–electric field correlation, while TeMoGeP2 and TeMoSiP2 show non-monotonic variation. The Rashba constant of TeMoSiP2 can be enhanced to ~2.7 times its intrinsic value under either positive or negative applied electric fields. Charge doping induces negligible changes in the SOC effect. Finally, the optical absorption properties of TeMoGeP2, TeMoSiN2, and TeMoSiP2 were investigated. This study clarifies the mechanism underlying the enhancement of Rashba constants in XMoYZ2 materials, enriching the research landscape of spintronics. Full article
Show Figures

Figure 1

32 pages, 1044 KB  
Review
Chemical Modification of Cellulose Fibers for Sustainable Food Packaging: Structure–Property–Sustainability Relationships
by Marcin H. Kudzin, Zdzisława Mrozińska, Jerzy J. Chruściel, Joanna Olczyk, Monika Sikora, Edyta Sulak and Anetta Walawska
Materials 2026, 19(6), 1124; https://doi.org/10.3390/ma19061124 - 13 Mar 2026
Viewed by 306
Abstract
Cellulose fibers offer renewable sourcing and an established recycling infrastructure for food packaging applications. Their hydroxyl groups bind water strongly, which causes dimensional instability and compromises barrier performance at elevated humidity. Chemical modification targets this limitation through controlled changes to hydroxyl reactivity, surface [...] Read more.
Cellulose fibers offer renewable sourcing and an established recycling infrastructure for food packaging applications. Their hydroxyl groups bind water strongly, which causes dimensional instability and compromises barrier performance at elevated humidity. Chemical modification targets this limitation through controlled changes to hydroxyl reactivity, surface charge, and interfiber hydrogen bonding. This review covers four principal covalent modification routes: esterification, etherification, phosphorylation, and oxidative functionalization. The spatial localization of functional groups—surface-enriched versus bulk modification—is treated as a cross-cutting analytical parameter governing the translation of molecular chemistry into barrier performance, mechanical behavior, and recyclability. We emphasize how molecular parameters (degree of substitution (DS), charge density, and the spatial distribution of functional groups) translate into barrier properties, mechanical performance, and grease resistance under realistic service conditions. Two practical constraints define the design space. Bulk modifications that penetrate the fiber wall can release reagents or by-products into food (non-intentionally added substances, NIASs), whereas surface-confined chemistry reduces this risk substantially. Modifications that resist repulping or introduce persistent contaminants damage recyclability. Life cycle impacts often derive more from processing steps (mechanical fibrillation, solvent use, and multi-stage washing) than from feedstock selection. We focus on three deployment-relevant outcomes: performance retention above 75% relative humidity, migration risk under food contact regulations, and compatibility with industrial fiber recycling. The aim is to identify strategies that can move from laboratory demonstration to production-scale implementation. Full article
Show Figures

Figure 1

33 pages, 1923 KB  
Article
The Periodic Table as an Emergent Helicoidal Manifold: A Unified Information-Theoretic Analysis of the Atomic Elements Z = 1–103
by Rodolfo O. Esquivel, Hazel Vázquez-Hernández and Jonathan Ornelas-Muñoz
Quantum Rep. 2026, 8(1), 22; https://doi.org/10.3390/quantum8010022 - 12 Mar 2026
Viewed by 209
Abstract
Here we perform a detailed information-theoretic (IT) analysis of atomic electron densities in the periodic table, from hydrogen (Z = 1) to lawrencium (Z = 103). By use of the Shannon entropy, the Fisher information and the disequilibrium functionals in both position and [...] Read more.
Here we perform a detailed information-theoretic (IT) analysis of atomic electron densities in the periodic table, from hydrogen (Z = 1) to lawrencium (Z = 103). By use of the Shannon entropy, the Fisher information and the disequilibrium functionals in both position and momentum spaces as fundamental descriptors of the atomic densities, the periodic table can be represented in a three-dimensional information space as a continuous, highly ordered manifold. The analysis shows that chemical periodicity naturally emerges as a helicoidal manifold (reminiscent of a helix) at the coordinates of a 3D theoretic-information space (Shannon, Fisher, Disequilibrium), with each period forming one segment within the continuous global trajectory. We find information-theoretic signatures of shell structure, sub-shell filling, and electron-configuration anomalies, such as the familiar irregularities seen in chromium and copper. Therefore, the helicoidal character emerges naturally and is not imposed a priori. Further, through the uncertainty principle of the complementary analysis in momentum space, more insights are gained by exposing maximal information-theoretic differentiation for lighter atoms and compression among heavy elements. Notably, momentum-space analysis reveals that hydrogen occupies a natural intermediate position between helium and lithium based on kinetic energy distribution—contrasting with IT position-space results that emphasize hydrogen’s unique delocalized electron density. Indeed, the 3D IT representation of the elements in position space aligns with the view that H does not belong to either the alkali metals or the halogens, but rather stands as a unique, standalone element. This complementary perspective provides new quantitative support for understanding hydrogen’s dual chemical nature, providing new quantitative insight into ongoing debates about hydrogen’s optimal periodic table position. Furthermore, by considering triadic relationships and complexity properties in relation to the López–Mancini–Ruiz (LMC) and Fisher–Shannon (FS) functionals, we show that atomic complexity increases monotonically along with nuclear charge, and we provide a quantitative measure of how organized atomic electron densities are distributed throughout the periodic system. Based on our IT analyses, the fundamental character of periodicity could be addressed by employing helicoidal representations that highlight the characteristics of hydrogen, while simultaneously preserving the autonomy of the blocks of elements. Full article
Show Figures

Figure 1

29 pages, 3044 KB  
Article
Shadow of a Nonlinear Electromagnetic Generalized Kerr–Newman–AdS Black Hole
by Mohsen Fathi
Galaxies 2026, 14(2), 21; https://doi.org/10.3390/galaxies14020021 - 11 Mar 2026
Viewed by 168
Abstract
In this work, we investigate the shadow properties of the Kerr–Newman–Anti-de Sitter black hole coupled to nonlinear electrodynamics. The shadow is constructed by employing the celestial coordinate approach for an observer located at a finite distance, which is required due to the non-asymptotically [...] Read more.
In this work, we investigate the shadow properties of the Kerr–Newman–Anti-de Sitter black hole coupled to nonlinear electrodynamics. The shadow is constructed by employing the celestial coordinate approach for an observer located at a finite distance, which is required due to the non-asymptotically flat structure of the spacetime. The size, distortion, area, and oblateness of the shadow are analyzed in terms of the black hole parameters, namely, the spin, the effective charge, and the nonlinearity parameter. We show that the nonlinear electrodynamics significantly modifies the photon region and therefore changes the shadow observables, while the rotation mainly controls the deformation of the silhouette. We further confront the theoretical results with the Event Horizon Telescope observations of M87* and Sgr A* in order to constrain the parameter space of the model. The allowed ranges of the effective charge depend sensitively on the nonlinearity parameter, and the combination of both sources leads to tighter and physically more consistent bounds. In addition, we study the energy emission rate derived from the shadow radius and the Hawking temperature and discuss how it is affected by the rotation and the nonlinear electromagnetic field. Our analysis shows that the considered black hole solution provides a consistent extension of the Kerr geometry in a non-asymptotically flat background and that the shadow observables can be used as an efficient tool to test the effects of nonlinear electrodynamics in strong gravity. Full article
Show Figures

Figure 1

29 pages, 2249 KB  
Article
Reinforcement Learning-Based Management in IoT-Enabled Renewable Energy Communities: An Approach to Optimization for Comfort, Economy, and Sustainable Performance
by Stefano Caputo, Eleonora Iacobelli, Maurizio De Lucia, Sara Jayousi and Lorenzo Mucchi
Sensors 2026, 26(5), 1682; https://doi.org/10.3390/s26051682 - 6 Mar 2026
Viewed by 263
Abstract
The increasing deployment of Internet of Things (IoT) sensing infrastructures and distributed renewable energy resources is enabling the emergence of Renewable Energy Communities (RECs), which require intelligent, adaptive, and decentralized energy management strategies. This study proposes a sensor-driven reinforcement learning (RL) framework for [...] Read more.
The increasing deployment of Internet of Things (IoT) sensing infrastructures and distributed renewable energy resources is enabling the emergence of Renewable Energy Communities (RECs), which require intelligent, adaptive, and decentralized energy management strategies. This study proposes a sensor-driven reinforcement learning (RL) framework for the coordinated management of residential RECs, aiming to jointly optimize thermal comfort, economic savings, and environmental sustainability. Each household is equipped with a network of IoT sensors monitoring indoor temperature, energy production and consumption, battery state of charge, and user presence, which collectively define a discretized state space for a tabular Q-learning agent controlling heating systems and programmable appliances. A stochastic simulation environment is developed to realistically reproduce weather variability, building thermal dynamics, user activity profiles, and photovoltaic generation. To address the instability typical of multi-agent learning, a two-stage training strategy is adopted: agents are first pre-trained at single-house level using synthetic sensor data and are subsequently deployed within the full community, where coordination is achieved through shared reward components without explicit inter-agent communication. Performance is evaluated on a heterogeneous Renewable Energy Community (REC) composed of eleven households, including both prosumers and consumers. The simulation results show that the proposed approach significantly outperforms rule-based control strategies, achieving lower energy consumption, improved thermal comfort stability, and higher global reward. Moreover, pre-trained agents maintain stable and cooperative behavior when operating concurrently at community level, with limited sensitivity to exploration. These findings demonstrate that sensor-driven, lightweight reinforcement learning represents a viable and scalable solution for decentralized energy management in IoT-enabled Renewable Energy Communities. Full article
(This article belongs to the Section Intelligent Sensors)
Show Figures

Figure 1

10 pages, 1789 KB  
Article
Electron Transport, Charge Transfer Processes and Localized States of Charge Carriers in Nanosized Anodic TiO2 Films
by Ekaterina N. Muratova, Andrey A. Ryabko, Vyacheslav A. Moshnikov, Igor A. Vrublevsky and Alexandr I. Maximov
Nanomanufacturing 2026, 6(1), 6; https://doi.org/10.3390/nanomanufacturing6010006 - 6 Mar 2026
Viewed by 160
Abstract
TiO2 films with a thickness of 20 nm were obtained by anodizing a titanium film with an aluminum sublayer on a glass substrate. The I–V characteristics were studied in a temperature range of 100–300 K. Three linear sections can be distinguished on [...] Read more.
TiO2 films with a thickness of 20 nm were obtained by anodizing a titanium film with an aluminum sublayer on a glass substrate. The I–V characteristics were studied in a temperature range of 100–300 K. Three linear sections can be distinguished on the I–V curves in logarithmic coordinates with a bias voltage of up to 2.5 V. The first section is an ohmic section with a bias voltage sweep from 0 V. The second section is associated with the space-charge-limited currents. The third section is characterized by the flow of Poole–Frenkel currents. In the third section, the slope of the approximating line is greater than in the second one due to the flow of higher currents. This is explained by the transition of electrons from donor centers to trap levels, which leads to a decrease in the number of free traps available for capturing electrons injected from the contacts into the conduction band. The obtained values of the Fermi energy of 0.032 and 0.028 eV for temperatures from 100 to 300 K, respectively, indicate that the electron traps in the forbidden zone of TiO2 are shallow. The value of the donor level energy E = 0.082 eV is close to the values of the activation energy of thermal conductivity. This indicates the formation of donor centers in anodic TiO2 by the mechanism of donor vacancies. In anodic TiO2 films, the concentration of electron traps is 1015 cm−3, which is approximately three orders of magnitude less than their concentration in anodic TiO2 films obtained by vacuum deposition. Full article
(This article belongs to the Special Issue Nanomanufacturing: Feature Papers 2025)
Show Figures

Figure 1

14 pages, 3291 KB  
Article
Influence of Temperature on Electron Transport, Current-Voltage Characteristics, and Capacitive Properties of MIM Nanostructures with Amorphous Niobium Pentoxide
by Vyacheslav Alekseevich Moshnikov, Ekaterina Nikolaevna Muratova, Igor Alfonsovich Vrublevsky, Viktor Borisovich Bessonov, Stepan Evgenievich Parfenovich, Alexandr Ivanovich Maximov, Alena Yuryevna Gagarina, Danila Andreevich Kavalenka and Dmitry Alexandrovich Kozodaev
Appl. Nano 2026, 7(1), 8; https://doi.org/10.3390/applnano7010008 - 1 Mar 2026
Viewed by 252
Abstract
Currently, titanium dioxide films are widely used as the electron transport layer material in perovskite solar cells. An alternative to titanium dioxide for this role could be niobium pentoxide (Nb2O5), an n-type conducting semiconductor oxide. However, the application of [...] Read more.
Currently, titanium dioxide films are widely used as the electron transport layer material in perovskite solar cells. An alternative to titanium dioxide for this role could be niobium pentoxide (Nb2O5), an n-type conducting semiconductor oxide. However, the application of Nb2O5 in perovskite solar cells is hindered by a lack of data on its electron transport properties, electrophysical parameters, and current–voltage characteristics. Amorphous niobium pentoxide films were obtained by magnetron sputtering. To study their electrical and capacitive properties, a structure of heavily doped n+-silicon (n+)/niobium oxide/aluminum was used. Based on the analysis of the I–V curves, it was concluded that for a sample at 25 °C, the electron mean free path is greater than the width of the Schottky barrier layer, allowing electrons to pass through this layer without collisions. At temperatures of 35 °C and higher, electrons experience numerous collisions within the Schottky barrier layer. The height of the Schottky barrier for the contact between niobium pentoxide and aluminum was determined. The obtained capacitance frequency plots were explained using the concepts of dipole-relaxation polarization in a dielectric, where electric dipoles can reorient in an external electric field. It has been shown that the use of magnetron sputtering to produce amorphous niobium pentoxide films leads to a reduction in the effective Schottky barrier height. This allows for high electron injection density at low voltages when using such an oxide semiconductor as an electron transport layer, thereby potentially increasing the efficiency of solar cells. Full article
Show Figures

Figure 1

31 pages, 6993 KB  
Article
Research on Ultrasonic Imaging of Defects in Insulating Materials Based on the SAFT
by Yukun Ma, Yi Tian, Tian Tian and Juntang Huang
Appl. Sci. 2026, 16(5), 2400; https://doi.org/10.3390/app16052400 - 28 Feb 2026
Viewed by 226
Abstract
As a critical barrier for power network safety, insulating materials are susceptible to internal microcracks, delamination, and other hidden defects that can trigger dielectric strength degradation and space charge accumulation, ultimately leading to insulation breakdown. Ultrasonic shear wave non-destructive testing enables defect identification [...] Read more.
As a critical barrier for power network safety, insulating materials are susceptible to internal microcracks, delamination, and other hidden defects that can trigger dielectric strength degradation and space charge accumulation, ultimately leading to insulation breakdown. Ultrasonic shear wave non-destructive testing enables defect identification without damaging the material. Therefore, this paper focuses on the identification and imaging of internal defects in insulating components using ultrasonic shear waves. First, a physical model for ultrasonic shear wave NDT is established. Based on the refraction and reflection characteristics of ultrasonic waves in materials with different acoustic impedances, a defect localization formula is derived. Through simulation verification, for the three defects set at different positions in the defect model, the positioning error is less than 0.5 mm. Subsequently, defects such as circular holes, triangular shapes, cracks, and bottom grooves were simulated. Analysis of the echo data revealed a correlation between the distance from the sensor to the defect and the echo amplitude. For groove defect imaging, the differential SAFT algorithm was employed, achieving a width error of 1 mm for imaging a 2 mm wide by 5 mm high groove, clearly presenting the defect morphology. Finally, an imaging software program for defect structure reconstruction was developed based on the simulation model presented in this article. We collected side and back view data through the constructed ultrasonic transverse wave non-destructive testing experimental platform, and visualized defects in insulation materials with grooves using this ultrasonic imaging program. This study achieved defect localization and imaging through simulation of various defect types combined with synthetic aperture focused imaging algorithms, providing a reference for visualization and industrial application of ultrasonic shear wave non-destructive testing technology. Full article
(This article belongs to the Section Electrical, Electronics and Communications Engineering)
Show Figures

Figure 1

16 pages, 5418 KB  
Article
FeMnO3: Synthesis, Morphology, Dielectric Properties, and Electrochemical Behavior Toward HER by LSV
by Mukhametkali Mataev, Zamira Sarsenbaeva, Marzhan Nurbekova, Ramachandran Krishnamoorthy, Bahadir Keskin, Moldir Abdraimova, Zhanar Tursyn, Karima Seitbekova and Zhadyra Durmenbayeva
Nanomaterials 2026, 16(5), 310; https://doi.org/10.3390/nano16050310 - 27 Feb 2026
Viewed by 428
Abstract
This paper presents a comprehensive investigation into the synthesis, morphological characteristics, electrical conductivity, dielectric behavior, and electrocatalytic activity of perovskite-structured iron manganite (FeMnO3), with a specific focus on its performance in the hydrogen evolution reaction (HER). FeMnO3(FMO) nanoparticles (NPs) [...] Read more.
This paper presents a comprehensive investigation into the synthesis, morphological characteristics, electrical conductivity, dielectric behavior, and electrocatalytic activity of perovskite-structured iron manganite (FeMnO3), with a specific focus on its performance in the hydrogen evolution reaction (HER). FeMnO3(FMO) nanoparticles (NPs) were synthesized using a sol–gel-type Pechini method and characterized by X-ray diffraction (XRD), Fourier-transform infrared spectroscopy (FT-IR), and field-emission scanning electron microscopy combined with energy-dispersive X-ray spectroscopy (FESEM-EDS). XRD analysis confirmed the formation of a crystalline structure with cubic symmetry assigned to the Ia-3 space group, with an average crystallite size of 52.47 nm. FESEM images revealed a relatively uniform morphology with an average particle diameter of 55.84 nm. The redox and oxidation states of Fe and Mn can be studied by temperature-programmed oxidation (TPO-O2) in order to understand oxygen uptake and metal oxidation processes occurring within the FMO lattice. The dielectric constant, dielectric loss, electric modulus and electrical conductivity were calculated as a function of frequency and temperature using a Novocontrol Alpha-A broadband dielectric spectrometer (Novocontrol system) coupled with the LCR-800 precision meter. The dielectric data reveal that the FMO has semiconducting behavior with dominant charge- or ionic-relaxation processes. The electrocatalytic activity toward the HER was evaluated using linear sweep voltammetry (LSV), with the working electrode modified by an FMO catalyst ink. The material exhibited significant catalytic activity within the HER potential range, and an increase in the number of cycles led to stabilized current and enhanced hydrogen evolution. These results highlight the stability of FeMnO3 for hydrogen generation. Full article
Show Figures

Figure 1

23 pages, 6720 KB  
Article
Research on CTB Blasting Damage Control Based on SU-CBD Technology
by Jingyi Song, Shaolong Qin, Xingdong Zhao, Shaokang Liu, Heyun Lai and Zhiwei Sun
Appl. Sci. 2026, 16(5), 2254; https://doi.org/10.3390/app16052254 - 26 Feb 2026
Viewed by 163
Abstract
Aiming at cemented tailings backfill (CTB) damage and collapse induced by secondary stope blasting in the sublevel open stoping with a subsequent filling method, a new CTB damage control technology termed “Synergistic Utilization of Cumulative Blasting Damage (SU-CBD)” is proposed. First, theoretical analysis [...] Read more.
Aiming at cemented tailings backfill (CTB) damage and collapse induced by secondary stope blasting in the sublevel open stoping with a subsequent filling method, a new CTB damage control technology termed “Synergistic Utilization of Cumulative Blasting Damage (SU-CBD)” is proposed. First, theoretical analysis is conducted to reveal the influence mechanism of rock mass damage accumulation on its blastability, verifying the feasibility of the SU-CBD technology. Subsequently, based on the LS-DYNA R11.1 software and RHT material model, a numerical model is established, and the small restart technique is adopted to realize the continuous simulation of multi-row blasting. By comparing the rock mass fragmentation ratio, energy distribution, and CTB damage degree among different charge structure schemes, the optimal charge structure combination is obtained. To address the issues of retained rock mass damage and overbreak caused by multiple blasting operations, a dynamic adjustment method for blasthole row spacing is proposed, with the optimal row spacing increment determined as 1.0 m. To verify the technical effectiveness, field industrial tests are carried out in Stope No. 5 of the 4500 m–4550 m mining level in the Bangzhong Zinc-Copper Mine. The results show that the optimized blasting scheme keeps the CTB intact without collapse and achieves uniform ore fragmentation, and the oversize ore ratio (particle size > 50 cm) is only 2.4%, with the numerical simulation results in good agreement with the field test results. The research indicates that the SU-CBD technology can effectively reduce the powder factor and CTB blasting damage while ensuring the blasting fragmentation effect, providing reliable blasting design support for the secondary stope. Full article
Show Figures

Figure 1

Back to TopTop