Sign in to use this feature.

Years

Between: -

Subjects

remove_circle_outline
remove_circle_outline
remove_circle_outline
remove_circle_outline
remove_circle_outline
remove_circle_outline
remove_circle_outline
remove_circle_outline
remove_circle_outline

Journals

remove_circle_outline
remove_circle_outline
remove_circle_outline
remove_circle_outline
remove_circle_outline
remove_circle_outline
remove_circle_outline
remove_circle_outline
remove_circle_outline
remove_circle_outline
remove_circle_outline
remove_circle_outline

Article Types

Countries / Regions

remove_circle_outline
remove_circle_outline
remove_circle_outline
remove_circle_outline
remove_circle_outline
remove_circle_outline

Search Results (968)

Search Parameters:
Keywords = phase-lag

Order results
Result details
Results per page
Select all
Export citation of selected articles as:
24 pages, 423 KB  
Article
Exact Response Theory for Delay Equations
by Federico Gollinucci, Enrico Ortu and Lamberto Rondoni
Entropy 2026, 28(3), 350; https://doi.org/10.3390/e28030350 - 20 Mar 2026
Abstract
The exact response theory, also known as Transient Time Correlation Function formalism, is a powerful method concerning how observables respond to a given perturbation of the dynamics of the systems of interest, and it extends linear response theory to generic (autonomous) dynamical systems. [...] Read more.
The exact response theory, also known as Transient Time Correlation Function formalism, is a powerful method concerning how observables respond to a given perturbation of the dynamics of the systems of interest, and it extends linear response theory to generic (autonomous) dynamical systems. Its main ingredient is the so-called dissipation function. In this paper, we adapt this theory for time-lagged systems, and we illustrate its applicability considering simple examples of delay equations, with different memory terms. Adopting the technique already used for time deterministic as well as stochastic time-dependent perturbations, the dynamics is described in a higher dimensional phase space, in which the delay-dependent dynamics is mapped into an augmented phase space: the new dynamics is proven to be autonomous and suitable for the exact responses to be computed. In addition, we explore the comparison between linear and exact approaches for a specific kernel choice. Full article
(This article belongs to the Section Non-equilibrium Phenomena)
Show Figures

Figure 1

35 pages, 11361 KB  
Article
A New Smith Predictor Controller Design Based on the Coefficient Diagram Method for Time-Delay Systems
by Yasemin Içmez and Mehmet Serhat Can
Electronics 2026, 15(6), 1290; https://doi.org/10.3390/electronics15061290 - 19 Mar 2026
Abstract
Industrial/chemical processes usually involve significant time delays. The responses of systems/processes with long time delays can feature high overshoot and oscillation due to phase lag. Moreover, parameter variations and external disturbances make controlling such systems more difficult. The Smith Predictor (SP) Controller structure [...] Read more.
Industrial/chemical processes usually involve significant time delays. The responses of systems/processes with long time delays can feature high overshoot and oscillation due to phase lag. Moreover, parameter variations and external disturbances make controlling such systems more difficult. The Smith Predictor (SP) Controller structure and the Coefficient Diagram Method (CDM) are commonly used in the literature to ensure robust control performance. This study introduces a novel design approach combining the strengths of SP and CDM. This method proposes using a second CDM-based controller for disturbance rejection, while using a CDM controller for setpoint tracking. The approach was tested on three high-order time-delay plant models, accounting for parameter variations and disturbance effects. Results show that this method can achieve low overshoot, quick rise time, and short settling time in set-point tracking. Furthermore, it delivers robust control performance under conditions of parameter changes and external disturbances. Full article
Show Figures

Figure 1

22 pages, 7051 KB  
Article
Influence of Dive Direction Uncertainty on Preparatory Posture, Coordination, and Kinematics in Elite Youth Goalkeepers
by Salvatore Pinelli, Raffaele Zinno, Lorenzo Romano, Maria Scoppolini Massini, Giulio Senesi and Laura Bragonzoni
Appl. Sci. 2026, 16(6), 2879; https://doi.org/10.3390/app16062879 - 17 Mar 2026
Viewed by 146
Abstract
Soccer goalkeeper diving saves demand precise inter-segmental coordination to intercept shots under uncertainty, yet preparatory postures and kinematic adaptations between declared (D) and undeclared (ND) conditions remain underexplored in youth athletes. This study analyzed lower-limb kinematics and Continuous Relative Phase (CRP) in 10 [...] Read more.
Soccer goalkeeper diving saves demand precise inter-segmental coordination to intercept shots under uncertainty, yet preparatory postures and kinematic adaptations between declared (D) and undeclared (ND) conditions remain underexplored in youth athletes. This study analyzed lower-limb kinematics and Continuous Relative Phase (CRP) in 10 elite youth male goalkeepers (14.3 ± 0.3 years) performing dives in different conditions using inertial sensors (Xsens MVN Awinda, 60 Hz) on a natural grass pitch. Data were time-normalized across the dive cycle and analyzed using Statistical Parametric Mapping 1D ANOVA to compare kinematic and coordination differences between conditions and preferred side. ND high dives showed significantly shorter total duration (1.02 ± 0.13 s vs. 1.09 ± 0.12 s) and take-off (0.19 ± 0.05 s vs. 0.21 ± 0.05 s) compared to the D condition. Pronounced laterality emerged in hip internal/external rotation (ipsilateral: 0–100%), with CRP alterations only in the ipsilateral ankle-hip/knee during preferred-side low dives (13–74%, p < 0.001), indicating tighter segmental coupling and reduced phase lag between joints from mid-stance to push-off. D condition appeared to favor mediolateral CoM shifts for reach optimization, while ND emphasized anteroposterior readiness. These findings highlight CRP’s sensitivity to coordination under uncertainty and reveal laterality effects in preferred-side low dives. Full article
(This article belongs to the Section Biomedical Engineering)
Show Figures

Figure 1

17 pages, 6263 KB  
Article
Beyond One-Dimension: How Transient Groundwater Flow Amplifies Groundwater Evapotranspiration and Extinction Depth
by Jia-Xin Shi, Linpeng Chen, Zhi-Yuan Zhang, Peng-Fei Han, Hongjuan Dong and Zhenbin Zhang
Hydrology 2026, 13(3), 97; https://doi.org/10.3390/hydrology13030097 - 16 Mar 2026
Viewed by 155
Abstract
Accurate quantification of groundwater evapotranspiration (ETg) is essential for reliable water resource assessment. Existing methods for estimating ETg from water table fluctuation largely rely on one-dimensional simplifications that neglect transient groundwater flow. However, in areas with shallow water table and [...] Read more.
Accurate quantification of groundwater evapotranspiration (ETg) is essential for reliable water resource assessment. Existing methods for estimating ETg from water table fluctuation largely rely on one-dimensional simplifications that neglect transient groundwater flow. However, in areas with shallow water table and topographic relief, where transient groundwater flow often occurs, the validity and accuracy of this simplification remain inadequately evaluated. In this study, we used HYDRUS-2D to construct a 50 m-long sandy hillslope with a 0.05 gradient to investigate ETg based on the water table fluctuation (WTF) method under transient groundwater flow conditions. The results indicate that periodic evapotranspiration generates water table fluctuations along the hillslope that exhibit amplitude attenuation and temporal phase lag, features not captured by 1D models. Ignoring transient groundwater flow leads to a systematic underestimation of ETg by up to 85% in sandy soil near the topographic lows. Furthermore, we found that both the decoupling depth and the extinction depth are significantly amplified by lateral groundwater flow, by up to 66% and 51%, respectively, compared with 1D estimates derived from the Shah method. These findings highlight the importance of incorporating transient flow processes into ETg estimation to improve the accuracy of water balance assessments and ecohydrological predictions, particularly in areas with shallow water tables and topographic relief. Full article
(This article belongs to the Section Surface Waters and Groundwaters)
Show Figures

Figure 1

21 pages, 14144 KB  
Article
Optimization of Formation Parameters for Single-Pass/Cross-Track Interferometry Through the Harmony Mission
by Federica Cotugno, Andreas Theodosiou, Björn Rommen, Michele Manunta, Riccardo Lanari, Maria Salvato, Francesca Pelliccia and Alfredo Renga
Remote Sens. 2026, 18(6), 877; https://doi.org/10.3390/rs18060877 - 12 Mar 2026
Viewed by 196
Abstract
In the framework of Harmony, the 10th ESA Earth Explorer mission, this paper presents a general methodology to optimize the formation parameters relevant to the single-pass, cross-track interferometry (XTI) configuration. The proposed method considers the requested height sensitivity and the maximum allowable temporal [...] Read more.
In the framework of Harmony, the 10th ESA Earth Explorer mission, this paper presents a general methodology to optimize the formation parameters relevant to the single-pass, cross-track interferometry (XTI) configuration. The proposed method considers the requested height sensitivity and the maximum allowable temporal lag and derives the formation parameters for an optimal coverage over different ranges of latitudes by leveraging the relative eccentricity and inclination vector formalism. Our approach addresses the problem of interferometric coherence through the wavenumber support alignment method which is able to take into account the specific geometry of XTI in Harmony, which is a long-baseline multistatic configuration with large squint angles. The analysis is completed by an estimate of the propellant budget, required to maintain the optimized formation, which can be used as a further trade-off parameter within the mission design process. The results indicate that the passively stable helix configuration (with relative eccentricity and inclination phase angles set to 90°) provides a robust solution at equatorial and mid-latitude regions with perpendicular baselines up to the order of 1 km and temporal lag below 10 ms. Conversely, for high-latitude and polar regions, two alternative strategies are identified, revealing a trade-off between enhanced interferometric performance and increased formation maintenance requirements. For polar regions, a first strategy adopts relative eccentric and phase angles of 10°, achieving satisfactory performance across most latitudes, whereas an alternative approach retains the value of 90° and optimizes the formation specifically for high latitudes. These two options result in distinct station-keeping demands since the former strategy requires a ΔV budget about two orders of magnitude higher, while the latter remains within a ΔV range that is typical for missions of the considered class. Full article
(This article belongs to the Special Issue Multi-Satellite SAR Missions in Earth Orbit: Programs and Studies)
Show Figures

Figure 1

24 pages, 5962 KB  
Article
Power Reconstruction and Quantitative Analysis of Photovoltaic Cluster Fluctuation Characteristics Considering Cloud Movement Time Lag
by Gangui Yan, Jianshu Li, Aolan Xing and Weian Kong
Electronics 2026, 15(6), 1172; https://doi.org/10.3390/electronics15061172 - 11 Mar 2026
Viewed by 147
Abstract
The power fluctuation of large-scale photovoltaic (PV) clusters is significantly affected by cloud movement. Aiming at the engineering reality that meteorological observation data are generally lacking for most power stations in wide-area PV clusters, as well as the problem that existing models overfit [...] Read more.
The power fluctuation of large-scale photovoltaic (PV) clusters is significantly affected by cloud movement. Aiming at the engineering reality that meteorological observation data are generally lacking for most power stations in wide-area PV clusters, as well as the problem that existing models overfit second-order high-frequency noise such as microscopic cloud deformation, this paper proposes a disturbance reconstruction and smoothing effect quantification method for PV clusters focusing on the first-order dominant meteorological component. First, a clear-sky model is introduced as a deterministic trend filter to extract the purely random disturbance sequence that induces grid-connection risks from the measured output power. Second, the dimensionality reduction modeling concept of “macro-advection dominance and microscopic deformation filtering” is established: the PV cluster is finely partitioned by fusing Dynamic Time Warping (DTW) and geographical distance, and a cross-space inversion of the macro-cloud velocity vector is realized, driven by pure power data using the Time-Lagged Cross-Correlation (TLCC) algorithm, thus constructing a disturbance power generation model that accounts for the phase misalignment of power output. Independent verification based on measured data in Jilin Province shows that the 95% confidence interval of the power reconstructed only by the first-order advection characteristics can cover 90.2% of the measured fluctuations, and the reconstruction error of the fluctuation standard deviation—an indicator that determines the system reserve demand—is merely 5.9%. This verifies that the macro-cloud displacement is the absolute dominant factor governing the extreme fluctuations of PV clusters. Finally, a normalized Smoothing Factor (SF) characterizing the “reserve capacity release ratio” is constructed, and combined with its statistical indicators, it is used to quantitatively evaluate the smoothing benefits provided by different spatial layout schemes. Under data-constrained conditions, the method proposed in this paper verifies the engineering rationality that microscopic meteorological noise can be safely neglected at the macro-PV cluster scale, providing a reliable quantitative basis for the safe grid expansion and peak-shaving energy storage capacity sizing of high-proportion PV bases. Full article
Show Figures

Figure 1

18 pages, 2193 KB  
Article
Impact of Ball-Milling and Thermal Hydrolysis on Physicochemical Properties and Anaerobic Digestion Kinetics of Mixed Slaughterhouse and Agricultural Wastes
by Sang Heon Lee, Oh Hyun Gweon, Hye Sun Lee, Byoung Seung Jeon, Youngwook Go, Chang Sook Jin, Youngseob Yu, Byoung-In Sang and Jin Hyung Lee
Bioengineering 2026, 13(3), 326; https://doi.org/10.3390/bioengineering13030326 - 11 Mar 2026
Viewed by 252
Abstract
Slaughterhouse by-products are promising feedstocks for anaerobic digestion due to their high lipid and protein content. However, their complex structures often limit hydrolysis, and excessive pretreatment can induce inhibitory conditions. This study evaluates the effects of ball-milling (BM), ball-milling with water (BM + [...] Read more.
Slaughterhouse by-products are promising feedstocks for anaerobic digestion due to their high lipid and protein content. However, their complex structures often limit hydrolysis, and excessive pretreatment can induce inhibitory conditions. This study evaluates the effects of ball-milling (BM), ball-milling with water (BM + water), and combined thermal hydrolysis and ball-milling (THP + BM) on the digestion performance of a mixed substrate of slaughterhouse and agricultural wastes. The results demonstrate that all BM-based pretreatments significantly improved digestion kinetics, reducing the lag phase by 26–66% and shortening the T50 values by approximately 40% compared to the untreated substrate. While no statistically significant differences were observed in the ultimate methane yield, the onset of methanogenesis was markedly accelerated in the BM and BM + water treatments. In contrast, despite achieving superior solubilization, the THP + BM treatment failed to provide proportional kinetic enhancements. This was attributed to a severe initial metabolic imbalance—characterized by a pH drop below the inhibitory threshold (6.33)—which induced physiological stress and delayed the functional recovery of methanogens. These findings indicate that while ball-milling effectively facilitates digestion initiation by enhancing physical accessibility, the intensity of combined thermal-mechanical processes must be strategically optimized. For high-strength organic biomass, managing pretreatment severity is crucial to prevent initial acid stress and maximize process efficiency. Full article
(This article belongs to the Special Issue Anaerobic Digestion Advances in Biomass and Waste Treatment)
Show Figures

Figure 1

29 pages, 2057 KB  
Article
Information-Enabled Marketing Efficiency and Financial Performance in Centralized Finance (CeFi)—An International Study
by Dimitrios P. Reklitis, Nikolaos T. Giannakopoulos, Marina C. Terzi, Damianos P. Sakas, Kanellos S. Toudas and Apostolos G. Christopoulos
Information 2026, 17(3), 280; https://doi.org/10.3390/info17030280 - 11 Mar 2026
Viewed by 197
Abstract
This study examines the statistical associations between commercialization-related cost structures and financial outcomes on revenue growth, profitability, and scale within a centralized financial system. We estimate four OLS models (M1–M4) using aggregated annual data from 2020 to 2025 and enhance our analysis with [...] Read more.
This study examines the statistical associations between commercialization-related cost structures and financial outcomes on revenue growth, profitability, and scale within a centralized financial system. We estimate four OLS models (M1–M4) using aggregated annual data from 2020 to 2025 and enhance our analysis with a fuzzy cognitive map (FCM) scenario assessment. The findings demonstrate that revenue growth correlates positively with both SG&A growth and commercialization efficiency (revenue per unit of SG&A); however, SG&A intensity exhibits a negative relationship with net margins. Logarithmic estimations indicate a robust co-scaling between operational expenses and revenues, implying growth driven by capacity rather than operating leverage. Lagged analysis also reveals an intertemporal trade-off, wherein phases of accelerated SG&A expansion are succeeded by diminished subsequent growth. The findings underscore the necessity of differentiating between commercialization intensity and efficiency, and advise against viewing SG&A growth as a consistent alignment of financial performance. Full article
(This article belongs to the Section Information Systems)
Show Figures

Figure 1

18 pages, 3768 KB  
Article
Variable Cutoff Frequency Low-Pass Attenuator Based on Memristor with Sharp Roll-Off Characteristic
by Jie Lian, Xingyu Liao, Junjie Wang, Shuang Liu, Yan Wang and Yang Liu
Electronics 2026, 15(6), 1164; https://doi.org/10.3390/electronics15061164 - 11 Mar 2026
Viewed by 171
Abstract
Frequency-selective attenuation is widely needed in integrated analog front-ends, yet conventional on-chip RC low-pass filters occupy unfeasibly large silicon areas for low-frequency cutoffs and inherently introduce cumulative phase lag. Motivated by the nonlinear, frequency-dependent state evolution of memristive devices, this work experimentally demonstrates [...] Read more.
Frequency-selective attenuation is widely needed in integrated analog front-ends, yet conventional on-chip RC low-pass filters occupy unfeasibly large silicon areas for low-frequency cutoffs and inherently introduce cumulative phase lag. Motivated by the nonlinear, frequency-dependent state evolution of memristive devices, this work experimentally demonstrates a highly compact, capacitor-free memristor–resistor network that functions as a variable-cutoff, zero-phase-lag resistive attenuator. An Au/HfO2/Au memristor (15 µm × 15 µm) is connected in series with a load resistor and characterized over a wide frequency range. By leveraging the finite time constant of internal ionic drift, the attenuation bandwidth is strictly programmable via the device’s initial resistance. Cutoff frequencies of approximately 10 Hz, 1 kHz, and 10 kHz are achieved for initial resistances of 400 kΩ±30 kΩ, 300 kΩ±30 kΩ, and 200 kΩ±30 kΩ, respectively. Remarkably, the nonlinear state-switching mechanism enables a steep post-cutoff attenuation rate approaching −60 dB/dec—equivalent to a cascaded third-order RC network—using only a single nanoscale device. Rather than functioning as a strictly linear time-invariant (LTI) filter, the proposed circuit operates as a state-adaptive edge-processor. Its inherent amplitude-dependent dynamics and total absence of reactive poles make it exceptionally suited for highly specialized, area-constrained applications, including zero-phase closed-loop noise suppression, frequency-to-amplitude conversion, and amplitude-aware event-driven sensory preprocessing. Full article
Show Figures

Figure 1

22 pages, 4485 KB  
Article
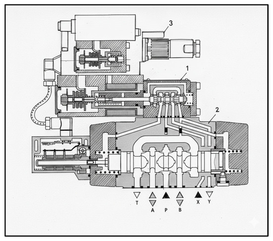
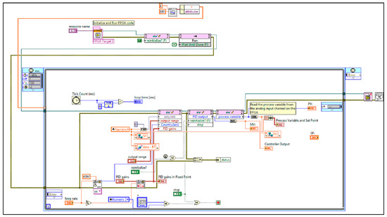
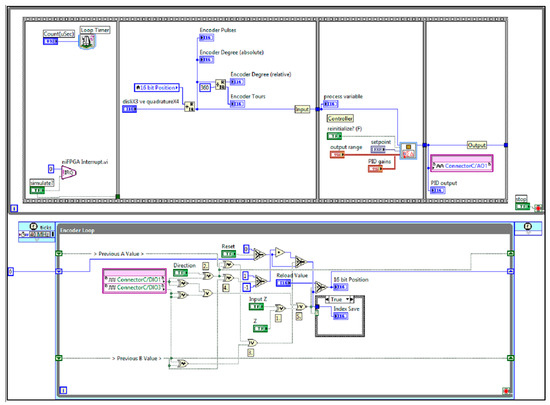
Design and Validation of a Real-Time FPGA-Based PID Control System for Angular Positioning in Servo-Hydraulic Actuators
by Ersin Tural and Rıza Emre Ergün
Machines 2026, 14(3), 315; https://doi.org/10.3390/machines14030315 - 10 Mar 2026
Viewed by 306
Abstract
Electro-hydraulic servo systems (EHSS) are widely used in industrial applications due to their high power-to-weight ratio; however, their nonlinear dynamics pose significant challenges for precise position control. This study proposes and validates a real-time Proportional–Integral–Derivative (PID) control system implemented on a Field Programmable [...] Read more.
Electro-hydraulic servo systems (EHSS) are widely used in industrial applications due to their high power-to-weight ratio; however, their nonlinear dynamics pose significant challenges for precise position control. This study proposes and validates a real-time Proportional–Integral–Derivative (PID) control system implemented on a Field Programmable Gate Array (FPGA) platform for the angular positioning of a servo-hydraulic actuator. The control algorithm is deployed on an embedded system to achieve high-speed execution independent of host processing. The controller gains were tuned using system identification techniques based on step response analysis. The system’s performance was experimentally assessed under both step inputs and sinusoidal trajectories. Experimental results demonstrated that the proposed controller achieved a rise time of 0.06 s and a steady-state error within ±1° for small step inputs. Furthermore, frequency domain analysis via Bode diagrams validated the system’s dynamic bandwidth, showing exceptional tracking capabilities at 10 Hz excitation with a negligible phase lag of −0.71°. These findings confirm that an FPGA-based PID control architecture effectively overcomes hydraulic nonlinearities, providing a robust and precise solution for real-time motion control compared to traditional methods. Full article
(This article belongs to the Section Automation and Control Systems)
Show Figures

Figure 1

18 pages, 2340 KB  
Article
Magnetic Walnut Shell Biochar Enhances Direct Interspecies Electron Transfer and Methane Yield from Fruit and Vegetable Waste’s Anaerobic Digestion
by Paul Sebastian Selvaraj, Aswin Kuttykattil, Parameswari Ettiyagounder, Ilakiya Tamilselvan, Kalaiselvi Periyasamy, Sadish Oumabady, Poornima Ramesh, Kavitha Ramadass and Thava Palanisami
Fuels 2026, 7(1), 17; https://doi.org/10.3390/fuels7010017 - 9 Mar 2026
Viewed by 245
Abstract
An exorbitant amount of organic fractions of the municipal solid waste, i.e., fruit and vegetable waste (FVW), generated from farm to fork are being treated through anaerobic digestion (AD). Anaerobic digestion (AD) of FVW only achieves <60% methane potential due to methanogen loss [...] Read more.
An exorbitant amount of organic fractions of the municipal solid waste, i.e., fruit and vegetable waste (FVW), generated from farm to fork are being treated through anaerobic digestion (AD). Anaerobic digestion (AD) of FVW only achieves <60% methane potential due to methanogen loss and indirect electron transfer. Hence, the technology necessitates further improvements in performance to maximise the methane gas yield by stabilising the methanogens using a potential additive. Magnetic biochar is a budding and promising additive in anaerobic digestion that amplifies biomethanation performance. This study focuses on the role of magnetic biochar in enhancing the viability of the AD system in biogas production from organic waste fractions. Herein, the magnetic biochar was produced using a FeCl3-impregnated walnut shell and then characterized. The derived magnetite was identified as the major crystalline phase in biochar with the presence of several oxygenated functional groups. The specific surface area, pore volume, and pore diameter were found to be 360.99 m2 g−1, 0.089 cm3 g−1, and 0.98 nm, respectively. The SEM and TEM images illustrated a good dispersion of the material, with size ranging between 18.2 and 46.6 nm, thus indicating the porous nature of the magnetic biochar. The incorporation of magnetic biochar in the CN ratio modified the AD system with enhanced methane production and the highest volume (1523.4 mL) reported in treatment, with a CN ratio of 25:1 and 0.5% magnetic biochar. The resulted gas yield is 35% more than the control (1125 ML) with reduced lag phase (4 vs. 12 days). It concludes that walnut shell MBC uniquely combines DIET conduits and biofilm support and enhances methane production from FVW. However, 16S rRNA confirmations of syntrophs, continuous reactor validation, and magnetic biochar recovery and reuse potential studies are essential for further scaleup. Full article
Show Figures

Figure 1

21 pages, 4170 KB  
Article
Real-Time Vibration Energy Prediction for Semi-Active Suspensions Using Inertial Sensors: A Physics-Guided Deep Learning Approach
by Jian Cheng, Fanhua Qin, Leyao Wang and Ruijuan Chi
Sensors 2026, 26(5), 1695; https://doi.org/10.3390/s26051695 - 7 Mar 2026
Viewed by 232
Abstract
Response latency and sensor noise are universal challenges in closed-loop control systems. In the context of semi-active suspensions, these issues also exist and manifest as critical bottlenecks. Due to the highly transient nature of road shocks, the inherent physical actuation delays of the [...] Read more.
Response latency and sensor noise are universal challenges in closed-loop control systems. In the context of semi-active suspensions, these issues also exist and manifest as critical bottlenecks. Due to the highly transient nature of road shocks, the inherent physical actuation delays of the hardware, combined with the phase lag introduced by traditional signal filtering, often cause the control response to significantly lag behind the physical excitation. To address this issue from a predictive perspective, this study proposes a Physics-Informed Gated Convolutional Neural Network (PI-GCNN) designed to predict future multi-modal energy evolution, thereby enabling feedforward control. Unlike traditional feedback mechanisms, the proposed framework employs the Continuous Wavelet Transform (CWT) to convert short-horizon inertial data into time–frequency scalograms, effectively isolating transient shock features from background vibrations. A novel physics-guided gating mechanism is embedded within the network architecture to regulate feature activation. This mechanism is trained using an asymmetric sparse physics loss, which combines L1 regularization with adaptive spectral consistency constraints to enforce noise suppression on flat roads while ensuring sensitivity to impacts. Extensive validation was conducted using high-fidelity heavy truck simulations and the public PVS 9 real-world dataset. The results confirm that the PI-GCNN achieves a predictive phase lead of approximately 100–200 ms over real-time baselines, creating a valuable actuation window for suspension dampers. Furthermore, the model demonstrates exceptional computational efficiency, with a parameter count of 0.10 M and a single-frame inference latency of 0.25 ms, making it highly suitable for deployment on resource-constrained automotive edge computing platforms. Full article
(This article belongs to the Section Physical Sensors)
Show Figures

Figure 1

28 pages, 5858 KB  
Article
Flow Characteristics and Thrust Augmentation Effects of Concentric Canister Gas Jets
by Shilin Yang, Hongliang Qi, Wenyan Song, Nan Niu, Weiwei Huang and Yongping Wang
Energies 2026, 19(5), 1264; https://doi.org/10.3390/en19051264 - 3 Mar 2026
Viewed by 266
Abstract
A transient numerical framework incorporating dynamic mesh techniques was developed to simulate the launch process. On this basis, a thermal–fluid–structural multi-physics coupling paradigm was proposed to interpret the evolution of the flow field and the associated load response throughout the entire firing sequence. [...] Read more.
A transient numerical framework incorporating dynamic mesh techniques was developed to simulate the launch process. On this basis, a thermal–fluid–structural multi-physics coupling paradigm was proposed to interpret the evolution of the flow field and the associated load response throughout the entire firing sequence. The results show that flow development follows a multi-stage dynamic pattern, comprising gas-impact filling, gap-jet formation, and subsequent free-jet expansion. A pronounced spatially heterogeneous phase lag was observed in the pressure–Mach number response. This phenomenon arises from a mismatch among the characteristic time scales of pressure-wave propagation, flow inertia, and shock–boundary-layer interaction. Quantitative analysis further indicates that the spatial superposition of high-temperature zones, high-Mach regions, and elevated-pressure areas activates a thermal–fluid–structural positive-feedback loop that drives the local peak temperature to approximately 2.5 × 103 K. The temperature response lags behind the pressure maximum by approximately 30–50 ms, reflecting the governing time scale of thermal inertia. In addition, vortical structures near the tube base account for nearly 15% of the total thrust. These findings provide a theoretical foundation for predicting transient peak loads in concentric cylindrical systems and for optimizing instantaneous thermal protection strategies. Full article
(This article belongs to the Topic Fluid Mechanics, 2nd Edition)
Show Figures

Figure 1

18 pages, 6660 KB  
Article
Biomethane Conversion of Hemicellulose: Biomethane Production, Kinetic Analysis, Substance Conversion, and Microbial Community Dynamics
by Xiteng Chen, Hairong Yuan and Xiujin Li
Bioengineering 2026, 13(3), 295; https://doi.org/10.3390/bioengineering13030295 - 2 Mar 2026
Viewed by 346
Abstract
As a key constituent of lignocellulosic biomass, the role of hemicellulose in anaerobic digestion (AD) remains inadequately characterized, particularly regarding its methane potential and degradation process patterns. This study systematically characterized the AD performance of hemicellulose using xylan as a representative substrate. The [...] Read more.
As a key constituent of lignocellulosic biomass, the role of hemicellulose in anaerobic digestion (AD) remains inadequately characterized, particularly regarding its methane potential and degradation process patterns. This study systematically characterized the AD performance of hemicellulose using xylan as a representative substrate. The results showed that xylan achieved a high methane potential of 350–390 mL/g VS and 89.57% biodegradability, exhibiting a shorter lag phase (λ) and higher reaction rate (k) than other biomass fractions. Substantial acetic acid and ethanol accumulated within the first 24 h, while late-stage dissolved organic matter (DOM) shifted toward complex lignin/CRAM-like. The results of microbial dynamics indicated that the collaborative interaction among Anaerobium, Lactobacillus, and Clostridium accelerated xylan transformation. While methanogenesis was predominantly driven by the acetoclastic route (specifically Methanosarcina), hydrogenotrophic Methanobacterium thrived during temporary pH fluctuations. This work serves as a valuable guide for developing high-performance strategies in industrial lignocellulosic biogas plants. Full article
(This article belongs to the Special Issue Anaerobic Digestion Advances in Biomass and Waste Treatment)
Show Figures

Figure 1

34 pages, 979 KB  
Article
A Systems-Based Multi-Criteria Framework for Evaluating Organizational Competitiveness in Complex Organizations: Evidence from Elite Professional Football
by Labros Sdrolias, Panagiotis Serdaris, Konstantinos Spinthiropoulos, Stavros Kalogiannidis and Alkinoos Psarras
Systems 2026, 14(3), 265; https://doi.org/10.3390/systems14030265 - 2 Mar 2026
Viewed by 481
Abstract
This paper examines the organizational competitiveness and strategic transformation of an elite professional football entity in the Greek Super League during the period 2018–2020, using Panathinaikos as a case study within a comparative framework including Olympiacos, AEK, and PAOK. This period marked a [...] Read more.
This paper examines the organizational competitiveness and strategic transformation of an elite professional football entity in the Greek Super League during the period 2018–2020, using Panathinaikos as a case study within a comparative framework including Olympiacos, AEK, and PAOK. This period marked a phase of enforced reorientation for Panathinaikos due to UEFA sanctions for overdue debts and the club’s exclusion from European competitions, which resulted in extensive squad renewal and increased reliance on academy-developed players. The aim of the study is to identify the factors shaping Panathinaikos’ strategic position, diagnose the causes of its lagging performance, and suggest directions for strategic repositioning. To this end, a multi-criteria framework based on the Analytic Hierarchy Process (AHP) is employed, integrating qualitative assessments, expert judgements, and quantitative performance indicators through pairwise comparisons, weight calculations, and consistency checks. The analysis is based on a conceptually original model that defines the Football Organization as an integrated system composed of two interdependent subsystems: the Football Club and the Football Team (competitive subsystem). This approach highlights that league standings do not always reflect overall performance dynamics, as they are influenced by both organizational and on-field factors. The findings indicate that Panathinaikos is lagging behind in key areas and that a structural discontinuity between the Club and the Team limits strategic coherence and the ability to create a sustainable competitive advantage. The study concludes with proposals for restructuring and strategic repositioning, while the proposed model functions as a transferable decision-support tool for assessing organizational competitiveness, with broader applicability to complex organizational systems beyond professional football. Full article
(This article belongs to the Section Complex Systems and Cybernetics)
Show Figures

Figure 1

Back to TopTop